모두CBT | 국가고시 실기시험 부시기!

13년도 모음 해설 페이지

13년도 모음

    1

    13년도 모음

    표면온도가 350℃ 인 전기히터의 표면온도를 750℃ 로 상승시킬 경우, 복사에너지는 처음보다 약 몇 배로 상승되는가?

    스테판-볼츠만의 법칙=>복사열은 절대온도차의 4제곱및 단면적에 비례한다.

    고온물체의 절대온도{(273+T1)/저온물체의 절대온도(273+T2)}*4승

    2

    13년도 모음

    다음 중 인화성 물질이 아닌 것은?

    3

    13년도 모음

    다음 중 화재하중을 나타내는 단위는?

    4

    13년도 모음

    상온, 상압에서 액체인 물질은?

    5

    13년도 모음

    가스 A가 40vol%, 가스 B가 60vol% 로 혼합된 가스의 연소하한계는 몇 vol% 인가? (단, 가스 A 의 연소하한계는 4.9vol% 이며, 가스 B의 연소하한계는 4.15vol% 이다.)

    100/L=V1/L1+V2/L2+...


    → 100/L=V1/L1+V2/L2

    → 100/L=4.9/40+4.15/60

    → L= 4.42

    6

    13년도 모음

    가연성의 기체나 액체, 고체에서 나오는 분해가스의 농도를 엷게 하여 소화하는 방법은?

    물을뿌려->냉각

    가스밸브 차단->제거

    부촉매->할론소화약제

    농도를엷게->희석

    7

    13년도 모음

    화재 분류에서 C급 화재에 해당하는 것은

    A급 화재 : 일반화재

    B급 화재 : 가스 및 유류화재

    C급 화재 : 전기화재

    D급 화재 : 금속화재

    8

    13년도 모음

    니트로셀룰로오스에 대한 설명으로 잘못된 것은?



    질화도가 높을수록 위험성이 크다

    9

    13년도 모음

    소화약제로서 물 1g 이 1기압, 100℃ 에서 모두 증기로 변할 때 열의 흡수량은 몇 cal 인가?

    융해잠열 - 80 cal/g

    기화잠열 - 539 cal/g

    0도~ 100도씨 수증기로 바뀔 때 필요열량 - 639cal

    0도 얼음 1g이 100도의 수증기로 바뀌는 열량 - 719cal

    10

    13년도 모음

    다음 중 인화점이 가장 낮은 물질은?

    11

    13년도 모음

    건물 내부의 화재시 발생한 연기의 농도(감광계수)와 가시거리의 관계를 나타낸 것으로 틀린 것은?

    0.1ㅡ20~30ㅡ연기감지기

    0.3ㅡ5ㅡ피난지장

    0.5ㅡ3ㅡ어두움

    1ㅡ1~3ㅡ안보임

    10ㅡ0.2~0.5ㅡ최성기

    12

    13년도 모음

    일반적인 화재에서 연소 불꽃 온도가 1500℃ 이었을 때의 연소 불꽃의 색상은?

    암적색(진홍색) : 700~750도, 적색 : 850도

    휘적색(주황색) : 925~950도, 황적색 : 1100도

    백적색(백색) : 1200~1300도, 휘백색 : 1500도

    13

    13년도 모음

    소화의 원리로 가장 거리가 먼 것은?

    14

    13년도 모음


    Halon 2402 의 화학식은

    15

    13년도 모음

    건물의 피난동선에 대한 설명으로 옳지 않은 것은

    16

    13년도 모음

    .건축물에서 주요 구조부가 아닌 것은?

    건축물 주요 구조부

    - 내력벽

    - 보

    - 지붕

    - 바닥

    - 주계단

    - 기둥

    17

    13년도 모음

    기온이 20℃ 인 실내에서 인화점이 70℃ 인 가연성의 액체표면에 성냥불 한개를 던지면 어떻게 되는가?

    18

    13년도 모음

    위험물안전관리법령상 위험물에 해당하지 않는 물질은

    황산 : 독극물

    19

    13년도 모음

    공기 중의 산소를 필요로 하지 않고 물질 자체에 포함되어 있는 산소에 의하여 연소하는 것은

    20

    13년도 모음

    밀폐된 공간에 이산화탄소를 방사하여 산소의 체적 농도를 12% 되게 하려면 상대적으로 방사된 이산화탄소의 농도는 얼마가 되어야 하는가?

    (21-O2)/21×100

    (21-12)/21×100=42.857

    21

    13년도 모음

    L-C 직렬회로의 공진조건은?

    ㅇ 직렬.병렬 공진 비교 설명

      - 직렬회로: XL=XC, wL=1/wC

      - 병렬회로: 1/XL=wC=1/wL

    ※ 출제빈도 높은 공진주파수는 직병렬 공히 f0=1/2파이루트LC

    22

    13년도 모음

    그림에서 1[Ω]의 저항 단자에 걸리는 전압의 크기는?

    문제이미지

    전압원은 중첩시, 단락으로 처리

    -> 그렇게되면, 1Ω으로는 전압이 흐르지 않음.(전류가 저항이 없는 곳으로 다 흐르니까)

    전류원은 중첩시, 개방으로 처리

    -> 그렇게 되면, 1Ω에는 100V가 걸리게 됨.

    답은, 100V

    23

    13년도 모음

    그림과 같은 반파정류회로에 스위치 A를 사용하여 부하 저항 RL 을 떼어 냈을 경우, 콘덴서 C의 충전전압[V]은?

    문제이미지

    질문에서 충전전압 V는 최대값(Vmax)를 구하라는 뜻.

    그림 상단에 '100:24'에서 '24'는 실효값 V

    Vmax=루트2 X V(실효값)

    24

    13년도 모음

    논리식 

    와 같은 것은?

    문제이미지

    드모르간의 법칙


    (A·B)' = A' + B'

    (A + B)' = A'·B'

    25

    13년도 모음

    △결선된 부하를 Y결선으로 바꾸면 소비전력은 어떻게 되는가? (단, 선간전압은 일정하다.

    기본전제조건은,

    1.선간전압이 동일 2.임피던스가 동일해야함.

    △결선 -> Y결선 시, 전류는 1/3이 되기 때문에,

    전력의 공식인 P=VI에서(역률 cosθ 는 동일한 가정)

    전력은 1/3이 됨.

    26

    13년도 모음

    내부저항이 200[Ω]이며 직류 120[mA]인 전류계를 6[A]까지 측정할 수 있는 전류계로 사용하고자 한다. 어떻게 하면 되겠는가?

    6=(1+200/x)*0.12


    x = 4.08

    27

    13년도 모음

    그림과 같은 회로에서 b-d 사이의 전압을 50[V]로 하려면 콘덴서 C의 정전용량은 몇 [μF] 인가?

    문제이미지

    C/(0.5+C)*500 = 50, C=0.0555

    28

    13년도 모음

    발전기의 조속기에 사용되는 제어는

    자동조정 : 전류, 전압, 주파수, 회전속도 (발전기의 조속기), 장력

    [해설작성자 : 백골아자아자]


    프로세스제어(공정제어) : 온도,압력,유량,액면

    서보기구(서보제어,추종제어) : 위치, 방위, 자세

    자동조정 : 전압,전류,주파수,장력,회전속도(발전기의 조속기)

    29

    13년도 모음

    직류전동기의 회전수는 자속이 감소하면 어떻게 되는가

    전동기 관련식 PZ파이N/60a에서 이 값이 유지된다면 자속이 줄면 N은 증가

    30

    13년도 모음

    자동제어계에서 각 요소를 블록선도로 표시할 때 각 요소는 전달함수로 표시한다. 신호의 전달경로는 무엇으로 표현하는가?

    31

    13년도 모음

    시퀀스제어에 관한 설명 중 옳지 않은 것은

    전체 시스템에 연결된 접점들이 순차적으로 동작한다

    32

    13년도 모음

    그림과 같은 다이오드 게이트 회로에서 출력전압은?

    문제이미지

    OR게이트:

    입력신호 5V, 0V, 5V 중 어느 하나라도 1의 신호가 되면(5V) 출력신호 X가 1이 된다(5V)

    33

    13년도 모음

    동기발전기의 병렬운전 조건으로서 옳지 않은 것은

    상회전방향 단자전압(발생전압) 위상이 같아야 함


    [추가 해설]

    크기 위치 주파수 파형 = 크위주파 << 기억 + 상회전 방향 같을 것

    => 크위주파상

    34

    13년도 모음

    발전기의 부하가 불평형이 되어 발전기의 회전자가 과열 소손되는 것을 방지하기 위하여 설치하는 계전기는

    비율차동계전기 : 발전기보호용계전기

    35

    13년도 모음

    부궤한 증폭기의 장점에 해당되는 것은

    장점

    1. 안정도 증진 2. 대역폭 확장 3. 잡음 감소 4. 왜곡 감소

    단점

    1. 이득 감소

    36

    13년도 모음

    비사인파의 일반적인 구성이 아닌 것은

    비사인파 교류: 부하의 성질에 따라 파형이 일그러져 비사인파형으로 되는 교류(기본파+고조파+직류분

    37

    13년도 모음

    회로에서 주파수를 60[Hz], 단상교류전압 V=100[V], 저항 R=18.8[Ω]일 때 L의 크기는? (단, L을 가감해서 R의 전력을 L=0일 때의 1/2이라 한다.

    문제이미지

    R=ωL=2πfL (ω=2πf)


    L=R/2πf =18.8/(2π*60)=0.04986Hz=50[mH]

    38

    13년도 모음

    그림의 논리기호를 표시한 것으로 옳은 식은?

    문제이미지

    39

    13년도 모음

    자동화재 탐지설비의 수신기(정격 전압 220V인 경우)의 금속제 외함에 행하여야 하는 접지공사는?

    정격전압 400V 미만 = 제3종접지공사

    40

    13년도 모음

    축전지 용액의 저항을 측정할 때 사용하는 것은

    41

    13년도 모음

    지정수량의 10배 이상의 위험물을 저장 또는 취급하는 제조소 등(이동탱크저장소를 제외한다)에는 화재발생시 이를 알릴 수 있는 경보설비를 설치하여야 한다. 이 경보설비의 종류로서 옳지 않은 것

    42

    13년도 모음

    소방대상물의 관계인은 소방대상물에 화재, 재난ㆍ재해 등이 발생한 경우 소방대가 현장에 도착할 때까지 사람을 구출하는 조치 또는 불을 끄거나 불이 번지지 않도록 조치를 하여야 한다. 정당한 사유 없이 이를 위반한 관계인에 대한 벌칙은?

    43

    13년도 모음

    전문소방시설공사업의 법인의 자본금은?

    전문-자본금 법인:1억원 이상 개인:1억원 이상

    일반 법인:1억원 이상 개인:1억원 이상

    44

    13년도 모음

    소방방재청장ㆍ소방본부장 또는 소방서장은 소방업무를 전문적이고 효과적으로 수행하기 위하여 소방대원에게 필요한 교육ㆍ훈련을 실시하여야 하는데, 다음 설명 중 옳지 않은 것은

    민방위훈련은 소방교육훈련과 아무런 관련이 없다

    45

    13년도 모음

    특정소방대상물의 각 부분으로부터 수평거리 140m 이내에 공공의 소방을 위한 소화전이 화재안전기준이 정하는 바에 따라 적합하게 설치되어 있는 경우에 설치가 면제되는 것은

    13.상수도소화용수설비 :

    가.상수도소화용수설비를 설치하여야 하는 특정소방대상물의 각 부분으로부터 수평거리 140m 이내에 공공의 소방을 위한 소화전이 화재안전기준에 적합하게 설치되어 있는 경우에는 설치가 면제된다.

    나. 소방본부장 또는 소방서장이 상수도소화용수설비의 설치가 곤란하다고 인정하는 경우로서 화재안전기준에 적합한 소화수조 또는 저수조가 설치되어 있거나 이를 설치하는 경우에는 그 설비의 유효범위에서 설치가 면제된다.

    46

    13년도 모음

    소방안전교육사와 관련된 내용으로 옳지 않은 것은?

    기본령 7조2

    소방안전교육사: 소방청장이 실시

    47

    13년도 모음

    소방안전관리자 선임에 관한 설명 중 옳은 것은?

    문제이미지


    선임은 30일

    선임"신고"는 14일 입니다.

    48

    13년도 모음

    소방시설관리업의 등록기준 중 이산화탄소 소화설비의 장비기준이 아닌 것은?

    1.캡스패너

    2.절연저항계

    3.기동관누설시험기

    4.전류전압측정계

    49

    13년도 모음

    소방시설설치유지 및 안전관리에 관한 법률시행령에서 규정하는 소화활동설비에 속하지 않는 것은

    소화활동설비는 제연설비,연결송수관설비,연결살수설비,비상콘센트설비,무선통신보조설비,연소방지설비가 있고,

    비상방송설비는 경보설비에 속한다

    50

    13년도 모음

    소방용품”이란 소방시설 등을 구성하거나 소방용으로 사용되는 기기를 말하는데, 피난설비를 구성하는 제품 또는 기기에 속하지 않는 것은?

    51

    13년도 모음

    다음 중 소방안전관리자를 두어야 하는 1급 소방안전관리대상물에 속하지 않는 것은

    ■ 1급 소방 안전관리 대상물

        ● 연면적 1만5천 제곱미터 이상

        ● 층수가 11층 이상

        ● 가연성가스 1천톤 이상 저장, 취급하는 시설(단, 아파트, 동식물원 제외)

    52

    13년도 모음

    소방안전관리대상물의 소방계획서에 포함되어야 할 내용으로 옳지 않은 것은

    재난방지계획 및 민방위조직에 관한 사항은 해당없음

    53

    13년도 모음

    건축물 등의 신축ㆍ증축ㆍ개축ㆍ재축 또는 이전의 허가ㆍ협의 및 사용승인의 권한이 있는 행정기관은 건축허가 등을 함에 있어서 미리 그 건축물 등의 공사시 공지 또는 소재지를 관할하는 소방본부장 또는 소방서장의 동의를 받아야 한다. 다음 중 건축허가 등의 동의대상물의 범위로서 옳지 않은 것은

    승강기 등 기계장치에 의한 주차시설로서 자동차 20대 이상을 주차할수 잏는 시설

    54

    13년도 모음

    방염대상물품 중 제조 또는 가공공정에서 방염처리를 하여야 하는 물품이 아닌 것은

    55

    13년도 모음

    인화성 액체인 제4류 위험물의 품명별 지정수량으로 옳지 않은 것은

    56

    13년도 모음

    소방시설공사업자는 소방시설공사를 하려면 소방시설착공(변경)신고서 등의 서류를 첨부하여 소방본부장 또는 소방서장에게 언제까지 신고하여야 하는가?

    57

    13년도 모음

    다음 중 대통령령으로 정하는 화재예방강화지구의 지정대상지역으로 옳지 않은 것은

    58

    13년도 모음

    소방본부장 또는 소방서장 등이 화재현장에서 소방활동을 원활히 수행하기 위하여 규정하고 있는 사항으로 틀린 것은?

    59

    13년도 모음

    다음 중 소방시설 등의 자체점검업무에 관한 종합정밀 점검 시 점검자의 자격이 될 수 없는 사람은

    60

    13년도 모음

    위험물시설의 설치 및 변경 등에 있어서 허가를 받지 아니하고 당해 제조소 등을 설치하거나 그 위치ㆍ구조 또는 설비를 변경할 수 있으며, 신고를 하지 아니하고 위험물의 품명ㆍ수량 또는 지정수량의 배수를 변경할 수 있는 경우의 제조소 등으로 옳지 않은 것은?

    위험물법 6조

    제조소 등의 설치허가

    (1) 설치허가자 시, 도지사

    (2) 설치허가 제외장소

    ①주택의 난방시설(공동주택의 중앙난방시설은 제외)을 위한 저장소 또는 취급소

    ②지정수량 20배이하의 농예용, 축산용, 수산용 난방시설 또는 건조시설의 저장소

    (3) 제조소 등의 변경신고 변경하고자 하는 날의 1일 전까지

    61

    13년도 모음

    감지기를 설치하지 않는 기준으로 틀린 것은?

    천장 및 반자의높이가 20m이상인 장소

    62

    13년도 모음


    누전경보기는 계약전류용량이 얼마를 초과하는 특정소방대상물에 설치하여야 하는가

    *누전경보기 설치대상

    계약전류 용량 100A를 초과하는 특정소방대상물에 설치하여야 한다. 단, 위험물 저장 및 처리시설 중 가스시설, 지하가 중 터널 또는 지하구의 경우에는 그러하지 아니하다.


    참고로,

    경계전로의 정격전류가 60A를 초과하는 전로에 있어서는 1급 누전경보기를, 60A이하의 전로에 있어서는 1급 또는 2급 누전경보기를 설치한다

    63

    13년도 모음

    P형 수신기에 구성되어 있는 표시장치를 나열한 것이다. 옳지 않은 것은

    도통시험 스위치등은 구성에 없습니다

    64

    13년도 모음

    다음은 비상방송설비의 음향장치에 관한 설치기준이다. ( )안의 알맞은 내용으로 옳은 것은?


    확성기의 음성입력은 ( ) 실내에 설치하는것에 있어서는 ( ) 이상으로 한다.

    65

    13년도 모음

    옥내소화전설비로서 비상전원을 설치하는 경우, 자가발전 설비 또는 축전지설비는 정해진 기준에 따라 설치하여야 한다. 이 기준에 적합하지 않는 것은?

    옥내소화전설비를 유효하게 <20분 이상> 작동할 수 있도록 설치한다

    66

    13년도 모음

    열반도체식 차동식분포형감지기 설치기준으로 옳은 것은

    8m 미만: 내화 1종 65m2 / 2종 36m2

            기타 1종 40m2 / 2종 23m2


    8이상~15m미만: 내화 1종 50m2 / 2종 36m2

                  기타 1종 30m2 / 2종 23m2

    67

    13년도 모음

    다음 중 감지기의 종별에 관한 설명으로 옳지 않은 것은?

    일정한 온도이상 되는 경우에 작동한다 >> 일정농도의 연기발생시 작동한다

    68

    13년도 모음

    유도등의 전선의 굵기는 인출선인 경우 단면적이 몇 mm2 이상이어야 하는가

    인출선    0.75

    인출선 외  0.5


    인출선의 길이 150mm

    [해설작성자 : 대박]

    69

    13년도 모음

    전압이 종별을 구분할 때 저압의 기준으로 옳은 것은

    현재는 직류 1500v 이하

    교류 1000v 이하

    70

    13년도 모음

    복도에 비상조명등을 설치한 경우 휴대용 비상조명등의 설치를 제외할 수 있는 시설로서 옳은 것은?

    (((((((★복도))))))))에 비상조명등 시설시 숙박시설은 복도에 나오면 되니 생략가능

    71

    13년도 모음


    P형 1급 발신기의 구성요소가 아닌 것은?

    ㅇ P형1급 또는 R형 수신기 구성요소

      - 명판,누름스위치,보호판,외함,응답표시등,전화잭

    ※ 외우기: 누명보호전화응답,,"전화좀 응답해라 누명보호하게

    72

    13년도 모음

    소방관서에 통보하는 자동화재속보설비에 관한 설명으로 옳지 않은 것은?

    73

    13년도 모음

    비상콘센트설비의 정격전압이 220 V인 경우 가하는 절연내력 실효전압은?

    정격전압이 150볼트 이하인 경우 실효전압 1000v

            150볼트 이상인 경우 (정격전압 * 2)+1000v 이므로

            (220*2)+1000=1440v (*답이 정확하다면 문제에서 정격전압은 220v임)

    74

    13년도 모음

    누전경보기의 영상변류기(ZCT) 절연저항시험 주위로서 옳지 않은 것은?

    75

    13년도 모음

    광전식분리형 감지기의 광축의 높이는 천장 등 높이의 몇 % 이상이어야 하는가?

    ※ 광전식 분리형 감지기의 설치기준

    1) 감지기의 광축의 길이는 공칭감지거리 범위 이내이어야 한다.

    2) 감지기의 수광부는 설치된 뒷벽으로부터 1m 이내의 위치에 설치해야 한다.

    3) 감지기의 수광면은 햇빛을 직접 받지 않도록 설치해야 한다.

    4) 광축은 나란한 벽으로부터 0.6m 이상 이격하여야 한다.

    5) 광축의 높이는 천장 등 높이의 80% 이상일 것

    76

    13년도 모음

    터널 내에 비상콘센트를 설치하는 경우 주행차로의 우측측벽에 얼마 이내의 간격으로 설치하여야 하는가?

    77

    13년도 모음

    비상조명등에 관한 설치기준으로 옳은 것은?


    <문제 해설>

    10분 -> 20분

    78

    13년도 모음

    무선통신보조설비의 무선기기 접속단자의 설치기준으로 옳지 않은 것은?

    .지상에 설치하는 접속단자는 수평거리 300 m 이내마다 설치한다

    79

    13년도 모음


    자동화재탐지설비의 경계구역 설정기준으로 옳지 않은 것은?

    하나의경계구역은 600m^2

    한변의 길이는 50m

    80

    13년도 모음

    누전경보기 수신부의 기능검사 항목이 아닌 것은?

    누전경보기 수신부의 기능검사항목

    충격시험,전원전압변동시험,과입력전압시험,진동시험

    (충전과 진동)

    81

    13년도 모음


    위험물안전관리법령상 위험물의 적재시 혼재기준에서 다음 중 혼재가 가능한 위험물로 짝지어진 것은?

    1.질산칼륨(제1류)과 가솔린(제4류)

    2.과산화수소(제6류)와 황린(제3류)

    3.철분(제2류)과 유기과산화물(제5류)

    4.등유(제4류)와 과염소산(제6류)

    82

    13년도 모음


    다음 위험물 중 물과 접촉시 위험성이 가장 높은 것은?

    수산화나트륨(NaOH)과 산소(O2)를 발생한다.

    수산화나트륨은 강한부식성(산화제)이 있고 물과 공기중에서 열을 발생하며,

    황과 접촉하면 발화하고 알루미늄 가루나 목탄 등과 접촉시키면 폭발한다.

    *기존해설 오류 -> 과산화수소나트륨은 에탄올과 반응하여 생성된다

    83

    13년도 모음

    Twin agent system으로 분말소화약제와 병용하여 소화효과를 증진 시킬 수 있는 소화약제로 다음 중 가장 적합한 것은?

    84

    13년도 모음

    다음 물질 중 공기 중에서의 연소범위가 가장 넓은 것은?

    85

    13년도 모음

    다음 중 제1류 위험물로 그 성질이 산화성고체인 것은?

    86

    13년도 모음

    화재에 관한 설명으로 옳은 것은?

    1,2 - PVC 저장창고에서 발생한 화재는 A급화재이다

    4. 연소의 색상과 온도와의 관계를 고려할 때 일반적으로 휘백색보다는 휘적색의 온도가 낮다

    * 온도 높은순

    휘백색>백적색>황적색>휘적색>적색>암적색>담암적색

    87

    13년도 모음

    Halon 1301 의 화학기호로 옳은 것은?

    88

    13년도 모음

    물체의 표면온도가 250℃ 에서 650℃ 로 상승하면 열복사량은 약 몇 배 정도 상승하는가?

    스테판 볼츠만 식으로 계산하면 복사열량은 절대온도의 4제급에 비례하기 때문에 아래의 식으로 계산하면

    (650+270)^4/(250+270)^4 = 9.7 정답이 나옵니다

    89

    13년도 모음

    물질의 연소시 산소 공급원이 될 수 없는 것은?

    90

    13년도 모음

    LNG와 LPG 에 대한 설명으로 틀린 것은

    91

    13년도 모음

    담홍색으로 착색된 분말소화약제의 주성분은?

    1종분말 - 탄산수소나트륨 - NaHCO3-백색 - B급C급

    2종분말 - 탄산수소칼륨 - KHCO3 - 담회색 - B급C급

    3종분말 - 제1인산암모늄 - NH4H2PO4.- 담홍색 - ABC 급

    4종분말 - 탄산수소칼륨과 요소와의 반응물 - 회색 - B급C급

    92

    13년도 모음

    건물의 주요구조부에 해당되지 않는 것은?

    93

    13년도 모음

    다음 중 인화성 액체의 발화원으로 가장 거리가 먼 것은

    94

    13년도 모음

    방화구조에 대한 기준으로 틀린 것은?

    시멘트모르타르 위에 타일을 붙인 것으로서 그 두께의 합계가 2.5cm 이상인 것

    95

    13년도 모음

    열경화성 플라스틱에 해당하는 것은

    96

    13년도 모음

    발화온도 500℃ 에 대한 설명으로 다음 중 가장 옳은 것은?

    97

    13년도 모음

    다음 중 플래시 오버 (flash over)를 가장 옳게 설명한 것은

    98

    13년도 모음

    1기압, 100℃ 에서의 물 1g 의 기화잠열은 약 몇 cal 인가?

    99

    13년도 모음

    화재발생시 주수소화를 할 수 없는 물질은?

    100

    13년도 모음

    이산화탄소의 물성으로 옳은 것은?

    101

    13년도 모음


    차동식스포트형 반도체식 감지기 회로의 일부이다. (가)의 명칭과 감시상태에서의 A점 전압은?

    문제이미지

    스포트형이면 온도 관련이라 열전대 혹은 서미스터

    오른쪽에서 반만 쓰니 값은 반만 나옴

    102

    13년도 모음

    조작기기는 직접 제어대상에 작용하는 장치이고 응답이 빠른 것이 요구된다. 다음 중 전기식 조작기기가 아닌 것은?

    다이어프램은 기계식 조작기기 이고 1.2.4번은 전기식 조작기기입니다

    103

    13년도 모음

    SCR의 양극 전류가 10[A]일 때 게이트 전류를 반으로 줄이면 양극 전류는?

    게이트전류에 의해 양극정부가 변화된다고 완전도통상태가 되면 관계없이 변화하지 않음

    104

    13년도 모음

    그림과 같은 논리회로는?

    문제이미지

    105

    13년도 모음

    단상변압기(용량 100kVA) 3대를 △결선으로 운전하던 중 한 대가 고장이 생겨 V결선하였다면 출력은 [kVA] 인가

    Pv=P1root3

    106

    13년도 모음

    콘덴서와 코일에서 실제적으로 급격히 변화할 수 없는 것이 있다면 어느 것인가?

    v=L*di/dt

    i=c*dv/dt

    107

    13년도 모음

    1차 전압 6600[V], 권수비 60인 단상 변압기가 전등부하에 40[A]를 공급할 때 1차 전류는 몇 [A] 인가

    v=6600

    권수비 a=60

    i2=40


    권수비 a=n2/n1=60=i2/i1

    i1=i2/60=40/60

    =2/3

    [해설작성자 : TopStone]


    V = 6600 [V]

    N(권수비) = 60

    공식 : 권수비 n = N1/N2 = V1/V 2= i1/i2


    I2 = 40A 일때,  1차 전류?


    N = i2/i1 = 40/i1 = 60

    60 = 40/i1 , 60i1 = 40

    i1 = 40/60 = 2/3 ,    정답 :  2/3

    108

    13년도 모음

    -

    문제이미지

    정현파의 순시전압 = Vsinθ=Vmsinewt=루트2sinwt


    v=루트2Vsinwt


    V(실효값) = v/루트2 sinwt

    wt = 파이 / 6 [rad] = 30

    V(실효값) = 70.7/루트2sin30 = 100V

    109

    13년도 모음

    그림과 같은 시스템의 등가합성 전달함수는

    문제이미지

    110

    13년도 모음

    구동점 임피던스(driving point impedance)함수에서 극점 (pole)이란 무엇을 의미하는가

    단락은 분자가 0

    개방은 분모가 0

    111

    13년도 모음

    입력이 1과 0일 때 1의 출력이 나오지 않는 게이트는

    OR게이트:입력신호 A,B 중 어느 하나라도 1이면 출력신호 X가 1이 된다.

    AND게이트:입력신호 A,B가 동시에 1일 때만 출력신호 X가 1이 된다.

    NOT게이트:입력신호 A가 0일 때만 출력신호 X가 1이 된다.

    NOR:OR게이트의 부정

    NAND:AND게이트의 부정

    112

    13년도 모음

    공기 중에서 20 cm 거리에 있는 두 자극의 세기가 2×10-3Wb와 4×10-3Wb 일 대, 두 자극사이에 작용하는 힘은 약 몇 [N] 인가

    113

    13년도 모음

    변위를 전압으로 변환시키는 장치가 아닌 것은?

    114

    13년도 모음


    2개의 전하사이에 작용하는 정전기력과 거리사이의 관계는?

    F=(Q1*Q2)/(4*I*입슐론*r*r)


    

    115

    13년도 모음

    RLC 직렬회로에서 일반적인 공진조건으로 옳지 않은 것은?

    일반적으로 직렬 공진은 공진주파수에서 보내주는 에너지가 최대가 되고

    반대로 병렬 공진은 보내주는 에너지가 최소로 됩니다.

    테브낭 법칙에 보면 부하 임피던스와 테브낭 등가 임피던스를 매칭을 시키면, 최대 에너지가 전달된다는 법칙이 있습니다.(이와 같은 것을 응용한것이 임피던스 매칭입니다; 50옴, 75옴 ; 전기적이 아닌 물리학적으로의 증명이죠)

    116

    13년도 모음

    어떤 측정계기의 지시값을 M, 참값을 T라 할 때 보정율은?

    문제이미지

    117

    13년도 모음

    그림과 같은 교류브리지의 평형조건으로 옳은 것은?

    문제이미지

    118

    13년도 모음

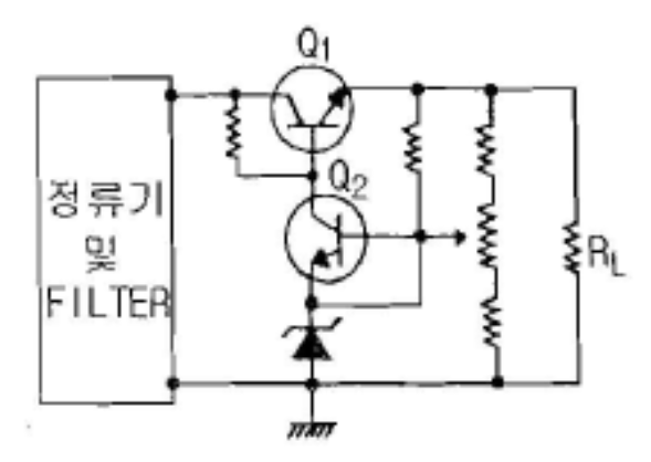
    그림과 같은 트랜지스터를 사용한 정전압회로에서 Q1의 역할로서 옳은 것은?

    문제이미지

    Q2 증폭  Q1  제어

    119

    13년도 모음

    2개의 저항을 직렬로 연결하여 30 V의 전압을 가하면 6 A의 전류가 흐르고, 병렬로 연결하면 동일 전압을 가하면 25 A의 전류가 흐른다. 두 저항값은 각각 몇 [Ω] 인가?

    직렬접속 I = V/R = V/R1+R2 = 6[A]

    R1+R2 = 5[옴]

    따라서, R1 = 2옴 또는 3옴, R2 = 2옴 또는 3옴

    정답 : (1번) 저항은 각각 2옴, 3옴

    120

    13년도 모음

    다음 중 쌍방향성 사이리스터인 것은

    121

    13년도 모음

    소방기본법에 규정한 한국소방안전협회의 회원이 될 수 없는 사람은?

    소방공무원으로 5년이상 근무한사람

    122

    13년도 모음

    소방대상물에 대한 소방특별조사결과 화재가 발생되면 인명 또는 재산의 피해가 클 것으로 예상 되는 경우 소방본부장 또는 소방서장이 소방대상물 관계인에게 조치를 명할 수 있는 사항과 가장 거리가 먼 것은

    123

    13년도 모음

    스프링클러설비를 설치하여야 할 대상의 기준으로 옳지 않은 것은

    지하가 연면적 1000m2 이상

    124

    13년도 모음

    위험물을 취급함에 있어서 정전기가 발생할 우려가 있는 설비는 공기 중의 상대습도를 몇 [%]이상으로 하는 방법으로 정전기를 유효하게 제거할 수 있는 설비를 설치하여야 하는가?

    125

    13년도 모음

    다음의 특정소방대상물 중 의료시설에 해당 되지 않는 것은?

    1)마약진료소 -격리병원

    2)장애인 의료재활시설 - 의료시설

    3)한방 병원- 병원

    "노인 의료복지시설" 은  노유자 시설 에 속한다

    126

    13년도 모음

    소방안전관리자를 두어야 하는 특정소방대상물로서 1급 소방안전관리대상물에 해당하는 것은?

    연면적 15,000 미터제곱 이상

    11층 이상

    가연성 가스를 저장,취급하는 시설 1000ton 이상

    127

    13년도 모음

    규정에 의한 지정수량 10배 이상의 위험물을 저장 또는 취급하는 제조소 등에 설치하는 경보설비로 옳지 않은 것은?

    자동화재탐지설비, 비상경보설비,  비상방송설비, 확성장치

    128

    13년도 모음

    소방안전관리대상물의 소방안전관리자로 선임된 자가 실시하여야 할 업무가 아닌 것은?

    공사는 안함

    129

    13년도 모음

    소방안전교육사는 누가 실시하는 시험에 합격하여야 하는가?

    소방청장은 제17조제2항에 따른 소방안전교육을

    위하여 소방청장이 실시하는 시험에 합격한 사람에게

    소방안전교육사 자격을 부여한다

    130

    13년도 모음

    소방시설관리업의 기술인력으로 등록된 소방기술자가 받아야 하는 실무교육의 주기 및 회수는?

    소방 안전 관리자는 선임된  날로부터 6개월 이내에 실무 교육을  받아야 하며 ,


    그후 2년마다 1회 이상 실무교육을  받아야  한다

    131

    13년도 모음

    원활한 소방활동을 위하여 소방용수시설에 대한 조사를 실시하는 사람은?

    132

    13년도 모음

    소방본부장 또는 소방서장은 화재경계지구 안의 관계인에 대하여 소방상 필요한 훈련 및 교육을 실시하고자 하는 때에는 관계인에게 몇 일전까지 그 사실을 통보하여야 하는가?

    133

    13년도 모음

    방염대상물품에 해당되지 않는 것은

    134

    13년도 모음


    소방방재청장 등은 관할구역에 있는 소방대상물에 대하여 소방특별조사를 실시할 수 있다. 특별조사 대상과 거리가 먼 것은?

    135

    13년도 모음

    연면적이 3만 m2 이상 20만 m2 미만인 특정소방대상물(아파트는 제외한다.) 또는 지하층을 포함한 층수가 16층 이상 40층 미만인 특정소방대상물의 공사 현장인 경우 소방공사 감리원의 배치기준은

    연면적 3만~20만m2(아파트 제외),10~40층미만에서는

    소방감리원는 특급감리원이상

    소방기술자는 고급기술자이상

    136

    13년도 모음

    다음 중 위험물탱크 안전성능시험자로 시ㆍ도지사에게 등록하기 위하여 갖추어야 할 사항이 아닌 것은?

    137

    13년도 모음

    다음 중 소방용기계ㆍ기구 우수품질에 대한 인증업무를 담당하고 있는 기관은

    138

    13년도 모음

    소방활동 종사 명령으로 소방활동에 종사한 사람이 사망하거나 부상을 입은 경우 보상하여야 하는 사람은

    139

    13년도 모음


    제조소 등에 설치하여야 할 자동화재탐지설비의 설치 기준으로 옳지 않은 것은

    계단ㆍ경사로ㆍ승강기의 승강로 그 밖에 이와 유사한 장소에 설치하는 것은 열감지기가 아니라 연기감지기임

    140

    13년도 모음

    소방기본법이 정하는 목적을 설명한 것으로 거리가 먼 것은

    141

    13년도 모음


    비상방송설비의 설치기준에 대한 설명으로 옳지 않는 것은?

    142

    13년도 모음

    비상경보설비의 축전지의 전원 전압변동 범위로 알맞은 것은

    [비상경보설비의 축전지의 성능인증 및 제품검사 기술기준]

    제7조 전원전압변동시의 기능

      정격전압의 90% 및 110%의 전압을 인가하는 경우 정상적인 기능을 발휘하여야 한다

    143

    13년도 모음

    무선통신보조설비의 증폭기에는 비상전원이 부착된 것으로 하고 당해 비상전원의 용량은 무선통신보조설비를 유효하게 몇 분 이상 작동시킬수 있는 것으로 하여야 하는가

    증폭기 및 중계기 : 30분이상

    [해설작성자 : comcbt.com 이용자]


    ※ 증폭기 및 무선이동중계기의 설치기준

    1) 전원은 축전지 또는 교류전안 옥내간선으로 하고, 전원까지의 배선은 전용으로 할 것

    2) 증폭기의 전면에는 전원확인 표시등 및 전압계를 설치할 것

    3) 증폭기의 비상전원 용량은 30분 이상일 것

    4) 무선이동중계기를 설치하는 경우 전파법 규정에 따른 적합성평가를 받은 제품으로 설치할 것

    144

    13년도 모음

    무선통신보조설비의 누설동축케이블 또는 동축케이블의 임피던스는 몇 [Ω]으로 하는가?

    145

    13년도 모음

    누전경보기의 변류기(ZCT)는 경계전로에 정격전류를 흘리는 경우 그 경계전로의 전압강하는 몇 [V] 이하이어야 하는가?

    0.5V 이하 : 경계전로의 전압강하

    0.6V 이하 : 완전방전

    60V 초과 : 접지단자 설치

    100~300V 이하 : 보안기의 작동전압

    300V 이하 : 전원변압기의 1차 전압, 유도등, 비상조명등의 사용전압

    600V 이하 : 누전경보기의 경계전로전압

    146

    13년도 모음

    일반전기사업자로부터 특별고압으로 수전하는 소방시설용 비상전원 수전설비를 방화구획형, 옥외개방형 또는 큐비클형으로 하여야 하는데 설치기준으로 옳지 않은 것은?

    비상전원수전설비 화재안전기준 제5조 특별고압/고압으로 수전하는 경우

        가. 전용의 방화구획 내에 설치

        나. 소방회로배선은 일반회로배선과 불연성 벽으로 구획할 것. 단, 소방회로배선과 일반회로배선을 15㎝ 이상 떨어져 설치한 경우는 제외.

        다. 일반회로에서 과부하/지락사고/단락사고 발생시에도 이에 영향을 받지 아니하고 계속하여 소방회로에 전원을 공급시켜 줄 수 있어야 할 것

        라. 소방회로용 개폐기 및 과전류차단기에는 소방시설용이라 표시

    147

    13년도 모음

    유도표지는 계단에 설치하는 것을 제외하고는 각층마다 복도 및 통로의 각 부분으로부터 하나의 유도표지까지의 보행거리 몇 m 이하마다 설치하여야 하는가

    유도표지 화재안전기준 제8조 유도표지 설치기준

    계단에 설치하는 것을 제외하고는 각 층마다 복도/통로의 각 부분으로부터 하나의 유도표지까지 보행거리가 15m 이하가 되는 곳과 구부러진 모퉁이의 벽에 설치

    148

    13년도 모음

    누전경보기의 변류기는 직류 500V의 절연저항계로 절연된 1차권선과 2차권선간을 절연저항시험을 할 때 몇[MΩ] 이상이어야 하는가?

    제19조 절연저항시험

    변류기는 DC500V의 절연저항계로 다음 각호에 의한 시험을 하는 경우 5M옴이상이어야 한다.

    1. 절연된 1차권선과 2차권선간의 절연저항

    2. 절연된 1차권선과 외부금속부간의 절연저항

    3. 절연된 2차권선과 외부금속부간의 절연저항

    149

    13년도 모음

    자동화재탐지설비에서 4층 이상의 소방대상물에는 어떤 기기와 전화통화가 가능한 수신기를 설치하여야 하는가?

    150

    13년도 모음

    비상조명등 조도는 비상조명등이 설치된 장소의 각 부분의 바닥에서 얼마이상이 되어야 하는가?

    151

    13년도 모음

    다음 중 단자부와 마감 고정금구와의 설치간격을 10cm 이내로 설치하고, 굴곡반경은 5cm 이상으로 하여야 하는 감지기는?

    ※ 정온식 감지선형 감지기의 설치기준

    1) 보조선이나 고정금구를 사용하여 감지선이 늘어지지 않도록 설치

    2) 단자부와 마감 고정금구와의 설치간격은 10cm 이내로 설치

    3) 감지선형 감지기의 굴곡반경은 5cm 이상으로 할 것

    152

    13년도 모음

    자동화재탐지설비의 수신기의 설치기준으로 옳지 않은 것은

    수신기의 조작스위치는 바닥으로부터 높이 0.8m 이상 1.5m 이하에 설치할 것

    153

    13년도 모음

    자동화재속보설비의 속보기의 기능에 대한 설명으로 틀린것은

    [속보기의 성능인증 및 제품검사 기술기준]

    제5조 기능

    화재표시 및 경보는 수동으로 복구 및 정지시키지 않는 한 지속되어야 한다

    154

    13년도 모음

    비상콘센트를 터널에 설치하고자 할 경우 설치기준으로 옳은 것은

    155

    13년도 모음

    비상콘센트설비의 전원회로 설치기준에 대한 설명으로 틀린 것은

    전원에서 각 층의 비상콘센트에 분기는 분기배선용 차단기를 보호함안에 한다.

    콘센트마다 배선용 차단기를 하며, 충전부가 노출되지 않는다

    156

    13년도 모음

    각층의 면적이 200m2인 15층 건축물 2개동이 서로 인접할 때 자동화재탐지설비를 설치하려고 한다. 화재안전기준에 맞게 경계구역을 설정한 것은

    500 m2이하의 범위 안에서는 2개의층을 하나의 경계구역으로  할수 있다

    157

    13년도 모음

    비상방송설비의 축전지설비에 대한 설명 중 옳은 것은?

    ※ 비상발송설비, 비상벨설비, 자동식 사이렌 설비

    감시시간 : 60분

    경보시간 10분 이상 (30층 이상 : 30분)

    158

    13년도 모음


    비상방송설비에서 기동장치에 의한 화재신고를 수신한 후 방송이 개시될 때까지의 소요시간은 몇 초 이내여야 하는가

    159

    13년도 모음

    누전경보기는 계약전류 용량이 몇 [A]를 초과할 때 설치하여야 하는가?

    ※ 누전경보기의 전원

    과전류차단기 : 15A 이하

    배선용차단기 : 20A 이하

    - 계약전류용량이 100A를 초과하지 아니할 것

    160

    13년도 모음

    비상조명등의 외함 재질의 기준으로 적합하지 않은 것은?

    제7조(외함의 재질) 비상조명등의 외함(매립형의 경우는 내부회로 보호용함을 말한다) 및

    부품 지지대의 재질은 다음 각호의 1에 적합한 것이어야 한다.

    1. 두께 0.5 mm이상의 방청가공된 금속판.

      다만, 20 W용 형광램프를 내장하는 경우에는 두께 0.7 mm이상,

      40 W용 형광램프를 내장하는 경우는 두께 1.0 mm이상의 방청 가공된 금속판.

    2. 두께 3 mm이상의 내열성 강화유리

    3. 난연재료 또는 방염성능이 있는 두께 3 mm이상의 합성수지로서

      80 ℃이상의 온도에서 열로 인한 변형이 생기지 아니하여야 하며 자기소화성이 있는 것

    161

    13년도 모음

    다음 중 제거소화 방법과 무관한 것은?

    유류화재시 가연물을 포로 덮는 방법은 질식소화에 해당됨

    162

    13년도 모음

    연소에 대한 설명으로 옳은 것은

    연소의 정의: 가연물이 공기중에 있는 산소와 반응하여 열과 빛을 동반하며 급격히 산화반응하는 현상

    163

    13년도 모음

    물과 반응하여 가연성 기체를 발생하지 않는 것은

    물과 반응하여 가연성 기체를 발생하지 않는것=분진폭발을 일으키지 않는것

    생석회,탄산칼슘(caco3),시멘트,석회석(cao)=산화칼슘

    164

    13년도 모음

    1기압, 0℃ 의 어느 밀폐된 공간 1m3내에 Halon 1301 약제가 0.32kg 방사되었다. 이때 Halon 1301의 농도는 약 몇 vol% 인가? (단, 원자량은 C 12, F 19, Br 80, Cl 35.5이다.)

    0.32/149x0.082x273=0.048

    165

    13년도 모음

    가연물질의 종류에 따라 분류하면 섬유류 화재는 무슨 화재에 속하는가

    일반화재(A급)백색 재가 남는 화재로서 종이,섬유,목재, 일반화재

    유류가스화재(B급)황색 재가 안남는 화재로서 가영성 액체,가스,액화가스,석유화재

    전기화재(C급)청색 전기 화재

    금속화재(D급)가연성 금속화재

    166

    13년도 모음

    실내에서 화재가 발생하여 실내의 온도가 21℃에서 650℃로 공기의 팽창은 처음의 약 몇 배가 되는가?

    v(volume)

    t(temperature)-절대온도=273+℃+

    v1/t1=v2/t2

    v2=v1/t1*t2=t2/t1*v1

    =273+650/273+21*v1=3.14v1

    167

    13년도 모음

    건축물의 내화구조에서 바닥의 경우에는 철근 콘크리트조의 두께가 몇 cm 이상이어야 하는가

    168

    13년도 모음


    물이 소화약제로써 사용되는 장점으로 가장 거리가 먼 것은

    물을 소화 작업에 사용하는 이유

    싸고 구하기 쉽고 열흡수가 매우크고 사용방법이 간단

    물은 증발잠열이커서 냉각소화및 무상주수시(뿌리는 소화) 질식소화가 가능하다

    169

    13년도 모음

    내화건축물 화재의 진행과정으로 가장 옳은 것은

    ㅇ목조건축물 : 무염착화-발염착화-출화-최성기-연소낙하-진화

    ㅇ내화건출물 :초기-성장기-최성기-감퇴기-종

    170

    13년도 모음

    열원으로서 화학적 에너지에 해당되지 않는 것은

    3번은 기계열


    기계열:압축열,마찰열,마찰스파크

    전기열:유도열,유전열,저항열,아크열,낙뢰에 의한열,정전기열

    화학열:연소열,분해열,용해열,생성열,자연발화

    171

    13년도 모음

    건축물에 화재가 발생하여 일정 시간이 경과하게 되면 일정 공간 안에 열과 가연성가스가 축적되고 한순간에 폭발적으로 화재가 확산되는 현상을 무엇이라 하는가?


    <문제 해설>

    탱크 내부에 원래 잔존하던 물이 끓어 오르면 보일오버

    소화를 위해 주수한 물이 넘치면 슬립오버 입니다

    172

    13년도 모음

    화재를 소화하는 방법 중 물리적 방법에 의한 소화라고 볼 수 없는 것은

    냉각,질식,제거,화학,희석,유화,피복소화


    억제소화는 화학적 소화

    173

    13년도 모음

    분말소화약제의 주성분이 아닌 것은

    1종 중탄산나트륨(NaHCo3) 백색 BC급-식용유,지방질유 화재 적합

    2종 중탄산 칼륨(KHCo3) 담회색 BC급

    3종 제1인산암모늄(NH4H2PO4)담홍색-ABC급 차고 주차장 적합

    4종 중탄산칼륨+요소(KHCO3+(NH2)2CO 회(백)색 BC급

    174

    13년도 모음

    화재의 위험에 대한 설명으로 옳지 않은 것은?

    융점이란 어떤물질이 고상과 액상이 평형을 유지하여 공존하는 온도

    비점이란 액체물질의 증기압이 외부압력과 같아져 끓기 시작하는 온도

    175

    13년도 모음

    Halon 1301 의 증기 비중은 약 얼마인가? (단, 원자량은 C 12, F 19, Br 80, Cl35.5 이고 공기의 평균분자량은 29이다.)

    176

    13년도 모음

    연면적이 1000m2 이상인 건축물에 설치하는 방화벽이 갖추어야 할 기준으로 틀린 것은

    방호벽의 구조

    연면적 1000m2미만마다 구획

    내화구조로서 홀로설수 있는 구조이며 외벽및 지붕면으로부터 0.5m 이상 튀어나오고

    출입문 높이 너비 2.5m이하에 갑종 방화문(비차열 1시간 차열 30분)설치

    177

    13년도 모음

    칼륨에 화재가 발생할 경우에 주수를 하면 안되는 이유로 가장 옳은 것은

    주수소화시 발생되는 물질

    무기과산화물-산소 발생

    금속,Mg,Al,K,Na,수소화리튬-수소 발생

    가연성 액체-연소면 확대

    178

    13년도 모음

    포소화설비의 국가화재안전기준에서 정한 포의 종류 중 저발포라 함은?

    팽창비

    저발포:20배이하

    고발포 제1종 80~250배미만

          제2종 250~500배 미만

          제3종 500~1000배 미만

    179

    13년도 모음

    제4류 위험물의 성질에 해당하는 것은

    1류 산화성고체

    2류 가연성고체

    3류 자연발화성 금수성

    4류 인화상액체

    5류 자기반응성 물질

    6류 산화성 액체

    180

    13년도 모음

    위험물안전관리법령에 의한 제2류 위험물이 아닌 것은

    2류 가연성 고체: 적린,유황,철분, 황화린,마그네슘

    3류 자연발화성,금수성물질: 황린,칼륨,나트륨

    181

    13년도 모음

    궤한제어계에서 제어요소에 대한 설명으로 옳은 것은

    제어요소: 조절부와 조작부로 구성, 동작신호를 조작량으로 변환하는 요소

    182

    13년도 모음

    .코일의 권수가 1250회인 공심 환상솔레노이드의 평균길이가 50[cm]이며, 단면적이 20[cm2]이고, 코일에 흐르는 전류가 1[A]일 때 솔레노이드의 내부 자속은?

    H=NI/2πa

    H=1250*1/0.5=2500AT

    Ф=μHА=4π*10(-7)*2500*20*10(-4)=2π*10(-6)Wb

    183

    13년도 모음


    3상 유도전동기의 기동법이 아닌 것은

    3상 유도전동기의 기동법

    - 전전압 기동법, Y-Δ기동법, 기동보상기법, 2차저항 기동법, 리액터 기동법

    184

    13년도 모음

    그림과 같은 계전기 접점회로의 논리식은?

    문제이미지


    <문제 해설>

    직렬은 *

    병렬은 +

    185

    13년도 모음

    .그림과 같은 브리지 회로가 평형이 되기 위한 Z의 값은 몇 [Ω] 인가? (단, 그림의 임피던스 단위는 모두 [Ω]이다.)

    문제이미지

    브리지회로의 평형 = 대각선 부하 곱은 서로 같다.


    2        

    j  =  - 1


        (2 + j4)(2 - j3)    16 + j2    (16 + j2)(3 - j2)    52 - j26              

    Z =  ----------------  =  ------- =  ----------------- =  -------- = 4 - j2  

            (3 + j2)        3 + j2    (3 + j2)(3 - j2)        13        

    186

    13년도 모음

    직류 발전기의 자극수 4, 전기자 도체 수 500, 각 자극의 유효자속 수 0.01[Wb], 회전수 1800[rpm]인 경우 유기 기전력은 얼마인가? 

    V=PZФN/60a V=(4*500*0.01*1800)/60*2=300[V]

    P:극수, Z:도체수, N:회전수

    중권: a=P, 파권: a=2

    187

    13년도 모음


    3상 유도전동기에 있어서 권선형 회전자에 비교한 농형회전자의 장점이 아닌 것은

    농형유도 전동기

    1. 구조가 간단하다

    2. 기동전류가 크다

    3. 기동 토크가 작다

    4. 기동방식은 직입 또는 감전압방식 사용한다

    188

    13년도 모음

    전압 

    , 전류 

    일 때 무효전력은?

    문제이미지

    189

    13년도 모음

    그림과 같은 무접점회로는 어떤 논리회로인가?

    문제이미지

    무접점 회로의 다이오드의 방향이

    바깥이면 AND

    안쪽이면 OR

    이 경우는 AND회로에 NOT 회로 추가로

    NAND회로가 됩니다

    190

    13년도 모음

    입력신호와 출력신호가 모두 직류(DC)로서 출력이 최대 5[KW]까지로 견고성이 좋고 토크가 에너지원이 되는 전기식 증폭기기는

    증폭기기

    1. 전기식

    SCR, 앰플리다인, 다이라트론, 트랜지스터, 자기증폭기

    2. 공기식

    벨로즈. 노즐플래프, 파일럿밸브

    3. 유압식

    분사관, 안내밸브


    =>앰플리다인:대형직류전동기의 토크측정

    191

    13년도 모음

    동일한 저항을 가진 감지기배선 2가닥을 병렬로 접속하였을 때의 합성저항은

    합성저항

    직렬접속:한가닥배선의 2배

    병렬접속:한가닥배선의 1/2배

    192

    13년도 모음

    그림과 같은 회로에서 단자 a, b 사이에 주파수 f[Hz]의 정형파 전압을 가했을 때 전류계 A1, A2의 값이 같았다. 이 경우 f, L, C 사이의 관계로 옳은 것은?

    문제이미지

    전류계 A1, A2의 값이 같다는건  L C 가 서로 공진되었다는 뜻

    공진주파수 f0 = 1 / 2兀 루트 L C  〔 HZ 〕

    193

    13년도 모음

    공업공정이 상태량을 제어량으로 하는 제어를 어떤 제어라 하는가?

    공정제어 = 프로세스제어

    194

    13년도 모음

    그림과 같은 회로에서 a-b간의 합성저항은?

    문제이미지

    195

    13년도 모음

    건물내 부하 설비용량이 700[kVA]이며, 수용률이 95[%]인 경우 자가 발전기의 용량은

    700*0.95 = 665

    196

    13년도 모음

    단상 변압기 3대를 △결선하여 부하에 전력을 공급하고 있는데, 변압기 1대의 고장으로 V결선을 한 경우 고장전의 몇 % 출력을 낼 수 있는가?

    v결선

    변압기 1대 이용률

      √3VIcosθ        √3          

    U=------------- = -----=0.866(86.6%)

        2VIcosθ      2

    Δ >> V 결선신의 출력비

    Pv    √3VIcosθ        √3          

    --- = ------------ = ---------- = 0.577(57.7%)

    PΔ      3VIcosθ        3

    [해설작성자 : adf]

    197

    13년도 모음


    코일의 감긴 수와 전류와의 곱을 무엇이라 하는가

    F=NI


    기자력=F

    코일 감긴수=N

    전류=I

    198

    13년도 모음

    SCR의 동작상태 중 래칭전류(Latching Current)에 대한 설명으로 옳은 것은

    199

    13년도 모음

    어떤 전압계의 측정 범위를 10배로 하자면 배율기의 저항은 내부저항 보다 어떻게 하여야 하는가

    Vs=V(1+Rm/Rv)


    Vs=측정전압

    V=전압계의 최대눈금

    Rm=배율기저항

    Rv=전압계의 내부저항

    200

    13년도 모음

    자기인덕턴스 L1, L2가 각각 4[mH], 9[mH]인 두 코일이 이상적인 결합이 되었다면 상호인덕턴스 M은

    M=K√L1L2=1√4*9=6mH

    201

    13년도 모음

    한국소방안전협회의 업무가 아닌 것은

    202

    13년도 모음

    다음 중 소방대에 속하지 않는 사람은

    203

    13년도 모음

    소방시설공사의 설계와 감리에 관한 약정을 함에 있어서 그 대가를 산정하는 기준으로 옳은 것은

    소방기술용역의 대가 기준 산정방식(시행규칙 제21조)

    204

    13년도 모음

    위험물안전관리법에서 정하는 4류 위험물 중 석유별에 따른 분류로 옳은 것은?

    1석유류 : 휘발유, 콜로디온, 아세톤

    2석유류 : 등유, 경유, 아세트산

    3석유류 : 중유, 크레오소트유, 글리세린

    4석유류 : 기어유, 실린더유

    205

    13년도 모음

    소방시설관리업의 보조 기술인력으로 등록할 수 없는 사람은

    206

    13년도 모음

    측정소방대상물의 규모에 관계없이 물분무등 소화설비를 설치하여야 하는 대상은? 

    207

    13년도 모음

    위험물안전관리법에서 정하는 용어의 정의에 대한 설명중 틀린 것은

    대통령령

    208

    13년도 모음

    소방기술자가 소방시설 공사업법에 따른 명령을 따르지 아니하고 업무를 수행한 경우의 벌칙은

    소방시설공사업법

    제36조(벌칙) 다음 각 호의 어느 하나에 해당하는 자는 1년 이하의 징역 또는 1천만원 이하의 벌금에 처한다.

    1. 제9조제1항을 위반하여 영업정지처분을 받고 그 영업정지 기간에 영업을 한 자

    2. 제11조나 제12조제1항을 위반하여 설계나 시공을 한 자

    3. 제16조제1항을 위반하여 감리를 하거나 거짓으로 감리한 자

    4. 제17조제1항을 위반하여 공사감리자를 지정하지 아니한 자

    4의2. 제19조제3항에 따른 보고를 거짓으로 한 자

    4의3. 제20조에 따른 공사감리 결과의 통보 또는 공사감리 결과보고서의 제출을 거짓으로 한 자

    5. 제21조제1항을 위반하여 해당 소방시설업자가 아닌 자에게 소방시설공사등을 도급한 자

    6. 제22조제1항 본문을 위반하여 도급받은 소방시설의 설계, 시공, 감리를 하도급한 자

    6의2. 제22조제2항을 위반하여 하도급받은 소방시설공사를 다시 하도급한 자

    7. 제27조제1항을 위반하여 같은 항에 따른 법 또는 명령을 따르지 아니하고 업무를 수행한 자

    209

    13년도 모음

    소방용수시설의 저수조에 대한 설치기준으로 옳지 않은 것은?

    수심 0.5M이상

    210

    13년도 모음

    화학소방자동차의 소화능력 및 설비 기준에서 분말 방사차의 분말이 방사능력은 매초 몇 kg 이상이여야 하는가

    위험물안전관리법 시행규칙 [별표23]

    포 : 2000L/min

    분말 : 35kg/s

    할로겐 : 40kg/s

    이산화탄소 : 40kg/s

    211

    13년도 모음

    방염업자가 사망하거나 그 영업을 양도한 때 방염업자의 지위를 승계한 자의 법적 절차는

    212

    13년도 모음

    특정소방대상물에 소방시설이 화재안전기준에 따라 설치 또는 유지ㆍ관리되지 아니한 때 특정소방대상물의 관계인에게 필요한 조치를 명할 수 있는 사람은

    소방본부장이나 소방서장은 소방시설 등이 화재안전기준에따라 설치 또는 유지,관리되어 있지 아니할 때에는 해당 특정소방대상물의 관계인에게 필요조치를 명할수 있다

    213

    13년도 모음

    소방본부장이나 소방서장은 특정소방대상물에 설치하여야 하는 소방시설 가운데 기능과 성능이 유사한 물 분무 소화설비, 간이 스프링클러, 바상경보설비 및 비상소방설비등 소방시설의 경우, 유사한 소방시설의 설치 면제를 어떻게 정하는가

    214

    13년도 모음

    건축허가 등을 할 때 미리 소방본부장 또는 소방서장의 동의를 받아야 하는 대상 건축물 등이 범위로서 옳지 않은 것은

    지하층 또는 무창층이 있는 건축물로서 바닥면적이 150제곱미터(공연장의 경우에는 100제곱미터) 이상인 층이 있는 것

    215

    13년도 모음

    화재를 진압하거나 인명구조활동을 위하여 특정소방대상물에는 소화활동설비를 설치하여야 한다. 다음 중 소화활동설비에 해당되지 않은 것은

    제연,

    연결송수관,연결살수

    연소방지

    비상콘센트

    무선통신보조

    216

    13년도 모음

    소방시설공사업의 명칭ㆍ상호를 변경하고자 하는 경우 민원인이 반드시 제출하여야 하는 서류는

    217

    13년도 모음

    .다음 중 연 1회 아성 소방시설관리업자 또는 방화관리자로 선임된 소방시설관리자, 소방기술사 1명 이상을 점검자로 하여 종합정밀점검을 의무적으로 실시하여야 하는 것은?

    [종합정밀점검 대상물]

    1) 스프링클러설비 또는 물분무등 소화설비가 설치된 연면적 5000m2

    2) 연면적 5000m2이상이고 층수가 11층이상인 아파트

    3) 연면적 2000m2이상이고 다음의 다중이용업소가 설치된 경우(10개소)

    - 단란주점, 유흥주점, 영화상영관, 비디오물감상실, 고시원, 복합영상물제공업

      안마시술소, 비디오물감상실, 노래연습장, 산후조리원

    218

    13년도 모음

    방염업자가 다른 사람에게 등록증을 빌려준 경우 1차 행정처분으로 옳은 것은?

    법제8조1항 행정처분

    1차 영업정지 6개월

    2차 등록 취소입니다.

    219

    13년도 모음

    소방공사의 감리를 완료하였을 경우 소방공사감리 결과를 통보하는 대상으로 옳지 않은 것은?   

    소방공사감리

    - 통보대상 : 관계인, 도급인, 건축사

    - 보고대상 : 소방본부장/소방서장

    - 보고일 : 7일 이내

    220

    13년도 모음

    특수가연물을 저장 또는 취급하는 장소에 설치하는 표지의 기재사항이 아닌 것은

    특수가연물 저장 취급의기준

    취급 장소에는  " 품명 "  " 최대수량 "  " 화기취급의금지" 표지를  설치할것

    221

    13년도 모음

    누전경보기에서 변류기의 기능검사 항목이 아닌 것은

    누전경보기 형식승인기준

    변류기 기능검사 항목 : 온도특성/전로개폐/단락전류강도/과누전/노화/방수/진동/충격/절연저항/절연내력/충격파내전압/전압강하방지

    222

    13년도 모음

    누전경보기의 구성요소에 해당하지 않는 것은

    누전경보기 구성요소는 차단기,영상변류기,음향장치,수신기

    223

    13년도 모음

    다중이용업소의 영업장 안에 통로 또는 복도가 있는 경우 피난유도선을 설치하여야 한다. 다음 중 피난유도선의 설명으로 옳은 것은

    "피난유도선"이란 햇빛이나 전등불에 따라 축광(이하 "축광방식"이라 한다)하거나 전류에 따라 빛을 발하는(이하 "광원점등방식"이라 한다) 유도체로서 어두운 상태에서 피난을 유도할 수 있도록 띠 형태로 설치되는 피난유도시설을 말한다.

    224

    13년도 모음

    자동화재탐지설비의 중계기 설치기준에 대한 설명으로 옳지 않은 것은

    누전차단기→과전류차단기

    225

    13년도 모음


    광전식분리형 감지기의 설치기준으로 옳은 것은?


    <문제 해설>

    1. 광축은 나란한 벽으로부터 0.6m

    3. 뒷 벽으로부터 1m이내

    4. 수광면은 햇빛을 직접 받지 않는 곳

    226

    13년도 모음

    유도표지의 설치기준으로 옳지 않은 것은?

    [축광표지의 성능인증 및 제품검사 기술기준]

    제6조(표시면의 두께 및 크기)

    1. 피나구축광유도표지는 긴변의 길이가 360mm이상, 짧은변의 길이가 120mm이상이어야 한다.

    2. 통로축광유도표지는 긴변의 길이가 250mm이상, 짧은변의 길이가 85mm이상이어야 한다

    227

    13년도 모음

    자동화재탐지설비의 경계구역에 대한 기준이다. 옳지 않은 것은?

    지하구의 경우 하나의 경계구역의 길이는 700m 이하로 할 수 있다

    228

    13년도 모음

    휴대용 비상조명등의 건전지 및 충전식 배터리는 몇 분 이상 유효하게 사용할 수 있어야 하는가?

    ※ 휴대용 비상조명등

    1) 바닥으로부터 0.8~1.5m 이하의 높이에 설치할 것

    2) 어둠속에서 위치를 확인할 수 있도록 할 것

    3) 사용시 자동으로 점등되는 구조일 것

    4) 외함은 난연성능이 있을 것

    5) 건전지를 사용하는 경우에는 방전방지조치를 하여야 하고, 충전식 배터리의 경우에는 상시 충전되도록 할 것

    6) 건전지 및 충전식 배터리의 용량은 20분 이상 유효하게 사용할 수 있는 것으로 할 것

    229

    13년도 모음

    비상콘센트설비의 전원회로의 배선을 내열배선으로 하고자 한다. 내열전선의 내열성능을 기술한 다음의 설명 중 ( )에 알맞은 내용으로 옳은 것은

    문제이미지

    옥내소화전 화재안전기준 별표1

    내열배선 : 내열전선의 내열성능은 온도가 816±10℃인 불꽃을 20분간 가한 후, 불꽃 제거시 10초 이내에 자연소화가 되고, 전선의 연소된 길이가 180mm 이하이어야 한다

    230

    13년도 모음

    액체기둥의 높이에 의하여 압력 또는 압력차를 측정하는 기구로서, 공기 관의 공기누설을 측정하는 기구는 어느것인가

    마노미터(mano meter) : 공기관의 누설을 측정하기 위한 기구

    231

    13년도 모음

    자동화재속보설비 속보기의 기능 주 소방관서에 통보하는 신호의 내용으로 알맞은 것은

    232

    13년도 모음

    건축 연면적이 5000m2 이고 지하4층, 지상 11층인 특정소방대상물에 비상방송설비를 설치하였다. 지하 2층에서 화재가 발생한 경우 우선적으로 경보를 하여야 하는 층은?

    지하층 발화 : 발화층, 직상층, 기타의 지하층

    233

    13년도 모음

    비상조명등의 설치제외 장소가 아닌 것은

    비상조명등의 설치제외 장소

    1) 거실 각 부분에서 출입구까지의 보행거리 15m 이내

    2) 공동주택, 경기장, 의원, 의료시설, 학교, 거실

    234

    13년도 모음


    설치장소가 현저하게 고온으로 되는 건조실, 산균실 등인 경우 적응성이 없는 감지기는?

    ※ 건조실, 살균실, 보일러실의 적응감지기

    1) 정온식 특종

    2) 정온식 1종

    3) 열아날로그식

    235

    13년도 모음

    비상경보설비의 화재안전기준에서 사용하는 용어의 정의로 옳지 않은 것은

    자동 -> 수동

    236

    13년도 모음

    객석내의 통로의 직선부분의 길이가 85m 이다. 객석유도등을 몇 개 설치하여야 하는가

    237

    13년도 모음

    각종 소방설비에 사용하는 비상전원으로 옳지 않은 것은?

    비상콘센트: 축전지설비, 자가발전설비

    238

    13년도 모음

    감지기 회로의 도통시험을 위한 종단저항의 설치기준으로 옳지 않은 것은

    2번 외부 -> 내부

    239

    13년도 모음

    출입구 부근에 연기감지기를 설치하는 경우는

    ※ 연기감지기의 설치기준

    1) 복도 및 통로는 보행거리 30m(3종은 20m)마다 1개 이상으로 할 것

    2) 계단 및 경사로는 수직거리 15m(3종은 10m)마다 1개 이상으로 할 것

    3) 천장 또는 반자가 낮은 실내 또는 좁은 실내는 출입구의 가까운 부분에 설치할 것

    4) 천장 또는 반자 부근에 배기구가 있는 경우에는 그 부근에 설치할 것

    5) 감지기는 벽 또는 보로부터 0.6m 이상 떨어진 곳에 설치할 것

    240

    13년도 모음

    무선통신보조설비 증폭기의 전면에는 주회로의 전원이 정상인지의 여부를 표시할 수 있는 표시등 및 무엇을 설치하여야 하는가

    증폭기의 전면에는 전원표시등 및 전압계를 설치