모두CBT | 국가고시 실기시험 부시기!

21년 3회. 해설 페이지

21년 3회.

    1

    21년 3회.

    다음 중 피난자의 집중으로 패닉현상이 일어날 우려가 가장 큰 형태는?

    H형은 피난동선이 겹치게 된다

    2

    21년 3회.

    연기감지기가 작동할 정도이고 가시거리가 20~30m 에 해당하는 감광계수는 얼마인가?

    0.1m-1 : 연기감지기 작동할 정도. 가시거리 20~30m

    1.0m-1 : 앞이 안 보임. 가시거리 1~2m

    10m-1 : 화재 최성기. 가시거리 0.2~0.5m

    3

    21년 3회.

    소화에 필요한 CO2의 이론소화농도가 공기 중에서 37Vol% 일 때 한계산소농도는 약 몇 vol% 인가?

    (21-X)/21*100=37%

    X=13.2

    4

    21년 3회.

    건물화재 시 패닉(panic)의 발생원인과 직접적인 관계가 없는 것은?

    5

    21년 3회.

    소화기구 및 자동소화장치의 화재안전기준에 따르면 소화기구(자동확산소화기는 제외)는 거주자 등이 손쉽게 사용할 수 있는 장소에 바닥으로부터 높이 몇 m 이하의 곳에 비치하여야 하는가?

    6

    21년 3회.

    물리적 폭발에 해당하는 것은

    물리적 폭발 : 화산, ,진공용기 파손으로 폭발, 미스트, 박막폭굉(Film detonation), 고체, 증기, 증기운(UVCE), 비등액체 팽창증기(BLEVE)

    화학적 폭발 : 산화, 분해, 중합

    7

    21년 3회.

    소화약제로 사용되는 이산화탄소에 대한 설명으로 옳은 것은?

    이산화탄소는 산소와 반응하지 않으므로, 보기 1,2,3은 오류. 4번이 정답

    8

    21년 3회.

    Halon 1211의 화학식에 해당하는 것은

    1  2  1  1

    C  F2  CI  BR

    9

    21년 3회.

    건축물 화재에서 플래시 오버(Flash over) 현상이 일어나는 시기는

    10

    21년 3회.

    인화칼슘과 물이 반응할 때 생성되는 가스는

    Ca3P2 + 6H2O →  3Ca(OH)2(수산화칼슘) +  2PH3(포스핀)

    11

    21년 3회.

    위험물안전관리법령상 자기반응성물질의 품명에 해당하지 않는 것은

    12

    21년 3회.

    마그네슘의 화재에 주수하였을 때 물과 마그네슘의 반응으로 인하여 생성되는 가스는

    Mg + 2H2O -> Mg(OH)2 + H2

    13

    21년 3회.

    제2종 분말소화약제의 주성분으로 옳은 것은

    제 1종 : 중탄산나트륨(탄산수소나트륨)

    제 2종 : 중탄산칼륨(탄산수소칼륨)

    제 3종 : 제1인산암모늄

    제 4종 : 중탄산칼륨 + 요소 (KHCO3 + (NH2)2CO)

    14

    21년 3회.

    물과 반응하였을 때 가연성 가스를 발생하여 화재의 위험성이 증가하는 것은

    3류위험물 (자연발화성,금수성물질)

    자연발화성(황린),알킬알루미늄(트리에틸알루미늄),칼슘 또는 알루미늄의 탄화물, 칼륨,나트륨

    15

    21년 3회.

    물리적 소화방법이 아닌 것은?

    1- 화학(부촉매) : 정답

    2- 냉각

    3- 질식

    4- 제거

    16

    21년 3회.

    다음 중 착화온도가 가장 낮은 것은?

    발화(착화) 온도(섭씨) 기준 (인화점 아님)

    1. 아세톤 : 423

    2. 휘발유 : 300

    3. 이황화탄소 : 100

    4. 벤젠 : 552

    17

    21년 3회.

    화재의 분류방법 중 유류화재를 나타낸 것은?

    1. A급 - 일반

    2. B급 - 유류

    3. C급 - 전기

    4. D급 - 금속

    18

    21년 3회.

    다음 중 공기에서의 연소범위를 기준으로 했을 때 위험도(H) 값이 가장 큰 것은?

    공기 중 연소범위 기준으로 위험도 계산 = (연소상한계 - 연소하한계) / 연소하한계


    1. 디에틸에테르 = (48-1.9)/1.9 = 24.26

    2. 수소 = (75-4)/4 = 17.75

    3. 에틸렌 = (32-3.1)/3.1 = 9.03

    4. 부탄 = (8.4-1.8)/1.8 = 3.67

    19

    21년 3회.

    조연성가스로만 나열되어 있는 것은

    조연성 가스 : 산소, 불소, 염소, 오존

    20

    21년 3회.

    소화약제로 사용되는 물에 관한 소화성능 및 물성에 대한 설명으로 틀린 것은

    물(100℃)의 증발잠열은 약 539 kcal/kg, 또는 539 cal/g 입니다.

    21

    21년 3회.

    단상 반파 정류회로를 통해 평균 26V의 직류 전압을 출력하는 경우, 정류 다이오드에 인가되는 역방향 최대 전압은 약 몇 V 인가? (단, 직류 측에 평활회로(필터)가 없는 정류회로이고, 다이오드의 순방향 전압은 무시한다.)

    반파정류 26V / 0.318 = 81.76


    반파전압값은 피크전압 31.8%

    정파전압값은 피크전압 63.6%

    22

    21년 3회.

    시퀀스회로를 논리식으로 표현하면?

    문제이미지

    B 및 C 는 직렬, 그리고 A와 병렬

    23

    21년 3회.

    제어량에 따른 제어방식의 분류 중 온도, 유량, 압력 등의 공업 프로세스의 상태량을 제어량으로 하는 제어계로서 외란의 억제를 주목적으로 하는 제어방식은?

    24

    21년 3회.

    반도체를 이용한 화재감지기 중 서미스터(thermistor)는 무엇을 측정하기 위한 반도체 소자인가

    25

    21년 3회.

    회로에서 a와 b 사이의 합성저항(Ω)은?

    문제이미지

    위와 아래의 회로가 같은 저항으로 구성되어 전위가 동일하다.

    따라서 회로 가운데의 저항 10옴에는 전류가 흐르지 않아 개방상태로 볼 수 있다.

    합성저항을 구할 때는 위의 15옴과 아래 15옴의 병렬연결로 볼 수 있으므로 7.5옴이다

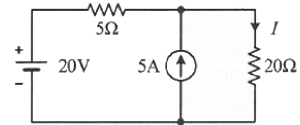
    26

    21년 3회.

    1개의 용량의 25W인 객석유도등 10개가 설치되어 있다. 이 회로에 흐르는 전류는 약 몇 A 인가? (단, 전원 전압은 220V이고, 기타 선로손실 등은 무시한다.)

    P = IV

    P(250W)=25W * 10개

    V = 220V


    I(1.14) =  P(250W) / V(220V)

    27

    21년 3회.

    PD(비례 미분) 제어 동작의 특징으로 옳은 것은?

    1.잔류편차 제거 - 적분제어(I)

    2.간헐현상 제거 - 비례적분미분제어(PID)

    3.불연속 제어

    4.속응성 개선 - 비례미분제어(PD)

    28

    21년 3회.

    회로에서 저항 20Ω에 흐르는 전류(A)는?

    문제이미지

    20/25=0.8

    (5/25)*5=1

    0.8+1=1.8

    29

    21년 3회.

    1cm의 간격을 둔 평행 왕복전선에 25A의 전류가 흐른다면 전선 사이에 작용하는 단위 길이당 힘(N/m)은?

    F=μ0 x Ia x Ib / 2πr

    = 4π x 10^-7 x 25^2 / 2π x 10^-2

    =0.0125 = 1.25 x 10^-2 [N/m]

    같은 방향 전류 = 흡인력

    반대 방향 전류 = 반발력

    30

    21년 3회.

    0.5 kVA의 수신기용 변압기가 있다. 이 변압기의 철손은 7.5W이고, 전부하동손은 16W 이다. 화재가 발생하여 처음 2시간은 전부하로 운전되고, 다음 2시간은 1/2의 부하로 운전되었다고 한다. 4시간에 걸친 이 변압기의 전손실 전력량은 몇 Wh 인가?

    Pl=Pi+m^2Pc

    Pl=2x7.5+2x16=47w

    'Pl=2x7.5+2x0.5^2x16=23w

    47+23=70w

    31

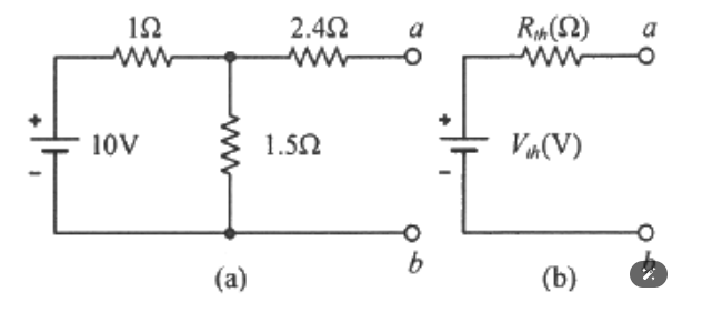
    21년 3회.

    테브난의 정리를 이용하여 그림 (a)의 회로를 그림 (b)와 같은 등가회로로 만들고자 할 때 Vth(V)와 Rth(Ω)은?

    문제이미지

    합성저항 [(1Ωx1.5Ω)/(1Ω+1.5Ω)]+2.4Ω = 3Ω

    등가전압 [1.5Ω/(1Ω+1.5Ω)]x10v = 6v

    32

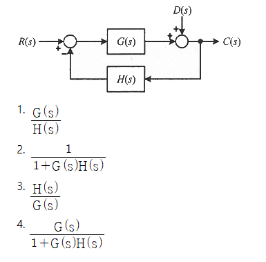
    21년 3회.

    블록선도에서 외란 D(s)의 입력에 대한 출력 C(s)의 전달함수 

     는?

    문제이미지

    전달함수 = 직선구간/1-회선구간

    전달함수1 R(s)/D(s) = G(s)/1-(G(s)*-H(s)) = G(s)/1+G(s)*(H(s))

    전달함수2 C(s)/D(s) = 1/1-(-H(s)*G(s)) = 1/1+(H(s)*G(s))

    33

    21년 3회.

    회로에서 전압계 Ⓥ가 지시하는 전압의 크기는 몇 V 인가?

    1. 직렬회로→전류 일정→전압과 임피던스 비례관계

    2. [(-j10)/(8+j4-j10)]*100=-j100[V]

    3. 전압의 크기를 묻는 문제이므로 답은 100[V](-j는 방향을 의미)

    34

    21년 3회.

    지시계기에 대한 동작원리가 아닌 것은?

    대전된 도체 사이에 작용하는 정전력을 이용 = 정전형 계기

    35

    21년 3회.

    선간전압의 크기가 100√3 V인 대칭 3상 전원에 각 상의 임피던스가 Z = 30 + j40(Ω)인 Y결선의 부하기 연결되었을 때 이 부하로 흐르는 선전류(A)의 크기는?

    3상 선전류 IL= VL/root3xZ

    36

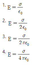
    21년 3회.

    자유공간에서 무한히 넓은 평면에 면전하밀도 σ(C/m2)가 균일하게 분포되어 있는 경우 전계의 세기(E)는 몇 V/m 인가? (단, ε0는 진공의 유전율이다.)

    문제이미지

    37

    21년 3회.

    50Hz의 주파수에서 유도성 리액턴스가 4Ω인 인덕터와 용량성 리액턴스가 1Ω인 커패시터와 4Ω의 저항이 모두 직렬로 연결되어 있다. 이 회로에 100V, 50Hz의 교류전압을 인가했을 때 무효전력(var)은

    I=100÷루트(4^+3^)=20

    Var=visin@=100×20×0.6=1200

    38

    21년 3회.

    다음의 단상 유도전동기 중 기동 토크가 가장 큰 것은?

    단상 유도전동기의 기동토크 순서 (큰 것 부터)

    반발 기동형 > 반발 유도형 > 콘덴서 기동형 > 분상 기동형 > 세이딩 코일형

    39

    21년 3회.

    무한장 솔레노이드에서 자계의 세기에 대한 설명으로 틀린 것은?

    방향은 상관없다.

    40

    21년 3회.

    다음의 논리식을 간소화하면

    문제이미지

    논리식은 0과 1을 대입하면 쉽게 풀 수 있습니다.

    A B Y

    0 0 0

    0 1 1

    1 0 1

    1 1 1

    위와 같은 결과가 나오는 식은 1입니다

    41

    21년 3회.

    다음 위험물안전관리법령의 자체소방대 기준에 대한 설명으로 틀린 것은

    문제이미지

    제18조(자체소방대를 설치하여야 하는 사업소) ① 법 제19조에서 “대통령령이 정하는 제조소등”이란 다음 각 호의 어느 하나에 해당하는 제조소등을 말한다.  <개정 2020. 7. 14.>

    1. 제4류 위험물을 취급하는 제조소 또는 일반취급소. 다만, 보일러로 위험물을 소비하는 일반취급소 등 행정안전부령으로 정하는 일반취급소는 제외한다

    42

    21년 3회.

    위험물안전관리법령상 제조소등에 설치하여야 할 자동화재탐지설비의 설치기준 중 ( ) 안에 알맞은 내용은? (단, 광전식분리형 감지기 설치는 제외한다

    문제이미지

    자동화재탐지설비 및 시각경보장치의 화재안전기준(NFSC 203)

    제4조(경계구역)  

    ① 자동화재탐지설비의 경계구역은 다음 각호의 기준에 따라 설정하여야 한다. 다만, 감지기의 형식승인 시 감지거리, 감지면적 등에 대한 성능을 별도로 인정받은 경우에는 그 성능인정범위를 경계구역으로 할 수 있다.  


    3. 하나의 경계구역의 면적은 [600m2 이하]로 하고 한변의 길이는 [50m 이하]로 할 것. 다만, 해당 특정소방대상물의 주된 출입구에서 그 내부 전체가 보이는 것에 있어서는 한 변의 길이가 50m의 범위 내에서 1,000m2 이하로 할 수 있다

    43

    21년 3회.

    소방시설공사업법령상 전문 소방시설공사업의 등록기준 및 영업범위의 기준에 대한 설명으로 틀린 것은

    주된 기술인력 최소 1명 이상, 보조기술인력 최소 "2명" 이상을 둔다

    44

    21년 3회.

    화재예방, 소방시설 설치·유지 및 안전관리에 관한 법령상 특정소방대상물의 관계인이 특정소방대상물의 규모·용도 및 수용인원 등을 고려하여 갖추어야 하는 소방시설의 종류에 대한 기준 중 다음 ( ) 안에 알맞은 것은

    문제이미지

    1. 소화설비

      가. 화재안전기준에 따라 소화기구를 설치하여야 하는 특정소방대상물은 다음의 어느 하나와 같다.

        1) 연면적 [33m2 이상]인 것. 다만, 노유자시설의 경우에는 투척용 소화용구 등을 화재안전기준에 따라 산정된 소화기 수량의 [2분의 1 이상]으로 설치할 수 있다

    45

    21년 3회.

    화재예방, 소방시설 설치·유지 및 안전관리에 관한 법령상 천재지변 및 그 밖에 대통령령으로 정하는 사유로 소방특별조사를 받기 곤란하여 소방특별조사의 연기를 신청하려는 자는 소방특별조사 시작 최대 며칠 전까지 연기신청서 및 증명서류를 제출해야 하는가

    실시권자 : 본부장.서장

    횟수 : 연1회이상

    통보 : 7일전

    연기신청 : 3일전

    46

    21년 3회.

    위험물안전관리법령상 정기점검의 대상인 제조소등의 기준으로 틀린 것은

    정기점검 대상 제조소

    - 지정수량 10배 이상의 제조소, 일반취급소

    - 지정수량 100배 이상의 옥외저장소

    - 지정수량 150배 이상의 옥내저장소

    - 지정수량 200배 이상의 옥외탱크저장소

    - 암반탱크저장소

    - 이송취급소

    - 이동탱크저장소

    - 지하탱크저장소

    - 지하에 매설된 탱크가 있는 제조소, 주유취급소, 일반취급소

    47

    21년 3회.

    위험물안전관리법령상 제4류 위험물 중 경유의 지정수량은 몇 리터인가

    제4류 위험물 중 경유 : 제2석유류(등유, 경유, 1기압에서 인화점이 섭씨 21도 이상 70도 미만. 다만, 도료류 그 밖의 물품 중 일부 제외)


    제2석유류 중 비수용성 액체 : 1,000L

    제2석유류 중 수용석 액체 : 2,000L

    48

    21년 3회.

    화재예방, 소방시설 설치·유지 및 안전관리에 관한 법령상 1급 소방안전관리대상물의 소방안전관리자 선임대상 기준 중 ( ) 안에 알맞은 내용은?

    문제이미지

    따라서 1급 소방안전관리자 선임 자격은

    1. 소방설비기사 또는 소방설비 산업기사의 자격이 있는 사람

    2. 소방공무원으로 7년 이상 근무한 경력이 있는 사람

    3. 소방청장이 실시하는 1급 소방안전관리대상물의 소방안전관리에 관한 시험에 합격한 사람입니다.

    49

    21년 3회.

    화재예방, 소방시설 설치·유지 및 안전관리에 관한 법령상 용어의 정의 중 ( ) 안에 알맞은 것은?

    문제이미지

    50

    21년 3회.

    소방기본법 제1장 총칙에서 정하는 목적의 내용으로 거리가 먼 것은?

    화재"의 예방, 경계, 진압에 관한 계획, 예산 지원 활동

    51

    21년 3회.

    소방기본법령상 소방본부 종합상황실의 실장이 서면·팩스 또는 컴퓨터통신 등으로 소방청 종합상황실에 보고하여야 하는 화재의 기준이 아닌 것은

    사망자가 5인 이상 발생하거나 사상자가 10인 이상 발생한 화재

    52

    21년 3회.

    화재예방, 소방시설 설치·유지 및 안전관리에 관한 법령상 관리업자가 소방시설등의 점검을 마친 후 점검기록표에 기록하고 이를 해당 특정소방대상물에 부착하여야 하나 이를 위반하고 점검기록표를 거짓으로 작성하거나 해당 특정소방대상물에 부착하지 아니하였을 경우 벌칙 기준은?

    53

    21년 3회.

    화재예방, 소방시설 설치·유지 및 안전관리에 관한 법령상 분말형태의 소화약제를 사용하는 소화기의 내용연수로 옳은 것은? (단, 소방용품의 성능을 확인받아 그 사용기한을 연장하는 경우는 제외한다.)

    54

    21년 3회.

    소방시설공사업법령상 소방시설공사업자가 소속 소방기술자를 소방시설공사 현장에 배치하지 않았을 경우의 과태료 기준은

    55

    21년 3회.

    소방기본법령상 위험물 또는 물건의 보관기간은 소방본부 또는 소방서의 게시판에 공고하는 기간의 종료일 다음 날부터 며칠로 하는가?

    56

    21년 3회.

    소방기본법령상 소방활동장비와 설비의 구입 및 설치 시 국조보조의 대상이 아닌 것은

    57

    21년 3회.

    화재예방, 소방시설 설치·유지 및 안전관리에 관한 법령상 특정소방대상물의 관계인은 소방안전관리자를 기준일로부터 30일 이내에 선임하여야 한다. 다음 중 기준일로 틀린 것은?

    증축으로 인하여 특정소방대상물이 소방안전관리대상물로 된 경우 : 증축공사의 "완공"일

    58

    21년 3회.

    위험물안전관리법령상 위험물을 취급함에 있어서 정전기가 발생할 우려가 있는 설비에 설치할 수 있는 정전기 제거설비 방법이 아닌 것은?

    59

    21년 3회.

    소방기본법령상 특수가연물의 수량 기준으로 옳은 것은

    품명 수량

    면화류 200킬로그램 이상

    나무껍질 및 대팻밥 400킬로그램 이상

    넝마 및 종이부스러기 1,000킬로그램 이상

    사류(絲類) 1,000킬로그램 이상

    볏짚류 1,000킬로그램 이상

    가연성 고체류 3,000킬로그램 이상

    석탄ㆍ목탄류 10,000킬로그램 이상

    가연성 액체류 2세제곱미터 이상

    목재가공품 및 나무부스러기 10세제곱미터 이상

    고무류ㆍ플라스틱류발포시킨 것 20세제곱미터 이상

    그 밖의 것 3,000킬로그램 이상

    60

    21년 3회.

    화재예방, 소방시설 설치·유지 및 안전관리에 관한 법령상 소방청장, 소방본부장 또는 소방서장이 소방특별조사를 하려면 관계인에게 조사대상, 조사기간 및 조사사유 등을 최대 며칠 전에 서면으로 알려야 하는가?

    화재예방, 소방시설 설치ㆍ유지 및 안전관리에 관한 법률 ( 약칭: 소방시설법 )

    제4조의3(소방특별조사의 방법ㆍ절차 등) ① 소방청장, 소방본부장 또는 소방서장은 소방특별조사를 하려면 [7일 전]에 관계인에게 조사대상, 조사기간 및 조사사유 등을 서면으로 알려야 한다. 다만, 다음 각 호의 어느 하나에 해당하는 경우에는 그러하지 아니하다

    61

    21년 3회.

    감지기의 형식승인 및 제품검사의 기술기준에 따라 단독경보형감지기를 스위치 조작에 의하여 화재경보를 정지 시킬 경우 화재경보 정지 후 몇 분 이내에 화재경보 정지기능이 자동적으로 해제되어 정상상태로 복귀되어야 하는가?

    감지기의 형식승인 및 제품검사의 기술기준

    제5조의2(단독경보형감지기의 일반기능) 단독경보형의 감지기(주전원이 교류전원 또는 건전지인 것을 포함한다)는 다음 각 호에 적합하여야 한다.  

    7. 단독경보형감지기에는 스위치 조작에 의하여 화재경보를 정지 시킬 수 있는 기능을 설치할 수 있다. 이 경우 화재경보 정지기능은 다음 각목에 적합하여야 한다.

    가. 화재경보 정지 후 [15분 이내]에 화재경보 정지기능이 자동적으로 해제되어 단독경보형감지기가 정상상태로 복귀되어야 한다.

    62

    21년 3회.

    비상콘센트설비의 화재안전기준(NFSC 504)에 따라 하나의 전용회로에 설치하는 비상콘센트는 몇 개 이하로 하여야 하는가

    하나의 전용회로에 설치하는 비상콘센트는 [10개 이하]로 할 것. 이 경우 전선의 용량은 각 비상콘센트(비상콘센트가 3개 이상인 경우에는 3개)의 공급용량을 합한 용량 이상의 것으로 하여야 한다

    63

    21년 3회.

    자동화재속보설비의 속보기의 성능인증 및 제품검사의 기술기준에 따라 속보기는 작동신호를 수신하거나 수동으로 동작시키는 경우 20초 이내에 소방관서에 자동적으로 신호를 발하여 통보하되, 몇 회 이상 속보할 수 있어야 하는가

    자동화재속보설비의 속보기의 성능인증 및 제품검사의 기술기준

    제5조(기능) 속보기는 다음에 적합한 기능을 가져야 한다.  

    1. 작동신호를 수신하거나 수동으로 동작시키는 경우 20초 이내에 소방관서에 자동적으로 신호를 발하여 통보하되, [3회이상] 속보할 수 있어야 한다

    64

    21년 3회.

    자동화재탐지설비 및 시각경보장치의 화재안전기준(NFSC 203)에 따른 감지기의 설치 제외 장소가 아닌 것은

    자동화재탐지설비 및 시각경보장치의 화재안전기준(NFSC 203)

    제7조(감지기)  

    ⑤ 다음 각 호의 장소에는 감지기를 설치하지 아니한다.

    1. 천장 또는 반자의 높이가 20m 이상인 장소. 다만, 제1항 단서 각호의 감지기로서 부착높이에 따라 적응성이 있는 장소는 제외한다.

    2. 헛간 등 외부와 기류가 통하는 장소로서 감지기에 따라 화재발생을 유효하게 감지할 수 없는 장소

    3. 부식성가스가 체류하고 있는 장소

    4. 고온도 및 저온도로서 감지기의 기능이 정지되기 쉽거나 감지기의 유지관리가 어려운 장소

    5. 목욕실·욕조나 샤워시설이 있는 화장실·기타 이와 유사한 장소

    6. 파이프덕트 등 그 밖의 이와 비슷한 것으로서 2개층 마다 방화구획된 것이나 수평단면적이 5m2 이하인 것

    7. 먼지·가루 또는 수증기가 다량으로 체류하는 장소 또는 주방 등 평시에 연기가 발생하는 장소(연기감지기에 한한다)

    8. 삭 제

    9. 프레스공장·주조공장 등 화재발생의 위험이 적은 장소로서 감지기의 유지관리가 어려운 장소

    65

    21년 3회.

    비상콘센트의 배치와 설치에 대한 현장 사항이 비상콘센트설비의 화재안전기준(NFSC 504)에 적합하지 않은 것은

    비상콘센트설비의 화재안전기준(NFSC 504)

    1. 전원회로의 배선은 내화배선으로 되어 있다. - 제6조 1항 OK

    2. 보호함에는 쉽게 개폐할 수 있는 문을 설치하였다. - 제5조 1항 OK

    3. 보호함 표면에 “비상콘센트”라고 표시한 표지를 붙였다. - 제5조 2항 OK

    66

    21년 3회.

    자동화재탐지설비 및 시각경보장치의 화재안전기준(NFSC 203)에 따라 제2종 연기감지기를 부착높이가 4m 미만인 장소에 설치 시 기준 바닥면적은

    4m미만 바닥 150(1,2종)

    4m미만 바닥 50(3종)

    4m이상 20미만 바닥 75(1,2종)

    4m이상 20미만 설치 없음(3종

    67

    21년 3회.

    아래 그림은 자동화재탐지설비의 배선도이다. 추가로 구획된 공간이 생겨 가, 나, 다, 라 감지기를 증설했을 경우, 자동화재탐지설비 및 시각경보장치의 화재안전기준(NFSC 203)에 적합하게 설치한 것은

    문제이미지

    감지기는 송배전식(한 줄로 쭈~욱 이어지게)으로 설치하여야 한다.

    (가)와 (라)는 여기서 종단이 생겨버리기 때문에 잘못 설치한 것이다.

    (다)는 여기서 순환 구조가 생겨버리기 때문에 잘못.

    증설 설치를 할 때는 (나)와 같이 연결해야 한다

    68

    21년 3회.

    비상방송설비의 화재안전기준(NFSC 202)에 따라 비상방송설비 음향장치의 설치기준 중 다음 ( ) 에 들어갈 내용으로 옳은 것은?

    문제이미지

    법령 개정으로 현재 우선경보방식은 11층 이상의 건물, 16층 이상의 공동주택에 한하여 적용됩니다. (그 외에는 일제경보방식 적용)

    69

    21년 3회.

    유도등의 형식승인 및 제품검사의 기술기준에 따른 용어의 정의에서 “유도등에 있어서 표시면외 조명에 사용되는 면”을 말하는 것은

    표시면이란 피난구나 피난방향을 안내하기 위한 문자 또는 부호등이 표시된 면

    조사면이란 유도등이 엤어서 표시면외 조명에 사용되는 면

    70

    21년 3회.

    자동화재탐지설비 및 시각경보장치의 화재안전기준(NFSC 203)에 따라 부착높이 20m 이상에 설치되는 광전식 분 아날로그방식의 감지기는 공칭감지농도 하한값이 감광율 몇 %/m 미만인 것으로 하는가?

    71

    21년 3회.

    상조명등의 우수품질인증 기술기준에 따라 인출선인 경우 전선의 굵기는 몇 mm2 이상이어야 하는가?

    72

    21년 3회.

    누전경보기의 형식승인 및 제품검사의 기술기준에 따른 과누전시험에 대한 내용이다. 다음 ( ) 에 들어갈 내용으로 옳은 것은

    문제이미지

    누전경보기의 형식승인 및 제품검사의 기술기준

    제14조(과누전시험) 변류기는 1개의 전선을 변류기에 부착시킨 회로를 설치하고 출력단자에 부하저항을 접속한 상태로 당해 1개의 전선에 변류기의 정격전압의 [20 %]에 해당하는 수치의 전류를 [5분]간 흘리는 경우 그 구조 또는 기능에 이상이 생기지 아니하여야 한다.

    73

    21년 3회.

    비상방송설비의 화재안전기준(NFSC 202)에 따른 비상방송설비의 음향장치에 대한 설치기준으로 틀린 것은

    음향장치는 자동화재"탐지"설비의 작동과 연동하여 작동할 수 있는 것으로 할 것

    74

    21년 3회.

    무선통신보조설비의 화재안전기준(NFSC 505)에 따른 용어의 정의 중 감시제어반 등에 설치된 무선중계기의 입력과 출력포트에 연결되어 송수신 신호를 원활하게 방사·수신하기 위해 옥외에 설치하는 장치를 말하는 것은

    75

    21년 3회.

    무선통신보조설비의 화재안전기준(NFSC 505)에 따라 무선통신보조설비의 누설동축케이블 또는 동축케이블의 임피던스는 몇 Ω으로 하여야 하는가?

    76

    21년 3회.

    비상경보설비 및 단독경보형감지기의 화재안전기준(NFSC 201)에 따른 단독경보형감지기에 대한 내용이다. 다음 ( )에 들어갈 내용으로 옳은 것은?

    문제이미지

    77

    21년 3회.

    소방시설용 비상전원수전설비의 화재안전기준(NFSC 602)에 따른 용어의 정의에서 소방부하에 전원을 공급하는 전기회로를 말하는 것은?

    78

    21년 3회.

    누전경보기의 형식승인 및 제품검사의 기술기준에 따라 누전경보기의 변류기는 직류 500V의 절연저항계로 절연된 1차권선과 2차권선 간의 절연저항 시험을 할 때 몇 MΩ 이상이어야 하는가?

    79

    21년 3회.

    소방시설용 비상전원수전설비의 화재안전기준(NFSC 602)에 따라 소방시설용 비상전원 수전설비의 인입구배선은 「옥내소화전설비의 화재안전기준(NFSC 102)」 별표 1에 따른 어떤 배선으로 하여야 하는가?

    옥"내"소화전 "화"재안전기준 -> "내화"배선

    80

    21년 3회.

    유도등 및 유도표지의 화재안전기준(NFSC 303)에 따라 설치하는 유도표지는 계단에 설치하는 것을 제외하고는 각층마다 복도 및 통로의 각 부분으로부터 하나의 유도표지까지의 보행거리가 몇 m 이하가 되는 곳과 구부러진 모퉁이의 벽에 설치하여야 하는가?