모두CBT | 국가고시 실기시험 부시기!

소방전기 22년 1회. 해설 페이지

소방전기 22년 1회.

    1

    소방전기 22년 1회.

    소화원리에 대한 설명으로 틀린 것은?

    2

    소방전기 22년 1회.

    위험물의 유별에 따른 분류가 잘못된 것은

    산가자인자산

    3

    소방전기 22년 1회.

    고층 건축물 내 연기거동 중 굴뚝효과에 영향을 미치는 요소가 아닌 것은

    4

    소방전기 22년 1회.

    화재에 관련된 국제적인 규정을 제정하는 단체는

    5

    소방전기 22년 1회.

    제연설비의 화재안전기준상 예상제연구역에 공기가 유입되는 순간의 풍속은 몇 m/s 이하가 되도록 하여야 하는가?

    제연설비의 화재안전성능기준(NFPC 501)

    제8조(공기유입방식 및 유입구)

    ⑤ 예상제연구역에 공기가 유입되는 순간의 풍속은 초속 5미터 이하가 되도록 하고, 제2항부터 제4항까지의 유입구의 구조는 유입공기를 상향으로 분출하지 않도록 설치해야 한다

    6

    소방전기 22년 1회.

    화재의 정의로 옳은 것은?

    7

    소방전기 22년 1회.

    물에 황산을 넣어 묽은 황산을 만들 때 발생되는 열은

    8

    소방전기 22년 1회.

    이산화탄소 소화약제의 임계온도는 ?

    9

    소방전기 22년 1회.

    상온·상압의 공기중에서 탄화수소류의 가연물을 소화하기 위한 이산화탄소 소화약제의 농도는 약 몇 % 인가? (단, 탄화수소류는 산소농도가 10%일 때 소화된다고 가정한다.)

    ((21-10)/21)*100 = 52.38%

    10

    소방전기 22년 1회.

    과산화수소 위험물의 특성이 아닌 것은

    다량의 물로 희석소화

    11

    소방전기 22년 1회.

    건축물의 피난·방화구조 등의 기준에 관한 규칙상 방화구획의 설치기준 중 스프링클러를 설치한 10층 이하의 층은 바닥면적 몇 m2 이내마다 방화구획을 구획하여야 하는가

    1) 10층 이하 바닥면적 1000m2 , 스프링클러 등 자동식 소화설비 설치 시 1000 m2 X 3 = 3000 m2

    2) 11층 이상 불연재료 500m2, 그외 재료 200 m2 -> 자동식 소화설비 설치 시 3배  불연재료1500/ 그외 600

    12

    소방전기 22년 1회.

    다음 중 분진 폭발의 위험성이 가장 낮은 것은?

    13

    소방전기 22년 1회.

    백열전구가 발열하는 원인이 되는 열은?

    14

    소방전기 22년 1회.

    동식물유류에서 “요오드값이 크다”라는 의미를 옳게 설명한 것은

    15

    소방전기 22년 1회.

    단백포 소화약제의 특징이 아닌 것은

    16

    소방전기 22년 1회.

    이산화탄소 소화약제의 주된 소화효과는

    17

    소방전기 22년 1회.

    전기불꽃, 아크 등이 발생하는 부분을 기름 속에 넣어 폭발을 방지하는 방폭구조는?

    18

    소방전기 22년 1회.

    자연발화의 방지방법이 아닌 것은

    19

    소방전기 22년 1회.

    소화약제의 형식승인 및 제품검사의 기술기준상 강화액 소화약제의 응고점은 몇 ℃ 이하이어야 하는가?

    1. 알카리 금속염류의 수용액인 경우에는 알카리성 반응을 나타내어야 한다.

    2. 강화액소화약제의 응고점은 -20 ℃ 이하이어야 한다.

    20

    소방전기 22년 1회.

    상온에서 무색의 기체로서 암모니아와 유사한 냄새를 가지는 물질은?

    21

    소방전기 22년 1회.

    그림과 같은 회로에서 단자 a, b 사이에 주파수 f(Hz)의 정현파 전압을 가했을 때 전류계 A1, A2의 값이 같았다. 이 경우 f, L, C 사이의 관계로 옳은 것은?

    문제이미지

    L과 C에 의해서 정해지는 고유주파수와 전원의 주파수가 일치하면 공진현상을 일으켜 전류 또는 전압이 최대가 되는데 이 주파수를 공진주파수라 한다.

    f=1/(2ㅠ루트(LC))

    22

    소방전기 22년 1회.

    논리식 

     를 간단히 표현한 것은?

    문제이미지

    B_•(A_C+AC_+AC)

    =B_•(A_C+AC+AC_+AC)

    =B_•((A_+A)•C+(C_+C)•A)

    =B_•(1•C+1•A)

    =B_•(C+A)

    23

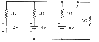
    소방전기 22년 1회.

    회로에서 전류 I는 약 몇 A 인가

    문제이미지

    전압원과 직렬 연결된 저항의 각 병렬가지를 전류원과 병렬의 저항으로 등가 변환하고,

    마지막 병렬가지를 제외한 회로 부분을 노턴 등가회로로 변환하면 쉽습니다.

    1) 2V 전압원과 1옴의 저항 직렬 연결

    > 2A 전류원과 1옴의 저항 병렬 연결

    2) 4V 전압원과 2옴의 저항 직렬 연결

    > 2A 전류원과 2옴의 저항 병렬 연결

    3) 6V 전압원과 3옴의 저항 직렬 연결

    > 2A 전류원과 3옴의 저항 병렬 연결

    4) 1),2),3) 의 각 병렬 가지를 하나의 전류원과 하나의 저항 병렬 가지로 등가 회로를 그리면

    6A 의 전류원과 (1||2||3)옴 = 0.55옴의 병렬가지로 등가 할 수 있고,

    6A의 전류를 0.55옴의 병렬가지와 3옴의 병렬가지가 전류분배 되는 형태가 되기 때문에

    구하고자 하는 전류는 (0.55/(3+0.55)) * 6A = 0.93A

    24

    소방전기 22년 1회.

    절연저항 시험에서 “전로의 사용전압이 500V 이하인 경우 1.0MΩ 이상”이란 뜻으로 가장 알맞은 것은

    1M 옴=10의 6승 옴

    1M 암페어=10의 -3승 암페어

    25

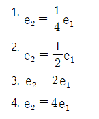
    소방전기 22년 1회.

    권선수가 100회인 코일에 유도되는 기전력의 크기가 e1이다. 이 코일의 권선수를 200회로 늘렸을 때 유도되는 기전력의 크기(e2)는?

    문제이미지

    유도기전력은 권선수의 제곱에 비례

    (2배)^2=4배

    26

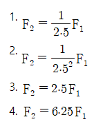
    소방전기 22년 1회.

    동일한 전류가 흐르는 두 평행 도선 사이에 작용하는 힘이 F1 이다. 두 도선 사이의 거리를 2.5배로 늘였을 때 두 도선 사이 작용하는 힘 F2는?

    문제이미지

    평행도선간의 작용힘 F=(2II×10^-7)/r

    따라서 F는 거리r과 반비례

    27

    소방전기 22년 1회.

    a와 c 사이의 합성 저항

    문제이미지

    보기처럼 분모가 다 다를경우에는 풀이가 필요없습니다.

    계산식에서는 분모 3을 쓰기 때문에 거의 3x3인 9가 분모로 됩니다.

    따라서 유일한 분모 9인 2번이 답입니다


    먼저 오른쪽 아래 삼각형을 병렬로 생각하고 R||2R = 2R/3 이 되고

    위 삼각형과 왼쪽 아래 삼각형을 Y로 바꾸면 각각 R/3이 되어서

    R/3 + (2R/3 || 4R/3) + R/3 = 2R/3 + 4R/9 = 10R/9

    28

    소방전기 22년 1회.

    잔류편차가 있는 제어 동작은?

    1. 비례 제어 : 정상 오차를 수반, 잔류편차 발생

    2. 적분 제어 : 잔류편차 제거

    3. 비례적분제어 : 잔류편차 제거, 제어결과 진동

    4. 비례적분미분제어 : 잔류편차 제거, 오버슈트 감소, 속응성개선

    29

    소방전기 22년 1회.

    정류회로에서 R에 걸리는 전압의 최대값은 몇 V 인가? (단, v2(t) = 20√2 sinωt 이다.)

    브리지 정류회로에서 정류 후의 전압 최대값은 정류 전의 전압 최대값과같다.

    v(max) = 20루트2

    30

    소방전기 22년 1회.

    저항 20Ω에 흐르는 전류(A)는?

    문제이미지

    1. 전압원 단락: 5/(5+20)*1A=0.2A

    2. 전류원 개방: 20/(5+20)=0.8A

    3. 0.2+0.8=1A

    31

    소방전기 22년 1회.

    다음 사진의 설명으로 알맞은것?

    문제이미지

    32

    소방전기 22년 1회.

    논리회로 출력 Y는 ?

    문제이미지

    33

    소방전기 22년 1회.

    3상 농형 유도전동기를 Y-△ 기동방식으로 기동할 때 전류 I1(A)과 △결선으로 직입(전전압) 기동할 때 전류 I2(A)의 관계는?

    문제이미지

    와이 델타 기동법

    기동전류는 루트3분의1배 기동전압은 3분의1배

    34

    소방전기 22년 1회.

    유도전동기의 슬립이 5.6%이고 회전자 속도가 1700rpm일 때, 이 유도전동기의 동기속도는 약 몇 rpm 인가?

    1700 = 120 x f x (1-0.056) / 1

    (극수가 문제에 제시되지않아 1로 본다)

    f=15

    120x15=1800

    35

    소방전기 22년 1회.

    목표값이 다른 양과 일정한 비율 관계를 가지고 변화하는 제어방식은?

    36

    소방전기 22년 1회.

    축전지의 자기 방전을 보충함과 동시에 일반 부하로 공급하는 전력은 충전기가 부담하고, 충전기가 부담하기 어려운 일시적인 대전류는 축전지가 부담하는 충전방식은

    37

    소방전기 22년 1회.

    각 상의 임피던스가 Z=6+j8(Ω)인 △결선의 평형 3상 부하에 선간전압이 220v인 대칭 3상 전압을 가했을 때 이 부하로 흐르는 선전류의 크기는 약 몇 A 인가?

    Δ결선에서 선전류 공식 I(선) = √3 * V / Z = √3 * 220 / √(6^2 + 8^2) = 38

    38

    소방전기 22년 1회.

    전기화재의 원인 중 하나인 누설전류를 검출하기 위해 사용되는 것은

    고장전류도 그렇지만 평상 시 누설전류가 발생해도 전류 불평형을 생긴다.

    영상변류기는 비대칭 전류를 취득한다

    39

    소방전기 22년 1회.

    블록선도에서 C/R 구하기

    문제이미지

    C/R

    C = R에서 C로 가는 직선

    R = 1 - 루프

    루프란 직선과 돌아오는 값을 다 곱해준 뒤 앞에 마이너스(-)를 붙인다

    40

    소방전기 22년 1회.

    한 변의 길이가 150mm인 정방형 회로에 1A의 전류가 흐를 때 회로 중심에서의 자계의 세기는 약 몇 AT/m 인가?

    정방형(정사각형)에서 자계의 세기 공식 H(자계세기) = 2√2 * I /(π*L)

    * I : 전류 [A], L : 한변의 길이[m]

    H(자계세기) = 2√2 * I /(π*L) = 2√2 * 1 /(π*0.15) =6

    41

    소방전기 22년 1회.

    화재예방, 소방시설 설치·유지 및 안전관리에 관한 법령상 건축허가등을 할 때 미리 소방본부장 또는 소방서장의 동의를 받아야 하는 건축물 등의 범위가 아닌 것은?

    차고·주차장으로 사용되는 바닥면적이 200m2 이상인 층이 있는 건축물

    42

    소방전기 22년 1회.

    소방기본법령상 일반음식점에서 음식조리를 위해 불을 사용하는 설비를 설치하는 경우 지켜야 하는 사항으로 틀린 것은?

    주방설비에 부속된 배출덕트는 0.5mm이상의 아연도금강판

    43

    소방전기 22년 1회.

    소방시설공사업법령상 소방시설업의 감독을 위하여 필요할 때에 소방시설업자나 관계인에게 필요한 보고나 자료 제출을 명할수 있는 사람이 아닌 것은?

    44

    소방전기 22년 1회.

    화재가 발생할 우려가 높거나 화재가 발생하는 경우 그로 인하여 피해가 클 것으로 예상되는 지역을 화재예방강화지구로 지정할 수 있는 자는?

    "화재경계지구"를 화재예방의 중요성을 명확하게 나타내기 위하여 "화재예방강화지구"로 명칭을 변경하고, 시ㆍ도지사로 하여금 조례로 정하는 바에 따라 화재예방강화지구 안의 소방설비 등의 설치에 필요한 비용을 지원할 수 있도록 함

    "소방특별조사"를 조사의 목적이 분명히 드러날 수 있도록 "화재안전조사"로 명칭을 변경하고, 화재안전조사의 투명성 확보를 위하여 사전에 조사대상, 조사기간 및 조사사유 등을 관계인에게 통지하도록 하며, 화재안전조사를 실시한 경우 그 결과를 인터넷 홈페이지나 전산시스템 등에 공개할 수 있도록 함

    45

    소방전기 22년 1회.

    소방시설공사업법령상 소방시설업에 대한 행정처분기준에서 1차 행정처분 사항으로 등록취소에 해당하는 것은?

    46

    소방전기 22년 1회.

    소방시설공사업법령상 소방시설업자가 소방시설공사등을 맡긴 특정소방대상물의 관계인에게 지체 없이 그 사실을 알려야 하는 경우가 아닌 것은

    소방시설업자는 다음 각 호의 어느 하나에 해당하는 경우에는 소방시설공사등을 맡긴 특정소방대상물의 관계인에게 지체 없이 그 사실을 알려야 한다. [개정 2014.12.30]

    1. 제7조에 따라 소방시설업자의 지위를 승계한 경우

    2. 제9조제1항에 따라 소방시설업의 등록취소처분 또는 영업정지처분을 받은 경우

    3. 휴업하거나 폐업한 경우

    47

    소방전기 22년 1회.

    화재예방, 소방시설 설치·유지 및 안전관리에 관한 법령에 따라 2급 소방안전관리대상물의 소방안전관리자 선임 기준으로 틀린 것은?(2023년 01월 03일 개정된 규정 적용됨)

    나. 2급 소방안전관리대상물에 선임해야 하는 소방안전관리자의 자격

        다음의 어느 하나에 해당하는 사람으로서 급 소방안전관리자 자격증을 발급받은 사람,

        제1호에 따른 특급 소장안전관리대상물 또는 제2호에 따른 1급 소방안전관리대상물의

        소방안전관리자 자격증을 발급받은 사람

        1) 위험물기능장,위험물산업기사 또는 위험물기능사 자격이 있는 사람

        2) 소방공무원으롷 3년 이상 근무한 경력이 있는 사람

        3) 소방청장이 실시하는 2급 소방안전관리대상물의 소방안전관리에 관한 시험에 합격한 사람

        4) [기업활동 규제완화에 관한 특별조치법] 제29조, 제30조 및 제32조에 따라 소방안전관리자로

          선임된 사람(소방안전관리자로 선임된 기간으로 한정한다)

    48

    소방전기 22년 1회.

    소방시설공사업법령상 감리업자는 소방시설공사가 설계도서 또는 화재안전기준에 적합하지 아니한 때에는 가장 먼저 누구에게 알려야 하는가?

    ①감리업자는 감리를 함에 있어서 소방시설공사가 설계도서 또는 화재안전기준에 적합하지 아니한 때에는 관계인에게 알리고 공사업자에게 해당 공사의 시정 또는 보완 등을 요구하여야 한다.

    ②공사업자가 제1항의 규정에 따른 요구를 받은 때에는 그 요구에 따라야 한다.

    ③감리업자는 공사업자가 제1항의 규정에 따른 요구를 이행하지 아니하고 그 공사를 계속하는 때에는 행정안전부령이 정하는 바에 따라 소방본부장 또는 소방서장에게 보고하여야 한다.

    49

    소방전기 22년 1회.

    화재예방, 소방시설 설치·유지 및 안전관리에 관한 법령상 특정소방대상물의 수용인원 산정방법으로 옳은 것은?

    1번 침대없는 숙박시설 3

    2번 강의실, 교무실, 상담실, 실습실, 휴게실 1.9

    3번 정답

    4번 백화점(그 밖의 특정소방대상물로 3)

    50

    소방전기 22년 1회.

    위험물안전관리법령상 제조소등이 아닌 장소에서 지정수량 이상의 위험물 취급에 대한 설명으로 틀린 것은?

    90일 이내의 기간동안 임시로 저장 또는 취급할수 있다

    51

    소방전기 22년 1회.

    소방시설공사업법령상 소방시설업 등록의 결격사유에 해당되지 않는 법인은

    법인의 임원인경우는 3,4 또는 금고이상의 형의 집행유예를선고받고 그 유예기간 중에있는사람

    은 결격사유가 해당되며 피성년후견인은 해당되지않는다

    52

    소방전기 22년 1회.

    화재예방, 소방시설 설치·유지 및 안전관리에 관한 법령상 특정소방대상물의 소방시설 설치의 면제기준에 따라 연결살수설비를 설치면제 받을 수 있는 경우는

    53

    소방전기 22년 1회.

    소방시설공사업 법령상 소방공사감리업을 등록한 자가 수행하여야 할 업무가 아닌 것은

    1. 소방시설등의 설치계획표의 적법성 검토

    2. 소방시설등 설계도서의 적합성(적법성과 기술상의 합리성을 말한다. 이하 같다) 검토

    3. 소방시설등 설계 변경 사항의 적합성 검토

    4. 「화재예방, 소방시설 설치ㆍ유지 및 안전관리에 관한 법률」 제2조제1항제4호의 소방용품의 위치ㆍ규격 및 사용 자재의 적합성 검토

    5. 공사업자가 한 소방시설등의 시공이 설계도서와 화재안전기준에 맞는지에 대한 지도ㆍ감독

    6. 완공된 소방시설등의 성능시험

    7. 공사업자가 작성한 시공 상세 도면의 적합성 검토

    8. 피난시설 및 방화시설의 적법성 검토

    9. 실내장식물의 불연화(不燃化)와 방염 물품의 적법성 검토

    54

    소방전기 22년 1회.

    소방기본법령상 소방업무의 응원에 대한 설명 중 틀린 것은

    ① 소방본부장이나 소방서장은 소방활동을 할 때에 긴급한 경우에는 이웃한 소방본부장 또는 소방서장에게 소방업무의 응원(應援)을 요청할 수 있다.

    ② 제1항에 따라 소방업무의 응원 요청을 받은 소방본부장 또는 소방서장은 정당한 사유 없이 그 요청을 거절하여서는 아니 된다.

    ③ 제1항에 따라 소방업무의 응원을 위하여 파견된 소방대원은 응원을 요청한 소방본부장 또는 소방서장의 지휘에 따라야 한다.

    ④ 시ㆍ도지사는 제1항에 따라 소방업무의 응원을 요청하는 경우를 대비하여 출동 대상지역 및 규모와 필요한 경비의 부담 등에 관하여 필요한 사항을 행정안전부령으로 정하는 바에 따라 이웃하는 시ㆍ도지사와 협의하여 미리 규약(規約)으로 정하여야 한다

    55

    소방전기 22년 1회.

    소방기본법령상 이웃하는 다른 시·도지사와 소방업무에 관하여 시·도지사가 체결할 상호응원협정 사항이 아닌 것은

    56

    소방전기 22년 1회.

    위험물안전관리 법령상 옥내주유취급소에 있어서 당해 사무소 등의 출입구 및 피난구와 당해 피난구로 통하는 통로·계단 및 출입구에 설치해야 하는 피난설비는

    2.2 피난구유도등 설치기준

    2.2.1 피난구유도등은 다음의 장소에 설치해야 한다.

    2.2.1.1 옥내로부터 직접 지상으로 통하는 출입구 및 그 부속실의 출입구

    2.2.1.2 직통계단·직통계단의 계단실 및 그 부속실의 출입구

    2.2.1.3 2.2.1.1과 2.2.1.2에 따른 출입구에 이르는 복도 또는 통로로 통하는 출입구

    57

    소방전기 22년 1회.

    위험물안전관리법령상 위험물 및 지정수량에 대한 기준 중 다음 ( ) 안에 알맞은 것은

    문제이미지

    58

    소방전기 22년 1회.

    위험물안전관리법령상 제조소등의 관계인은 위험물의 안전관리에 관한 직무를 수행하게 하기 위하여 제조소등마다 위험물의 취급에 관한 자격이 있는 자를 위험물안전관리자로 선임하여야 한다. 이 경우 제조소등의 관계인이 지켜야 할 기준으로 틀린 것은?

    제15조(위험물안전관리자)

    제조소등의 관계인은 안전관리자를 해임하거나 안전관리자가 퇴직한 때에는 해임하거나 퇴직한 날부터 30일 이내에 다시 안전관리자를 선임하여야 한다

    59

    소방전기 22년 1회.

    다음 중 소방기본법령상 한국소방안전원의 업무가 아닌 것은

    60

    소방전기 22년 1회.

    화재예방, 소방시설 설치·유지 및 안전관리에 관한 법령상 소방시설의 종류에 대한 설명으로 옳은 것은

    61

    소방전기 22년 1회.

    비상콘센트설비의 성능인증 및 제품검사의 기술기준에 따라 비상콘센트설비의 절연된 충전부와 외함 간의 절연내력은 정격전압 150V이하의 경우 60Hz의 정현파에 가까운 실효전압 1000V 교류전압을 가하는 시험에서 몇 분간 견디어야 하는가

    1. 정격전압 150V이하 : 1000V 1분

    2. 정격전압 150v이상 : 1000V+(정격전압X2) 1분 이상

    참고) 절연저항 500V에서 20M옴 이상

    62

    소방전기 22년 1회.

    누전경보기의 형식승인 및 제품검사의 기술기준에 따라 비호환성형 수신부는 신호입력회로에 공칭작동전류치의 42%에 대응하는 변류기의 설계출력전압을 가하는 경우 몇 초 이내에 작동하지 아니하여야 하는가?

    -비호환성 수신부는 신호입력회로에 공칭작동전류치의 42%에 대응하는 변류기의 설계출력전압을 가하는 경우 30초 이내에 작동하지 아니하여야 하며, 공칭작동전류치에 대응하는 변류기의 설계출력전압을 가하는 경우 1초(차단기구가 있는 것은 0.2초)이내에 작동하여야 한다


    -나. 호환성 수신부는 신호입력회로에 공칭작동전류치의 52%에 대응하는 변류기의 설계출력전압을 가하는 경우 30초 이내에 작동하지 아니하여야 하며, 공칭작동전류치에 대응하는 변류기의 설계출력전압을 가하는 경우 1초(차단기구가 있는 것은 0.2초)이내에 작동하여야 한다

    63

    소방전기 22년 1회.

    자동화재탐지설비 및 시각경보장치의 화재안전기준(NFSC 203)에 따른 감지기의 시설기준으로 옳은 것은

    1. 스포트형감지기는 45도 이상 경사되지 않도록 부착할 것

    2. 공기관식 차동식분포형감지기의 검출부는 5도이상 경사되지 아느하도록 부착할 것

    4. 정온식감지기는 주방, 보일러실 등으로서 다량의 화기를 취급하는 장소에 설치하되, 공칭작동온도가 최고주위온도보다 20도 이상 높은 것으로 설치할 것

    64

    소방전기 22년 1회.

    누전경보기의 화재안전기준(NFSC 205)에 따라 경계전로의 누설전류를 자동적으로 검출하여 이를 누전경보기의 수신부에 송신하는 것은

    65

    소방전기 22년 1회.

    비상방송설비의 화재안전기준(NFSC 202)에 따라 전원회로의 배선으로 사용할 수 없는 것은

    옥내소화전설비의 화재안전기준(NFSC 102) 별표1 배선에 사용되는 전선의 종류

    - 450/750V 저독성 난연 가교 폴리올레핀 절연 전선

    - 0.6/1kV 가교 폴리에틸렌 절연 저독성 난연 폴리올레핀 시스 전력 케이블

    - 6/10kV 가교 폴리에틸렌 절연 저독성 난연 폴리올레핀 시스 전력용 케이블

    - 가교 폴리에틸렌 절연 비닐시스 트레이용 난연 전력 케이블

    - 0.6/1kV EP 고무절연 클로로프렌 시스 케이블

    - 300/500V 내열성 실리콘 고무 절연전선(180℃)

    - 내열성 에틸렌-비닐 아세테이트 고무 절연 케이블

    - 버스덕트(Bus Duct)

    66

    소방전기 22년 1회.

    층수가 5층 이상으로서 연면적 3000m2를 초과하는 특정소방대상물의 2층에서 발화한 때의 경보 기준으로 옳은 것은?

    2층이상 발화층+그 직상 4개층

    67

    소방전기 22년 1회.

    자동화재탐지설비 및 시각경보장치의 화재안전기준(NFSC 203)에 따라 감지기회로의 도통시험을 위한 종단저항의 설치기준으로 틀린 것은

    전용함을 설치하는 경우 그 설치 높이는 바닥으로 부터 1.5m 이내로 할것

    68

    소방전기 22년 1회.

    경종의 우수품질인증 기술기준에 따른 기능시험에 대한 내용이다. 다음 ( ) 에 들어갈 내용으로 옳은 것은

    문제이미지

    1.중심으로부터 1m 떨어진 위치에서 90dB 이상

    2.최소청취거리에서 110dB을 초과하지 아니할 것

    69

    소방전기 22년 1회.

    유통산업발전법」제2조 제3호에 따른 대규모점포(지하상가 및 지하역사는 제외한다)와 영화상영관에는 보행거리 몇 m 이내마다 휴대용비상조명등을 3개 이상 설치하여야 하는가?

    1. 영화상영관,대규모점포(지하상가,지하역 제외) : 50M 이내 3개 이상

    2. 지하상가, 지하역사 : 25M 이내 3개 이상

    3. 숙박시설,다중이용업소 : 잘 보이는 곳에 1개 이상 (외부 설치 시 출입문 손잡이로부터 1M이내)

    70

    소방전기 22년 1회.

    전화기기실, 통신기기실 등과 같은 훈소화재의 우려가 있는 장소에 적응성이 없는 감지기는?

    훈소화재, 통신기계실에 적응성이 있는 감지기 : 광전식감지기

    71

    소방전기 22년 1회.

    자동화재속보설비의 속보기의 성능인증 및 제품검사의 기술기준에 따른 속보기의 기능에 대한 내용이다. 다음 ( ) 에 들어갈 내용으로 옳은 것은

    문제이미지

    72

    소방전기 22년 1회.

    비상콘센트설비의 화재안전기준(NFSC 504)에 따른 비상콘센트설비의 전원회로(비상콘센트에 전력을 공급하는 회로를 말한다)의 설치기준으로 틀린 것은

    비상콘센트 전원회로는 각층이 2이상 되도록 설치할 것, 다만 설치할 층의 비상콘센트가 1개인때에는 하나의 회로로 할 수 있다

    73

    소방전기 22년 1회.

    무선통신보조설비의 화재안전기준(NFSC 505)에 따라 분배기·분파기 및 혼합기 등의 임피던스는 몇 Ω의 것으로 하여야 하는가

    임피던스는 50옴으로 할 것  

    실기에서 자주 출제 되는 문제이니 무조건 외울것

    74

    소방전기 22년 1회.

    자동화재탐지설비 및 시각경보장치의 화재안전기준(NFSC 203)에 따라 광전식분리형감지기의 설치기준에 대한 설명으로 틀린 것은?

    높이의 80% 이상일것

    75

    소방전기 22년 1회.

    유도등의 형식승인 및 제품검사의 기술기준에 따라 유도등의 교류입력측과 외함 사이, 교류입력측과 충전부 사이 및 절연된 충전부와 외함 사이의 각 절연저항을 DC 500V의 절연저항계로 측정한 값이 몇 MΩ 이상이어야 하는가

    제18조(절연저항시험) 교류입력측과 외함사이,절연된 충전부와 외함 사이의 측정값은 5MΩ 이상이어야 한다

    76

    소방전기 22년 1회.

    비상경보설비의 축전지의 성능인증 및 제품검사의 기술기준에 따른 축전지설비의 외함 두께는 강판인 경우 몇 mm 이상이어야 하는가

    가. 강판 외함 : 1.2 mm 이상

    나. 합성수지 외함 : 3 mm 이상

    77

    소방전기 22년 1회.

    유도등 및 유도표지의 화재안전기준(NFSC 303)에 따라 객석 내 통로의 직선부분 길이가 85m인 경우 객석유도등을 몇 개 설치하여야 하는가

    유도등 및 유도표지의 화재안전기준(NFSC303)

    제7조(객석유도등 설치기준)

    ① 객석유도등은 객석의 통로, 바닥 또는 벽에 설치하여야 한다.

    ② 객석내의 통로가 경사로 또는 수평로로 되어 있는 부분은 다음의 식에 따라 산출한 수(소수점 이하의 수는 1로 본다)의 유도등을 설치하여야 한다.

    설치개수= (객석의 통로의 직선부분의 길이(m)/4) - 1

    78

    소방전기 22년 1회.

    비상경보설비 및 단독경보형감지기의 화재안전기준(NFSC 201)에 따른 용어에 대한 정의로 틀린 것

    수신기라 함은 발신기에서 발하는 화재신호를 "직접" 수신하여 화재의 발생을 표시 및 경보하여 주는 장치를 말한다

    79

    소방전기 22년 1회.

    무선통신보조설비 그림에서 ⓐ에 해당하는 것은

    문제이미지

    80

    소방전기 22년 1회.

    축전지의 자기방전을 보충함과 동시에 상용부하에 대한 전력공급은 충전기가 부담하도록 하되 충전기가 부담하기 어려운 일시적인 대전류 부하는 축전지로 하여금 부담하게 하는 충전방식은

    부동충전의 부동은 움직이지 않는다의 "부동"이 아니라 "떠다닌다"(Floating Charge)의 의미로 "부동"임

    충전기가 축전지에 항상 정전압을 유지할 정도로 충전하면서 축전지의 자기방전을 보충하고 있다가

    일시에 대전류가 요구되면 축전지의 전류를 퍼서 가져가는 원리임

    물이 항상 가득 차 있는 물통에서 자연증발하는 정도를 충전시키다가 필요할 때 바가지로 물을 퍼가는 모습을 상상하면 이해하기 쉬움