모두CBT | 국가고시 실기시험 부시기!

18년 3회.. 해설 페이지

18년 3회..

    1

    18년 3회..

    .피난로의 안전구획 중 2차 안전구획에 속하는 것은?


    2

    18년 3회..

    어떤 기체가 0℃, 1기압에서 부피가 11.2L, 기체질량이 22g 이었다면 이 기체의 분자량은? (단, 이상기체로 가정한다.)

    증기밀도 = 질량/부피 = 분자량/부피

    부피는 22.4

    증기밀도 = 22/(11.2/22.4) = 44

    3

    18년 3회..

    제3종 분말소화약제에 대한 설명으로 틀린 것은?

    주성분은 제1인산암모늄(NH4H2PO4)

      - 열분해시 생성된 불연성가스(NH3, H2O)에의한 질식효과

    4

    18년 3회..

    연소의 4요소 중 자유활성기(free radical)의 생성을 저하시켜 연쇄반응을 중지시키는 소화방법은?

    연소의 4요소

    가연물 - 제거소화

    산소 - 질식소화

    점화원 - 냉각소화

    연쇄반응 - 부촉매소화(억제소화)

    5

    18년 3회..

    할론계 소화약제의 주된 소화효과 및 방법에 대한 설명으로 옳은 것은

    억제소화(부촉매소화)

    1. 라디컬포착제로 활성라디컬의 생성을 저하시켜 연쇄반응을 억제하는 화학적소화

    2. 적용: 할론계 소화약제

    6

    18년 3회..

    다음 중 분진폭발의 위험성이 가장 낮은 것은?

    분진폭발을 일으키지 않는 물질

    시멘트(불연성), 석회석(불연성), 팽창질석(소화약제), 이황화탄소(액체)

    모든가연물(밀가루, 커피, 코코아, 금속분말, 알루미늄, 마그네슘 등은 분질폭발을 일으킴

    7

    18년 3회..

    갑종방화문과 을종방화문의 비차열 성능은 각각 최소 몇 분 이상이어야 하는가

    8

    18년 3회..

    경유화재가 발생했을 때 주수소화가 오히려 위험할 수 있는 이유는

    9

    18년 3회..

    비열이 가장 큰 물질은

    10

    18년 3회..

    TLV(Threshold Limit Value)가 가장 높은 가스는

    TLV = 허용농도

    시안화수소- 10ppm

    포스겐-0.1ppm

    일산화탄소-50ppm

    이산화탄소-5000ppm

    11

    18년 3회..

    화재예방, 소방시설 설치ㆍ유지 및 안전관리에 관한 법령에 따른 개구부의 기준으로 틀린 것은

    1 크기가 지름 50cm 이상

    2 개구부 밑부분까지 1.2m 이내

    3 차량 진입 가능한 공지

    4 쉽게 파괴, 개방 가능할 것

    12

    18년 3회..

    소화약제로 사용할 수 없는 것은

    13

    18년 3회..

    염소산염류, 과염소산염류, 알칼리 금속의 과산화물, 질산염류, 과망간산염류의 특징과 화재 시 소화방법에 대한 설명 중 틀린 것은

    염류, 무기과산화물은 제1종 위험물이며 산화성 고체 이므로 4번에 가연성은 틀린말이다

    14

    18년 3회..

    내화구조에 해당하지 않는 것은

    철골조로 하고 콘크리트 블록 벽돌 석재: 벽두께 5cm이상  비내력벽 4cm이상

    15

    18년 3회..

    소방시설 중 피난설비에 해당하지 않는 것은

    무선통신보조설비 - 소화활동설비

    16

    18년 3회..

    폭연에서 폭굉으로 전이되기 위한 조건에 대한 설명으로 틀린 것은

    1. 연소속도가 큰 혼합가스일수록

    2. 배관 내에 장애물이 존재

    3. 배관의 관경이 가늘수록

    4. 배관내 압력이 높을수록

    17

    18년 3회..

    어떤 유기화합물을 원소 분석한 결과 중량백분율이 C : 39.9%, H : 6.7%, O : 53.4%인 경우 이 화합물의 분자식은? (단, 원자량은 C=12, O=16, H=1이다.)

    39.9%/12):(6.7%/1)/(53.4%/16)

    =1:2:1

    →C와 h와 o의 분자가 1:2:1인것을 찾으면

      C2:h4:o2가 답임

    18

    18년 3회..

    유류 탱크의 화재 시 탱크 저부의 물이 뜨거운 열유층에 의하여 수증기로 변하면서 급작스런 부피 팽창을 일으켜 유류가 탱크 외부로 분출하는 현상은?

    화재 시 탱크 밑에 있는 물이 끓어오르면서 안에있는 기름을 밖으로 끄집어내어 화재로 이어지는 현상을 말한다

    19

    18년 3회..

    건축물의 피난ㆍ방화구조 등의 기준에 관한 규칙에 따른 철망모르타르로서 그 바름 두께가 최소 몇 ㎝ 이상인 것을 방화구조로 규정하는가

    철망모르타르 바르기:두께2cm이상


    석고판 위에 시멘트모르타르를 바른것:두께2.5cm이상

    회반죽을 바른것:두께2.5cm이상

    시멘트모르타르 위에 타일을 붙인것:두께2.5cm이상


    심벽에 흙으로 맞벽치기한것:모두해당

    20

    18년 3회..

    제4류 위험물의 물리ㆍ화학적 특성에 대한 설명으로 틀린 것은?

    인화점: 점화원을 가했을 때 연소가 시작되는 최저온도

    따라서, 인화점이 낮을수록 증기발생이 용이하여 위험도가 크다

    21

    18년 3회..

    정현파 전압의 평균값이 150V이면 최댓값은 약 몇 V인가

    Vmax = Vage*3.14 /2

    Vage = 2*Vmax / 3.14


    150*3.14 /2 = 235.6

    22

    18년 3회..

    변위를 압력으로 변환하는 소자로 옳은 것은

    1. 다이어프램: 압력 --> 변위

    3. 벨로우즈: 압력 --> 변위

    4. 노즐플래퍼: 변위 --> 압력

    23

    18년 3회..

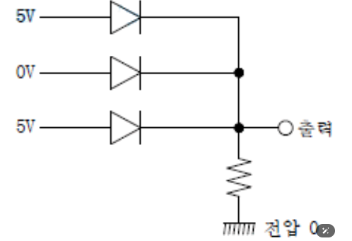
    그림과 같은 다이오드 게이트 회로에서 출력전압은? (단, 다이오드내의 전압강하는 무시한다.)

    문제이미지

    다이오드 방향이 접지쪽이므로 OR회로 이므로 5V ( 다이오드 방향 반대는 AND회로)

    24

    18년 3회..

    전지의 내부 저항이나 전해액의 도전율 측정에 사용되는 것은

    25

    18년 3회..

    전자유도현상에서 코일에 생기는 유도기전력의 방향을 정의한 법칙은

    26

    18년 3회..

    반도체에 빛을 쬐이면 전자가 방출되는 현상은

    27

    18년 3회..

    입력신호와 출력신호가 모두 직류(DC)로서 출력이 최대 5㎾까지로 견고성이 좋고 토크가 에너지원이 되는 전기식 증폭기기는

    28

    18년 3회..

    시퀀스제어에 관한 설명 중 틀린 것은

    29

    18년 3회..

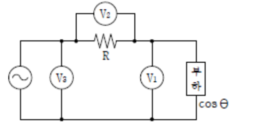
    그림과 같은 회로에서 전압계 3개로 단상전력을 측정하고자 할 때의 유효전력은?

    문제이미지

    교류전력 측정시 3전압계법 P=1/2R*(V1^2-V2^2-V3^2

    30

    18년 3회..

    어느 도선의 길이를 2배로 하고 전기저항을 5배로 하려면 도선의 단면적은 몇 배로 되는가

    저항=고유저항*도선길이/단면적

    단면적=길이/저항 (고유저항은 일정하니까 제외)

    S=2/5=0.4

    31

    18년 3회..

    각 전류의 대칭분 I0, I1, I2가 모두 같게 되는 고장의 종류는

    1선 지락: I0=I1=I2

    2선 지락: V0=V1=V2

    32

    18년 3회..


    입력 r(t), 출력 c(t)인 제어시스템에서 전달함수 G(s)는? (단, 초기값은 0이다.)

    문제이미지

    c(t)(s제곱+3s+2)=r(t)(s+3)

    G(s)=c(t)/r(t)=(s+3)/(s제곱+3s+2)

    33

    18년 3회..

    다음 단상 유도전동기 중 기동토크가 가장 큰 것은

    <기동토크 크기 순서>

    반발기동형 > 콘셑서 기동형 > 분상 기동형 > 셰이팅 코일형

    34

    18년 3회..

    간소화한것은?

    문제이미지

    다양한 접근 방법이 있을 수 있습니다. 다른분들의 접근방법처럼 부울대수를 활용할 수 있습니다.

    (그러나 부울대수를 확실히 모르면 해당방법으로 접근하면 틀릴 확률이 높습니다.)


    일단 해당문제는 카르노맵을 사용하는 문제입니다. 카르노맵 해설을 달고 후에 편법을 알려드리겠습니다.


    1. 카르노맵 그리기 (해당문제는 부울대수보다 카르노맵에 관해 물어보는 문제입니다.)

    AB'C  + A'BC  + A'B'C + A'B'C' + AB'C'

    (101 ,011,001,000,100

    해당문제는 카르노맵으로 손쉽게 구할 수 있습니다.

        AB 00 01 11 10

    C  0 (1) 0 0 {1}

        1 [(1) 1] 0 {1}


    값에 상관없는거 빼고 고정된거 적는다.

    ()  C가 0도 들어가고 1도 들어간다. : A'B'

    []  B가 0도 들어가고 1도 들어간다. : A'C

    {} C가 0도 들어가고 1도 들어간다 : AB'


    A'B' + A'C + AB'

    = (A+A')B' +A'C

    = B' +A'C


    답은 3번이 됩니다.



    2. 카르노맵 몰라도 풀 수 있습니다. 다른 분들의 풀이처럼 부울대수 사용할 수 있구요.

    만약 한문제라도 맞춰야 하는 상황인데 기억이 가물가물하면

    시험지 빈공간에 논리회로 그리고 논리식을 하나하나 넣으면됩니다.

    (이는 모든 논리식 문제에서 활용할 수 있으니 방법만이라도 익히시기 바랍니다.)


    논리식

    A  B  C  결과

    0  0  0    

    0  0  1

    0  1  0

    0  1  1

    1  0  0

    1  0  1

    1  1  0

    1  1  1 ​


    보기 또한 논리식을 만들고 하나라도 틀리는순간 가차없이 그어가면 정답을 찾을 수 있습니다.

    2시간동안 보는 시험이고, 나머지 3과목이 암기과목이기 때문에  문제를 다풀고 나도 한시간이 남습니다.

    시험장에서 남는게 시간입니다.  그러니 모르면 논리식문제는 거져주는 문제라 생각하고 노가라로라도 풀기 바랍니다.


    2.

    논리회로를 조금이라도 공부해보셨다면

    ABC는 8개의 경우의 수가 있다고 볼 수 있고


    AB'C  + A'BC  + A'B'C + A'B'C' + AB'C'

    ​이 자체가 논리식이됩니다. (모르면 위에방법으로 논리회로 그리고 8가지 경우의 수 넣어서 출력보는겁니다.)


    논리식

    A  B  C  결과

    0  0  0    1

    0  0  1    1

    0  1  0    0

    0  1  1    1

    1  0  0    1

    1  0  1    1

    1  1  0    0

    1  1  1 ​  0


    보기 또한 논리식을 만들어 줍시다. (정답인 3번만 봅시다.)

    (마지막이 OR로 묶여있어 B가 0이 들어가는 순간 1이됩니다.)

    (A'C가 1이 되는 경우는 01 일때 입니다. 01들어가는 모든 경우는 1이됩니다.

    A  B  C  결과

    0  0  0    1

    0  0  1    1

    0  1  0    0

    0  1  1    1

    1  0  0    1

    1  0  1    1

    1  1  0    0

    1  1  1 ​  0


    정답은 3번이 됩니다.


    여러분 소방원론, 법규, 전기구조 다 풀어도 30분~한시간 밖에 안지나갑니다.

    2시간 시험에서 논리식문제는 논리회로 그리면서 풀어도 시간이 남아요.

    거져주는 문제라 생각합시다!

    35

    18년 3회..

    한 상의 임피던스가 Z=16+j12Ω인 Y결선 부하에 대칭 3상 선간전압 380V를 가할 때 유효전력은 약 몇 ㎾인가

    1. Iy=V/루트3×Z=380/루트3×루트16^2+12^2=380/루트3×20=19/루트3=약10.96

    2. P=I^2R 이므로 10.96^2×16(=저항R)=약1925

    3. 3상이므로 2번에서 구한 값 1925에 3을 곱하면 5776

    4. kW로 바꾸면 5.8

    36

    18년 3회..

    10㎌인 콘덴서를 60㎐ 전원에 사용할 때 용량 리액턴스는 약 몇 Ω인가?

    L=1/2×3.14×f×c = 2×3.14×60×10×10-6승

    2파이 에프 씨분에 일 ㅎㅎ

    37

    18년 3회..

    다음 소자 중에서 온도 보상용으로 쓰이는 것은

    서미스터 : 온도보상용

    바리스터 : 서지방지용

    제너다이오드 : 정전압유지용

    터널다이오드 : 발진, 증폭, 스위칭 작용

    38

    18년 3회..

    용량 10kVA의 단권변압기를 그림과 같이 접속하면 역률 80%의 부하에 몇 ㎾의 전력을 공급할 수 있는가

    문제이미지

    (자기용량/부하용량) = (Vh - V)/Vh

    ※부하용량 = (자기용량 × Vh) ÷ (Vh - Vi)

            =(10*3300)÷(3300-3000)

            =110kVA

    ※부하전력 = 부하용량×역률

            = 110*0.8 = 88kW

    39

    18년 3회..


    1㎝의 간격을 둔 평행 왕복전선에 25A의 전류가 흐른다면 전선 사이에 작용하는 전자력은 몇 N/m이며, 이것은 어떤 힘인가

    왕복평행도체에 흐르는 전류(왕복전류)는 전류1과 전류2는 상호반대임을 의미함으로 작용력의 성격은 반발력.

    F=2 x 전류1 x 전류2 /r(두 도체간의 간격 [m])

    [해설작성자 : 합격응위해]


    평행한 두 도선에 흐르는 전류의 방향이 반대일때(왕복)는 반발력이 작용하고 계산식은

    F=(2*전류1*전류2/거리)*10^-7

    [해설작성자 : comcbt.com 이용자]


    두 도선

            μI1I2

    F  = --------------

              2πd


          μ x 25 x 25

      = ------------------

            2 x πx 0.01


    μ(뮤) I1(전류) I2(전류) π(파이) d (지름 m)

    40

    18년 3회..

    그림과 같은 계전기 접점회로의 논리식은

    문제이미지

    병렬은 논리합, 직렬은 논리곱

    41

    18년 3회..

    소방시설공사업법령에 따른 성능위주설계를 할 수 있는 자의 설계범위 기준 중 틀린 것은?

    그냥 간단하게 생각하세요. 성능위주설계는 '이하'가 나오면 오답입니다.

    위 해설에 있는 시행령제9조 조문을 보면 다 '이상'이에요.

    성능위주 설계가 일반 설계보다 더 제도화된 설계를 해야합니다.

    그러면 당연히 소규모 건물이 아니라 대규모 건물에 적용되겠죠?

    42

    18년 3회..

    위험물안전관리법령에 따른 인화성액체위험물(이황화탄소를 제외)의 옥외탱크저장소의 탱크 주위에 설치하는 방유제의 설치기준 중 옳은 것은

    높이0.5~3m

    면적80000m^

    탱크1기탱크용량의110퍼이상

                  2기 최대용량의 110

    43

    18년 3회..

    소방기본법에 따른 소방력의 기준에 따라 관할구역의 소방력을 확충하기 위하여 필요한 계획을 수립하여 시행하여야 하는 자는

    본, 서, 대 는 묶여다니는 사람들이고


    행정안전부장관, 대통령, 경찰, 부동산업자, 군인 등은 소방법규의 등장인물이 아닙니다.

    절대 정답이 아닙니다. 절대 고르면 안됩니다. / 틀린거 고를때는 무조건 입니다. (그러나 거의 그렇게 쉽게 않나옵니다.)

    (대통령령, 행안부령 만 있습니다.)


    아닌거 골라라 맞는거 골라라 할 때

    보기에 : 1. 본 2. 서 3. 대

    이 3명은 함께 다녀야 하는 사람들이기 때문에 찍어야하는 상황에선 절대 고르면 안됩니다.

    44

    18년 3회..

    소방기본법령에 따른 용접 또는 용단 작업장에서 불꽃을 사용하는 용접ㆍ용단기구 사용에 있어서 작업자로부터 반경 몇 m 이내에 소화기를 갖추어야 하는가

    불꽃을 사용하는 용접 용단기구는 반경 5M이내 소화기를 갖추어야할것

    용접 또는 용단 작업장 주변 반경 10M이내에는 가연물을 쌓아두거나 놓아두지 말것, 단 가연물 제거가 곤란하여 방지포 등으로 방호조치를 한경우는 제외한다

    45

    18년 3회..

    소방기본법에 따른 벌칙의 기준이 다른 것은

    1.200만원 이하의 벌금

    2.5년이하의징역 5천만원이하의벌금

    3.5년 5천이하벌금

    4.5년 5천이하벌금

    46

    18년 3회..

    소방대원은 (ㄱ)년마다 (ㄴ)주 이상 교육훈련을 받아야한다.

    47

    18년 3회..

    화재예방, 소방시설 설치ㆍ유지 및 안전관리에 관한 법령에 따른 화재안전기준을 달리 적용하여야 하는 특수한 용도 또는 구조를 가진 특정소방대상물 중 핵폐기물처리시설에 설치하지 아니할 수 있는 소방시설은

    원자력발전소, 핵폐기물처리시설에는 연결송수관설비 및 연결살수설비를 설치하지 않을 수 있다

    48

    18년 3회..

    화재예방, 소방시설 설치ㆍ유지 및 안전관리에 관한 법령에 따른 특정소방대상물 중 의료에 해당하지 않는 것은

    49

    18년 3회..

    화재예방, 소방시설 설치ㆍ유지 및 안전관리에 관한 법령에 따른 특정소방대상물의 수용인원의 산정방법 기준 중 틀린 것은

    강당,문화 및 집회시설,운동시설,종교시설: 해당 용도로 사용하는 바닥면적의 합계를 4.6m2 나누어 얻은 수(관람석이 있는 경우 고정식 의자를 설치한 부분은 그 부분의 의자 수로 하고, 긴 의자의 경우에는 의자의 정면너비를 0.45m로 나누어 얻은 수로 한다)

    50

    18년 3회..

    화재예방, 소방시설 설치ㆍ유지 및 안전관리에 관한 법령에 따른 소방안전관리대상물의 관계인 및 소방안전관리자를 선임하여야 하는 공공기관의 장은 작동기능점검을 실시한 경우 며칠 이내에 소방시설등 작동기능 점검 실시 결과 보고서를 소방본부장 또는 소방서장에게 제출하여야 하는가

    51

    18년 3회..

    화재예방, 소방시설 설치ㆍ유지 및 안전관리에 관한 법령에 따른 임시소방시설 중 간이소화장치를 설치하여야 하는 공사의 작업 현장의 규모의 기준 중 다음 ( ) 안에 알맞은 것은

    문제이미지

    52

    18년 3회..

    화재예방, 소방시설 설치ㆍ유지 및 안전관리에 관한 법령에 따른 방염성능기준 이상의 실내장식물 등을 설치하여야 하는 특정 소방대상물의 기준 중 틀린 것은

    1.근린생활 시설중 의원 체력단련장 공연장 및 종교집회장

    2.(문집 종교 운동)시설  (운동시설중 수영장제외)

    3.의료시설

    4.교육연구시설중 합숙소

    5.노유자시설

    6.숙박이 가능한 수련시설

    7.숙박시설

    8.방송통신시설중 방송국 및 촬영소

    9.다중이용업소

    10.11층이상인 것 (아파트제외)

    53

    18년 3회..

    소방시설공사업법령에 따른 소방시설공사 중 특정소방대상물에 설치된 소방시설등을 구성하는 것의 전부 또는 일부를 개설, 이전 또는 정비하는 공사의 착공신고 대상이 아닌 것은

    54

    18년 3회..

    위험물안전관리법령에 따른 소화난이도등급I의 옥내탱크저장소에서 유황만을 저장ㆍ취급할 경우 설치하여야 하는 소화설비로 옳은 것은

    유황은 제 2류 위험물로 물을 이용한 냉각소화를 해야한다

    55

    18년 3회..

    피난시설, 방화구획 또는 방화시설을 폐쇄ㆍ훼손ㆍ변경 등의 행위를 3차 이상 위반한 경우에 대한 과태료 부과기준으로 옳은 것은

    56

    18년 3회..

    화재예방, 소방시설 설치ㆍ유지 및 안전관리에 관한 법령에 따른 공동 소방안전관리자를 선임하여야 하는 특정소방대상물 중 고층 건축물은 지하층을 제외한 층수가 몇층 이상인 건축물만 해당되는가

    57

    18년 3회..

    위험물안전관리법령에 따른 위험물제조소의 옥외에 있는 위험물취급탱크 용량이 100m3및 180m3인 2개의 취급탱크 주위에 하나의 방유제를 설치하는 경우 방유제의 최소 용량은 몇 m3이어야 하는가

    제조소 1기=탱크용량50%    2기=최대50%+나머지10%

    옥외탱크 1기=탱크용량110%  2기=최대50%+나머지10%


    [추가 해설]


    1. 위험물제조소의 옥외 위험물 취급 탱크

      1기 : 탱크용량 50% 이상, 2기이상 : 탱크들 중 최대용량 50% + 나머지 합산 * 10%

    2. 위험물제조소의 옥내 위험물 취급 탱크 -> 방유턱

      1기 : 탱크용량 이상 , 2기이상 : 탱크들 중 최대용량

    3. 위험물 옥외탱크저장소

      1기 : 탱크용량 110%(비인화는 100%), 2기이상 : 탱크들 중 최대용량 110%(비인화는 100%)

        --> 위 해설 중 옥외탱크에 대한 부분 수정 필요.


    해당 문제는 1. case임.


    180 * 0.5 + 100 * 0.1 = 100m3

    58

    18년 3회..

    화재예방, 소방시설 설치ㆍ유지 및 안전관리에 관한 법령에 따른 소방안전 특별관리 시설물의 안전관리에 대상 전통시장의 기준 중 다음 ( ) 안에 알맞은 것은?

    전통시장으로 점포가 () 개 이상인 전통시장

    59

    18년 3회..

    위험물안전관리법령에 따른 정기점검의 대상인 제조소등의 기준 중 틀린 것은

    200배

    60

    18년 3회..

    화재예방강화지구의 관리 기준 중 다음 ( ) 안에 알맞은 것

    문제이미지

    61

    18년 3회..

    무선통신보조설비의 분배기ㆍ분파기 및 혼합기의 설치기준 중 틀린 것은

    3번은 증폭기 및 무선이동중계기의 설치기준입니다

    62

    18년 3회..

    피난기구의 용어의 정의 중 다음 ( ) 안에 알맞은 것은

    문제이미지

    완강기 : 한명이 완강기를 착용하고 내려가면 다른 줄에 걸린 완강기가 올라가서 재사용이 가능합니다.


    간이 완강기 : 말 그대로 간이, 일회용입니다. 한명이 완강기를 착용하고 내려가면 그게 끝입니다

    63

    18년 3회..

    청각장애인용 시각경보장치는 천장의 높이가 2m 이하인 경우에는 천장으로부터 몇 m 이내의 장소에 설치하여야 하는가

    시각경보기 설치기준

      1. 복도, 통로, 청각장애인용 객실 및 공용으로 사용하는 거실(로비, 회의실, 강의실, 전시실등)에 설치

          ※ 거실은 15m*15m 마다 1개씩, 복도는 15m마다 1개씩

      2. 각 부분으로 부터 유용한 경보를 바랄 수 있는 위치에 설치

      3. 공연장, 집회장, 등에는 시선이 집중되는 무대부에 설치

      4. 설치 높이는 2~2.5m, 다만 천장높이가 2m 미만인 경우 천장으로부터 0.15m이내 설치

      5. 시각경보기장치의 광원은 전용축전지 설비 또는 전기저장장치에 의하여 점등되도록 할것, 다만 시각경보기에 작동전원을 공급할 수 있도록

          형식승인을 얻은 수신기를 설치한 경우에는 그렇지 아니하다.

            ※ 시각경보기 장치는 신호입력 후 3초이내 작동, 정지하고 1초당 1회~3회 점멸할 것

      6. 하나의 소방대상물에 2이상의 수신기가 설치된 경우 어느 수신기에서도 시각경보장치를 작동할 수 있도록 할 것

    64

    18년 3회..

    자동화재탐지설비의 연기복합형 감지기를 설치할 수 없는 부착높이는

    20m이상

    - 불꽃감지기

    - 광전식(분리형, 공기흡입형) 중 아날로그 방식

    65

    18년 3회..

    비상조명등의 설치 제외 기준 중 다음 ( ) 안에 알맞은 것은?


    거실의 각 부분으로부터 하나의 출입구에 이르는 보행거리가 ( ) m 이내인 부분

    66

    18년 3회..

    각 소방 설비별 비상전원의 종류와 비상전원 최소용량의 연결이 틀린 것은?

    자동화재 탐지설비,자동화재속보설비,비상경보설비 의 비상 전원 용량은 10분이상(단 30층 이상은 30분 이상) 비상 전원은 축전지 입니다

    67

    18년 3회..

    연기감지기의 설치기준 중 틀린 것은

    현행법상 모든보기가 설치기준에 적합한 상태입니다.

    따라서 정답이 없습니다

    68

    18년 3회..


    자동화재속보설비를 설치하여야 하는 특정소방대상물의 기준 중 틀린 것은?

    지하가 중 터널은 자동화재속보설비를 설치할 필요가 없다.

    [해설작성자 : 인생뭐있나~]


    2023년 현행법 기준으로 4번 조항  삭제되어서 4번도 정답이 맞습니다

    69

    18년 3회..

    비상콘센트용의 풀박스 등은 방청도장을 한것으로서 두께는 최소 몇 mm 이상의 철판으로 하여야 하는가

    70

    18년 3회..

    비상방송설비의 배선과 전원에 관한 설치기준 중 옳은 것은?

    1번 1경계구역마다 직류 250V //절연저항 0.1M옴

    2번 전원까지의 배선은 전용으로 할것

    3번 감시 60분에 지속 10분 경보 / 30층이상 30분 경보

    71

    18년 3회..

    7층인 의료시설에 적응성을 갖는 피난기구가 아닌 것은

    72

    18년 3회..

    비상방송설비의 음향장치 구조 및 성능기준중 다음 ( ) 안에 알맞은 것은

    문제이미지

    73

    18년 3회..

    비상방송설비 음향장치의 설치기준 중 다음 ( ) 안에 알맞은 것은

    문제이미지

    74

    18년 3회..

    누전경보기 전원의 설치기준 중 다음 ( )안에 알맞은 것은

    문제이미지

    75

    18년 3회..

    유도등 예비전원의 종류로 옳은 것은?

    76

    18년 3회..

    축광방식의 피난유도선 설치기준 중 다음 ( )안에 알맞은 것은

    문제이미지

    77

    18년 3회..

    무선통신보조설비 무선기기 접속단자의 설치 기준 중 다음 ( ) 안에 알맞은 것은

    문제이미지

    78

    18년 3회..

    비상콘센트설비의 전원부와 외함 사이의 절연내력 기준 중 다음 ( ) 안에 알맞은 것은

    문제이미지

    79

    18년 3회..

    자동화재탐지설비의 경계구역에 대한 설정기준 중 틀린 것은

    지하구에 있어서 하나의 경계구역의 길이는 700m 이하로 한다

    80

    18년 3회..

    비상경보설비를 설치하여야 하는 특정소방대상물의 기준 중 옳은 것은?

    비상경보설비 설치대상

        ① 연면적 400m^2 이상 (지하가 중 터널/사람이 거주하지 않거나 벽이 없는 축사 등 동·식물 관련시설 제외)

        ② 지하층/무창층의 바닥면적 150m^2 이상, 공연장인 경우 바닥면적 100m^2 이상

        ③ 50명 이상의 근로자가 작업하는 옥내작업장