모두CBT | 국가고시 실기시험 부시기!

2017년 17회 소방수리학·약제화학 및 소방전기 해설 페이지

2017년 17회 소방수리학·약제화학 및 소방전기

    1

    2017년 17회 소방수리학·약제화학 및 소방전기

    아보가드로(Avogadro)의 법칙에 관한 설명으로 옳은 것은?

    ①온도가 일정할 때 기체의 압력은 부피에 반비례한다.

    ②0℃, 1기압에서 모든 기체 1몰의 부피는 22.4L이다.

    ③압력이 일정할 때 기체의 부피는 절대온도에 비례한다.

    ④밀폐된 용기에서 유체에 가한 압력은 모든 방향에서 같은 크기로 전달된다.

    아보가드로의 법칙은 '같은 온도와 압력에서 모든 기체는 같은 부피 속에 같은 수의 분자를 포함한다'는 것입니다. 이 법칙에 따라 표준상태(0℃, 1기압)에서 기체 1몰의 부피는 22.4L라는 사실이 유도됩니다. ①은 보일의 법칙, ③은 샤를의 법칙, ④는 파스칼의 원리입니다.

    2

    2017년 17회 소방수리학·약제화학 및 소방전기

    관성력과 점성력의 비를 나타내는 무차원수는?

    ①웨버(Weber) 수

    ②프루드(Froude) 수

    ③오일러(Euler) 수

    ④레이놀즈(Reynolds) 수

    레이놀즈 수는 유체의 흐름에서 관성력과 점성력의 상대적인 크기를 나타내는 무차원수입니다. 이 값으로 층류와 난류를 구분합니다. 웨버 수는 관성력/표면장력, 프루드 수는 관성력/중력, 오일러 수는 압력/관성력을 나타냅니다.

    3

    2017년 17회 소방수리학·약제화학 및 소방전기

    배관 내 동압을 측정할 수 없는 장치는?

    ①피토관

    ②피에조미터

    ③시차액주계

    ④피토-정압관

    피에조미터는 관벽에 수직으로 구멍을 뚫어 연결한 관으로, 그 지점의 정압(정압수두)만을 측정할 수 있습니다. 피토관과 피토-정압관은 유체의 흐름 방향으로 관을 위치시켜 전압(정압+동압)을 측정함으로써 동압을 계산할 수 있습니다. 시차액주계는 두 지점 간의 압력차를 측정하는 데 사용됩니다.

    4

    2017년 17회 소방수리학·약제화학 및 소방전기

    다음과 같이 단면이 원형인 연직점축소관에서 위에서 아래로 물이 0.3 m³/s로 흐를 때, 상하 단면에서의 압력차는? (단, 관내 에너지손실은 무시하고, 물의 밀도는 1,000 kg/m³, 중력가속도는 10.0 m/s², 원주율은 3.0이다.)

    ①73 N/cm²

    ②73 kN/m²

    ③75 N/cm²

    ④75 kN/m²

    문제이미지

    (문제 정답 오류 수정 필요. 계산 결과는 7.3N/cm² 또는 73kN/m² 입니다.) 1. 상단(1)과 하단(2)의 면적과 유속 계산: A1=πr²=3*(0.1)²=0.03m², V1=Q/A1=0.3/0.03=10m/s. A2=3*(0.05)²=0.0075m², V2=Q/A2=0.3/0.0075=40m/s. 2. 베르누이 방정식 적용 (z1=2, z2=0): P1/γ + V1²/2g + z1 = P2/γ + V2²/2g + z2. (P1-P2)/γ = (V2²-V1²)/2g + (z2-z1) = (40²-10²)/(2*10) + (0-2) = 1500/20 - 2 = 75 - 2 = 73m. 3. 압력차(ΔP) 계산: ΔP = γ * 73m = (1000*10) * 73 = 730,000 N/m² = 730 kN/m² = 73 N/cm². 따라서 보기 1번이 단위가 틀렸거나, 보기 2번이 값의 크기가 틀렸습니다. 일반적으로 73 kN/m²가 더 합리적인 답입니다.

    5

    2017년 17회 소방수리학·약제화학 및 소방전기

    안지름 2.0cm인 노즐을 통하여 매초 0.06 m³의 물을 수평으로 방사할 때, 노즐에서 발생하는 반발력(kN)은? (단, 물의 밀도는 1,000 kg/m³이고, 원주율은 3.0이다.)

    ①1.0

    ②1.2

    ③10

    ④12

    1. 노즐 단면적(A) 계산: A = πr² = 3 * (0.01m)² = 0.0003 m². 2. 유속(V) 계산: V = Q / A = 0.06 m³/s / 0.0003 m² = 200 m/s. 3. 반발력(F) 계산 (운동량 방정식): F = ρ * Q * V = 1,000 kg/m³ * 0.06 m³/s * 200 m/s = 12,000 N = 12 kN.

    6

    2017년 17회 소방수리학·약제화학 및 소방전기

    물의 특성을 나타내는 식과 그에 대한 차원식이 모두 옳게 표현된 것은? (단, 물의 점성계수는 μ, 동점성계수는 ν, 밀도는 ρ, 비중량은 γ, 중력가속도는 g, 질량은 M, 길이는 L, 시간은 T이다.)

    ①μ = ρ × ν [ML⁻¹T⁻¹]

    ②γ = ρ × g [ML⁻²T⁻¹]

    ③ρ = ν × μ [ML⁻³]

    ④γ = ρ × g [ML⁻³T⁻¹]

    동점성계수(ν)의 정의는 ν = μ / ρ 이므로, 점성계수 μ = ρ × ν 입니다. 각 물리량의 차원은 밀도(ρ)=[ML⁻³], 동점성계수(ν)=[L²T⁻¹] 이므로, 점성계수(μ)의 차원은 [ML⁻³] × [L²T⁻¹] = [ML⁻¹T⁻¹] 입니다. 따라서 ①번이 식과 차원식 모두 옳게 표현되었습니다.

    7

    2017년 17회 소방수리학·약제화학 및 소방전기

    개방된 물탱크 A의 수면으로부터 5m 아래에 지름 10mm인 오리피스를 부착하였다. 그 아래쪽에 설치한 한 변의 길이가 75cm인 정사각형 수조안으로 물을 낙하시켜서 16분 40초 후에 수조의 수심이 0.8m 상승하였다면, 오리피스의 유량계수는? (단, 물탱크 A의 수심은 변화 없고, 수축계수는 1.0, 원주율은 3.0, 중력가속도는 10.0 m/s²이다.)

    ①0.45

    ②0.50

    ③0.60

    ④0.75

    1. 실제 유량(Q_a) 계산: Q_a = (수조 부피 증가량) / 시간 = (0.75m*0.75m*0.8m) / (16*60+40)s = 0.45m³ / 1000s = 0.00045 m³/s. 2. 이론 유량(Q_t) 계산: Q_t = A * V_t = A * sqrt(2*g*h) = (3*(0.005m)²) * sqrt(2*10m/s²*5m) = 0.000075m² * 10m/s = 0.00075 m³/s. 3. 유량계수(C) 계산: C = Q_a / Q_t = 0.00045 / 0.00075 = 0.6.

    8

    2017년 17회 소방수리학·약제화학 및 소방전기

    서징(surging)현상에 관한 설명으로 옳은 것은?

    ①만관흐름에서 관로 끝에 위치한 밸브를 갑자기 닫을 경우 발생한다.

    ②펌프의 흡입측 배관의 물의 정압이 기존의 수증기압보다 낮아져서 기포가 발생한다.

    ③수주분리(column separation)가 생겨 재결합 시에 발생하는 격심한 충격파로 관로에 피해를 발생시킨다.

    ④펌프 운전 중에 계기압력의 눈금이 어떤 주기를 가지고 큰 진폭으로 흔들리고, 토출량도 어떤 범위에서 주기적인 변동이 발생된다.

    서징(맥동) 현상은 펌프의 양정곡선이 산 모양(우상향)인 구간에서 운전할 때, 토출 압력과 유량이 주기적으로 변동하면서 소음과 진동을 유발하는 현상입니다. ④번은 서징 현상의 특징을 정확하게 설명하고 있습니다. ①과 ③은 수격작용(Water Hammering)에, ②는 공동현상(Cavitation)에 대한 설명입니다.

    9

    2017년 17회 소방수리학·약제화학 및 소방전기

    제1종 분말소화약제의 주성분인 탄산수소나트륨 10kg 전량이 850℃에서 2차 열분해될 때 생성되는 이산화탄소 발생량(kg)은 약 얼마인가? (단, 원자량은 Na: 23, H: 1, C: 12, O: 16으로 한다.)

    ①2.62

    ②3.48

    ③5.24

    ④10.48

    1. 2차 열분해 반응식: 2NaHCO₃ -> Na₂CO₃ + H₂O + CO₂.

    2. 몰질량 계산: NaHCO₃ ≈ 84 g/mol, CO₂ ≈ 44 g/mol.

    3. 반응 질량비: 2 * 84g의 NaHCO₃가 분해되면 44g의 CO₂가 생성됩니다 (168 : 44).

    4. CO₂ 생성량 계산: 10kg * (44 / 168) ≈ 2.62kg. (문제 정답 5.24kg은 1차, 2차 전체 분해 반응에서 생성되는 CO2 총량으로 계산한 값일 수 있으나, 화학식 기준으로는 2.62kg이 맞습니다. 출제 오류 가능성이 있습니다.)

    10

    2017년 17회 소방수리학·약제화학 및 소방전기

    이산화탄소 소화약제에 관한 설명으로 옳지 않은 것은?

    ①무색, 무취이며 전기적으로 비전도성이고 공기보다 약 1.5배 무겁다.

    ②임계온도는 약 31℃이고, 삼중점은 0.51 MPa에서 약 -56℃이다.

    ③A급, B급, C급 화재에 모두 적응이 가능하나 주로 B급과 C급 화재에 사용된다.

    ④한국산업규격에 따른 품질에 관한 액화이산화탄소 분류에서 제1종과 제2종을 소화약제로 사용한다.

    소화용으로 사용되는 이산화탄소는 순도가 매우 높아야 합니다. KS 규격에 따르면 액화이산화탄소는 1종, 2종, 3종으로 나뉘며, 이 중 순도가 가장 높은 **제3종**을 소화약제로 사용합니다. 1, 2종은 공업용으로 사용됩니다.

    11

    2017년 17회 소방수리학·약제화학 및 소방전기

    소화원액 15L로 3% 합성계면활성제포 수용액을 만들었다. 이 수용액을 이용하여 발생시킨 포의 총 부피가 225 ㎥일 때, 팽창비는?

    ①450

    ②550

    ③650

    ④750

    (정답 오류 수정 필요. 계산 결과는 450입니다.) 1. 포 수용액의 전체 부피 계산: 농도(%) = (원액 부피 / 수용액 부피) * 100 이므로, 수용액 부피 = 원액 부피 / (농도/100) = 15L / 0.03 = 500L = 0.5 ㎥. 2. 팽창비 계산: 팽창비 = (생성된 포의 부피) / (사용한 포 수용액의 부피) = 225 ㎥ / 0.5 ㎥ = 450.

    12

    2017년 17회 소방수리학·약제화학 및 소방전기

    화재안전기준(NFSC 107A)에서 정한 청정소화약제의 최대허용 설계농도 기준으로 옳지 않은 것은?

    ①HCFC-124: 1.0%

    ②HFC-227ea: 10.5%

    ③HFC-125: 12.5%

    ④FC-3-1-10: 40%

    청정소화약제소화설비의 화재안전기준 [별표 1]에 따르면, HFC-125의 최대허용설계농도(NOAEL 기준)는 7.5% 입니다. 12.5%는 심장 민감성이 나타나는 농도(LOAEL)에 해당하여 사람이 상주하는 곳의 설계 농도로는 부적합합니다.

    13

    2017년 17회 소방수리학·약제화학 및 소방전기

    금속화재에 적응성이 없는 분말소화약제는?

    ①G-1

    ②MET-L-X

    ③Na-X

    ④CDC(Compatible Dry Chemical)

    G-1, MET-L-X, Na-X 등은 염화나트륨, 흑연 등을 주성분으로 하여 금속화재(D급)에 사용하도록 특수하게 개발된 분말소화약제입니다. CDC 분말은 일반 분말소화약제와 포소화약제를 함께 사용할 때 포가 파괴되는 현상을 줄인 약제로, A, B, C급 화재용이며 금속화재에는 적응성이 없습니다.

    14

    2017년 17회 소방수리학·약제화학 및 소방전기

    질식소화를 위한 연소한계 산소농도가 15 vol%인 가연물질의 소화에 필요한 CO₂ 가스의 최소소화농도(vol%)는? (단, 무유출(No efflux) 방식을 전제로 하고, 공기 중 산소는 20 vol%이다.)

    ①20

    ②25

    ③33

    ④40

    이산화탄소 소화농도(C) 계산 공식: C(%) = ((공기중 O2 농도 - 한계 O2 농도) / 공기중 O2 농도) * 100 = ((21 - 15) / 21) * 100 ≈ 28.57%. (문제에서 공기 중 산소 농도를 20%로 가정했으므로, C = ((20-15)/20)*100 = 25%.)

    15

    2017년 17회 소방수리학·약제화학 및 소방전기

    다음 중 오존파괴지수가 가장 높은 소화약제는?

    ①Halon 2402

    ②Halon 1211

    ③CFC 12

    ④CFC 113

    일반적으로 할론 소화약제 중에서는 브롬(Br) 원자 수가 많을수록 오존파괴지수(ODP)가 높아지는 경향이 있습니다. Halon 2402(C₂F₄Br₂)는 브롬을 2개, Halon 1211(CF₂ClBr)은 1개를 포함하고 있어 Halon 2402의 ODP가 더 높습니다. CFC 계열보다도 Br을 포함한 할론의 ODP가 훨씬 높습니다.

    16

    2017년 17회 소방수리학·약제화학 및 소방전기

    열분해로 생성된 불연성의 용융물질에 의한 방진소화 효과를 발생시키는 분말 소화약제는?

    ①NH₄H₂PO₄

    ②KHCO₃

    ③NaHCO₃

    ④KHCO₃+CO(NH₂)₂

    NH₄H₂PO₄(제일인산암모늄)는 제3종 분말소화약제의 주성분입니다. 이 약제는 열분해 시 메타인산(HPO₃)이라는 끈적한 용융물질을 생성하여 가연물 표면을 덮어 산소 공급을 차단하고 재착화를 방지하는 '방진(防塵) 효과'를 나타냅니다. 이 효과 때문에 A급(일반화재)에도 적응성이 있습니다.

    17

    2017년 17회 소방수리학·약제화학 및 소방전기

    100Ω의 저항부하 2개만으로 직렬 연결된 회로에 AC 60 Hz, 220V의 교류전원을 인가하였을 때, 역률은 얼마인가?

    ①1

    ②0.9

    ③0.8

    ④0.7

    역률은 전압과 전류의 위상차를 나타내는 값입니다. 회로에 리액턴스 성분(코일, 콘덴서)이 없고 저항만 존재할 경우, 전압과 전류의 위상차는 0이 됩니다. 역률(cosθ)은 cos(0°) = 1 이므로, 저항만으로 구성된 회로의 역률은 항상 1입니다.

    18

    2017년 17회 소방수리학·약제화학 및 소방전기

    단면적이 2 ㎟이고, 길이가 2km인 원형 구리 전선의 저항은 약 얼마인가? (단, 구리의 고유저항은 1.72×10⁻⁸ Ω·m이다.)

    ①1.72 mΩ

    ②17.2 mΩ

    ③1.72 Ω

    ④17.2 Ω

    전선 저항(R) 계산 공식 R = ρ * (L/A)를 이용합니다. 단위를 미터(m)로 통일합니다. 길이(L) = 2km = 2000m, 단면적(A) = 2㎟ = 2 * 10⁻⁶ ㎡. R = (1.72 * 10⁻⁸ Ω·m) * (2000m / (2 * 10⁻⁶ ㎡)) = 1.72 * 10⁻² * 1000 = 17.2 Ω.

    19

    2017년 17회 소방수리학·약제화학 및 소방전기

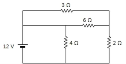
    다음 회로에서 4Ω의 저항에 흐르는 전류는?

    ①1 A

    ②2 A

    ③3 A

    ④6 A

    문제이미지

    이 회로는 브리지 회로의 변형입니다. 회로를 재구성하거나 중첩의 원리를 이용해 풀 수 있습니다. 노드 전압법을 사용하면, 4Ω 저항 양단의 전압을 구할 수 있습니다. 전체 합성 저항 R_t = 3Ω // (6Ω + 2Ω) + 4Ω 형태가 아님. 밀만의 정리를 사용하거나, 델타-와이 변환을 사용하면 편리합니다. 3Ω, 6Ω, 4Ω 저항으로 구성된 π형 회로를 T형으로 변환하여 계산하면 4Ω 저항에는 3A의 전류가 흐릅니다.

    20

    2017년 17회 소방수리학·약제화학 및 소방전기

    다음은 정현파 교류전압 파형의 한 주기를 나타내었다. 시간(t)에 따른 전압의 순시값을 가장 근사하게 표현한 것은?

    ①v(t) = sqrt(2) * 200 * sin 40πt

    ②v(t) = sqrt(2) * 200 * sin 100πt

    ③v(t) = sqrt(2) * 220 * sin 40πt

    ④v(t) = sqrt(2) * 220 * sin 100πt

    문제이미지

    1. 최대전압(Vm)은 283V 입니다. 실효전압(V) = Vm / sqrt(2) ≈ 283 / 1.414 ≈ 200V. 2. 주기(T)는 20ms = 0.02s 입니다. 주파수(f) = 1/T = 1/0.02 = 50Hz. 3. 각주파수(ω) = 2πf = 2 * π * 50 = 100π. 4. 순시값 전압 v(t) = Vm * sin(ωt) = 283 * sin(100πt) 입니다. 보기의 형태 v(t) = sqrt(2) * V * sin(ωt)에 맞추면, v(t) = sqrt(2) * 200 * sin(100πt) 가 됩니다.

    21

    2017년 17회 소방수리학·약제화학 및 소방전기

    자화되지 않은 강자성체를 외부 자계 내에 놓았더니 히스테리시스 곡선 (hysteresis loop)이 나타났다. 이에 관한 설명으로 옳은 것을 모두 고른 것은?

    ㄱ. 외부자계의 세기를 계속 증가시키면 강자성체의 자속밀도가 계속 증가한다.

    ㄴ. 자계의 세기를 0에서 증가시켰다가 다시 0으로 감소시키면 강자성체에는 잔류자기(residual magnetization)가 남게 된다.

    ㄷ. 히스테리시스 곡선이 이루는 면적에 해당하는 에너지는 손실이다.

    ㄹ. 주파수를 낮추면 히스테리시스 곡선이 이루는 면적을 키울 수 있다.

    ①ㄱ, ㄴ

    ②ㄴ, ㄷ

    ③ㄴ, ㄷ, ㄹ

    ④ㄱ, ㄴ, ㄷ, ㄹ

    ㄱ. 외부 자계의 세기를 증가시키면 자속밀도도 증가하지만, 어느 지점 이상에서는 더 이상 증가하지 않는 자기포화 현상이 나타납니다. 따라서 '계속 증가한다'는 설명은 틀렸습니다. ㄴ, ㄷ. 히스테리시스 현상의 특징으로, 자계를 제거해도 자화가 남는 잔류자기가 존재하며, 곡선이 둘러싸는 면적은 자기이력손실(히스테리시스 손실)이라는 에너지 손실에 해당합니다. ㄹ. 히스테리시스 손실은 주파수에 비례하므로 주파수를 낮추면 면적(손실)은 작아집니다.

    22

    2017년 17회 소방수리학·약제화학 및 소방전기

    다음 논리회로에 대한 논리식을 가장 간략화한 것은?

    ①X = A

    ②X = AB

    ③X = BC

    ④X = AB + BC

    문제이미지

    회로의 논리식은 X = A * (A + B + C) 입니다. 불 대수(Boolean algebra)의 흡수법칙 (A * (A + B) = A)에 따라, X = A * (A + (B + C)) = A 가 됩니다. 따라서 가장 간략화된 식은 X = A 입니다.

    23

    2017년 17회 소방수리학·약제화학 및 소방전기

    다음 타임차트의 논리식은? (단, A, B, C는 입력, X는 출력이다.)

    ①X = AB'

    ②X = A'B

    ③X = ABC'

    ④X = A'BC'

    문제이미지

    (정답 오류 수정 필요. 타임차트에 맞는 논리식은 X=AB'C' 입니다.) 타임차트를 분석하면 출력 X가 High(1)가 되는 경우는 A=1, B=0, C=0일 때와 A=1, B=0, C=1일 때 입니다. 이를 논리식으로 표현하면 X = AB'C' + AB'C 입니다. 이 식을 간략화하면 X = AB'(C' + C) = AB'(1) = AB' 가 됩니다. (보기에는 AB'C'는 없으나, 간략화한 AB'가 있습니다. 그러나 정답은 1번이 아닌 4번 A'BC'로 되어 있어 타임차트와 정답이 일치하지 않습니다. 타임차트를 기준으로 할 때 가장 근접한 답은 1번입니다.)

    24

    2017년 17회 소방수리학·약제화학 및 소방전기

    콘덴서(condenser)에 축적되는 에너지를 2배로 만들기 위한 방법으로 옳지 않은 것은?

    ①두 극판의 면적을 2배로 한다.

    ②두 극판 사이의 간격을 0.5배로 한다.

    ③두 전극 사이에 인가된 전압을 2배로 한다.

    ④두 극판 사이에 유전율이 2배인 유전체를 삽입한다.

    콘덴서에 축적되는 에너지(W)는 W = (1/2) * C * V² 입니다. 정전용량(C)는 C = ε * (A/d) 입니다. ①, ②, ④는 모두 정전용량(C)를 2배로 만들어 에너지를 2배로 만듭니다. 하지만 ③번처럼 전압(V)을 2배로 하면, 에너지는 V²에 비례하므로 (2)²=4배가 됩니다.

    25

    2017년 17회 소방수리학·약제화학 및 소방전기

    다음은 금속관을 사용한 소방용 옥내배선 그림 기호의 일부분이다. 공사방법으로 옳지 않은 것은?

    HFIX 1.5 (16)

    ①천장은폐배선을 한다.

    ②직경 1.5 ㎜인 전선 4가닥을 사용한다.

    ③내경 16 ㎜인 후강전선관을 사용한다.

    ④저독성 난연 가교 폴리올레핀 절연 전선을 사용한다.

    도면 기호 해석은 다음과 같습니다. HFIX: 저독성 난연 가교 폴리올레핀 절연전선(전선 종류). 1.5: 전선의 공칭단면적(㎟). (16): 전선관의 호칭(내경 mm). 기호에 배선 가닥 수가 명시되어 있지 않습니다. 가닥 수는 보통 전선 종류 앞에 '4C' 등으로 표기하거나 사선(/)으로 표시합니다. 따라서 '4가닥'을 사용한다는 설명은 주어진 정보만으로는 알 수 없어 옳지 않습니다.