모두CBT | 국가고시 실기시험 부시기!

16년 1회.., 해설 페이지

16년 1회..,

    1

    16년 1회..,

    일반적인 자연발화의 방지법으로 틀린 것은

    2

    16년 1회..,

    위험물안전관리법령상 제4류 위험물의 화재에 적응성이 있는 것은

    하지만 물을 작은 입자상태 즉 분무기 형태로 분사를 하게 된다면 소화에 효과가 나타나게 됩니다.

    3

    16년 1회..,

    화학적 소화방법에 해당하는 것은

    1. 냉각소화

    2. 질식소화

    3. 화학적소화

    4. 질식소화

    4

    16년 1회..,

    목조건축물에서 발생하는 옥외출화 시기를 나타낸 것으로 옳은 것은

    -옥외출하-

    ①창·출입구 등에 발염착화한 경우

    ②목재 사용 가옥에서는 벽·추녀 밑의 판자나 목재에 발염착화한 경우

    5

    16년 1회..,

    무창층 여부를 판단하는 개구부로서 갖추어야 할 조건으로 옳은 것은

    화재예방,소방시설 설치 유지 및 안전관리에 관한 법률 시행령(2조)

    개구부

    1.개구부의 크기는 지름50센티미터 이상의 원이 내접할 수있는 크기일 것

    2.해당 층의 바닥면으로부터 개구부 밑부분까지의 높이가 1.2미터 이내일 것

    3도로 또는 차량이 진입할 수 있는 빈터를 향할 것

    4.화재 시 건축물로부터 쉽게 피난할 수 있도록 창살이나 그 밖의 장애물이 설치되지 아니할 것

    6

    16년 1회..,

    건물화재 시 패닉(panic)의 발생원인과 직접적인 관계가 없는 것은

    패닉(Panic)의 발생원인

    (1) 연기의 의한 시계제한.    

    (2) 유독가스에 의한 호흡곤란    

    (3) 외부단절에 의한 고립상태

    7

    16년 1회..,

    화 재 발생 시 주수소화가 적합하지 않은 물질은

    8

    16년 1회..,

    공기 중에서 수소의 연소범위로 옳은 것은

    9

    16년 1회..,

    가연성가스나 산소의 농도를 낮추어 소화하는 방법은?

    10

    16년 1회..,


    이산화탄소(CO2)에 대한 설명으로 틀린 것은

     <문제 해설>

    CO2의 임계 온도는 31.25

    11

    16년 1회..,

    분말 소화약제 중 A급, B급, C급 화재에 모두 사용할 수 있는 것은

    12

    16년 1회..,

    증기비중의 정의로 옳은 것은? (단, 보기에서 분자, 분모의 단위는 모두 g/mol 이다.

    13

    16년 1회..,

    화재발생 시 건축물의 화재를 확대시키는 주요인이 아닌 것은

    14

    16년 1회..,

    위험물안전관리법령상 위험물 유별에 따른 성질이 잘못 연결된 것은?

    제1류 위험물 - 산화성고체

    제2류 위험물 - 가연성고체

    제3류 위험물 - 자연발화성물질 및 금수성물질

    제4류 위험물 - 인화성액체

    제5류 위험물 - 자기반응성물질

    15

    16년 1회..,

    가연성 가스가 아닌 것은

    16

    16년 1회..,

    화재 최성기 때의 농도로 유도등이 보이지 않을 정도의 연기농도는?

    17

    16년 1회..,

    황린의 보관 방법으로 옳은 것은

    18

    16년 1회..,


    공기 중의 산소의 농도는 약 몇 vol% 인가?

    19

    16년 1회..,

    제거소화의 예가 아닌 것은

    1반은 질식소화, 2,3,4번은 제거소화

    20

    16년 1회..,

    제2종 분말 소화약제가 열분해되었을 때 생성되는 물질이 아닌 것은

    21

    16년 1회..,

    저항 6 Ω 과 유도리액턴스 8 Ω 이 직렬로 접속된 회로에 100V의 교류전압을 가할 때 흐르는 전류의 크기는 몇 A인가

    I = V/Z

    Z = 루트(6제곱+8제곱) = 10

    22

    16년 1회..,

    다음과 같은 블록선도의 전달 함수는?

    문제이미지

    23

    16년 1회..,

    콘덴서와 정전유도에 관한 설명으로 틀린 것은

    정전 유도에 의하여 작용하는 힘은 흡인력이다

    24

    16년 1회..,

    그림과 같은 브리지 회로의 평형조건은?

    문제이미지

    마주보고 있는 요소의 곱이 같으면 됨.

    단, 콘덴서의 경우에는 분모가됨.

    R2XR3 =L /C1 식을 정리하면

    L=R2R3C1

    25

    16년 1회..,

    작동 신호를 조작량으로 변환하는 요소이며, 조절부와 조작부로 이루어진 것은?

    26

    16년 1회..,

    어떤 측정계기의 참값을 T, 지시값을 M 이라 할 때 보정율과 오차율이 옳은 것은

    (1)오차=측정값-참값=M-T

    (2)오차율=오차/참값=(측정값-참값)/참값=(M-T)/T

    (3)보정(값)=참값-측정값=T-M

    (4)보정율=보정값/측정값=(참값-측정값)/측정값=(T-M)/M

    27

    16년 1회..,

    R=9 Ω, XL = 10 Ω, XC = 5 Ω 인 직렬부하회로에 220V 의 정현파 전압을 인가시켰을 때의 유효 전력은 약 몇 kW 인가

    유효전력:P=I*2R

    I=V/Z

    Z=루트R*2+(L-C)*2

    I=220/10,295

    =21,37

    P=(21,37)*2 × 9

    =4110

      4,1KW

    28

    16년 1회..,

    논리식을 간략화한 것 중 그 값이 다른 것은

    문제이미지

    1.AB+AB'=A*(B+B')=A*1=A

    2.A(A'+B)=(A*A')+(A*B)=0+(A*B)=A*B

    3.A(A+B)=(A*A)+(A*B)=A+(A*B)=(A*1)+(A*B)=A*(1+B)=A*1=A

    4.(A+B)*(A+B')=A+(B*B')=A+0=A

    29

    16년 1회..,

    금속이나 반도체에 압력이 가해진 경우 전기저항이 변화하는 성질을 이용한 압력센서는?

    30

    16년 1회..,

    변압기의 내부고장 보호에 사용되는 계전기는 다음 중 어느 것인가?

    비율 차동 계전기 : 변압기 보호용 계전기로 보호구간에 유입되는 전류와 유출되는 전류의 벡터차,출입하는 전류의 비율로 작동하는 계전기이다.

    31

    16년 1회..,

    알칼리 축전지의 음극 재료는

    연축전지 - 이산화연 - 연

    알칼리축전지 - 수산화니켈 - 카드뮴

    32

    16년 1회..,

    PNPN 4층 구조로 되어 있는 사이리스터 소자가 아닌 것은

    33

    16년 1회..,

    미지의 임의 시간적 변화를 목표값에 제어량을 추종시키는 것을 목적으로 하는 제어는

    1. 추종제어 : 목표값이 임의로 변화하는 제어로 서보기구

    2. 정치제어 : 목표값이 시간적으로 변화하지 않고 일정한 제어

    3. 비율제어 : 시간에 따라 비례하여 변화

    4. 프로그래밍제어 : 목표값의 변화가 미리 정해진 신호에 따라 동작

    34

    16년 1회..,

    무한장 솔레노이드 자계의 세기에 대한 설명으로 틀린 것

    1.환상솔레노이드에 의한 자계의 세기

    내부H=NI/l=NI/2파이r[AT/m], 외부H=0[AT/m]

    2.무한장 솔레노이드에 의한 자계의 세기

    내부H=nI[AT/m], 외부H=0[AT/m]

    *무한장 솔레노이드 내부자장은 평등자장이다.

    여기서, 내부H:솔레노이드 내부 자계의 세기, 외부H:솔레노이드 외부 자계의 세기

          N:코일 권수, I:전류[A], l:솔레노이드 길이[m]

          r:솔레노이드 평균반지름[m], n:단위길이당 권수

    35

    16년 1회..,

    저항 R1 , R2 와 인덕턴스 L이 직렬로 연결된 회로에서 시정수[sec] 는

    문제이미지

    R-L 직렬시 시정수 τ : L/R(이 문제에선 R1+R2

    36

    16년 1회..,

    아날로그와 디지털 통신에서 데시벨의 단위로 나타내는 SN비를 올바르게 풀어 쓴 것은

    SN비 >> 신호대 잡음비(Signal To Noise)

    37

    16년 1회..,


    분류기를 써서 배율을 9로 하기 위한 분류기의 저항은 전류계 내부저항의 몇 배인가

    분류기 공식 사용

    I2/I1 = 1 + r(내부저항)/Rm(분류기저항)

    1. 조건 : 배율은 9배

    2. 가정 : 내부저항을 1로 두면

    Rm = 1/8일때 I2/i1 = 1 + 1 / (1/8) = 9

    38

    16년 1회..,

    전지의 자기 방전을 보충함과 동시에 상용 부하에 대한 전력 공급은 충전기가 부담하도록 하되, 충전기가 부담하기 어려운 일시적인 내전류 부하는 축전지로 하여금 부담하게 하는 충전방식은

    1.보통충전 : 필요할 때마다 표준시간율로 충전하는 방식

    2.급속충전 : 보통 충전전류의 2배의 전류로 충전하는 방식

    3.부동충전 : 전지의 자기방전을 보충함과 동시에 사용부하에 대한 전력공급은 충전기가 부담하되 부담하기 어려운

                일시적인 대전류부하는 축전지가 부담하도록 하는 방식

              - 축전지와 부하를 충전기에 병렬로 접속한다

    4.균등충전 : 1~3개월 마다 1회 정전압으로 충전하는 방식

    5.세류충전 : 자기방전량만 항상 충전하는 방식, 트리클충전이라고도 함

    39

    16년 1회..,


    그림과 같은 R-C 필터회로에서 리플 함유율을 가장 효과적으로 줄일 수 있는 방법은?

    문제이미지

    R-C 필터회로는 R과 C를 직렬로 배치한 회로로 리플 함유율을 줄이기 위해 R,C값을 크게 해야된다

    40

    16년 1회..,

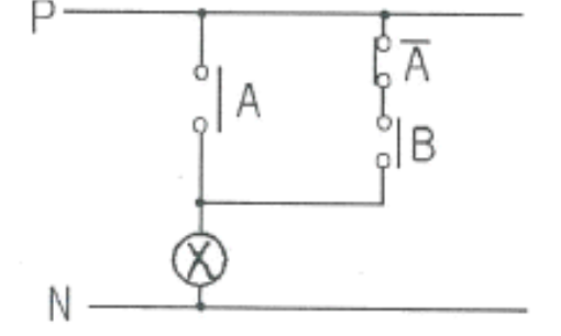
    그림과 같은 릴레이 스퀀스회로의 출력식을 간략화한 것은

    문제이미지

    직류 곱하기 병렬 더하기

    A+(a^XB) =  흡수법칙  x+xy = x+y

    정답은 A+B

    41

    16년 1회..,


    특정소방대상물의 관계인이 소방안전관리자를 해임한 경우 재선임 신고를 해야 하는 기준은?

    42

    16년 1회..,

    시·도지사가 설치하고 유지·관리하여야 하는 소방용수시설이 아니 것은?

    43

    16년 1회..,

     )안의 내용으로 알맞은 것은

    문제이미지

    44

    16년 1회..,

    소방시설의 자체점검에 관한 설명으로 옳지 않은 것은

    45

    16년 1회..,


    소방시설공사의 착공신고 시 첨부서류가 아닌 것은


    <문제 해설>

    송방시설공사업규칙 12조

    공사업자의 소방시설공사업 등록증 사본1부 및 등록수첩 사본1부

    2. 기술관리하는 기술인력의 기술등급을 증명하는 서류1부

    2. 소방시설공사 계약서 사본1부

    [해설작성자 : 김딱콩]


    설계가 끝나고 착공이 들어가니까 설계한 기술인력자 확인하기는 늦었음

    46

    16년 1회..,

    소방시설공사업자의 시공능력평가 방법에 대한 설명 중 틀린 것은

    47

    16년 1회..,

    시·도의 조례가 정하는 바에 따라 지정수량 이상의 위험물을 임시로 저장·취급할 수 있는 기간 (㉠)과 임시저장 승인권자 (㉡)는

    위험물안전관리법 제5조

    2항  시도의 조례가 정하는 바에 따라 관할소방서장의 승인을 받아 지정수량이상의 위험물을 90일이내의 기간동안 임시로 저장 또는 취급하는경우

    48

    16년 1회..,

    연면적이 500m2 이상인 위험물 제조소 및 일반취급소에 설치하여야 하는 경보설비는?

    1.연면적 500m2 이상인것, 옥내에서 지정수량의 100배 이상을 취급하는 것 - 자동화재탐지설비

    2.지정수량의 10배 이상을 저장 또는 취급하는것 - 자동화재탐지설비,비상경보설비,확성장치,비상방송설비

    49

    16년 1회..,

    소방서의 종합상황실 실장이 서면 모사전송 또는 컴퓨터통신 등으로 소방본부의 종합상황실에 보고하여야 하는 화재가 아닌 것은

    4.재산피해액이 50억원 발생한 일반화재

    50

    16년 1회..,

    소방시설업의 등록권자로 옳은 것은?

    소방시설공사업법 제4조


    특정소방대상물의 소방시설공사등을 하려는자는 대통령령으로 정하는 요건을 갖추어 특별시장 광역시장 특별자치시장에게 소방시설업을 등록해야한다.

    51

    16년 1회..,

    제3류 위험물 중 금수성 물품에 적응성이 있는 소화약제는

    금수성 위험물적응 소화약제

    - 탄산수소염류분말, 마른 모래, 팽창질석 또는 팽창진주암

    52

    16년 1회..,

    .소방시설관리업의 등록을 반드시 취소해야 하는 사유에 해당하지 않는 것은

    2번 - 등록을 취소하거나 6개월 기간을 정하여 이의 시정이나 영업의정지를 명할수 있다

    53

    16년 1회..,

    가연성가스를 저장·취급하는 시설로서 1급 소방안전관리대상물의 가연성가스 저장·취급 기준으로 옳은 것은

    1급 소방안전관리대상물(아파트,지하구,위험물제조소 등, 동식물원 제외)

    1.연면적15,000m2이상인 것

    2.11층 이상

    3.가연성 가스를 1,000t이상 저장취급하는 시설

    54

    16년 1회..,

    소방기본법상 소방용수시설·소화기구 및 설비등의 설치명령을 위반한 자의 과태료는

    200만원 이하의 과태료를 부과

    1. 소방용수시설, 소화기구 및 설비 등의 설치 명령을 위반한 자

    2. 불을 사용할 때 지켜야 하는 사항 및 같은 조 제2항에 따른 특수가연물의 저장 및 취급 기준을 위반한 자

    3. 한국119청소년단 또는 이와 유사한 명칭을 사용한 자

    4. 소방자동차의 출동에 지장을 준 자

    5. 특수가연물의 저장 및 취급 기준을 위반한 자

    55

    16년 1회..,

    방염처리업의 종류가 아닌 것은

    방염처리업의 방염처리시설 및 시험기기 기준

    섬유류 방염업

    합성수지류 방염업

    합판목재류 방염업

    56

    16년 1회..,

    자동화재탐지설비를 설치하여야 하는 특정소방 대상물의 기준으로 틀린 것은

     2.지하가 중 터널로서 길이 1000m 이상인 것

    57

    16년 1회..,

    소방용수시설 저수조의 설치기준으로 틀린 것은?

    58

    16년 1회..,

    화재현장에서 피난 등을 체험할 수 있는 소방체험관의 설립 · 운영권자는?

    "시"도지사 - 소방"체"험관 운영 (시체)

    "소"방청장 - 소방"박"물관 운영 (수박)

    59

    16년 1회..,

    화재의 예방 및 안전관리에 관한 법령상 관리의 권원이 분리된 특정소방대상물의 기준으로 틀린것은

    60

    16년 1회..,

    종합점검의 경우 점검인력 1단위가 하루 동안 점검할 수 있는 특정소방대상물의 연면적 기준으로 옳은 것은?

    종합점검 - 면적 8000 / 아파트250세대 / 보조 인력 추가 +2000

    작동점검 - 면적 10000 / 아파트250세대 / 보조 인력 추가 + 2500

    61

    16년 1회..,

    비상방송설비의 특징에 대한 설명으로 틀린 것은

    비상방송설비의 축전지는 감시상태를 60분간 지속한 후 유효하게 10분 이상 경보할 수 있어야 한다.

    62

    16년 1회..,

    자동화재탐지설비의 수신기 설치기준에 관한 사항 중, 최소 몇 층 이상의 특정소방대상물에는 발신기와 전화통화가 가능한 수신기를 설치하여야 하는가

    63

    16년 1회..,

    지하층을 제외한 층수가 11층 이상의 층에서 피난층에 이르는 부분의 소방시설에 있어 비상 전원을 60분 이상 유효하게 작동시킬 수 있는 용량으로 하여야 하는 설비들로 옳게 나열된 것은

    * 피난설비 (유도등설비, 비상조명등설비)

    1. 작동시간 60분 이상 : 지하층을 제외한 층 수가 11층 이상, 지하층 또는 무창층 용도 (도소매시장,여객자동차터미널,지하역사,지하상가)

    2. 작동시간 20분 이상 : 그 외

    64

    16년 1회..,

    화재안전기준에서 정하고 있는 연기감지기를 설치하지 않아도 되는 장소는

    30m미만의 복도 제외

    65

    16년 1회..,

    누전경보기의 수신부 설치 제외 장소로 틀린 것은

    누전 경보기의 수신부 설치 제외 장소

    1. 습도가 높은 장소

    2. 온도 변화가 급격한 장소

    3. 대전류 회로, 고주파 발생 회로 등에 따른 영향을 받을 우려가 있는 장소

    4. 가연성 증기, 먼지, 가스 등이나 부식성의 증기,가스 등이 다량으로 체류하는 장소

    5. 화약류를 제조하거나 저장 또는 취급하는 장소

    66

    16년 1회..,

    상용전원이 서로 다른 소방시설은

    비상방송설비 : 전원은 전기가 정상적으로 공급되는 축전지, 전기저장장치(외부 전기에너지를 저장해 두었다가 필요한 때 전기를 공급하는 장치) 또는 교류전압의 옥내 간선으로 하고, 전원까지의 배선은 전용으로 할 것

    기타설비 : 옥내소화전설비에는 그 특정소방대상물의 수전방식에 따라 다음 각 호의 기준에 따른 상용전원회로의 배선을 설치하여야 한다.

    67

    16년 1회..,


    노유자시설로서 바닥면적이 몇 m2 이상인 층이 있는 경우에 자동화재속보설비를 설치하는가

    68

    16년 1회..,

    경계구역에 관한 다음 내용 중 ( )안에 맞는 것은?

    문제이미지

    69

    16년 1회..,

    절연저항시험에 관한 기준에서 ( )에 알맞은 것은

    문제이미지

    70

    16년 1회..,

    축광표지의 식별도시험에 관련한 기준에서 ( )에 알맞은 것은?

    문제이미지

    축광 위치 표지 20m, 유도표지 3m

    71

    16년 1회..,

    환경상태가 현저하게 고온으로 되어 연기감지기를 설치할 수 없는 건조실 또는 살균실 등에 적응성 있는 열감지기가 아닌 것은

    72

    16년 1회..,

    누전경보기의 화재안전기준에서 규정한 용어, 설치방법, 전원 등에 관한 설명으로 틀린 것은

    변류기는 소방 대상물의 형태, 인입선의 시설 방법 등에 따라 옥외 인입선의 한 지점, 부하측 또는 제2종 접지선 측에 점검이 쉬운 위치에 설치하여야 한다

    73

    16년 1회..,

    누전경보기에서 감도조정장치의 조정범위는 최대 몇 mA인가?

    1A -> 1000mA

    74

    16년 1회..,

    자동화재탐지설비의 GP형 수신기에 감지기 회로의 배선을 접속하려고 할 때 경계구역이 15개인 경우 필요한 공통선의 최소 개수는?

    공통선의 수 = 경계구역 / 7 = 15 / 7 =2.1 절상 3

    75

    16년 1회..,


    무선통신보조설비에 대한 설명으로 틀린 것은

    누설동축케이블 또는 동축케이블의 임피던스는 50 Ω 의 것으로 한다

    76

    16년 1회..,

    비상방송설비가 기동장치에 의한 화재신고를 수신한 후 필요한 음량으로 화재발생 상황 및 피난에 유효한 방송이 자동으로 개시될 때까지의 소요시간은 최대 몇 초 이하인가

    77

    16년 1회..,

    지하층으로서 특정소방대상물의 바닥부분 중 최소 몇 면이 지표면과 동일한 경우에 무선통신 보조설비의 설치를 제외할 수 있는가

    78

    16년 1회..,

    무창층의 도매시장에 설치하는 비상조명등용 비상전원은 당해 비상조명등을 몇 분 이상 유효하게 작동시킬 수 있는 용량으로 하여야 하는가

    79

    16년 1회..,

    청각장애인용 시각경보장치는 천장의 높이가 2m 이하인 경우 천장으로부터 몇 m 이내의 장소에 설치해야 하는가?

    청각장애인용 시각경보장치설치기준

    - 복도,통로,청각장애인용 객실 및 공용으로 사용하는 거실에 설치하며, 각 부분으로부터 유효하게 경보를 발할 수 있는 위치에 설치할 것

    - 공연장 집회장 관람장 또는 이와 유사한 장소에 설치하는 경우에는 시선이 집중되는 무대부 부분 등에 설치할 것

    - 설치 높이는 바닥으로부터 2m 이상 2.5m 이하의 장소에 설치할 것, 다만 천장의 높이가 2m 이하인 경우에는 천장으로부터 0.15m 이내의 장소에 설치하여야 한다

    80

    16년 1회..,

    신호의 전송로가 분기되는 장소에 설치하는 것으로 임피던스 매칭과 신호 균등분배를 위해 사용되는 장치는

    1.분배기 - 임피던스 매칭과 신호 균등분배

    2.혼합기 - 두 개 이상의 입력신호를 원하는 비율로 조합한 출력 발생

    3.증폭기 - 신호 수신 불가능을 방지하기 위한 증폭장치

    4.분파기 - 서로 다른 주파수의 합성된 신호를 분리