모두CBT | 국가고시 실기시험 부시기!

16년 2회. 해설 페이지

16년 2회.

    1

    16년 2회.

    위험물안전관리법상 위험물의 지정수량이 틀린것은

    탄화알루미늄- 300kg

    2

    16년 2회.

    블레비(BLEVE) 현상과 관계가 없는 것은

    3

    16년 2회.

    화재 발생 시 인간의 피난 특성으로 틀린 것은

    4

    16년 2회.

    에스테르가 알칼리의 작용으로 가수분해 되어 알코올과 산의 알칼리염이 생성되는 반응은

    비누화 현상

    에스테르가 알칼리에 의해 가수분해되어 알코올과 산의 알칼리염이 되는 반응으로 주방의 식용유 화재시에 나트륨이 기름을 둘러싸 외부와 분리시켜 질식소화 및 재발화 억제효과를 나타낸다

    5

    16년 2회.

    건축물이 내화구조 바닥이 철근콘크리트조 또는 철골철근콘크리트조인 경우 두께가 몇 cm 이상이어야 하는가?

    6

    16년 2회.

    스테판-볼쯔만의 법칙에 의해 복사열과 절대온도와의 관계를 옳게 설명한 것은

    7

    16년 2회.

    물을 사용하여 소화가 가능한 물질은

    8

    16년 2회.

    연쇄반응을 차단하여 소화하는 약제

    9

    16년 2회.

    화재의 종류에 따른 표시 색 연결이 틀린 것은

    일반화재(A급) : 백색

    유류, 가스화재(B급) : 황색

    전기화재(C급) : 청색

    금속화재(D급) : 무색

    10

    16년 2회.

    제4류 위험물의 화재시 사용되는 주된 소화방법은

    제4류 위험물 소화방법

    포말,CO2,할로겐화합물,분말 소화약제에 의한 질식소화(수용성 액체는 내알코올용포로 소화)

    11

    16년 2회.

    화씨 95도를 켈빈(Kelvin)온도로 나타내면 약 몇 K인가?

    K=+273+섭씨온도  F=1.8*섭씨온도+32

    95F=1.8*섭씨온도+32

    섭씨온도=35

    K=273+35=308

    12

    16년 2회.

    .소화기구는 바닥으로부터 높이 몇 m 이하의 곳에 비치하여야 하는가? (단, 자동소화장치를 제외한다.

    소형소화기: 보행거리 20m 이내 마다 설치

    대형소화기: 보행거리 30m 이내 마다 설치

    특정소방대상물의 각 층이 2 이상의 거실로 구획된 경우 바닥면적이 33m 이상으로 구획된 각 거실에도 배치할 것.

    소화기구는 바닥으로부터 높이 1.5m 이하의 곳에 비치한다.

    13

    16년 2회.

    증발잠열을 이용하여 가연물의 온도를 떨어뜨려 화재를 진압하는 소화방법은

    14

    16년 2회.

    폭굉(Detonation)에 관한 설명으로 틀린 것은

    15

    16년 2회.

    제1종 분말 소화약제의 열분해 반응식으로 옳은 것은?

    16

    16년 2회.

    굴뚝효과에 관한 설명으로 틀린 것은

    굴뚝효과는 고층건물에서 주로 나타남

    17

    16년 2회.

    말소화약제 중 담홍색 또는 황색으로 착색하여 사용하는 것은

    1.탄산수소나트륨 : 백색

    2.탄산수소칼륨 : 담회색

    3.인산암모늄 : 담홍색(황색)

    4.탄산수소칼륨+요오드 : 회색

    18

    16년 2회.


    화재 및 폭발에 관한 설명으로 틀린 것은

    메탄가스는 공기보다 가벼우므로 가스 탐지부는 가스기구의 직상부에 설치한다

    19

    16년 2회.

    위험물에 관한 설명으로 틀린 것은


    <문제 해설>

    1. 물로소화할 수 없다 -> 물로 소화할 수 있다

    20

    16년 2회.

    알킬알루미늄 화재에 적합한 소화약제는

    21

    16년 2회.

    제어계가 부정확하고 신뢰성은 없으나 출력과 입력이 서로 독립인 제어계는

    2. 개회로 제어계

      제어계가 부정확하고 신뢰성은 없으나 출력과 입력이 서로 독립인 제어계

    22

    16년 2회.


    제어량을 어떤 일정한 목표값으로 유지하는 것을 목적으로 하는 제어방식은

    ① 정치제어 - 목표값이 시간적으로 변화하지 않고 일정한 제어.

    ② 추종제어 - 임의로 변화하는 제어로 서보기구.

    ③ 비율제어 - 목표값이 다른 것과 일정 비율 관계를 가지고 변화하는 경우의 제어

    23

    16년 2회.

    서로 다른 두 개의 금속도선 양끝을 연결하여 폐회로를 구성한 후, 양단에 온도차를 주었을 때 두 접점사이에서 기전력이 발생하는 효과

    두금속 열->전기발생 = 제어벡

    두금속 전기->열발생 = 펠티에

    한금속            = 톰슨

    24

    16년 2회.

    일정전압의 직류전원에 저항을 접속하고 전류를 흘릴 때 전류의 값을 20% 감소시키기 위한 저항값은 처음의 몇 배인가


    <문제 해설>

    R = E/I 에서 저항과 전류는 반비례

    따라서 R ∝ 1/I  

    R ∝ 1/ 0.8

    R = 1.25

    25

    16년 2회.

    제어량을 조절하기 위하여 제어 대상에 주어지는 양으로 제어부의 출력이 되는 것은

    26

    16년 2회.


    변압기의 내부회로 고장검출용으로 사용되는 계전기는

    27

    16년 2회.

    단상 반파정류회로에서 출력되는 전력은?

    출력전력은 입력전압의 제곱에 비례한다

    28

    16년 2회.

    100Ω인 저항 3개를 같은 전원에 △결선으로 접속할 때와 Y 결선으로 접속할 때, 선전류의 크기의 비는

    29

    16년 2회.

    한 조각의 실리콘 속에 많은 트랜지스터, 다이오드, 저항 등을 넣고 상호배선을 하여 하나의 회로에서의 기능을 갖게 한 것은

    30

    16년 2회.

    변류기에 결선된 전류계가 고장이 나서 교환하는 경우 옳은 방법은

    31

    16년 2회.

    단상변압기 권수비 a = 8이고, 1차 교류전압은 110V 이다. 변압기 2차 전압을 단상 반파 정류회로를 이용하여 정류했을 때 발생하는 직류전압의 평균치는 약 몇 V 인가?

    a= V1/V2

    V2= V1/a

    110/8= 13.75V

    Eav= 0.45×E

    0.45x13.75= 6.1875V

    32

    16년 2회.

    전류에 의한 자계의 세기를 구하는 법칙은

    쿨롱의 법칠: 전기력의 크기

    패러데이의 법칙: 유도기전력의 크기

    렌츠의 법칙: 유도기전력의 방향

    33

    16년 2회.

    공기 중에 1×10-7C의 (+)전하가 있을 때, 이 전하로부터 15cm의 거리에 있는 점의 전장의 세기는 몇 V/m 인가?

    F=9*10^9*Q/r^2 = 9*10^9*1*10^(-7)/0.15^2 = 4*10^4

    34

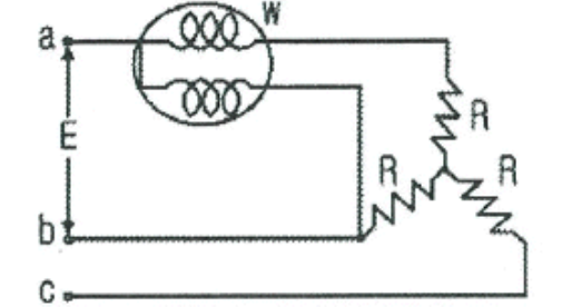
    16년 2회.

    선간전압 E[V]의 3상 평형전원에 대칠 3상 저항부하 R[Ω]이 그림과 같이 접속되었을 때 a, b 두 상간에 접속된 전력계의 지시값이 W[W]라면 C상의 전류는 몇 A 인가

    문제이미지

    그림은 1전력계법이다.

    1. P=W1+W2

    2. W1=W2=W

    3. P=W+W=2W

    4. I=2W/√3E (1전력계법)

    [해설작성자 :  hsjung79]

    35

    16년 2회.

    그림과 같은 회로에서 2Ω에 흐르는 전류는 몇 A인가? (단, 저항의 단위는 모두 Ω이다.)

    문제이미지

    전체저항: 1.8+(2*3)/(2+3)=3옴

    전체전류: 6/3=2A

    2옴에 흐르는 전류: 3/(2+3)*2A=1.2A

    36

    16년 2회.


    논리식 Xㆍ(X+Y)를 간략화 하면?

    = XX+XY

    = X+XY

    = X(Y+1)

    = X

    37

    16년 2회.

    단상 변압기 3대를 △결선하여 부하에 전력을 공급하고 있는데, 변압기 1대의 고장으로 V결선을 한 경우 고장 전의 몇 % 출력을 낼 수 있는가?

    △결선과 V결선의 출력비

    Pv      √3VpIpcosΘ      √3

    ----  = -------------- = ------ = 0.577 = 57.7%

    P△      3VpIpcosΘ        3

    38

    16년 2회.

    그림과 같은 다이오드 논리회로의 명칭은

    문제이미지

    외우는? 방법: 다이오드가 왼쪽은 AND, 오른쪽은 OR(오, 오), 각각에 TR이 붙으면 NAND, NOR

    39

    16년 2회.

    i=50sin⍵t인 교류전류의 평균값은 약 몇 A 인가

    순시값 i = Im sin wt 인데 어려울거 없습니다.

    순시값이라는게 순간순간 값이 변한다는 걸 의미합니다. 이 말은 1초일때 전압,전류의 값과 2초일때 전압,전류의 값이 다르단걸 의미합니다.

    여기서 Im 은 최대값이고 sin은 사인파를 그린다는 의미입니다. wt 즉 오메가 t에서 오메가는 각속도입니다.


    문제에서 50은 전류의 최대값이고.. 평균값은 2 * Im / π 인데.. 계산기 두드려보면 나오겠지만

    평균값은 최대값의 약 64%쯤 되고 실효값은 최대값의 약 70%쯤 됩니다.

    그럼 암산으로도 얼추 근사치를 알수 있습니다

    40

    16년 2회.

    그림과 같은 계전기 접점회로를 논리식으로 나타내면?

    문제이미지

    41

    16년 2회.

    연소 우려가 있는 건축물의 구조에 대한 기준중 다음 보기 (㉠),(㉡)에 들어갈 수치로 알맞은 것은

    문제이미지

    외벽으로부터의 수평거리가 1층은 6m 이하, 2층 이상에서는 10m 이하인 경우로서 개구부가 서로 다른 건축물을 향하여 설치된 구조를 말하며,  건축 및 소방법에 정의되어 있다

    42

    16년 2회.

    위험물 제조소에서 저장 또는 취급하는 위험물에 따른 주의사항을 표시한 게시판 중 화기엄금을 표시하는 게시판의 바탕색은

    43

    16년 2회.


    다음 중 자동화재탐지설비를 설치해야 하는 특정소방대상물은

    1. 터널 : 길이 1,000m 이상, (정답)

    2. 목욕장, 문화 및 집회시설. 운동시설 : 1,000제m2

    3. 근린생활시설, 위락시설, 숙박시설, 의료시설, 복합건축물/장례식장 : 600m2

    4. 특수가연물 저장/취급 : 500배 이상

    44

    16년 2회.

    소방요수시설 중 저수조 설치 시 지면으로부터 낙차 기준은

    45

    16년 2회.

    소방시설업 등록사항의 변경신고 사항이 아닌 것은

    46

    16년 2회.

    다음 중 그 성질이 자연발화성 물질 및 금수성물질인 제3류 위험물에 속하지 않는 것은

    47

    16년 2회.

    옥내주유취급소에 있어서 당해 사무소 등의 출입구 및 피난구와 당해 피난구로 통하는 통로ㆍ계단 및 출입구에 설치해야 하는 피난설비는

    48

    16년 2회.

    완공된 소방시설 등의 성능시험을 수행하는 자는


    <문제 해설>

    [감리의 업무]

    1.소방시설등의 설치계획표의 적법성 검토

    2.완공된 소방시설등의 성능시험

    3.소방시설등 설계도서의 적합성 검토

    4.소방시설등 설계 변경 사항의 적합성 검토

    4.소방용품의 위치, 규격 및 사용 자재의 적합성 검토

    49

    16년 2회.

    소방본부장 또는 소방서장이 소방특별조사를 하고자 하는 때에는 며칠 전에 관계인에게 서면으로 알려야 하는가

    50

    16년 2회.

    소방시설공사업자가 소방시설공사를 하고자 하는 경우 소방시설공사 착공신고서를 누구에게 제출해야 하는가

    51

    16년 2회.


    소방의 역사와 안전문화를 발전시키고 국민의 안전위식을 높이기 위하여 ㉠소방박물관과 ㉡소방체험관을 설립 및 운영할 수 있는 사람은

    52

    16년 2회.

    다음 중 위험물별 성질로서 틀린 것은

    53

    16년 2회.

    도시의 건물 밀집지역 등 화재가 발생할 우려가 높거나 화재가 발생하는 경우 그로 인하여 피해가 클 것으로 예상되는 일정한 구역을 화재예방강화지구로 지정할 수 있는 권한을 가진 사람은?

    54

    16년 2회.


    1급 소방안전관리대상물의 소방안전관리에 관한 시험응시 자격자의 기준으로 옳은 것은

    55

    16년 2회.

    화재예방, 소방시설 설치ㆍ유지 및 안전관리에 관한 법률상 소방시설 등에 대한 자체점검 중 종합정밀점검 대상기준으로 옳지 않은 것

    가. 종합정밀점검은 다음의 어느 하나에 해당하는 특정소방대상물을 대상으로 한다.

    1) 스프링클러설비가 설치된 특정소방대상물

    2) 물분무등소화설비[호스릴(Hose Reel) 방식의 물분무등소화설비만을 설치한 경우는 제외한다]가 설치된 연면적 5,000m2 이상인 특정소방대상물(위험물 제조소등은 제외한다)

    3) 「다중이용업소의 안전관리에 관한 특별법 시행령」 제2조제1호나목, 같은 조 제2호(비디오물소극장업은 제외한다)·제6호·제7호·제7호의2 및 제7호의5의 다중이용업의 영업장이 설치된 특정소방대상물로서 연면적이 2,000m2 이상인 것

    4) 제연설비가 설치된 터널

    5) 「공공기관의 소방안전관리에 관한 규정」 제2조에 따른 공공기관 중 연면적(터널·지하구의 경우 그 길이와 평균폭을

    곱하여 계산된 값을 말한다)이 1,000m2 이상인 것으로서 옥내소화전설비 또는 자동화재탐지설비가 설치된 것. 다만, 「소방기본법」 제2조제5호에 따른 소방대가 근무하는 공공기관은 제외한다.

    56

    16년 2회.

    보일러 등의 위치ㆍ구조 및 관리와 화재예방을 위하여 불의 사용에 있어서 지켜야 하는 사항 중 보일러에 경유ㆍ등유 등 액체연료를 사용하는 경우에 연료탱크는 보일러 본체로부터 수평거리 최소 몇 m 이상의 간격을 두어 설치해야 하는가

    57

    16년 2회.

    위력을 사용하여 출동한 소방대의 화재진압ㆍ인명구조 또는 구급활동을 방해하는 행위를 한 자에 대한 벌칙 기준은

    58

    16년 2회.

    형식승인을 얻어야 할 소방용품이 아닌 것은

    59

    16년 2회.

    특정소방대상물의 근린생활시설에 해당되는 것

    60

    16년 2회.

    신축ㆍ증축ㆍ개축ㆍ재축ㆍ대수선 또는 용도변경으로 해당 특정소방대상물의 소방안전관리자를 신규로 선임하는 경우 해당 특정소방대상물의 관계인은 특정소방대상물의 완공일로부터 며칠 이내에 소방안전관리자를 선임하여야 하는가

    61

    16년 2회.

    무선통신보조설비의 화재안전기준에서 사용하는 용어의 정의로 옳은 것은

    혼합기- 두 개 이상의 입력신호를 원하는 비율로 조합한 출력이 발생하도록 하는 장치

    분파기- 주파수의 합성된 신호를 분리하기 위해 사용

    분배기- 신호의 전송로가 분기되는 장소에서 설치, 임피던스 매칭과 신호균등분배를 위해 사용

    62

    16년 2회.

    자동화재속보설비 속보기의 예비전원을 병렬로 접속하는 경우 필요한 조치는?

    63

    16년 2회.

    비상벨설비 또는 자동식사이렌설비에 사용하는 벨 등의 음향장치의 설치기준이 틀린 것은?

    음향장기의 설치기준

    전원:교류전압 옥내간선,전용

    정격전압:80%전압에서 음향 발할 것

    음량:1m 위치에서 90dB이상

    지구음향장치:층마다 설치,수평거리 25m이하

    64

    16년 2회.

    비상콘센트설비의 화재안전기준에서 정하고 있는 저압의 정의는

    65

    16년 2회.

    부착높이가 6m 이고 주요구조부를 내화구조로 한 특정소방대상물 또는 그 부분에 정온식 스포트형감지기 특종을 설치하고자 하는 경우 바닥면적 몇 m2 마다 1개 이상 설치해야 하는가?

    4m 이상 8m 미만 특종 정온식스포트형 35m^2

    66

    16년 2회.

    누전경보기의 수신부의 설치 장소로서 옳은 것은

    67

    16년 2회.

    상방송설비는 기동장치에 의한 화재신고를 수신한 후 필요한 음량으로 화재발생상황 및 피난에 유효한 방송이 자동으로 개시될 때까지의 소요시간은 몇 초 이하가 되도록 하여야 하는가?

    68

    16년 2회.

    자동화재탐지설비 감지기의 구조 및 기능에 대한 설명으로 틀린 것은

    차동식분포형 감지기 - 5°

      스포트형 감지기  - 45

    69

    16년 2회.

    자동화재탐지설비의 연기복합형 감지기를 설치할 수 없는 부착높이는?

    70

    16년 2회.


    3종 연기감지기의 설치기준 중 다음 ( )안에 알맞은 것으로 연결된 것은

    문제이미지

    연기감지기 1종,2종 보행거리 30m, 수직거리: 15m

                3종 보행거리 20m  수직거리: 10m

    71

    16년 2회.

    비상방송설비의 배선에 대한 설치기준으로 틀린 것은?

    비상방송설비 화재안전기준 제5조 배선

        ① 화재로 인하여 하나의 층의 확성기 또는 배선이 단락/단선되어도 다른 층의 화재통보에 지장이 없도록 할 것

        ② 전원회로의 배선은 옥내소화전설비의 화재안전기준 별표1에 따른 내화배선에 따른다.

        ③ 전원회로의 전로와 대지 사이 및 배선상호간의 절연저항은「전기사업법」제67조에 따른 기술기준이 정하는 바에 따르고, 부속회로의 전로와 대지 사이 및 배선 상호간의 절연저항은 1경계구역마다 직류 250V의 절연저항측정기를 사용하여 측정한 절연저항이 0.1MΩ 이상

        ④ 배선은 다른 전선과 별도의 관/덕트/몰드/풀박스 등에 설치(단, 60V 미만의 약전류회로에 사용하는 전선으로서 각각의 전압이 같을 때는 제외)

    72

    16년 2회.

    무선통신보조설비의 설치기준으로 틀린 것은

    누설동축케이블 및 공중선은 고압의 전로로부터 1.5m 이상 떨어진 위치에 설치한다

    73

    16년 2회.

    누전경보기의 수신부의 절연된 충전부와 외함간의 절연저항은 DC 500V의 절연저항계로 측정하는 경우 몇 MΩ 이상이어야 하는가

    ㅇ 절연저항 정리

      1. 0.1옴: 3개있음(키워드: 250V, 1경계구역)

      2. 5옴: 6개있음

      3. 20옴: 3개있음(키워드:자속,비경,비콘, 교류입력측과 외함,절연된 충전부와 외함간)

    74

    16년 2회.

    지상 4층인 교육연구시설에 적응성이 없는 피난기구는?

    미끄럼대는 3층

    미끄럼대랑 피난용트랩이 함정문제로 나올 가능성이 높음

    75

    16년 2회.

    대형피난구유도등의 설치장소가 아닌 것은

    76

    16년 2회.

    비상콘센트설비의 전원회로에서 하나의 전용회로에 설치하는 비상콘센트는 최대 몇 개 이하로 하여야 하는가

    하나의 전용회로에 설치하는 비상콘센트는 10개 이하로 할 것. 이 경우 전선의 용량은 각 비상콘센트(비상콘센트가 3개 이상인 경우에는 3개)의 공급용량을 합한 용량 이상의 것으로 해야 한다

    77

    16년 2회.

    비상조명등의 설치제외 장소가 아닌 것은?

    78

    16년 2회.


    1개 층에 계단참이 4개 있을 경우 계단통로 유도등은 최소 몇 개 이상 설치해야 하는가?

    1. 각층의 경사로참 또는 계단참마다(1개층에 경사로참 또는 계단참이 2 이상 있는 경우에는 2개의 계단참마다)설치

    2. 바닥으로부터 높이 1m 이하의 위치에 설치


    따라서, 4/2 = 2 개 설치해야함

    79

    16년 2회.

    바닥면적이 450m2일 경우 단독경보형감지기의 최소 설치계수는

    1. 각 실(이웃하는 실내의 바닥면적이 각각 30m2 미만이고 벽체의 상부의 전부 또는 일부가 개방되어 이웃하는 실내와 공기가 상호유통되는 경우에는 이를 1개의 실로 본다)마다 설치하되, 바닥면적이 150m2를 초과하는 경우에는 150m2마다 1개 이상 설치할 것

    80

    16년 2회.

    누전경보기의 정격전압이 몇 V를 넘는 기구의 금속제 외함에는 접지단자를 설치해야 하는가


    0.5v 이하 : 누전경보기의 경계전로 전압강하

    0.6v 이하 : 완전방전

    60v 이하 : 접지단자 설치

    300v이하 : 전원변압기의 1차전압. 유도등,비상조명등의 사용전압

    600v이하 : 누전경보기의 경계전로전압