모두CBT | 국가고시 실기시험 부시기!

16년 3회 해설 페이지

16년 3회

    1

    16년 3회

    청정소화약제 중 HCFC-22를 82% 포함하고 있는 것은?

    HCFC-123(CHCL2CF3):4.75%

    HCFC-22(CHCIF2):82%

    HCFC-124

    C10H16:3.75%

    2

    16년 3회

    니트로셀룰로오스에 대한 설명으로 틀린 것은?

    질화도 : 니트로셀룰로오스의 질소함유율.(질화도가 클수록 위험성이 크다.

    3

    16년 3회

    화재실 혹은 화재공간의 단위바닥면적에 대한 등가가연물량의 값을 화재하중이라 하며 식으로 표시할 경우에는 Q=∑(Gt ㆍ Ht)/H ㆍ A와 같이 표현할 수 있다. 여기에서 H는 무엇을 나타내는가

    Q :화재하중

    Gt:가연물의 양(kg)

    Ht:가연물의 단위발열량(kcal/kg)

    H:목재의 단위발열량(kcal/kg)

    A:바닥면적

    4

    16년 3회

    위험물안전관리법상 위험물의 적재 시 혼재기중 혼재가 가능한 위험물로 짝지어진 것은? (단, 각 위험물은 지정수량의 10배로 가정한다.

    질산칼륨(1류)+가솔린(4류)

    과산화수소(6류)+황린(3류)

    철분(2류)+유기과산화물(5류)

    등유(4류)+과염소산(6류)

    5

    16년 3회

    자연발화의 예방을 위한 대책이 아닌 것은

    열전도성이 나쁘면

    열의 축적이 쉬워 자연발화의 가능성이 높아집니다

    6

    16년 3회

    제1종 분말소화약제인 탄산수소나트륨은 어떤색으로 착색되어 있는가?

    7

    16년 3회

    밀폐된 내화건물의 실내에 화재가 발생했을 때 그 실내의 환경변화에 대한 설명 중 틀린 것은?

    기압이 상승한다

    8

    16년 3회

    할로겐 화합물 소화설비에서 Halon 1211 약제의 분자식은

    9

    16년 3회

    조연성가스로만 나열되어 있는 것은?

    가연성 가스 : 수소, 메탄, 일산화탄소, 천연가스, 부탄, 에탄

    조연성 가스(지연성 가스) : 산소, 공기, 염소, 오존, 불소

    10

    16년 3회


    다음 중 제거소화 방법과 무관한 것은

    유류화재시 가연물을 포로 덮는다. 의 내용은 제거소화가 아닌 질식소화 이다

    11

    16년 3회

    실내에서 화재가 발생하여 실내의 온도가 21℃에서 650℃로 되었다면, 공기의 팽창은 처음의 약 몇 배가 되는가? (단, 대기압은 공기가 유동하여 화재 전후가 같다고 가정한다.)

    스테판-볼츠만의 법칙

    - 복사에너지는 면적에 비례하고 절대온도의 4승에 비례한다.

    (21+273  )4  ( 650+273 )4

    (------- )  : (---------)  = 1 : X

    (  100  )    (  100  )


    x=3.14

    12

    16년 3회

    연기에 의한 감광계수가 0.1m-1, 가시거리가 20~30m일 때의 상황을 옳게 설명한 것은

    감광계수 / 가시거리 / 상황

    0.1 / 20~30 / 연기감지기가 작동할 때의 농도

    0.3 /  5  / 건물내부에 익숙한 사람이 피난에 지장을 느낄정도의 농도

    0.5 /  3  / 어두운 것을 느낄 정도의 농도

      1 /  1~2  / 앞이 거의 보이지 않을 정도의 농도

    10 /0.2~0.5/ 화재 최성기 때의 농도

    30 /  -  / 출화실에서 연기가 분출할 때의 농도

    13

    16년 3회

    물의 물리ㆍ화학적 성질로 틀린 것은

     산소결합 → 수소결합

    14

    16년 3회

    다음 중 증기비중이 가장 큰 것은

    2402 > 1211 > 104 > 1301

    15

    16년 3회

    보일 오버(Boil over)현상에 대한 설명으로 옳은 것은

    보일오버 : 탱크저부의 물이 급격히 증발하여 기름이 탱크 밖으로 화재를 동반하여 방출하는 현상

    16

    16년 3회

    건축물의 화재성상 중 내화건축물의 화재성상으로 옳은 것은

    - 내화건축물 : 저온장기형

    - 목재건축물 : 고온단기형

    17

    16년 3회

    정전기에 의한 발화과정으로 옳은 것은

    18

    16년 3회

    피난계획의 일반원칙 중 Fool proof 원칙에 해당하는 것은

    19

    16년 3회

    칼륨에 화재가 발생할 경우에 주수를 하면 안되는 이유로 가장 옳은 것은?

    20

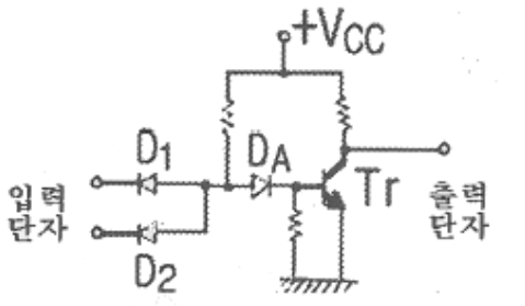
    16년 3회

    분말소화약제의 열분해 반응식 중 다음 ( )안에 알맞은 화학식은

    문제이미지

    21

    16년 3회

    전원과 부하가 다같이 △결선된 3상 평형회로가 있다. 전원전압이 200V, 부하 1상의 임피던스가 4+j3Ω인 경우 선전류는 몇 A 인가

    22

    16년 3회

    온도 측정을 위하여 사용하는 소자로서 온도-저항 부특성을 가지는 일반적인 소자는

    23

    16년 3회

    자기장 내에 있는 도체에 전류를 흘리면 힘이 작용한다. 이 힘을 무엇이라고 하는가

    전자력 : 자기장 내에 있는도체에 전류를 흘릴때 작용하는 힘

    자속 : 자극에서 나오는 전체의 자기력선의 수

    기전력 : 전류를 연속해서 흘리기 위해 전압을 연속적으로 만들어 주는 힘

    전기력 : 전하를 갖고 있는 물체 사이에 작용하는 힘

    24

    16년 3회

    히스테리시스 곡선의 종축과 횡축은?

    히스테리시스는 4가지로 끝내자

    횡축(가로) : 자계  / 만나는거 보자력

    종축(세로) : 자계밀도 / 만나는거 잔류자기

    25

    16년 3회

    4단자 정수 A=5/3, B=800, C=1/450, D=5/3 일 때 영상 임피던스 Z01과 Z02는 각각 몇 Ω인가

    Z01 = 루트 (AB/CD)

    Z02 = 루트 (DB/CA)


    Z01, Z02 차이점은A,D 자리만 바꿈

    26

    16년 3회


    200Ω의 저항을 가진 경종 10개와 50Ω의 저항을 가진 표시등 3개가 있다. 이들을 모두 직렬로 접속할 때의 합성저항은 몇 Ω인가

    저항이 모두 직렬연결이므로

    200Ω * 10 + 50Ω * 3 = 2150Ω

    27

    16년 3회

    그림과 같은 무접점회로는 어떤 논리회로인가

    문제이미지

    다이오드 왼쪽 + TR = NAND

    28

    16년 3회

    지시계기에 대한 동작원리가 틀린 것은

    열전형 계기 - 금속선의 팽창

    29

    16년 3회


    다음 중 쌍방향성 사이리스터인 것은?

    단방향 소자(역저지):SCR.LASCR.GTO.SCS

    양방향 소자(쌍방향):SSS.TRIAC.DIAC

    30

    16년 3회

    .SCR의 양극 전류가 10A 일 때 게이트 전류를 반으로 줄이면 양극 전류는 몇 A 인가

    SCR = 처음에는 게이트전류에 의해 양극전류가 변화되다가 일단 완전 도통상태가 되면 게이트전류에 관계없이 양극 전류는 더이상 변화하지 않는다. 따라서 게이트젼류를 반으로 줄이거나 2배 늘려도 양극전류는 변화가 없다.

    31

    16년 3회

    어떤 측정계기의 지시값을 M, 참값을 T라 할 때 보정율은

    문제이미지

    오차율: 오차는 참이 기준  (참-오차)/참

    보정율: 보정은 오차 기준  (오차-참)/오차

    32

    16년 3회

    자기인덕턴스 L1, L2 가 각각 4mH, 9mH 인 두 코일이 이상적인 결합이 되었다면 상호인덕턴스는 몇 mH인가? (단, 결합계수는 1 이다.)

    풀이 : 상호인덕턴스

    M = K*√(L1*L2)  - - - (이상적인 결합이므로 K = 1)

    = 1*√(4*9)

    = 6[mH]

    33

    16년 3회

    국제 표준 연동 고유저항은 몇 Ωㆍm인가

    연동 1/58×10^(-6)

    경동 1/55×10^(-6)

    알루미늄 1/35^(-6)

    34

    16년 3회

    도너(donor)와 억셉터(acceptor)의 설명 중 틀린 것은

    N형 반도체의 불순물이 도너이고, P형 반도체의 불순물이 억셉터 이다.

    35

    16년 3회

    변압기의 철심구조를 여러 겹으로 성층시켜 사용하는 이유는 무엇인가

    히스테리시스손 : 규소강판

    와류손 : 성층결선

    36

    16년 3회

    자동제어계를 제어목적에 의해 분류한 경우를 설명한 것 중 틀린 것은

    37

    16년 3회


    V=141sin377t[V]인 정현파 전압의 주파수는 몇 Hz인가

    =141sin377t[V] 에서 377=2πf 이므로

    주파수 f = 377 / 2π

    f = 60.00141354.....

    주파수는 약 60㎐

    38

    16년 3회

    그림과 같은 정류회로에서 부하 R에 흐르는 직류전류의 크기는 약 몇 A인가? (단, V=200V, R=20√2Ω이며, 이상적인 다이오드이다

    문제이미지

    다이오드 1개를 사용한 단상반파정류회로 이므로 0.45

    200/20√2= 5√2

    5√2×0.45≒3.2A

    39

    16년 3회

    계단변화에 대하여 잔류편차가 없는 것이 장점이며, 간헐현상이 있는 제어계는

    비례제어:잔류편차가 있는 제어

    비례적분제어:간헐현상이 있는제어,잔류편차가 없는 제어

    비례적분미분제어:적분제어로 잔류편차를 제거하고,미분제어로 응답을 빠르게 하는 제어

    40

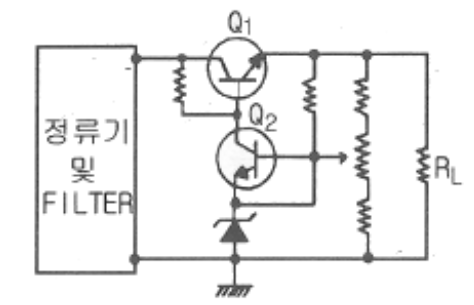
    16년 3회

    그림과 같은 트랜지스터를 사용한 정전압회로에서 Q1의 역할로서 옳은 것은

    문제이미지

    Q1 제어용

    Q2 증폭용

    41

    16년 3회

    소방시설공사업법상 소방시설업 등록신청 신청서 및 첨부서류에 기재되어야 할 내용이 명확하지 아니한 경우 서류의 보완 기간은 며칠 이내인가

    등록:시도지사에게하며 15일이내 협회를 거쳐 발급함

    제출:협회에게하며 10일이내 보완하게 할수있음

    재발급:시도지사가 3일이내 협회를 거쳐 재발급함

    42

    16년 3회

    제2류 위험물의 품명에 따른 지정수량의 연결이 틀린 것은

    가연성 고체

    100Kg : 황화린, 적린, 유황

    500Kg : 철분 금속분 마그네슘

    1000Kg : 인화성 고체

    43

    16년 3회

    특정소방대상물 중 의료시설에 해당되지 않는 것은

    44

    16년 3회

    소방용품의 형식승인을 반드시 취소하여야 하는 경우가 아닌 것

    45

    16년 3회

    위험물 제조소 게시판의 바탕 및 문자의 색으로 올바르게 연결된 것은

    46

    16년 3회

    소방기본법상 소방용수시설의 저수조는 비면으로부터 낙차가 몇 m 이하가 되어야 하는가

    지면으로부터 낙차가 4.5m이하

    흡수부분의 수심이 0.5m이상

    흡수과느이 투입구가 사각형의 경우에는 한변의 길이가 60cm이상

    47

    16년 3회

    화재예방, 소방시설 설치ㆍ유지 및 안전관리에 관한 법률에 따른 소방안전관리 업무를 하지 아니한 특정소방대상물의 관계인에게는 몇 만원 이하의 과태료를 부과하는가

    48

    16년 3회

    소방시설 설치 및 관리에 관한 법령에 따른 소방시설관리업자로 선임된 소방시설관리사 및 소방기술사는 자체점검을 실시한 경우 그 점검이 끝난 날부터 며칠 이내에 소방시설 등 자체점검 실시결과 보고서를 관계인에게 제출해야 하는가

    소방시설공사업법 시행규칙 제 23조에

    자체점검이 끝난 날 부터 10일이내 관계인에게 제출

    관계인은 자체점검이 끝난날 15일 이내 소방본부장, 서장에게 제출

    49

    16년 3회

    고형알코올 그 밖에 1기압 상태에서 인화점이 40℃ 미만인 고체에 해당하는 것은?

    50

    16년 3회

    소방기본법상의 벌칙으로 5년이하의 징역 또는 3000만원 이하의 벌금에 해당하지 않는 것은?

    51

    16년 3회

    일반 소방시설 설계업(기계분야)의 영업범위는 공장의 경우 연면적 몇 m2미만의 특정소방대상물에 설치되는 기계분야 소방시설의 설계에 한하는가

    일반 소방시설설계업

    - 아파트

    - 연면적 30000m2 (공장 10000m2)미만

    - 위험물 제조소 등

    52

    16년 3회

    .소방본부장이 소방특별조사위원회 위원으로 임명하거나 위촉할 수 있는 사람이 아닌 것은

    - 과장급 직위 이상 소방공무원

    - 소방기술사, 소방시설관리사

    - 소방관련 석사학위 이상

    - 소방관련 업무에 5년 이상 종사

    - 소방공무원 교육기관 교육, 연구 5년 이상 종사

    53

    16년 3회

    교육연구시설 중 학교 지하층은 바닥면적의 합계가 몇 m2이상인 경우 연결살수설비를 설치해야 하는가

    54

    16년 3회

    소방체험관의 설립ㆍ운영권자는

    55

    16년 3회

    위험물안전관리법상 행정처분을 하고자 하는 경우 청문을 실시해야 하는 것은

    56

    16년 3회

    소방장비 등에 대한 국고보조 대상사업의 범위와 기준보조율은 무엇으로 정하는가

    57

    16년 3회

    하자보수 대상 소방시설 중 하자보수 보증기간이 2년이 아닌 것은

    소화기관련은 3년 나머지 2년

    자탐3년 무통2년

    58

    16년 3회

    정기점검의 대상인 제조소등에 해당하지 않는 것

    59

    16년 3회

    소방용수시설 중 소화전과 급수탑의 설치기준으로 틀린 것은

    급수배관의 구경은 100mm 이상으로 하고 개폐밸브는 지상에서 1.5m 미터 이상 1.7미터 이하의 위치에 설치하도록 할 것

    60

    16년 3회

    소화난이도등급 I의 제조소등에 설치해야 하는 소화설비기준 중 유황만을 저장ㆍ취급하는 옥내탱크저장소에 설치해야 하는 소화설비

    61

    16년 3회

    통로유도등의 설치기준 중 틀린 것은?

    -거실의 통로에 설치, 단 거실의 통로가 벽체 등으로

    구획된 경우에는 복도통로유도등을 설치하여야 한다.

    62

    16년 3회

    비상콘센트설비의 전원회로의 공급용량은 최소 몇 kVA 이상인 것으로 설치해야 하는가

    구분        전압      공급용량        플러그접속기

    -------------------------------------------------

    단상교류      220V      1.5KVA 이상      접지형 2극

    -------------------------------------------------

    3상교류      380V      3KVA 이상        접지형 3극

    63

    16년 3회

    비상조명등 비상점등 회로의 보호를 위한 기준중 다음 ( )안에 알맞은 것은

    문제이미지

    64

    16년 3회

    .무선통신보조설비의 누설동축케이블 및 공중선은 고압의 전류로부터 1.5m 이상 떨어진 위치에 설치해야 하나 그렇게 하지 않아도 되는 경우는

    6. 누설동축케이블 및 공중선은 고압의 전로로부터 1.5m 이상 떨어진 위치에 설치할 것. 다만, 당해 전로에 정전기 차폐장치를 유효하게 설치한 경우에는 그러하지 아니한다.

    65

    16년 3회

    유도등의 전기회로에 점멸기를 설치할 수 있는 장소에 해당되지 않는 것은? (단, 유도등은 3선식 배선에 따라 상시 충전되는 구조이다.

    66

    16년 3회

    각 실별 실내의 바닥면적이 25m2인 4개의 실에 단독경보형감지기를 설치 시 몇 개의 실로 보아야 하는가

    67

    16년 3회

    피난기구 중 다수인 피난장비의 설치기준 중 틀린 것은?

    중첩되지 않도록 할 것

    68

    16년 3회

    누전경보기 수신부의 기능검사 항목이 아닌 것은?

    누전경보기 시험항목

    -전원전압 변동시험, 온도특성시험, 과입력 전압시험, 개폐기의 조작시험, 반복시험, 진동시험, 충격시험, 방수시험, 절연저항 시험, 절연내력 시험, 충격파 내전압시험, 단락전류 강도시험

    69

    16년 3회

    아파트형 공장의 지하 주차장에 설치된 비상방송용 스피커의 음량조정기 배선방식은

    70

    16년 3회

    공동주택 4층 이상 10층 이하에 적응성이 있는 피난기구는?(단, 공동주택은 공동주택 관리법 시행령 제 2조의 규정에 해당하는 공동주택이다

    71

    16년 3회

    감지기의 설치기준 중 부착높이 20m이상에 설치되는 광전식 중 아날로그장식의 감지기는 공칭감지농도 하한값이 감광율 몇 %/m 미만인 것으로 하는가?

    아날로그 방식

    - 공칭감지농도 하한값이 감광률 5[%/m] 미만

    72

    16년 3회

    연기감지기 설치 시 천장 또는 반자부근에 배기구가 있는 경우에 감지기의 설치위치로 옳은 것은

    1.복도 및 통로는 보행거리 30m(3종은 20m)마다 1개 이상으로 할 것

    2.계단 및 경사로는 수직거리 15m(3종은 10m)마타 1개이상으로 할 것

    3.천장 또는 반자가 낮은 실내 또는 좁은 실내는 출입구의 가까운 부분에 설치할 것

    4.천장 또는 반작 부근에 배기구가 있는 경우네는 그분근에 설치할 것

    5.감지기는 벽 또는 보로부터 0.6m이상 떨어진 곳에 설치할 것

    73

    16년 3회

    자동화재탐지설비 배선의 설치기준 중 다음 ( )안에 알맞은 것은?

    문제이미지

    74

    16년 3회


    누전경보기의 변류기는 경계전로에 정격전류를 흘리는 경우 그 경계전로의 전압강하는 몇 V 이하여야 하는가?

    0.5v 이하:누전경보기의 경계전로 전압강하

    0.6v 이하:완전방전

    60v 이하:접지단자 설치

    300v이하:전원변압기의 1차전압. 유도등,비상조명등의 사용전압

    600v이하:누전경보기의 경계전로전압

    75

    16년 3회

    무선통신보조설비 증폭기의 설치기준으로 틀린 것은?

    증폭기 전면에는 표시등 및 전압계를 설치한다

    76

    16년 3회

    비상콘센트의 배치는 아파트 또는 바닥면적이 1000m2 미만인 층은 계단의 출입구로부터 몇 m 이내에 설치해야 하는가?

    .11층 이상의 각 층마다 설치

    2.바닥으로부턱0.8m이상 1.5m이하의 위치에 설치

    3.바닥면적 기준

    바닥면적 1000m2 미만: 계단의 출입구로부터 5미터 이내 설치

    바닥면적 1000m2 이상: 계단부속실의 출입구로부터 5미터 이내 설치

    77

    16년 3회

    비상방송설비는 기동장치에 따른 화재신고를 수신한 후 필요한 음량으로 화재발생 상황 및 피난에 유효한 방송이 자동으로 개시될 때까지의 소요시간은 몇 초 이하여야 하는가?

    비상방송설비 10초

    중계기 5초

    가스누설경보기 60초

    78

    16년 3회

    누전경보기 음향장치의 설치위치로 옳은 것은?

    79

    16년 3회

    광전식 분리형감지기의 설치기준 중 틀린 것은?

    광축은 나란한 벽으로부터 0.6m 이상 이격하여야 한다

    80

    16년 3회

    자동화재속보설비 속보기의 구조에 대한 설명 중 틀린 것은

    속보기는 다음 각 호의 회로방식을 사용하지 아니하여야 한다.

    가. 접지전극에 직류전류를 통하는 회로방식

    나. 수신기에 접속되는 외부배선과 다른 설비(화재신호의 전달에 영향을 미키지 아니하는 것은 제외한다)의 외부배선을 공용으로 하는 회로방식