모두CBT | 국가고시 실기시험 부시기!

19년 2회. 해설 페이지

19년 2회.

    1

    19년 2회.

    목조건축물의 화재 진행상황에 관한 설명으로 옳은 것은?

    2

    19년 2회.

    연면적이 1000m2 이상인 건축물에 설치하는 방화벽이 갖추어야 할 기준으로 틀린 것은?

    방화벽이 양쪽 끝과 위쪽 끝을 건축물의 외벽면 및 지붕면으로부터 0.5m이상 튀어 나오게 할 것

    3

    19년 2회.

    화재의 일반적 특성으로 틀린 것은?

    4

    19년 2회.

    공기의 부피 비율이 질소 79%, 산소 21%인 전기실에 화재가 발생하여 이산화탄소 소화약제를 방출하여 소화하였다. 이때 산소의 부피농도가 14%이었다면 이 혼합 공기의 분자량은 약 얼마인가? 

    소의 부피농도 : 14%

    이산화탄소 체적 = ((21-O2)/21)*100 = ((21-14)/21)*100 = 33.3[%]

    질소의 체적 = 100-산소부피농도-이산화탄소체적 = 100-14-33.3 = 52.7[%]

    공기의 분자량 = (산소분자량*산소농도)+(이산화탄소분자량*이산화탄소농도)+(질소분자량*질소농도)

                  = (32*0.14)+(44*0.33)+(28*0.53) = 33.84 = 33.9

    5

    19년 2회.

    다음 가연성 기체 1몰이 완전 연소하는데 필요한 이론공기량으로 틀린 것은? (단, 체적비로 계산하며 공기 중 산소의 농도를 21 vol.%로 한다

    1. 수소 반응식 : 2H2 + O2 -> 2H2O 에서 수소 1몰에 필요한 산소는 0.5몰

      따라서 0.5/0.21 = 2.38몰

    2. 메탄 반응식 : CH4 + 2O2 -> 2H2O + CO2 에서 메탄(CH4) 1몰에 필요한 산소는 2이므로

      2/0.21 = 9.52몰

    3. 아세틸렌 반응식 : 2C2H2 + 5O2 -> 2H2O + 4CO2 에서 아세틸렌(C2H2) 1몰에 필요한 산소는 2.5몰이므로

      2.5/0.21 = 11.90몰

    4. 프로판 반응식 : C3H8 + 5O2 -> 4H2O + 3CO2 에서 프로판(C3H8) 1몰에 필요한 산소는 5몰이므로

      5/0.21 = 23.81몰

    6

    19년 2회.

    물의 소화능력에 관한 설명 중 틀린 것

    물의 융해잠열은 소화능력과 관련이 없음

    7

    19년 2회.


    화재실의 연기를 옥외로 배출시키는 제연방식으로 효과가 가장 적은 것은

    8

    19년 2회.

    분말 소화약제의 취급시 주의사항으로 틀린 것은

    9

    19년 2회.

    건축물의 화재를 확산시키는 요인이라 볼 수 없는 것은

    10

    19년 2회.

    석유, 고무, 동물의 털, 가죽 등과 같이 황성분을 함유하고 있는 물질이 불완전연소될 때 발생하는 연소가스로 계란 썩는 듯한 냄새가 나는 기체는

    11

    19년 2회.

    다음 중 동일한 조건에서 증발잠열(kJ/kg)이 가장 큰 것은?

    물의 증발잠열 : 약 539cal/g이다

    12

    19년 2회.

    탱크화재 시 발생되는 보일오버(Boil Over)의 방지방법으로 틀린 것

    13

    19년 2회.

    화재 시 CO2를 방사하여 산소농도를 11 vol.%로 낮추어 소화하려면 공기 중 CO2의 농도는 약 몇 vol.% 가 되어야 하는가


    <문제 해설>

    co2= 21-O/21x100

      = (21-11)/21x100=47.61

    14

    19년 2회.

    물 소화약제를 어떠한 상태로 주수할 경우 전기화재의 진압에서도 소화능력을 발휘할 수 있는가

    (1) 봉상 주수 - 일반 화재

    (2) 적상 주수 - 일반 화재

    (3) 무상 주수 - 일반 화재, 유류 화재, 전기 화재

    15

    19년 2회.

    도장작업 공정에서의 위험도를 설명한 것으로 틀린 것은

    16

    19년 2회.

    방호공간 안에서 화재의 세기를 나타내고 화재가 진행되는 과정에서 온도에 따라 변하는 것으로 온도-시간 곡선으로 표시할 수 있는 것은

    ※ 화재 가혹도

    : 방호 공간 안에서 화재의 세기

    17

    19년 2회.


    다음 위험물 중 특수인화물이 아닌 것은

    18

    19년 2회.

    다음 중 가연물의 제거를 통한 소화 방법과 무관한 것은

    3번은 질식소화

    19

    19년 2회.

    화재 표면온도(절대온도)가 2배로 되면 복사에너지는 몇 배로 증가 되는가

    절대온도 ^4에 비례

    20

    19년 2회.

    산불화재의 형태로 틀린 것은

    수관화 - 나뭇가지부터 연소하는 형태

    21

    19년 2회.

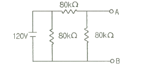
    그림과 같은 회로에서 A-B 단자에 나타나는 전압은 몇 V 인가

    문제이미지

    전압분배 법칙으로 처음 양쪽으로

    각각 120 V가 입력(병렬)

    이후 전압강하법칙(직렬)으로 같은저항이므로 120÷2 이므로

    60 임

    22

    19년 2회.

    부궤환 증폭기의 장점에 해당되는 것은

    부궤환증폭기장점

    1안정도증가

    2주파수특성개선

    3대역폭증가

    4이득이안정

    5내부잡음감소

    23

    19년 2회.

    전기기기에서 생기는 손실 중 권선의 저항에 의하여 생기는 손실은

    권선 저항에 의해 생기는 손실을 동손이라고 합니다. 동손은 전기기기에서 발생하는 손실 중 하나로, 선로에서도 발생합니다

    24

    19년 2회.

    그림과 같은 무접점회로는 어떤 논리회로인가

    문제이미지

    Da를 기준으로 왼쪽과 오른쪽으로 나누어 해석

    왼쪽 And

    오른쪽 Not

    즉 not(D1 And D2) => Nand 게이트

    드모르간 불필요 => not D1 + not D2


    반도체 회로의 해석

    And 게이트 :

    D1과 D2 모두 5V            => Vcc와 동일 전압이므로 전류=0    => Da=Vcc-RI=Vcc =5V

    D1과 D2 중 하나라도 0V 이면 => Vcc보다 낮은 전압이므로 전류≠0 => Da=0.7V ≒0V


    Not 게이트

    Da가 5V                    => 베이스 전압이 있으므로 Ic≠0    => 출력 =0.7V ≒0V

    Da가 0V                    => 베이스 전압이 없으므로 Ic=0    => 출력 =Vcc-RI=Vcc =5V

    25

    19년 2회.

    열감지기의 온도감지용으로 사용하는 소자는

    26

    19년 2회.

    그림과 같은 회로에서 각 계기의 지시값이 Ⓥ는 180V, Ⓐ는 5A, W는 720W 라면 이 회로의 무효전력(Var)은?

    문제이미지


    <문제 해설>

    피상전력= 루트(유효전력^2 + 무효전력^2)

            = VI

    무효전력= 루트(피상전력^2 - 유효전력^2)


    피상전력=VI  180X5=900

    무효적력=루트 피상전력2-유효전력2 루트 9002-7202=540Var

    [해설작성자 : 쌍쌍기사]

    27

    19년 2회.

    정현파 신호 sin t 의 전달함수는?

    문제이미지

    sinwt=w/s^2+w^2

    w=1이므로 1/s^2+1

    w=각소도(오메가

    28

    19년 2회.

    제어량이 압력, 온도 및 유량 등과 같은 공업량일 경우의 제어는

    29

    19년 2회.

    SCR를 턴온시킨 후 게이트 전류를 0으로 하여도 온(ON)상태를 유지하기 위한 최소의 애노드 전류를 무엇이라 하는가?

    SCR을 턴온시킨 후 게이트전류를 0으로 하여도 온 상태를 유지하기 위한 최소의 애노드 전류를 래칭전류라고 한다.

    ! SCR과 관련된 전류는 래칭전류 !

    30

    19년 2회.

    인덕턴스가 1H인 코일과 정전용량이 0.2μF인 콘덴서를 직렬로 접속할 때 이 회로의 공진주파수는 약 몇 Hz인가?

    공진주파수 f = 1/(2π√LC)

    31

    19년 2회.

    단상 반파정류회로에서 교류 실효값 220V를 정류하면 직류 평균전압은 약 몇 V인가? (단, 정류기의 전압강하는 무시한다.)

    단상반파정류회로의 최대값과 실효값

    V(AVG) = 0.318 X V(MAX) = 0.45 X V

    단상전파정류회로의 최대값과 실효값

    V(AVG) = 0.45 X V(MAX) = 0.9 X V

    32

    19년 2회.

    .논리식 

    를 간단히 하면?

    문제이미지

    (X+X바)*(X+Y)

    =  1 * (X+Y)

    = X+Y

    33

    19년 2회.

    온도 t℃에서 저항이 R1, R2이고 저항의 온도계수가 각각 α1, α2 인 두 개의 저항을 직렬로 접속했을 때 합성저항 온도계수는

    문제이미지

    기본 온도 t 합성 저항

    Rs0≡R1+R2


    상승 온도 t+d 합성 저항

    Rst

        =R1(1+a1*d)+R2(1+a2*d)

        =R1+R1*a1*d+R2+R2*a2*d


    이는 합성 저항과 합성 온도계수와 같아야 한다.

    Rst

        =Rst(1+at*d)

        =Rst+RST*at*d

        =R1+R2+(R1+R2)*at*d


    두 식을 비교하면

    Rst

        =R1+R1*a1*d+R21+R2*a2*d

        =R1+R2+(R1+R2)*at*d


    양변에 R1+R2+와 *d는 소거

        R1*a1+R2*a2

        =(R1+R2)*at


    이항하면

        (R1*a1+R2*a2)/(R1+R2)

        =at

    34

    19년 2회.

    단상전력을 간접적으로 측정하기 위해 3전압계법을 사용하는 경우 단상 교류전력 P(W)는

    문제이미지

    암기 포인트 1.

    가장 왼쪽에 있는놈이 가장 먼저 나와야합니다.

    V3가 가장 왼쪽에 있지 않습니까?


    암기 포인트 2.

    전력을 구하는 공식을 생각해봅시다

    전압 : V^2 / R

    전류 : I^2 * R


    그래서 전압계로 나오면 저항이 분모로 갑니다.

    전류계로 나오면 저항이 분자로 갑니다.


    암기 포인트 3.

    무조건 2가 나눠져 있습니다.


    이 3가지만 기억하면 손쉽게 접근할 수 있습니다.

    35

    19년 2회.

    그림과 같은 RL직렬회로에서 소비되는 전력은 몇 W 인가

    문제이미지


    <문제 해설>

    P=VICOSΦ=I^2R

    =(200/5)^2*4

    =6400

    36

    19년 2회.

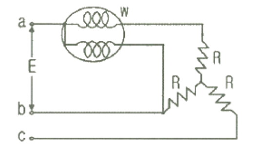
    선간전압 E(V)의 3상 평형전원에 대칭 3상 저항부하 R(Ω)이 그림과 같이 접속되었을 때 a, b 두 상간에 접속된 전력계의 지시값이 W(W)라면 C상의 전류는?

    문제이미지

    Ic = E/루트3*R


    측정된 부분 전력 W = E^2/2R

    위의 식에서 E/R = 2W/E

    전류 Ic식에 대입하면, Ic = 2W/루트3*E

    37

    19년 2회.

    교류전력변환장치로 사용되는 인버터회로에 대한 설명으로 옳지 않은 것은

    교류직권전동기

    38

    19년 2회.

    다이오드를 사용한 정류회로에서 과전압방지를 위한 대책으로 가장 알맞은 것은?

    다이오드 접속

    직렬=과전압보호

    병렬=과전류보호

    39

    19년 2회.

    이미터 전류를 1mA 증가시켰더니 컬렉터 전류는 0.98mA 증가되었다. 이 트랜지스터의 증폭률 β는

    증폭률(베타)=IC/IB=IC/IE-IC=0.98/(1-0.98)= 49

    * IB=IE-IC

    40

    19년 2회.

    저항이 4Ω, 인덕턴스가 8mH인 코일을 직렬로 연결하고 100V, 60Hz 인 전압을 공급할 때 유효전력은 약 몇 kW 인가

    Z = root( R^2 + X^2 )

    X = XC + XL

    XL = 2πfL = 2*π*60*( 8*10^(-3) ) = 3.015 [ohm]

    Z = root( 4^2 + 3^2 ) = 5 [ohm]


    P = VIcosθ = ( V^2 / Z )*( R / Z ) = ( 100^2 / 5 )*( 4 / 5 ) = 1.6 [kW

    41

    19년 2회.

    소방본부장 또는 소방서장은 건축허가등의 동의요구 서류를 접수한 날부터 최대 며칠 이내에 건축허가등의 동의여부를 회신하여야 하는가? (단, 허가 신청한 건축물은 지상으로부터 높이가 200m인 아파트이다

    42

    19년 2회.

    소방기본법령상 소방활동구역의 출입자에 해당되지 않는 자는

    43

    19년 2회.

    소방기본법상 화재 현상에서의 피난 등을 체험할 수 있는 소방체험관의 설립·운영권자는

    44

    19년 2회.

    산화성고체인 제1류 위험물에 해당되는 것은

    45

    19년 2회.

    소방시설관리업자가 기술인력을 변경하는 경우, 시·도지사에게 제출하여야 하는 서류로 틀린 것은

    46

    19년 2회.

    소방대라 함은 화재를 진압하고 화재, 재난·재해 그 밖의 위급한 상황에서 구조·구급 활동 등을 하기 위하여 구성된 조직체를 말한다. 소방대의 구성원으로 틀린 것은

    47

    19년 2회.

    소방기본법령상 인접하고 있는 시·도간 소방업무의 상호응원협정을 체결하고자 할 때, 포함되어야 하는 사항으로 틀린 것은

    48

    19년 2회.

    화재예방, 소방시설 설치·유지 및 안전관리에 관한 법령상 건축허가등의 동의를 요구한 기관이 그 건축허가등을 취소하였을 때, 취소한 날부터 최대 며칠 이내에 건축물 등의 시공지 또는 소재지를 관할하는 소방본부장 또는 소방서장에게 그 사실을 통보하여야 하는가

    1.5일이내 동의여부회신(특급10일이내)

    2.4일이내 제출서류보완

    3.7일이내 건축허가 취소

    4.지체없이 용도변경신고 수리

    49

    19년 2회.


    다음 중 300만원 이하의 벌금에 해당되지 않는 것은?

    완공검사 미검사자 - 200만원 이하의 과태료

    50

    19년 2회.

    화재예방, 소방시설 설치·유지 및 안전관리에 관한 법령상 특정소방대상물 중 오피스텔은 어느 시설에 해당하는가?

    51

    19년 2회.

    화재예방, 소방시설 설치·유지 및 안전관리에 관한 법령상, 종사자 수가 5명이고, 숙박시설이 모두 2인용 침대이며 침대수량은 50개인 청소년 시설에서 수용인원은 몇 명인가

    52

    19년 2회.

    다음 중 중급기술자에 해당하는 학력·경력 기준으로 옳은 것은?(2022년 12월 30일 변경된 규정 적용됨

    중급기술자

    ㆍ박사학위를 취득한 사람

    ㆍ석사학위를 취득한 후 2년 이상 소방 관련 업무를 수행한 사람

    ㆍ학사학위를 취득한 후 5년 이상 소방 관련 업무를 수행한 사람

    ㆍ전문학사학위를 취득한 후 8년 이상 소방 관련 업무를 수행한 사람

    ㆍ고등학교 소방학과를 졸업한 후 10년 이상 소방 관련 업무를 수행한 사람

    ㆍ고등학교[제1호나목 2)부터 6)까지에 해당하는 학과]를 졸업한 후 12년 이상 소방 관련 업무를 수행한 사람

    53

    19년 2회.


    지정수량의 최소 몇 배 이상의 위험물을 취급하는 제조소에는 피뢰침을 설치해야 하는가?

    54

    19년 2회.

    소방특별조사 결과 소방대상물의 위치·구조·설비 또는 관리의 상황이 화재나 재난·재해 예방을 위하여 보완될 필요가 있거나 화재가 발생하면 인명 또는 재산의 피해가 클 것으로 예상되는 때에 관계인에게 그 소방대상물의 개수·이전·제거, 사용의 금지 또는 제한, 사용폐쇄, 공사의 정지 또는 중지, 그 밖의 필요한 조치를 명할 수 있는 자로 틀린 것은

    55

    19년 2회.

    다음 중 품질이 우수하다고 인정되는 소방용품에 대하여 우수품질인증을 할 수 있는 자는

    56

    19년 2회.

    소방기본법령상 위험물 또는 물건의 보관기간은 소방본부 또는 소방서의 게시판에 공고하는 기간의 종료일 다음 날부터 며칠로 하는가

    57

    19년 2회.

    화재예방, 소방시설 설치·유지 및 안전관리에 관한 법령상 둘 이상의 특정소방대상물이 내화구조로 된 연결통로가 벽이 없는 구조로서 그 길이가 몇 m 이하인 경우 하나의 소방대상물로 보는가

    58

    19년 2회.

    제4류 위험물을 저장·취급하는 제조소에 “화기엄금”이란 주의사항을 표시하는 게시판을 설치할 경우 게시판의 색상은

     제1류 위험물(알칼리금속의 과산화물) • 제3류 위험물(금수성물질) -> 청색바탕에 백색문자(물기엄금)

    • 제2류 위험물(인화성고체 제외) -> 적색바탕에 백색문자(화기주의)

    • 제2류 위험물(인화성고체) • 제3류 위험물(자연발화성 물질) • 제4류 위험물 • 제5류 위험물

      -> 적색바탕에 백색문자(화기엄금)

    59

    19년 2회.

    소방시설을 구분하는 경우 소화설비에 해당되지 않는 것은?

    60

    19년 2회.

    위험물안전관리법상 청문을 실시하여 처분해야 하는 것은

    61

    19년 2회.

    무선통신보조설비의 증폭기에는 비상전원이 부착된 것으로 하고 비상전원의 용량은 무선통신보조설비를 유효하게 몇 분 이상 작동시킬 수 있는 것이어야 하는가

    62

    19년 2회.

    비상방송설비의 배선에 대한 설치기준으로 틀린 것은

    동일한 -> 별도의

    63

    19년 2회.

    비상콘센트설비의 설치기준으로 틀린 것은

    20분

    64

    19년 2회.

    비상전원이 비상조명등을 60분 이상 유효하게 작동시킬 수 있는 용량으로 하지 않아도 되는 특정소방대상물은?

    65

    19년 2회.

    일국소의 주위온도가 일정한 온도 이상이 되는 경우에 작동하는 것으로서 외관이 전선으로 되어 있는 감지기는 어떤 것인가

    뒤에 외관이 전선인 경우일때는 감지선형밖에 없다

    66

    19년 2회.

    비상콘센트를 보호하기 위한 비상콘센트 보호함의 설치기준으로 틀린 것

    외부

    67

    19년 2회.

    소방회로용의 것으로 수전설비, 변전설비 그 밖의 기기 및 배선을 금속제 외함에 수납한 것으로 정의되는 것은

    68

    19년 2회.

    비상방송설비 음향장치에 대한 설치기준으로 옳은 것은

    비상방송설비 음향장치에 대한 설치기준

    1. 다른 전기회로에 따라 유도장애가 생기지 아니하도록 할 것.

    2. 른 방송설비와 공용하는것에 있어서는 화재시 비상경보외의 방송을 차단할 수 있는 구조로 할것.

    3. 기동장치에 따른 화재신고를 수신한 후 필요한 음량으로 화재발생 상황 및 피난에 유효한 방송이

      자동으로 개시될 때까지의 소요시간은 10초 이하로 할 것.

    4. 음량조정기를 설치하는 경우 음량조정기의 배선은 3선식으로 할 것

    69

    19년 2회.

    객석 내의 통로의 직선부분의 길이가 85m 이다. 객석유도등을 몇 개 설치하여야 하는가

    *객석 유도등 공식*

    *소수점이하는 반드시 절상!!

    통로 직선부분의 길이/4-1

    =85/4-1=20.25=21

    70

    19년 2회.

    자동화재탐지설비의 감지기회로에 설치하는 종단저항의 설치기준으로 틀린 것은

    1.5 m

    71

    19년 2회.

    비상경보설비의 축전지설비의 구조에 대한 설명으로 틀린 것은

    축전지설비는 접지전극에 직류전류를 통하는 회로방식을 사용하여서는 아니된다

    72

    19년 2회.

    신호의 전송로가 분기되는 장소에 설치하는 것으로 임피던스 매칭과 신호 균등분배를 위해 사용되는 장치는

    73

    19년 2회.

    부착높이 3m, 바닥면적 50m2인 주요구조부를 내화구조로한 소방대상물에 1종 열반도체식 차동식분포형감지기를 설치하고자 할 때 감지부의 최소 설치개수는

    하나의 검출기에 접속하는 감지부는 2~15개 이하이지만 부착높이가 8m 미만이고

    바닥면적이 기준면적 이하인 경우 1개로 할 수 있다. 그러므로 최소 개수는

    2개가 아닌 1개가 되는 것이다. 주의!

    74

    19년 2회.


    3선식 배선에 따라 상시 충전되는 유도등의 전기회로에 점멸기를 설치하는 경우 유도등이 점등되어야 할 경우로 관계없는 것은

    75

    19년 2회.

    누전경보기의 전원은 분전반으로부터 전용회로로 하고 각 극에 개폐기와 몇 A 이하의 과전류차단기를 설치하여야 하는가

    76

    19년 2회.

    자동화재속보설비의 설치기준으로 틀린 것

    비상경보설비와 연동으로 --> 자동화재탐지설비와 연동으로

    77

    19년 2회.

    다음 비상경보설비 및 비상방송설비에 사용되는 용어 설명 중 틀린 것은

    주파수 -> 진폭

    78

    19년 2회.

    누전경보기란 ( ) 이하인 경계전로의 누설전류 또는 지락전류를 검출하여 .. 이하생략

    79

    19년 2회.

    부착높이가 11m 인 장소에 적응성 있는 감지기는

    8m이상 15m 미만 감지기 : 차동식분포형, 이온화식 1종또는 2종, 광전식(스포트형,분리형,공기흡입형) 1종또는 2종, 연기복합형, 불꽃감지기

    80

    19년 2회.

    비상콘센트설비 상용전원회로의 배선이 고압수전 또는 특고압수전인 경우의 설치기준은