모두CBT | 국가고시 실기시험 부시기!

4과목(전기설비 안전관리) 301~387 해설 페이지

4과목(전기설비 안전관리) 301~387

    1

    4과목(전기설비 안전관리) 301~387

    폭연성 분진 또는 화약류의 분말이 전기설비가 발화원이 되어 폭발할 우려가 있는 곳에 시설하는 저압 옥내 전기설비의 공사 방법으로 옳은 것은?

    저압 옥내배선, 저압 관등회로 배선 및 소세력 회로의 전선은 금속관공사 또는 케이블공사(캡타이어케이블을 사용하는 것을 제외한다)에 의할 것.

    2

    4과목(전기설비 안전관리) 301~387

    다음 분진의 종류 중 폭연성 분진에 해당하는 것은?


    문제이미지

    3

    4과목(전기설비 안전관리) 301~387

    다음 분진 종류 중 폭연성 분진에 해당하는 것은?


    문제이미지

    4

    4과목(전기설비 안전관리) 301~387

    다음 중 비전도성 가연성 분진은?


    문제이미지

    5

    4과목(전기설비 안전관리) 301~387

    다음 물질 중 정전기에 의한 분진 폭발을 일으키는 최소발화(착화) 에너지가 가장 작은 것은?


    착화에너지(mJ)

    마그네슘: 80

    폴리에틸렌: 10

    알루미늄: 20

    소맥분: 160

    6

    4과목(전기설비 안전관리) 301~387

    ☆☆☆☆

    대전서열을 올바르게 나열한 것은?


    대전서열 순서

    (+)폴리에틸렌-셀룰로이드-염화비닐-테프론(-)

    7

    4과목(전기설비 안전관리) 301~387

    ☆☆

    이동하여 사용하는 전기기계기구의 금속제 외함 등 접지시스템에서 저압 전기설비용 접지도체 종류와 단면적의 기준으로 옳은 것은?

    ②: 다심 캡타이어 케이블, 0.75mm2 이상

    ③: 특고압, 고압 전기설비용에 해당

    ④: 특고압, 고압 전기설비용에 해당


    이동하여 사용하는 전기기계기구의 금속제 외함 등의 접지시스템의 경우는 다음의 것을 사용하여야 한다.

    1. 특고압·고압 전기설비용 접지도체 및 중성점 접지용 접지도체는 클로로프렌캡타이어케이블(3종 및 4종) 또는 클로로설포 네이트 폴리에틸렌 캡타이어케이블(3종 및 4종)의 1개 도체 또는 다심 캡타이어 케이블의 차폐 또는 기타의 금속체로 단면적이 10㎟ 이상인 것을 사용한다.

    2. 저압 전기설비용 접지도체는 다심 코드 또는 다심 캡타이어케이블의 1개 도체의 단면적이 0.75㎟ 이상인 것을 사용한다. 다만, 기타 유연성있는 연동연선은 1개 도체의 단면적이 1.5㎟ 이상인 것 사용한다.

    8

    4과목(전기설비 안전관리) 301~387

    저압 및 고압선을 직접 매설식으로 매설할때 중량물의 압력을 받지 않는 장소에서의 매설 깊이는?

    지중 전선로를 직접 매설식에 의하여 시설하는 경우에는 매설 깊이를 차량 기타 중량물의 압력을 받을 우려가 있는 장소에는 1.0m 이상, 기타 장소에는 0.6m 이상으로 하고 또한 지중 전선을 견고한 트라프 기타 방호물에 넣어 시설하여야 한다.

    9

    4과목(전기설비 안전관리) 301~387

    자동차가 통행하는 도로에서 고압의 지중전선로를 직접 매설식으로 시설할 때 사용되는 전선으로 가장 적합한 것은?

    지중 전선로를 직접 매설식에 의하여 시설하는 경우에는 매설 깊이를 차량 기타 중량물의 압력을 받을 우려가 있는 장소에는 1.0m 이상, 기타 장소에는 0.6m 이상으로 하고 또한 지중 전선을 견고한 트라프 기타 방호물에 넣어 시설하여야 한다. 다만, 다음의 어느 하나에 해당하는 경우에는 지중전선을 견고한 트라프 기타 방호물에 넣지 아니하여도 된다.

    나. 저압 또는 고압의 지중전선에 콤바인덕트 케이블 또는 “마”부터 “사”까지에서 정하는 구조로 개장(鍇裝)한 케이블을 사용해 시설하는 경우

    10

    4과목(전기설비 안전관리) 301~387

    방폭지역에서 저압케이블 공사시 사용해서는 안되는 케이블은?

    사용전압이 저압인 전로(전기기계기구 안의 전로를 제외한다)의 전선으로 사용하는 케이블은 「전기용품 및 생활용품 안전관리법」의 적용을 받는 것 이외에는 KS에 적합한 것으로 0.6/1kV 연피(鉛皮)케이블, 알루미늄피케이블, 클로로프렌외장(外裝)케이블, 비닐외장케이블, 폴리에틸렌외장케이블, 저독성 난연 폴리올레핀외장케이블, 300/500V 연질 비닐 시스 케이블, 미네럴인슈레이션(MI)케이블, 유선텔레비전용 급전겸용 동축 케이블(그 외부도체를 접지하여 사용하는 것에 한한다), 가요성 알루미늄피케이블을 사용해야 한다.

    11

    4과목(전기설비 안전관리) 301~387

    동작 시 아크가 발생하는 고압 및 특고압용 개폐기ㆍ차단기의 이격거리(목재의 벽 또는 천장, 기타 가연성 물체로부터의 거리)의 기준으로 옳은 것은?

    (단, 사용전압이 35kV 이하의 특고압용 기구 등으로서 동작할 때에 생기는 아크의 방향과 길이를 화재가 발생할 우려가 없도록 제한하는 경우가 아니다.)


    문제이미지

    12

    4과목(전기설비 안전관리) 301~387

    ☆☆☆

    동작 시 아크를 발생하는 고압용 개폐기ㆍ차단기ㆍ피뢰기 등은 목재의 벽 또는 천장 기타의 가연성 물체로부터 몇m 이상 떼어놓아야 하는가?


    문제이미지

    13

    4과목(전기설비 안전관리) 301~387

    활선작업을 시행할 때 감전의 위험을 방지하고 안전한 작업을 하기 위한 활선장구 중 충전 중인 전선의 변경작업이나 활선작업으로 애자 등을 교환할 때 사용하는 것은?


    문제이미지

    14

    4과목(전기설비 안전관리) 301~387

    활선장구 중 활선시메라의 사용 목적이 아닌 것은?


    문제이미지

    15

    4과목(전기설비 안전관리) 301~387

    22.9kV 충전전로에 대해 필수적으로 작업자와 이격시켜야 하는 접근한계 거리는?


    문제이미지

    16

    4과목(전기설비 안전관리) 301~387

    ☆☆☆

    다음 ( ㉮ ), ( ㉯ )에 들어갈 내용으로 알맞은 것은?


    고압활선 근접작업에 있어서 근로자 신체 등이 충전전로에 대해 머리 위로의 거리가 ( ㉮ ) 이내거나 신체 또는 발 아래의 거리가 ( ㉯ ) 이내로 접근함으로 인해 감전 우려가 있을 때에는 당해 충전전로에 절연용 방호구를 설치해야 한다.

    사업주는 고압의 충전전로에 근접하는 장소에서 전로 또는 그 지지물의 설치ㆍ점검ㆍ수리 및 도장등의 작업을 함에 있어서 당해 작업에 종사하는 근로자의 신체등이 충전전로에 접촉하거나 당해 충전전로에 대하여 머리 위로의 거리가 30센티미터 이내 이거나 신체 또는 발 아래로의 거리가 60센티미터 이내로 접근함으로 인하여 감전의 우려가 있는 때에는 당해 충전전로에 절연용 방호구를 설치하여야 한다. 다만, 당해 작업에 종사하는 근로자에게 절연용 보호구를 착용시키고 당해 절연용 보호구를 착용하는 신체외의 부분이 당해 충전전로에 접촉하거나 접근함으로 인하여 감전의 위험이 발생할 우려가 없는 때에는 그러하지 아니하다.

    17

    4과목(전기설비 안전관리) 301~387

    고압선로의 활선근접작업 시 작업자가 전선로로부터 어느 정도의 거리를 유지하였을 경우 안전하다고 보고 별도의 방호조치나 보호조치를 생략할 수 있는가?

    사업주는 고압의 충전전로에 근접하는 장소에서 전로 또는 그 지지물의 설치ㆍ점검ㆍ수리 및 도장등의 작업을 함에 있어서 당해 작업에 종사하는 근로자의 신체등이 충전전로에 접촉하거나 당해 충전전로에 대하여 머리 위로의 거리가 30센티미터 이내 이거나 신체 또는 발 아래로의 거리가 60센티미터 이내로 접근함으로 인하여 감전의 우려가 있는 때에는 당해 충전전로에 절연용 방호구를 설치하여야 한다. 다만, 당해 작업에 종사하는 근로자에게 절연용 보호구를 착용시키고 당해 절연용 보호구를 착용하는 신체외의 부분이 당해 충전전로에 접촉하거나 접근함으로 인하여 감전의 위험이 발생할 우려가 없는 때에는 그러하지 아니하다.

    18

    4과목(전기설비 안전관리) 301~387

    가로등의 접지전극을 지면으로부터 75cm 이상 깊은 곳에 매설하는 주된 이유는?


    가로등의 접지전극을 지면으로부터 75cm 이상 깊은 곳에 매설하는 주된 이유는 겨울에 땅이 얼어 접지저항이 매우 상승하니 접촉전압을 감소시키기 위해서이다.

    19

    4과목(전기설비 안전관리) 301~387

    감전 등의 재해를 예방하기 위하여 특고압기계. 기구 주위에 관계자 외 출입을 금하도록 울타리를 설치할 때, 울타리의 높이와 울타리로부터 충전부분까지의 거리의 합이 최소 몇m 이상은 되어야 하는가?


    문제이미지

    20

    4과목(전기설비 안전관리) 301~387

    화재ㆍ폭발 위험분위기의 생성방지 방법으로 옳지 않은 것은?


    폭발성 가스 옥내 체류는 위험 분위기가 증가된다.

    21

    4과목(전기설비 안전관리) 301~387

    전기기기, 설비 및 전선로 등의 충전유무 등을 확인하기 위한 장비는?


    문제이미지

    22

    4과목(전기설비 안전관리) 301~387

    ☆☆

    인입개폐기를 개방하지 않고 전등용 변압기 1차측 COS만 개방 후 전등용 변압기 접속용 볼트 작업 중 동력용 COS에 접촉, 사망한 사고에 대한 원인으로 가장 거리가 먼 것은?


    전등용 변압기 1차측 COS 개방하면 2차측 COS 개방은 무의미하다.

    23

    4과목(전기설비 안전관리) 301~387

    속류를 차단할 수 있는 최고의 교류전압을 피뢰기의 정격전압이라고 하는데 이 값은 통상적으로 어떤 값으로 나타내고 있는가?


    실효값: 속류를 차단할 수 있는 최고의 교류 전압을 피뢰기의 정격전압이며 교류 실효값은 교류 최대값의 12\dfrac 1 {√2} 배이다.

    24

    4과목(전기설비 안전관리) 301~387

    ☆☆

    가공 송전선로에서 낙뢰의 직격을 받았을 때 발생하는 낙뢰 전압이나 개폐서지 등과 같은 이상 고전압은 일반적으로 충격파라 부른다. 이러한 충격파는 어떻게 표시하는가?


    충격파: 파두시간×파미부분에서 파고치의 50%로 감소할 때까지의 시간

    25

    4과목(전기설비 안전관리) 301~387

    전기기기의 충격 전압시험 시 사용하는 표준충격파형(Tf, Tt)은?

    표준충격파형: 1.2×50μs(파두장×파미장)

    26

    4과목(전기설비 안전관리) 301~387

    충격전압시험시의 표준충격파형을 1.2×50㎲로 나타내는 경우 1.2와 50이 뜻하는 것은?


    표준충격파형: 1.2×50μs(파두장×파미장)

    27

    4과목(전기설비 안전관리) 301~387

    인체의 손과 발 사이에 과도전류를 인가한 경우에 파두장 700μs에 따른 전류파고치의 최대값은 약 몇 mA 이하인가?


    문제이미지

    28

    4과목(전기설비 안전관리) 301~387

    심실세동 전류란?


    문제이미지

    29

    4과목(전기설비 안전관리) 301~387

    ☆☆☆

    감전사고로 인한 전격사의 메카니즘으로 가장 거리가 먼 것은?

    감전사고로 인한 전격사의 메커니즘

    1. 흉부수축에 의한 질식

    2. 심실세동에 의한 혈액순환기능의 상실

    3. 호흡중추신경 마비에 따른 호흡기능 상실

    30

    4과목(전기설비 안전관리) 301~387

    폴리에스터, 나일론, 아크릴 등의 섬유에 정전기 대전방지 성능이 특히 효과가 있고, 섬유에의 균일 부착성과 열 안전성이 양호한 외부용 일시성 대전방지제로 옳은 것은?


    문제이미지

    31

    4과목(전기설비 안전관리) 301~387

    조명기구를 사용함에 따라 작업면의 조도가 점차적으로 감소되어가는 원인으로 가장 거리가 먼 것은?


    광속 흡수율: 반사면에 흡수되어 소실되는 광속 조명기구에 붙은 먼지, 오 물, 반사면의 변질에 의한 광속 흡수율 증가

    32

    4과목(전기설비 안전관리) 301~387

    다른 두 물체가 접촉할 때 접촉 전위차가 발생하는 원인으로 옳은 것은?


    다른 두 물체가 접촉할 때 접촉 전위차가 발생하는 원인은 두 물체의 일함수차 때문이다.

    일함수: 원자 내 전자를 밖으로 끌어내는 자

    유전자로 만드는 데 필요한 일에너지

    33

    4과목(전기설비 안전관리) 301~387

    대전의 완화를 나타내는데 중요한 인자인 시정수(time constant)는 최초의 전하가 약 몇 %까지 완화되는 시간을 말하는가?


    시정수(완화시간): 정전기가 축적되다가 소멸되는 과정에서 처음의37% 비율로 감소되는데 걸리는 시간

    34

    4과목(전기설비 안전관리) 301~387

    정전기의 소멸과 완화시간의 설명 중 옳지 않는 것은?


    시정수(완화시간): 정전기가 축적되다가 소멸되는 과정에서 처음의37% 비율로 감소되는데 걸리는 시간

    35

    4과목(전기설비 안전관리) 301~387

    주택용 배선차단기 B타입의 경우 순시동작범위는?

     (단, In는 차단기 정격전류이다.)


    문제이미지

    36

    4과목(전기설비 안전관리) 301~387

    다음은 전기안전에 관한 일반적인 사항을 기술한 것이다. 옳게 설명된 것은?

    ①: 200V 동력용 전동기의 외함에 제3종 접지공사를 하였다.

    ③: 누전을 방지하기 위해 누전차단기를 설치했다.

    ④: 전선 세기를 20% 이상 감소시키지 아니 할 것

    37

    4과목(전기설비 안전관리) 301~387

    전자파 중에서 광양자 에너지가 가장 큰 것은?


    광양자 에너지 크기 순서

    마이크로파 < 적외선 < 가시광선 < 자외선

    38

    4과목(전기설비 안전관리) 301~387

    ☆☆☆

    전류가 흐르는 상태에서 단로기를 끊었을 때 여러 가지 파괴작용을 일으킨다. 다음 그림에서 유입차단기의 차단순위와 투입순위가 안전수칙에 가장 적합한 것은?

    문제이미지


    DS: 단로기 OCB: 유입차단기

    전원 차단 시: ㉯→㉰→㉮

    전원 투입 시: ㉰→㉮→㉯

    39

    4과목(전기설비 안전관리) 301~387

    다음 중 전동기를 운전하고자 할 때 개폐기의 조작순서로 옳은 것은?


    전동기 운전 시 개폐기 조작순서

    메인 스위치→분전반 스위치→전동기용 개폐기

    40

    4과목(전기설비 안전관리) 301~387

    임시배선의 안전대책으로 틀린 것은?


    지상 등에서 금속관으로 방호할 때는 그 금속관을 접지해야 된다.

    41

    4과목(전기설비 안전관리) 301~387

    온도조절용 바이메탈과 온도 퓨즈가 회로에 조합되어 있는 다리미를 사용한 가정에서 화재가 발생했다. 다리미에 부착되어 있던 바이메탈과 온도퓨즈를 대상으로 화재사고를 분석하려 하는데 논리기호를 사용하여 표현 하고자 한다. 어느 기호가 적당하겠는가?


    문제이미지

    42

    4과목(전기설비 안전관리) 301~387

    Freiberger가 제시한 인체의 전기적 등가회로는 다음 중 어느 것인가?

    (단, 단위는 다음과 같다. 단위: R(Ω), L(H), C(F))

    Freiberger의 인체 전기적 등가회로

    문제이미지

    43

    4과목(전기설비 안전관리) 301~387

    아크방전의 전압전류 특성으로 가장 옳은 것은?


    아크방전의 전압전류 특성

    전류가 급격히 증가하면 전압이 급격히 감소한다. (=수하특성)

    44

    4과목(전기설비 안전관리) 301~387

    다음 설명이 나타내는 현상은?


    전압이 인가된 이극 도체간의 고체 절연물 표면에 이물질이 부착되면 미소방전 발생한다. 이 미소방전이 반복되면서 절연물 표면에 도전성 통로가 형성되는 현상


    ①: 주철 내에 존재하는 탄화물(시멘타이트, 철, 탄소)을 철과 흑연으로 분해하는 것

    ③: 전선의 소선 중 일부가 끊어져있는 상태

    45

    4과목(전기설비 안전관리) 301~387

    ☆☆

    내측 원통의 반경이 r이고 외측 원통의 반경이 R인 원통 간극(R/r-1(=0.368))에서 인가전압이 V인 경우 최대 전계 Er = Vrln(R/r)\dfrac {V} {rln(R/r)} 이다. 인가전압을 간극간 공기의 절연파괴전압 전까지 낮은 전압에서 서서히 증가할 때의 설명으로 틀린 것은?


    외측 원통의 반경이 감소되는 효과가 있다.

    ③: 외측 원통 반경이 감소되는 효과가 있다.

    ①이 맞는 이유는 R/r이 0.368이다.

    이걸 로그화 하면 ln0.368이다. 이 값은 –1이다.

    즉 음수이고 전압(V)가 증가할수록 –1 → -2 → -3,,, 이렇게 최대전계가 감소한다.

    46

    4과목(전기설비 안전관리) 301~387

    보폭전압에서 지표상에 근접 격리된 두 점 간의 거리는?


    보폭전압: 접지전극 부근 대지면의 두 점간의 거리 1m의 전위차

    47

    4과목(전기설비 안전관리) 301~387

    감전사고를 방지하기 위해 허용보폭전압에 대한 수식으로 맞는 것은?

    문제이미지


    문제이미지

    48

    4과목(전기설비 안전관리) 301~387

    ☆☆

    대전물체의 표면전위를 검출전극에 의한 용량분할을 통해 측정할 수 있다. 대전물체의 표면전위 Vs는?

    (단, 대전물체와 검출전극간의 정전용량을 C1, 검출전극과 대지간의 정전용량을 C2, 검출전극의 전위를 Ve이다.)


    문제이미지

    49

    4과목(전기설비 안전관리) 301~387

    ☆☆☆

    정전유도를 받고 있는 접지되어 있지 않는 도전성 물체에 접촉한 경우 전격을 당하게 되는데 물체에 유도된 전압 V(V)를 옳게 나타낸 것은?

    (단, 송전선전압 E, 송전선과 물체사이의 정전용량을 C1, 물체와 대지사이의 정전용량을 C2, 물체와 대지사이의 저항을 무한대인 경우이다.)


    문제이미지

    50

    4과목(전기설비 안전관리) 301~387

    정전용량 C1(μF)과 C2(μF)가 직렬 연결된 회로에 E(V)로 송전되다 갑자기 정전이 발생하였을 때, C2 단자의 전압을 나타낸 식은?


    문제이미지

    51

    4과목(전기설비 안전관리) 301~387

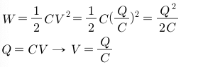
    정전에너지를 나타내는 식으로 알맞은 것은?

    (단, Q는 대전 전하량, C는 정전용량이다.)


    문제이미지

    52

    4과목(전기설비 안전관리) 301~387

    2장의 전극판에 전극판 간격의 1/2 되는 유전체판을 끼워 넣으면 공간의 전계 세기는 어떻게 변하는가?

    (단, 는 εs 비유전율이다.)


    문제이미지

    53

    4과목(전기설비 안전관리) 301~387

    점전하가 절연유 속에 있는 경우 전계의 세기는 어떻게 변하겠는가?

    (단, 는 진공의 εo유전율이며, εs는 비유전율이다.)


    쿨롱의 법칙에 의거해 유전체 중 전계는 진공의 유전율에 비해 1/εs배 작다.

    54

    4과목(전기설비 안전관리) 301~387

    ☆☆☆

    300A의 전류가 흐르는 저압 가공전선로의 1선에서 허용가능한 누설전류(mA)는?


    55

    4과목(전기설비 안전관리) 301~387

    ☆☆☆

    200A의 전류가 흐르는 단상 전로의 한 선에서 누전되는 최소 전류(mA)의 기준은?


    누설전류 = 전류2000\dfrac {전류} {2000} 

    = 2002000\dfrac {200} {2000} = 0.1A

    = 100mA

    56

    4과목(전기설비 안전관리) 301~387

    ☆☆

    6,600/100V, 15kVA의 변압기에서 공급하는 저압 전선로의 허용 누설전류는 몇 A를 넘지 않아야 하는가?


    문제이미지

    57

    4과목(전기설비 안전관리) 301~387

    3,300/220V, 20kVA인 3상 변압기에서 공급받고 있는 저압전선로의 절연부분 전선과 대지간의 절연저항 최소값은 약 몇Ω인가?

    (단, 변압기 저압측 1단자는 제2종 접지공사를 시행함)


    문제이미지

    58

    4과목(전기설비 안전관리) 301~387

    교류 3상 전압 380V, 부하 50kVA인 경우 배선에서의 누전전류의 한계는 약 mA 인가?

    (단, 전기설비기술기준에서의 누설전류 허용값을 적용한다.)


    문제이미지

    59

    4과목(전기설비 안전관리) 301~387

    50kW, 60Hz 3상 유도전동기가 380V 전원에 접속된 경우 흐르는 전류는 약 몇A인가?

    (단, 역률은 80%이다.)


    문제이미지

    60

    4과목(전기설비 안전관리) 301~387

    ☆☆☆

    누전된 전동기에 인체가 접촉하여 500mA의 누전전류가 흘렀고 정격감도전류 500mA인 누전차단기가 동작하였다. 이때 인체전류를 약 10mA로 제한하기 위해서는 전동기 외함에 설치할 접지저항의 크기는 약 몇 Ω인가?

    (단, 인체저항은 500Ω이며, 다른 저항은 무시한다)


    문제이미지

    61

    4과목(전기설비 안전관리) 301~387

    ★☆☆☆☆☆☆☆

    인체의 전기저항을 0.5kΩ이라고 하면 심실세동을 일으키는 위험한계 에너지는 몇 J인가?

    (단, 심실세동전류값 I = 165TmA\dfrac {165} {√T} mA

    , 통전시간은 1초이다.)


    문제이미지

    62

    4과목(전기설비 안전관리) 301~387

    ☆☆

    인체의 전기저항을 최악의 상태라고 가정하여 500Ω으로 하는 경우 심실세동을 일으킬 수 있는 에너지는 얼마 정도인가?

    (단, 심실세동전류값 I=165TmAI = \dfrac {165} {√T} mA )


    문제이미지

    63

    4과목(전기설비 안전관리) 301~387

    심실세동 전류 I = 165TmA\dfrac {165} {√T} mA 라면 심실세동 시 인체에 직접 받는 전기에너지(cal)는 약 얼마인가?

    (단, t는 통전시간으로 1초이며, 인체의 저항은 500Ω으로 한다.)


    문제이미지

    64

    4과목(전기설비 안전관리) 301~387

    20Ω의 저항 중에 5A의 전류를 3분간 흘렸을 때의 발열량(cal)은?


    문제이미지

    65

    4과목(전기설비 안전관리) 301~387

    ☆☆☆

    어느 변전소에서 고장전류가 유입되었을 때 도전성구조물과 그 부근 지표상의 점과의 사이(약 1m)의 허용접촉전압은 약 몇V인가?

    (단, 심실세동전류: I=0.165TAI = \dfrac {0.165} {√T} A,

    인체의 저항: 1,000Ω, 지표면의 저항률: 150Ωㆍm, 통전시간을 1초로 한다.)


    문제이미지

    66

    4과목(전기설비 안전관리) 301~387

    그림에서 인체의 허용 접촉전압은 약 몇V인가?

    (단, 심실세동 전류는 I(A)=0.165TI(A) = \dfrac {0.165} {√T} 이며,

    인체저항 Rk=1,000Ω, 발의 저항 Rf=300Ω이고, 접촉 시간은 1초로 한다.)

    문제이미지


    문제이미지

    67

    4과목(전기설비 안전관리) 301~387

    ☆☆

    인체 저항이 5,000Ω이고, 전류가 3mA가 흘렀다. 인체의 정전용량이 0.1μF라면 인체에 대전된 정전하는 몇 µC인가?


    문제이미지

    68

    4과목(전기설비 안전관리) 301~387

    ☆☆

    정전용량 C=20μF, 방전 시 전압 V=2kV일 때 정전에너지(J)는 얼마인가?


    문제이미지

    69

    4과목(전기설비 안전관리) 301~387

    두 가지 용제를 사용하고 있는 어느 도장 공장에서 폭발사고가 발생하여 세명의 부상자를 발생시켰다. 부상자와 동일 조건의 복장으로 정전용량이 120pF인 사람이 5m 도보 후에 표면전위를 측정했더니 3,000V가 측정되었다. 사용한 혼합용제 가스의 최소 착화에너지 상한치는 얼마인가?


    문제이미지

    70

    4과목(전기설비 안전관리) 301~387

    ☆☆

    아세톤을 취급하는 작업장에서 작업자의 정전기 방전으로 인한 화재폭발 재해를 방지하기 위하여 인체대전 전위는 약 몇 V 이하로 유지하여야 하는가?

     (단, 인체의 정전용량 100pF이고, 아세톤의 최소 착화 에너지는 1.15mJ로 하며 기타의 조건은 무시한다.)


    문제이미지

    71

    4과목(전기설비 안전관리) 301~387

    ☆☆

    최소 착화에너지가 0.26mJ인 가스에 정전용량이 100pF인 대전 물체로부터 정전기 방전에 의하여 착화할 수 있는 전압은 약 몇V인가?


    문제이미지

    72

    4과목(전기설비 안전관리) 301~387

    폭발한계에 도달한 메탄가스가 공기에 혼합되었을 경우 착화한계전압(V)은 약 얼마인가?

    (단, 메탄의 착화최소에너지는 0.2mJ, 극간용량은 10pF으로 한다.)


    문제이미지

    73

    4과목(전기설비 안전관리) 301~387

    두 물체의 마찰로 3,000V의 정전기가 생겼다. 폭발성 위험의 장소에서 두 물체의 정전용량은 약 몇 pF이면 폭발로 이어지겠는가?

    (단, 착화에너지는 0.25mJ이다.)


    문제이미지

    74

    4과목(전기설비 안전관리) 301~387

    인체의 표면적이 0.5m2이고 정전용량은 0.02pF/cm2이다. 3,300V의 전압이 인가되어 있는 전선에 접근하여 작업을 할 때 인체에 축척되는 정전기 에너지(J)는?


    문제이미지

    75

    4과목(전기설비 안전관리) 301~387

    1C을 갖는 2개의 전하가 공기 중에서 1m의 거리에 있을 때 이들 사이에 작용하는 정전력(N)은?


    문제이미지

    76

    4과목(전기설비 안전관리) 301~387

    ☆☆

    피뢰침의 제한전압이 800kV, 충격절연강도가 1,000kV라 할 때, 보호여유도는 몇 %인가?


    문제이미지

    77

    4과목(전기설비 안전관리) 301~387

    피뢰기의 여유도가 33%이고, 충격절연강도가 1,000kV라고 할 때 피뢰기의 제한전압은 약 몇 kV인가?


    문제이미지

    78

    4과목(전기설비 안전관리) 301~387

    지구를 고립한 지구도체라 생각하고 1[C]의 전하가 대전되었다면 지구 표면의 전위는 대략 몇[V]인가?

    (단, 지구 반경은 6,367km이다.)


    문제이미지

    79

    4과목(전기설비 안전관리) 301~387

    ☆☆

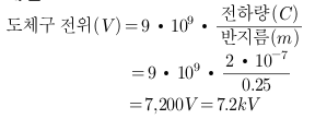
    Q=2×10-7C으로 대전하고 있는 반경 25cm 도체구의 전위는 약 몇kV인가?


    문제이미지

    80

    4과목(전기설비 안전관리) 301~387

    ☆☆☆

    교류 아크용접기의 허용사용률(%)은?

     (단, 정격사용률은 10%, 2차 정격전류는 500A, 교류 아크용접기의 사용전류는 250A이다.)


    문제이미지

    81

    4과목(전기설비 안전관리) 301~387

    교류 아크용접기의 사용에서 무부하 전압이 80V, 아크 전압 25V, 아크 전류 300A일 경우 효율은 약 몇%인가?

    (단, 내부손실은 4kW이다.)


    문제이미지

    82

    4과목(전기설비 안전관리) 301~387

    ☆☆

    아래 그림과 같이 인체가 전기설비의 외함에 접촉하였을 때 누전사고가 발생하였다. 인체통과전류(mA)는 약 얼마인가?

    문제이미지


    문제이미지

    83

    4과목(전기설비 안전관리) 301~387

    그림과 같은 전기기기 A점에서 완전 지락이 발생하였다. 이 전기기기의 외함에 인체가 접촉되었을 경우 인체를 통해서 흐르는 전류는 약 몇 mA인가?

    (단 인체의 저항은 3,000Ω이다)

    문제이미지


    문제이미지

    84

    4과목(전기설비 안전관리) 301~387

    ☆☆

    1초동안 220V 전압에 접촉된 사람의 인체저항이 약 1,000Ω일 때 인체 전류와 그 결과 값의 위험성 여부로 알맞은 것은?


    문제이미지

    85

    4과목(전기설비 안전관리) 301~387

    대지에서 용접작업을 하고있는 작업자가 용접봉에 접촉한 경우 통전전류는?


    용접기의 출력측 무부하전압: 90V

    접촉저항(손, 용접봉 등 포함): 10kΩ

    인체 내부저항: 1kΩ

    발과 대지의 접촉저항: 20kΩ


    문제이미지

    86

    4과목(전기설비 안전관리) 301~387

    그림과 같이 변압기 2차에 200V의 전원이 공급되고 있을 때 지락점에서 지락사고가 발생하였다면 회로에 흐르는 전류는 몇 A인가?

    (단, R2=10Ω, R3=30Ω이다.)

    문제이미지


    문제이미지

    87

    4과목(전기설비 안전관리) 301~387

    정격전류 20A와 25A인 전동기와 정격전류 10A인 전열기 6대에 전기를 공급하는 200V 단상저압 간선에는 정격전류 몇 A의 과전류 차단기를 시설하여야 하는가?

    전동기 전류: 20+25=45A

    전열기 전류: 10∙6=60A

    과전류 차단기는 저압 옥내 간선의 허용전류 이하인 정격전류의 것일 것.

    다만, 저압 옥내 간선에 전동기 등의 접속되는 경우에는 그 전동기 등의 정격전류의 합계의 3배에 다른 전기사용기계기구(=전열기)의 정격전류의 합계를 가산한 값 이하인 정격전류의 것을 사용할 수 있다.

    →전동기(45)∙3+전열기(60) < 과전류차단기 전류

    → 195 < 과전류차단기 전류

    따라서, 이 문제에선 ①이 정답.