모두CBT | 국가고시 실기시험 부시기!

14년 1회.. 해설 페이지

14년 1회..

    1

    14년 1회..

    경유화재가 발생했을 때 주수소화가 오히려 위험할 수 있는 이유는?

    2

    14년 1회..

    탄산가스에 대한 일반적인 설명으로 옳은 것은?

    3

    14년 1회..

    실내화재에서 화재의 최성기에 돌입하기 전에 다량의 가연성 가스가 동시에 연소되면서 급격한 온도상승을 유발하는 현상은?

    4

    14년 1회..

    화재시 발생하는 연소가스에 대한 설명으로 가장 옳은 것은?


    <문제 해설>

    2. 연소시 산소를 소모합니다.

    3. 불완전연소 일때 독성가스가 발생합니다.

    4. 대부분 유독성 입니다

    5

    14년 1회..

    보일오버(Boil over) 현상에 대한 설명으로 옳은 것은?

    6

    14년 1회..

    다음 중 할로겐화합물 소화약제의 가장 주된 소화효과에 해당하는 것은?

    7

    14년 1회..

    일반적으로 공기 중 산소농도를 몇 vol%이하로 감소시키면 연소상태의 중지 및 질식소화가 가능하겠는가?

    8

    14년 1회..

    화재하중의 단위로 옳은 것은?

    9

    14년 1회..

    다음 중 증발잠열(kJ/kg)이 가장 큰 것은?

    10

    14년 1회..

    주된 연소의 형태가 표면연소에 해당하는 물질이 아닌 것은

    증발연소 : 나프탈렌

    11

    14년 1회..

    다음 가연성 물질에 해당하는 것은?

    가연성 물질

    수소,메탄,일산화탄소,천연가스,부탄,에탄

    지연성 물질

    산소,공기,염소,오존,불소

    12

    14년 1회..

    열의 전달현상 중 복사현상과 가장 관계 깊은 것은?

    13

    14년 1회..


    “FM200"이라는 상품명을 가지며 오존파괴지수(ODP)가 0인 할론재체 소화약제는 어느 계열 인가

    HFC계열은 오존파괴지수는 0이지만 환경온난화지수는 높다. 현재 규제의 대상이기도 하다

    14

    14년 1회..

    다음 중 소화제로 사용할 수 없는 것은?

    암모니아는 독성 물질이면서 인화성 물질

    15

    14년 1회..

    점화원이 될 수 없는 것은

    16

    14년 1회..

    Halon 1301의 분자식에 해당하는 것은

    17

    14년 1회..

    위험물안전관리법령에 따른 위험물의 유별 분류가 나머지 셋과 다른 것은

    18

    14년 1회..

    인화점이 낮은 것부터 순서로 옳게 나열된 것은

    19

    14년 1회..

    피난계획의 일반원칙 중 fooI proof 원칙에 해당하는 것은

    20

    14년 1회..

    NH4H2PO4 를 주성분으로 한 분말소화제는 제 몇 종 분말소화제인가

    21

    14년 1회..

    림과 같은 계통의 전달함수는?

    문제이미지

    전향경로/1-피드팩=g1/1+g1g2

    22

    14년 1회..


    1C/sec는 다음 중 어느 것과 같은가?

    23

    14년 1회..

    권선수가 100회인 코일을 200회 늘리면 인덕턴스는 어떻게 변화 하는가

    권수비


    N1  V1  I2  /Z1    /R1    /L1

    ㅡ = ㅡ = ㅡ = / ㅡ =  / ㅡ =  / ㅡ

    N2  V2  I1 \/ Z2  \/  R2  \/ L2

    24

    14년 1회..

    2차계에서 무제동으로 무한 진동이 일어나는 감쇠율(damping ratio) δ는 어떤 경우인가?

    25

    14년 1회..

    부하저항 R에 5A 의 전류가 흐를 때 소비전력이 500W 이었다. 부하저항 R은?

    26

    14년 1회..

    서보전동기는 제어기기의 어디에 속하는가

    서보전동기: 서보기구의 조작부로서 제어신호에 의해 부하를 구동하는 장치

    27

    14년 1회..

    최대눈금 100mV, 내부저항 20Ω의 직류 전압계에 10kΩ의 배율기를 접속하면 약 몇 V까지 측정 할 수 있는가

    배율기

    측정하고자하는전압=전압계의 최대눈금(1+배율기의저항/전압계 내부저항)

    V=100*10^-3(1+10*10^3/20)

    V=50.1

    28

    14년 1회..

    3상 유도전동기를 기동하기 위하여 권선을 Y 결선하면 △ 결선 하였을 때 보다 토크는 어떻게 되는가?

    29

    14년 1회..

    교류의 파고율은?

    1. 파고율= 최대값/실효값

    2. 파형율= 실효값/평균값

    30

    14년 1회..

    1개의 용량이 25W인 객석유도등 10개가 연결되어 있다. 이 회로에 흐르는 전류는 약 몇 A인가? (단, 전원 전압은 220V이고, 기타 선로손실 등은 무시한다.)

    31

    14년 1회..

    3상 유도전동기의 기동법 중에서 2차 저항제어법은 무엇을 이용하는가?

    32

    14년 1회..

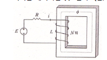
    그림과 같은 변압기 철심의 단면적 A=5cm2, 길이 ㅣ=50㎝, 비투자율 μs=1000, 코일의 감은 횟수 N=200이라 하고 1A의 전류를 흘렸을 때 자계에 축적되는 에너지는 몇 J인가? (단, 누설자속은 무시한다.)

    문제이미지

    W=1/2 x L x I제곱

    L=(진공중투자율x비투자율X단면적x감은횟수제곱)/길이

    33

    14년 1회..

    자동제어에서 미리 정해 놓은 순서에 따라 각 단계가 순차적으로 진행되는 제어방식은?

    시퀀스제어 : 미리 정해진 순서나 시간 지연 등을 통해 각 단계별로 순차적인 제어동작으로 전체 시스템을 제어하는 방법

    예) 승강기 제어, 모터 on-off, 세탁기제어

    34

    14년 1회..

    P형 반도체네 첨가되는 불순물에 관한 설명으로 옳은 것은?

    1. 5개 -> 3개

    2. 과잉전자 -> 부족전자

    4. 게르마늄, 실리콘 모두 첨가 가능

    35

    14년 1회..

    42.5mH 코일에 60Hz, 220V의 교류를 가할 때 유도 리액턴스는 몇 Ω 인가

    유도리액턴스 wL = 2×π×frequency×L

    = 2 × π × 60Hz × 42.5 × 10^-3 = 약16옴

    36

    14년 1회..

    제어요소의 구성이 올바른 것은?

    37

    14년 1회..

    다음 무접점 논리회로의 출력 X는?

    문제이미지

    A  B바X = 병렬회로이므로Z=A+B  A+B바X

    38

    14년 1회..

    계측기 접점의 불꽃 제거나 서지 전압에 대한 과입력 보호용으로 사용되는 것은?

    - 서미스터 : 온도보상용

    - 사이리스터 : SCR. 단방향 대전류 스위칭 소자

    - 트랜지스터 : 전류구동 반도체

    39

    14년 1회..


    지시계기에 대한 동작원리가 옳지 않은 것은?

    열전형계기 : 대전된 도체 사이에 작용하는 온도차에 의한 열기전력을 이용

    40

    14년 1회..

    정전용량이 0.5 F인 커패시터 양단에 V=10∠-60° V인 전압을 가하였을 때 흐르는 전류의 순시값은 몇 A 인가? (단,w=30 rad/s 이다.)

    C소자 회로 : 전류가 전압보다 90도 앞선다

    Xc=1/wc=1/(30x0.5)=1/15

    I실효값=V실효값/Xc=10/(1/15)=150

    세타=-60+90=30도


    극형식을 순시값으로 변환하면 V=10 * RT2 * Sin(wt-Pi/3)

    41

    14년 1회..

    특수가연물의 저장 및 취급의 기준으로서 옳지않은 것은?


    <문제 해설>

    바닥면적은 50m^2(석탄, 목탄류는 200m^2) 이하가 되어야 한다.

    단, 살수설비 등이 설치된 경우에는 200m^2(석탄, 목탄류는 300m^2)이하로 할수 있다.

    42

    14년 1회..

    소방본부장 또는 소방서장은 함부로 버려두거나 그냥 둔 위험물 또는 물건을 옮겨 보관하는 경우 소방본부 또는 소방서게시판에 보관한 날부터 며칠 동안 공고하여야 하는가?

    43

    14년 1회..

    다음 위험물 중 자기반응성 물질은 어느 것인가



    1.황린: 제3류 자연발화성

    2.염소산염류: 제1류 산화성고체

    3.알칼리토금속: 제3류 금수성

    4.질산에스테르류: 제5류 자기반응성

    44

    14년 1회..

    다음 특정소방대상물에 대한 설명으로 옳은 것은?

    종교집회장은 근린생활시설

    근린생활시설은 : 종교집회장, 공연장(300제곱미터미만), 의원, 이용원, 목욕장 등이 포함됩니다

    관련규정은 소방시설법시행령 별표2

    45

    14년 1회..

    소방공사 감리원 배치 시 배치일로부터 며칠 이내에 관련서류를 첨주하여 소방본부장 또는 소방서장에게 알려야 하는가?


    감리원 배치일로부터 7일이내에 소방본부장 또는 소방서장에게 알려야 한다

    46

    14년 1회..

    소방특별조사에 관한 설명이다. 틀린 것은

    소방특별조사 업무를  수행하는  관계공무원 및 관계전문가는  

    관계인의 정당한 업무를  방해하여서는 안된다

    47

    14년 1회..

    소방시설의 하자가 발생한 경우 통보를 받은 공사업자는 며칠 이내에 이를 보수하거나 보수 일정을 기록한 하자보수 계획을 관계인에게 서면으로 알려야 하는가

    48

    14년 1회..

    국가는 소방업무에 필요한 경비의 일부를 국고에서 보조한다. 국고보조 대상 소화활동장비 및 설비로서 옳지 않은 것은

    49

    14년 1회..

    위험물운송자 자격을 취득하지 아니한 자가 위험물 이동탱크저장소 운전 시의 벌칙으로 옳은 것은

    50

    14년 1회..

    소방기본법에 규정된 화재조사에 대한 내용이다. 틀린 것은?

    화재조사

    1.소화활동과 동시 실시

    2.화재조사 전담부서 설치:소방청,소방본부,소방서

    3.2년마다 전무보수교육 실시:소방청장

    51

    14년 1회..

    자동화재 탐지설비를 화재안전기준에 적합하게 설치한 경우에 그 설비의 유효범위 내에서 설치가 면제되는 소방시설로서 옳은 것은

    52

    14년 1회..

    공동 소방안전관리자를 선임하여야 하는 특정소방대상물의 기준으로 옳지 않은 것은?

    53

    14년 1회..

    건축물 등의 신축 ㆍ 증축 동의요구를 소재지 관할 소방본부장 또는 소방서장에게 한 경우 소방본부장 또는 소방서장은 건축허가 등의 동의요구서류를 접수한 날부터 몇일 이내에 건축허가 등의 동의여부를 회신하여야 하는가?


    회신의 경우 2가지----1) 5일: 연면적20만 제곱미터미만

                      2) 10일: 연면적 20만 제곱미터이상

    54

    14년 1회..

    아파트로서 층수가 몇 층 이상인 것은 모든 층에 스프링클러를 설치하여야 하는가?

    55

    14년 1회..

    방시설공사가 설계도서나 화재안전기준에 맞지 아니 할 경우 감리업자가 가장 우선하여 조치하여야 할 사항은?

    56

    14년 1회..

    .다음 중 특수가연물에 해당되지 않은 것은?

    면화류            : 200[kg] 이상

    나무껍질 및 대팻밥  : 400[kg] 이상

    넝마 및 종이부스러기 : 1,000[kg] 이상

    사류              : 1,000[kg] 이상

    볏짚류            : 1,000[kg] 이상

    가연성 고체류      : 3,000[kg] 이상

    석탄,목탁류        : 10,000[kg]이상

    가연성 액체류      : 2 [m3] 이상

    합성수지류 - 발포시킨것 : 20[m3] 이상

            - 그 밖의 것 : 3,000[kg]이상

    57

    14년 1회..

    제조소 중 위험물을 취급하는 건축물은 특수한 경우를 제외하고 어떤 구조로 하여야 하는가

    58

    14년 1회..

    방염업을 운영하는 방염업자가 규정을 위반하여 다른 사람에게 등록증 또는 등록수첩을 빌려준 때 받게 되는 행정처분기준으로 옳은 것은(관련 규정 개정전 문제로 여기서는 기존 정답인 1번을 누르면 정답 처리)

    소방시설업에 대한 행정처분기준

    -1차 영업정지 6개월, 2차 등록취소 <-- 거짓이나 그 밖의 부정한 방법으로 등록한경우

    -영업정지기간 중에 소방시설공사 등을 한 경우 <-- 1차 등록취소

    59

    14년 1회..

    소방방재청장은 방염대상물품의 방염성능검사 업무를 어디에 위탁 할 수 있는가?

    60

    14년 1회..

    소방시설의 지위를 승계한 자는 그 지위를 승계한 날부터 30일 이내에 상속인, 영업을 양수한 자와 시설의 전부를 인수한 자의 경우에는 소방시설업 지위승계신고서에, 합병후 존속하는 법인 또는 합병에 의하여 설립되는 법인의 경우에는 소방시설업 합병신고서에 서류를 첨부하여 시 ㆍ 도지사에게 제출하여야 한다. 제출서류에 포함하지 않아도 되는 것은?

    61

    14년 1회..

    누전경보기의 변류기의 설치 위치는?

    62

    14년 1회..

    비상방송설비의 설치기준으로 틀린 것은

    확성기의 음성입력

    실내 : 1W 이상

    실외 : 3W 이상

    63

    14년 1회..

    자동화재탐지설비의 경계구역설정 기준으로 옳은 것은?

    1.하나의 경계구역이 2개이상의 건축물에 미치지 아니 하도록 할 것

    2.하나의 경계구역의 면적은 600m2 이하로 하고 한 변의 길이는 50m 이하로 할 것

    3.지하구의 경우 하나의 경계구역의 길이는 700m 이하로 할 것

    4.500m2 이하의 범위 안에서는 2개 층을 하나의 경게구역으로 할 것


    (지하구는 사라졌지만 지하구를 제외한 부분은 외워둘것)

    64

    14년 1회..

    자동화재탐지설비에서 특정배선은 전자파방해를 방지하기 위하여 쉴드선을 사용해야 한다. 그 대상이 아닌 것은?

    자동화재탐지설비 화재안전기준 제11조 배선

    아날로그식/다신호식 감지기나 R형 수신기용으로 사용되는 것은 전자파 방해를 받지 아니하는 쉴드선 등을 사용해야 한다

    65

    14년 1회..

    비상방송설비의 음향장치 설치기준으로 옳지 않은 것은?

    66

    14년 1회..

    다음은 자동화재속보설비의 속보기 예비전원용 연축전지의 주위온도 충 ㆍ 방전시험에 관한 설명이다. ( )안의 알맞은 내용은

    문제이미지

    67

    14년 1회..

    복도통로유도등의 설치기준으로 옳지 않은 것은?

    구부러진 모퉁이 및 보행거리 20m 마다 설치

    68

    14년 1회..

    부착높이가 15m 이상 20m 미만일 경우 적응성이 없는 감지기는?

    69

    14년 1회..

    무선통신보조설비의 주회로 전원이 정상인지 여부를 확인하기 위해 증폭기 전면에 설치하는 것은

    70

    14년 1회..

    자동화재탐지설비 전원회로의 전로와 대지사이 및 배선 상호간의 절연저항 기준은?

    DC 250V 0.1MΩ이상 : 1경계구역의 절연저항, 자동화재탐지설비 전원회로의 전로와 대지사이

    71

    14년 1회..

    예비전원 설치와 관련한 설명으로 옳지 않은 것은?

    72

    14년 1회..

    하나의 전용회로에 단상 교류 비상콘센트 6개를 연결하는 경우 전선의 용량은

    73

    14년 1회..

    비상콘센트설비의 설치기준으로 옳지 않은 것은?

    비상콘센트 설치대상(가스시설 또는 지하구는 제외)

    1)층수가 11층이상인 특정소방대상물은 11층이상

    2)지하층의 층수가 3층이상이고 바닥면적의 합계가 1000제곱 이상인 지하층의 모든 층

    3)길이가 500m이상인 지하가중 터널

    74

    14년 1회..

    다음 ( ) 안에 공통으로 들어갈 내용으로 옳은 것은?

    문제이미지

    75

    14년 1회..

    비상방송설비에서 연면적은 3000m2을 초과하는 특정소방대상물로 몇 층 이상인 경우 우선경보방식을적용할 수 있는가

    11층(공동 주택의경우 16층) 이상으로 개정

    NFPC 202,NFTC202

    76

    14년 1회..

    객석 통로에서 직선부분의 길이가 20m인 경우 객석유도등의 설치개수는?

    설치개수 = 객석통로의 직선부분의 길이 / 4 - 1

            = 20 / 4 - 1 = 4

    77

    14년 1회..

    자동화재탐지설비를 설치하여야 하는 특정소방대상물에 대한 설명 중 옳은 것은?

    1. 600이상

    2. 1,000이상

    4. 1,000m이상

    78

    14년 1회..

    비상벨설비 또는 자동사이렌설비의 지구음량장치는 특정소방대상물의 층마다 설치하되, 해당 특정소방대상물의 각 부분으로부터 하나의 음향장치까지의 수평거리가 몇 m이하가 되도록 하여야 하는가

    79

    14년 1회..

    공연장 및 집회장에 설치하여야 할 유동등의 종류로 옳은 것은

    80

    14년 1회..

    누전경보기의 전원의 기준으로 틀린 것은

    과전류 차단기 - 15A 이하

    배선용 차단기 - 20A 이하