모두CBT | 국가고시 실기시험 부시기!

2025년 2회 기출 해설 페이지

2025년 2회 기출

    1

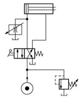
    2025년 2회 기출

    04. 다음 회로의 명칭으로 옳은 것은?

    문제이미지

    2

    2025년 2회 기출

    11. PLC에 대한 설명으로 틀린 것은?

    PLC 프로그램 작성 시 유의사항

    - PLC프로그램에서 코일에 대한 사용 보조접점 제한 없다.

    (릴레이 기반 프로그램에서는 2a2b로 제한

    - 코일의 위치 : 항상 전류가 좌측에서 우측으로 흐르는 방향으로 회로 구성, 시퀀스와는 달리 출력 코일 뒤에는 어떠한 접점도 올 수 없다.

    - 신호의 흐름 : PLC회로에서는 항상 전류가 좌측에서 우측으로, 위에서 아래로 흐르게 하며 신호선과 신호선 사이에 접점이 사용되지 않도록 해야 한다.


    국제 표준 언어

    - 문자식 : IL, ST

    - 도형식 : SFD, FBD

    3

    2025년 2회 기출

    12. 입력신호가 가해지고 있는 상태에서 클록 펄스가 들어가면 펄스 1개 정도가 뒤져서 출력되는 플립플롭은?

    플립플롭의 종류


    - 동기식 R-S 플립플롭

    : 기본 플립플롭 회로에 게이트를 추가하여 플립플롭이 하나의 클록펄스 발생기간 동안에만 입력이 응답하도록 만든 것


    - J-K 플립플롭

    : R-S 플립플롭에서 S = R = 1일 때 정의되지 않는 출력(부정) 상태를 정의한 것


    - T 플립플롭

    : 트리거 입력 펄스가 들어올 때마다 Q의 출력이 반전을 하는 플립플롭으로 Toggle의 의미를 붙여 T플립플롭이라고 하는데, J와 K값을 항상 같게 인가되도록 구성한 플립플롭


    - D 플립플롭

    : R-S 플립플롭에서 S와 R값을 항상 다르게 인가되도록 구성한 시간 지연소자 역할을 하는 플립플롭으로 입력신호가 가해지고 있는 상태에서 클록펄스가 들어가면 펄스 1개 정도가 뒤져서 출력된다.

    4

    2025년 2회 기출

    14. 직류전동기에서 정류자와 접촉하여 전기자권선과 외부 회로를 연결하여 주는 것은?

    5

    2025년 2회 기출

    18. 연산증폭기의 심벌로 옳은 것은?

    6

    2025년 2회 기출

    22. 구름 베어링을 구성하는 기본 요소가 아닌 것은?

    저널 : 베어링에 의해 둘러싸인 축의 일부분을 말하며 크랭크축, 캠축 등을 말한다.


    구름 베어링 구성요소 : 내륜, 외륜, 최전체, 리테이너

    문제이미지

    7

    2025년 2회 기출

    23. 나사의 표시방법 중 틀린 것은?

    나사기호 및 호칭법


    G 1/2 : 관용 평행 나사

    BC 3/4 : 자전거 나사

    SM 1/4 : 미싱 나사

    E 10 : 전구 나사

    CTC 19 : 박강전선관 나사

    3/8-16 UNC : 유니파이 보통 나

    8

    2025년 2회 기출

    25. 원심형 통풍기 중 전향 베인으로 풍량 변화에 풍압 변화가 적고, 풍량이 증가하면 동력이 증가하는 통풍기는?

    문제이미지

    9

    2025년 2회 기출

    35. 부하 전류가 변화하여도 단자 전압은 거의 변하지 않는 특성은?

    10

    2025년 2회 기출

    40. 펌프의 캐비테이션 방지책으로 적합한 것은?

    캐비테이션(Cavitation, 공동현상)

    : 유체가 빠른 속도로 흐를 때 압력이 낮아져 포화 증기압 이하로 떨어지며 기포가 발생, 성장, 붕괴하는 현상


    주요 발생 원인

    - 펌프 흡입양정 높을 때(: 펌프입구 압력 낮아짐)

    - 유속이 너무 빠를 때

    - 온도가 높을 때

    - 배관 저항 또는 와류발생


    결과

    - 소음 및 진동

    - 성능저하

    - 임펠러 및 케이싱 손상


    방지대책

    - NPSH 확보

    - 흡입 압력 높이기

    - 유속 낮추기

    11

    2025년 2회 기출

    42. 설비진단 방법 중 금속성분 특유의 발광 또는 흡광현상을 이용하는 방법은?

    진동법

    오일분석법 < 페로그래피, SOAP법(연소) <원자흡광, 반광>>

    응력법

    12

    2025년 2회 기출

    44. 설비 효율화를 저해하는 로스(Loss)에 해당하지 않는 것은?

    ----------(조업로스)-----------[부하시간]

    0. 계획정지

    00. SD로스


    6대 로스

    ----------(정지로스)-----------[가동시간]

    1. 고장로스

    2. 준비 교체 조정 로스(작업준비로스)

    ----------(속도로스)-----------[실질 가동시간]

    3. 공전 순간정지 로스

    4. 속도저하 로스

    ----------(불량로스)-----------[가치기동시간]

    5. 불량수리 로스

    6. 초기수율 로스

    13

    2025년 2회 기출

    45. 다음 센서 중 가속도 센서로 사용되는것은?

    접촉

    속도 - 동전형

    가속도 - 압전

    비접촉

    변위 - 와전류형, 용량

    14

    2025년 2회 기출

    52. 다음 중 부하시간을 나타낸 것은?

    조업시간 = 부하시간 + 무부하 + 기타

    부하시간 = 정미 가동시간 + 정지시간

    15

    2025년 2회 기출

    56. 바셀린(petrolatum)방청유의 종류가 아닌것은?

    1종 (KP-4) - 소형

    2종 (KP-5) - 중형

    3종 (KP-6) - 대형