모두CBT | 국가고시 실기시험 부시기!

22년 1회 오답노트 해설 페이지

22년 1회 오답노트

    1

    22년 1회 오답노트

    알맞은 게측기 또는 측정방법을 쓰시오.

    (1) 변압기의 절연저항

    (2) 검류계의 내부저항

    (3) 전해액의 저항

    (4) 백열전구의 필라멘트(백열상태)

    (5) 고저항 측정

    (1) 절연저항계

    (2) 휘스톤브리지

    (3) 콜라우시 브리지

    (4) 전압강하법

    (5) 절연저항계

    2

    22년 1회 오답노트
    문제이미지
    문제이미지

    3

    22년 1회 오답노트
    문제이미지

    4

    22년 1회 오답노트

    **

    문제이미지
    문제이미지

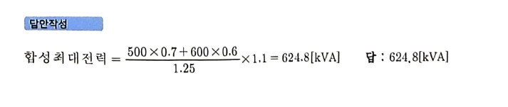
    5

    22년 1회 오답노트
    문제이미지

    손실도 전력에 다 포함되는가보다 그래서 1.1 곱하는듯

    문제이미지

    6

    22년 1회 오답노트
    문제이미지
    문제이미지

    7

    22년 1회 오답노트

    **

    문제이미지

    (1) 0.6/1kV EP 고무 절연 클로로프렌 외장 케이블

    (2) 인입용 고무 절연전선 2심 평형

    (3) 450/750V 저독성 난연 폴리올레핀 절연전선

    8

    22년 1회 오답노트
    문제이미지
    문제이미지

    9

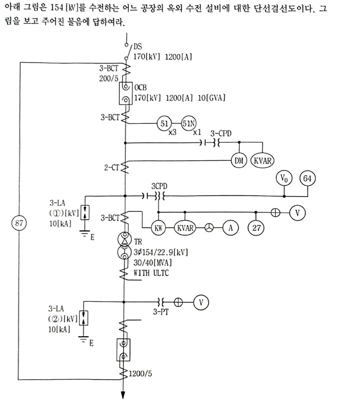
    22년 1회 오답노트

    **

    (1) 단선도상의 피뢰기 정격 전압은 각각 몇 kV인가?

    (2) 주보호 계전기는 어느 것인지 계전기 분류 번호를 쓰고 그 명칭을 써라.

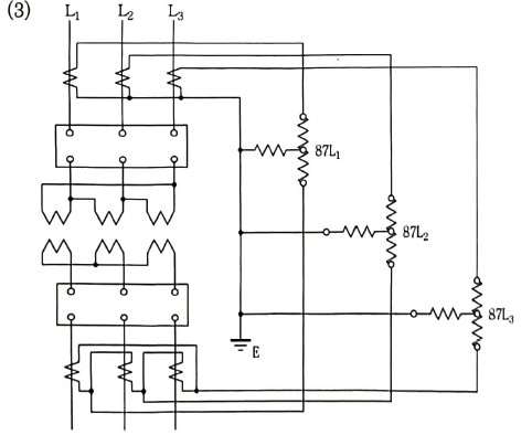
    (3) 결선도 그려라

    (4) 보조 변류기의 역할에 대하여 간단히 설명하여라.

    문제이미지

    (1) ① 144 kV

    ② 21 kV

    (2) 87, 비율차동계전기

    (3) 결선도 이미지 참고

    (4) 비율차동계전기 1,2차 전류 차이를 보정

    문제이미지

    10

    22년 1회 오답노트
    문제이미지
    문제이미지

    11

    22년 1회 오답노트
    문제이미지
    문제이미지

    12

    22년 1회 오답노트
    문제이미지
    문제이미지

    13

    22년 1회 오답노트
    문제이미지

    (1)실지수는 표에 있으니 딱 떨어지는 값으로 구하기

    (4) kWh에 2등용인거 확인 필수! *2

    문제이미지