모두CBT | 국가고시 실기시험 부시기!

용접산업기사 4과목 ( 국제 규격 설비 ) 1 ~100번 해설 페이지

용접산업기사 4과목 ( 국제 규격 설비 ) 1 ~100번

    1

    용접산업기사 4과목 ( 국제 규격 설비 ) 1 ~100번

    특정 부분의 도형이 작아서 그부분의 상세한 도시나 치수 기 입을 할 수 없을 때 그 부분을 가는 실선으로 에워싸고, 영 문자 대문자로 표시함과 동시에 그 해당 부분을 다른 장세로 확대하여 그리는 것은?

    다들 공부 열심히 하셔서 좋은 결과 있으시길 바랍니다~

    2

    용접산업기사 4과목 ( 국제 규격 설비 ) 1 ~100번

    도형의 표시방법 중 도형의 생략 도시에 관한 내용으로 가장 적절하지 않은 것은?

    3

    용접산업기사 4과목 ( 국제 규격 설비 ) 1 ~100번

    다음 중 치수 기입의 원칙으로 틀린 것은?

    4

    용접산업기사 4과목 ( 국제 규격 설비 ) 1 ~100번

    다음과 같은 용접 기본기호의 명칭으로 맞는 것은?

    문제이미지

    5

    용접산업기사 4과목 ( 국제 규격 설비 ) 1 ~100번

    다음 선의 종류 중 단면의 무게 중심을 연결한 선을 표시하거 나, 렌즈를 통과하는 광축을 나타내는데 사용하는 것은?

    6

    용접산업기사 4과목 ( 국제 규격 설비 ) 1 ~100번

    다음 중 각기둥이나 원기둥을 전개할 때 사용하는 전개도법으 로 가장 적합한 것은?

    7

    용접산업기사 4과목 ( 국제 규격 설비 ) 1 ~100번

    KS에서 일반 구조용 압연강재의 종류로 옳은 것은?

    8

    용접산업기사 4과목 ( 국제 규격 설비 ) 1 ~100번

    그림과 같은 용접기호가 심(seam)용접부에 도시되어 있다. 다 음 중 설명이 틀린 것은?

    문제이미지

    9

    용접산업기사 4과목 ( 국제 규격 설비 ) 1 ~100번

    다음 관 이음쇠의 기호 플랜지 이음의 캡 기호로 가장 적합 한 것은?ss

    10

    용접산업기사 4과목 ( 국제 규격 설비 ) 1 ~100번

    다음 그림의 용접기호는 어떤 용접을 나타내는가?

    문제이미지

    11

    용접산업기사 4과목 ( 국제 규격 설비 ) 1 ~100번

    한 도면에서 두 종류 이상의 선이 같은 장소에 겹치게 될 때 우선순위로 옳은 것은?

    12

    용접산업기사 4과목 ( 국제 규격 설비 ) 1 ~100번

    특정 부분의 도형이 작아서 그 부분의 상세한 도시나 치수 기입을 할 수 없을 때는 그 부분을 가는 실선으로 에워싸고, 영문자 대문자로 표시함과 동시에 그 해당 부분을 다른 장소 에 확대하여 그리는 것은?

    13

    용접산업기사 4과목 ( 국제 규격 설비 ) 1 ~100번

    문제 오류

    14

    용접산업기사 4과목 ( 국제 규격 설비 ) 1 ~100번

    제조 공정의 도중 상태 또는 일련의 공정 전체를 나타낸 제작도로 공작 공정도, 검사도, 설치도가 포함된 제작도는?

    15

    용접산업기사 4과목 ( 국제 규격 설비 ) 1 ~100번

    중심축과 물체의 표면이 나란하게 이루어진 물체, 즉 각 모 서리가 직각으로 만나는 물체나 원통형 물체를 전개할 때 사 용하는 전개도법으로 가장 적합한 것은?

    16

    용접산업기사 4과목 ( 국제 규격 설비 ) 1 ~100번

    그림과 같이 “넓은 루트면이 있고 이면 용접된 V형 맞대기 용접”의 기호를 바르게 표시한 것은?

    문제이미지

    17

    용접산업기사 4과목 ( 국제 규격 설비 ) 1 ~100번

    다음 용접의 명칭과 기호가 틀린 것은?

    18

    용접산업기사 4과목 ( 국제 규격 설비 ) 1 ~100번

    다음 선의 종류 중 특수한 가공을 하는 부분 등 특별한 요구 사항을 적용할 수 있는 범위를 표시하는데 사용하는 선은?

    19

    용접산업기사 4과목 ( 국제 규격 설비 ) 1 ~100번

    CAD 시스템의 도입 효과가 아닌 것은?

    20

    용접산업기사 4과목 ( 국제 규격 설비 ) 1 ~100번

    치수선으로 사용되는 선의 종류는?

    21

    용접산업기사 4과목 ( 국제 규격 설비 ) 1 ~100번

    일반 구조용 압연 강재를 Ks기호로 바르게 나타낸 것은?

    22

    용접산업기사 4과목 ( 국제 규격 설비 ) 1 ~100번

    다음 용접보조기호의 설명으로 옳은 것은?

    문제이미지

    23

    용접산업기사 4과목 ( 국제 규격 설비 ) 1 ~100번

    핸들이나 바퀴 등의 암 및 림, 리브, 훅 등의 절단부의를 90° 회전시켜서 그린 단면도는?

    24

    용접산업기사 4과목 ( 국제 규격 설비 ) 1 ~100번

    치수 기입 시 구의 반지름을 표시하는 치수보조기호는?

    25

    용접산업기사 4과목 ( 국제 규격 설비 ) 1 ~100번

    복사나 도면을 접을 때 그 크기는 원칙적으로 어느 사이즈로 하는가?

    26

    용접산업기사 4과목 ( 국제 규격 설비 ) 1 ~100번

    다음 용접부 기호에 대한 설명으로 틀린 것은?

    문제이미지

    27

    용접산업기사 4과목 ( 국제 규격 설비 ) 1 ~100번

    KS규격에 의한 치수 기입의 원칙에 대한 설명으로 틀린 것 은?

    28

    용접산업기사 4과목 ( 국제 규격 설비 ) 1 ~100번

    사투상도에 있어서 경사축의 각도로 가장 적합하지 않은 것 은?

    29

    용접산업기사 4과목 ( 국제 규격 설비 ) 1 ~100번

     다음 중 관 결합 방식의 종류가 아닌 것은?

    30

    용접산업기사 4과목 ( 국제 규격 설비 ) 1 ~100번

    치수선, 치수보조선, 지시선, 회전단면성에 사용되는 선으로 가장 적합한 것은?

    31

    용접산업기사 4과목 ( 국제 규격 설비 ) 1 ~100번

    다음 재료 기호 중 기계 구조용 탄소 강재를 나타낸 것은?

    32

    용접산업기사 4과목 ( 국제 규격 설비 ) 1 ~100번

    도면에서 척도를 표시할 때 NS의 의미는?

    33

    용접산업기사 4과목 ( 국제 규격 설비 ) 1 ~100번

    다음 그림과 같은 제3각법 투상도에서 A가 정면도일 때 배면 도는?

    문제이미지

    34

    용접산업기사 4과목 ( 국제 규격 설비 ) 1 ~100번

    다음 용접 기호 중 ‘2a'가 의미하는 것은?

    문제이미지

    35

    용접산업기사 4과목 ( 국제 규격 설비 ) 1 ~100번

    용접 기호에 참고 표시로 끝(꼬리) 부분에 표시하는 내용이 아닌 것은?

    36

    용접산업기사 4과목 ( 국제 규격 설비 ) 1 ~100번

    다음 그림 중 모서리 이음을 나타낸 것은?

    37

    용접산업기사 4과목 ( 국제 규격 설비 ) 1 ~100번

    부품의 면이 평면으로 가공되어 있고, 복잡한 윤곽을 갖는 부품인 경우에 그 면에 광명단 등을 발라 스케치 용지에 찍 어 그 면의 실형을 얻는 스케치 방법은?

    38

    용접산업기사 4과목 ( 국제 규격 설비 ) 1 ~100번

    다음 중 가는 이점 쇄선의 용도로 가장 적합한 것은?

    39

    용접산업기사 4과목 ( 국제 규격 설비 ) 1 ~100번

    핸들이나 바퀴 등의 암 및 리브, 훅, 축, 구조물의 부재 등의 절단면을 표시하는데 가장 적합한 단면도는?

    40

    용접산업기사 4과목 ( 국제 규격 설비 ) 1 ~100번

     다음 용접 도시기호의 설명으로 옳은 것은?

    문제이미지

    41

    용접산업기사 4과목 ( 국제 규격 설비 ) 1 ~100번

    다음 중 가는 실선으로 표시되는 것은?

    42

    용접산업기사 4과목 ( 국제 규격 설비 ) 1 ~100번

     다음 중 판의 맞대기 용접에서 위보기 자세를 나타내는 것 은?

    43

    용접산업기사 4과목 ( 국제 규격 설비 ) 1 ~100번

    기계제도에 사용하는 문자의 종류가 아닌 것은?

    44

    용접산업기사 4과목 ( 국제 규격 설비 ) 1 ~100번

    도면에서 해칭을 하는 경우는?

    45

    용접산업기사 4과목 ( 국제 규격 설비 ) 1 ~100번

    다음 치수기입 방법의 일반 형식 중 잘못 표시된 것은?

    46

    용접산업기사 4과목 ( 국제 규격 설비 ) 1 ~100번

    핸들이나 바퀴의 암 및 리브 훅, 축 구조물의 부재 등에 절 단면을 90° 회전하여 그린 단면도는?

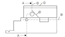
    47

    용접산업기사 4과목 ( 국제 규격 설비 ) 1 ~100번

    아래 그림의 화살표 쪽의 인접부분을 참고로 표시하는 데 사 용하는 선의 명칭은?

    문제이미지

    48

    용접산업기사 4과목 ( 국제 규격 설비 ) 1 ~100번

    다음 중 심(Seam) 용접이음 기호로 맞는 것은?

    49

    용접산업기사 4과목 ( 국제 규격 설비 ) 1 ~100번

    X, Y, Z방향의 축을 기준으로 공간상에 하나의 점을 표시할 때 각 축에 대한 X, Y, Z에 대응하는 좌표값으로 표시하는 CAD 시스템의 좌표계의 명칭은?

    50

    용접산업기사 4과목 ( 국제 규격 설비 ) 1 ~100번

    도면에 치수를 기입할 때의 유의 사항으로 틀린 것은?

    51

    용접산업기사 4과목 ( 국제 규격 설비 ) 1 ~100번

    다음 용접자세 중 수직 자세를 나타내는 것은?

    52

    용접산업기사 4과목 ( 국제 규격 설비 ) 1 ~100번

    다음 KS 용접기호에서 C가 의미하는 것은?

    문제이미지

    53

    용접산업기사 4과목 ( 국제 규격 설비 ) 1 ~100번

     도면의 양식 및 도면 접기에 대한 설명 중 틀린 것은?

    54

    용접산업기사 4과목 ( 국제 규격 설비 ) 1 ~100번

    다음 용접 기본기호의 명칭으로 맞는 것은?

    문제이미지

    55

    용접산업기사 4과목 ( 국제 규격 설비 ) 1 ~100번

    도형 내의 특정한 부분이 평면이라는 것을 표시할 경우 맞는 기입 방법은?

    문제이미지

    56

    용접산업기사 4과목 ( 국제 규격 설비 ) 1 ~100번

    도면에 치수를 기입할 때 유의사항으로 틀린것은?

    57

    용접산업기사 4과목 ( 국제 규격 설비 ) 1 ~100번

    다음 도면에서 ❶이 표시된 선의 명칭은?

    문제이미지

    58

    용접산업기사 4과목 ( 국제 규격 설비 ) 1 ~100번

    용접부 표면 및 용접부 형상 보조기호 중 영구적인 이면 판 재 사용을 나타내는 기호는?

    59

    용접산업기사 4과목 ( 국제 규격 설비 ) 1 ~100번

     KS의 재료기호 중 'SPLT 390'은 어떤 재료를 의미하는가?

    60

    용접산업기사 4과목 ( 국제 규격 설비 ) 1 ~100번

    그림과 같은 용접도시기호에 의하여 용접할 경우 설명으로 틀린 것은?

    문제이미지

    61

    용접산업기사 4과목 ( 국제 규격 설비 ) 1 ~100번

    도면 관리에 필요한 사항과 도면 내용에 관한 중요한 사항을 정리하여 도면에 기입하는 것은?

    62

    용접산업기사 4과목 ( 국제 규격 설비 ) 1 ~100번

    다음 중 도면의 크기에 대한 설명으로 틀린 것은?

    63

    용접산업기사 4과목 ( 국제 규격 설비 ) 1 ~100번

     다음 중 얇은 부분의 단면도를 도시할 때 사용하는 선은?

    64

    용접산업기사 4과목 ( 국제 규격 설비 ) 1 ~100번

     다음 중 치수 보조기호의 의미가 틀린 것은?

    65

    용접산업기사 4과목 ( 국제 규격 설비 ) 1 ~100번

    일반적인 판금전개도를 그릴 때 전개 방법이 아닌 것은?

    66

    용접산업기사 4과목 ( 국제 규격 설비 ) 1 ~100번

    상, 하 또는 좌, 우 대칭인 물체의 중심선을 기준으로 내부와 외부 모양을 동시에 표시 하는 단면도법은?

    67

    용접산업기사 4과목 ( 국제 규격 설비 ) 1 ~100번

    다음은 KS 기계제도의 모양에 따른 선의 종류를 설명한 것이 다. 틀린 것은?

    68

    용접산업기사 4과목 ( 국제 규격 설비 ) 1 ~100번

    제도에서 사용되는 선의 종류 중 가는 2점 쇄선의 용도를 바르게 나타낸 것은?

    69

    용접산업기사 4과목 ( 국제 규격 설비 ) 1 ~100번

    도면에서 2종류 이상의 선이 같은 장소에서 중복될 경우 도 면에 우선적으로 그어야 하는 선은?

    70

    용접산업기사 4과목 ( 국제 규격 설비 ) 1 ~100번

    다음 용접부 기호의 설명으로 옳은 것은?

    (단, 네모박스 안의 영문자는 MR이다.)

    문제이미지

    71

    용접산업기사 4과목 ( 국제 규격 설비 ) 1 ~100번

    KS의 부문별 분류기호 중 “B”에 해당하는 분야는?

    72

    용접산업기사 4과목 ( 국제 규격 설비 ) 1 ~100번

    다음 용접기호 중 플러그 용접을 표시한 것은?

    73

    용접산업기사 4과목 ( 국제 규격 설비 ) 1 ~100번

    다음 용접기호 표시를 바르게 설명한 것은?

    문제이미지

    74

    용접산업기사 4과목 ( 국제 규격 설비 ) 1 ~100번

     다음 중 가는 실선을 사용하지 않는 선은?

    75

    용접산업기사 4과목 ( 국제 규격 설비 ) 1 ~100번

    치수 보조기호로 사용되는 기호가 잘못 표기된 것은?

    76

    용접산업기사 4과목 ( 국제 규격 설비 ) 1 ~100번

    도면에 치수를 기입할 때 유의해야 할 사항으로 틀린 것은?

    77

    용접산업기사 4과목 ( 국제 규격 설비 ) 1 ~100번

    일반적으로 부품의 모양을 스케치하는 방법이 아닌 것은?

    78

    용접산업기사 4과목 ( 국제 규격 설비 ) 1 ~100번

    그림과 같이 치수를 둘러싸고 있는 사각 틀(□)이 뜻하는 것 은?

    문제이미지

    79

    용접산업기사 4과목 ( 국제 규격 설비 ) 1 ~100번

    용접 기본 기호 중 “ ” 기호의 명칭으로 옳은 것은?

    문제이미지

    80

    용접산업기사 4과목 ( 국제 규격 설비 ) 1 ~100번

    선의 종류에 의한 용도에서 가는 실선으로 사용하지 않는 것 은?

    81

    용접산업기사 4과목 ( 국제 규격 설비 ) 1 ~100번

    다음 선의 용도 중 가는 실선을 사용하지 않는 것은?

    82

    용접산업기사 4과목 ( 국제 규격 설비 ) 1 ~100번

    용접부 표면의 형상과 기호가 올바르게 연결된 것은?

    83

    용접산업기사 4과목 ( 국제 규격 설비 ) 1 ~100번

    다음 중 치수 기입의 원칙으로 틀린 것은?

    84

    용접산업기사 4과목 ( 국제 규격 설비 ) 1 ~100번

     다음 용접의 명칭과 기호가 맞지 않는 것은?

    85

    용접산업기사 4과목 ( 국제 규격 설비 ) 1 ~100번

    다음 중 SM 45C 의 명칭으로 옳은 것은?

    86

    용접산업기사 4과목 ( 국제 규격 설비 ) 1 ~100번

    치수 기입의 방법을 설명한 것으로 틀린 것은?

    87

    용접산업기사 4과목 ( 국제 규격 설비 ) 1 ~100번

    다음 중 각기둥이나 원기둥을 전개할 때 사용하는 전개도법 으로 가장 적합한 것은?

    88

    용접산업기사 4과목 ( 국제 규격 설비 ) 1 ~100번

    다음 중 가는 1 점 쇄선의 용도가 아닌 것은?

    89

    용접산업기사 4과목 ( 국제 규격 설비 ) 1 ~100번

    다음 중 스케치 방법이 아닌 것은?

    90

    용접산업기사 4과목 ( 국제 규격 설비 ) 1 ~100번

     KS 의 부문별 기호 연결이 잘못된 것은?

    91

    용접산업기사 4과목 ( 국제 규격 설비 ) 1 ~100번

    사투상도에 있어서 경사축의 각도로 가장 적합하지 않은 것 은?

    92

    용접산업기사 4과목 ( 국제 규격 설비 ) 1 ~100번

    다음 중 기계를 나타내는 KS 부분별 분류기호는?

    93

    용접산업기사 4과목 ( 국제 규격 설비 ) 1 ~100번

    제3각법의 투상도 배치에서 정면도의 위쪽에는 어느 투상면 이 배치되는가?

    94

    용접산업기사 4과목 ( 국제 규격 설비 ) 1 ~100번

    일부를 도시하는 것으로 충분한 경우에는 그 필요 부분만을 표시하는 투상도는?

    95

    용접산업기사 4과목 ( 국제 규격 설비 ) 1 ~100번

    다음 선의 종류 중 특수한 가공을 하는 부분 등 특별한 요구 사항을 적용할 수 있는 범위를 표시하는데 사용하는 선은?

    96

    용접산업기사 4과목 ( 국제 규격 설비 ) 1 ~100번

    복사한 도면을 접을 때 그 크기는 원칙적으로 어느 사이즈로 하는가?

    97

    용접산업기사 4과목 ( 국제 규격 설비 ) 1 ~100번

    탄소강 단강품인 SF 340A에서 340이 의미하는 것은?

    98

    용접산업기사 4과목 ( 국제 규격 설비 ) 1 ~100번

    용접부 보조 기호 중 영구적인 덮개 판을 사용하는 기호는?

    99

    용접산업기사 4과목 ( 국제 규격 설비 ) 1 ~100번

    KS 용접 기호 중 Z △n×L(e)에서 n이 의미하는 것은?

    100

    용접산업기사 4과목 ( 국제 규격 설비 ) 1 ~100번

    다음 용접 기호 중 가장자리 용접에 해당되는 기호는?

    101

    용접산업기사 4과목 ( 국제 규격 설비 ) 1 ~100번