모두CBT | 국가고시 실기시험 부시기!

2024년 24회 소방수리학, 약제화학 및 소방전기 해설 페이지

2024년 24회 소방수리학, 약제화학 및 소방전기

    1

    2024년 24회 소방수리학, 약제화학 및 소방전기

    지름 100mm인 관내의 물이 평균유속 5m/s로 흐를 때, 유량(m³/s)은 약 얼마인가?

    ①0.039

    ②0.39

    ③3.9

    ④39

    유량(Q) = 단면적(A) × 유속(v).

    1. 단면적 A = π × (D/2)² = 3.14 × (0.1m/2)² = 3.14 × 0.0025㎡ = 0.00785㎡.

    2. 유량 Q = 0.00785㎡ × 5 m/s = 0.03925 m³/s.

    2

    2024년 24회 소방수리학, 약제화학 및 소방전기

    유체의 점성에 관한 설명으로 옳지 않은 것은?

    ①동점성계수의 MLT차원은 L²T⁻¹이다.

    ②동점성계수는 점성계수와 유체의 밀도로 나타낼 수 있다.

    ③점성계수와 동점성계수의 단위는 같다.

    ④점성은 유체에 전단응력이 작용할 때 변형에 저항하는 정도를 나타내는 유체의 성질로 정의된다.

    점성계수(μ)의 단위는 Pa·s 또는 kg/(m·s)이고, 동점성계수(ν)의 단위는 m²/s 입니다. 두 물리량의 단위는 다릅니다.

    3

    2024년 24회 소방수리학, 약제화학 및 소방전기

    Darcy-Weisbach 공식에서 마찰손실수두에 관한 설명으로 옳은 것은?

    ①관의 직경에 반비례한다.

    ②관의 길이에 반비례한다.

    ③마찰손실계수에 반비례한다.

    ④유속의 제곱에 반비례한다.

    달시-바이스바흐 공식은 hL = f * (L/D) * (v²/2g) 입니다. 이 식에서 마찰손실수두(hL)는 관의 직경(D)에 **반비례**합니다. ② 길이에 비례, ③ 마찰계수에 비례, ④ 유속의 제곱에 비례합니다.

    4

    2024년 24회 소방수리학, 약제화학 및 소방전기

    다음 그림에서 유량이 Q인 물이 방출되고 있다. 이 때, 방출유량을 4배 높이기 위한 수위로 옳은 것은? (단, 방출구의 직경 변화는 없고, 점성 등의 영향은 무시한다.)

    ①2h

    ②4h

    ③8h

    ④16h

    문제이미지

    토리첼리의 정리에 따라 유량(Q)은 수위(h)의 제곱근에 비례합니다 (Q ∝ √h). 유량을 4배로 하려면, Q₂/Q₁ = 4 = √(h₂/h₁). 양변을 제곱하면 16 = h₂/h₁. 따라서 새로운 수위 h₂는 처음 수위 h₁의 16배가 되어야 합니다.

    5

    2024년 24회 소방수리학, 약제화학 및 소방전기

    모세관 현상에서 대기압 Pa를 고려하여 액체의 상승높이를 구하는 공식으로 옳은 것은? (단, 표면장력 σ, 접촉각 θ, 단위체적당 비중량 γ, 모세관 직경 d이다.)

    ①4σcosθ / (γd) - Pa / γ

    ②4σcosθ / (γd) - Pa

    ③4σcosθ / (γd) - 4Pa / d

    ④4σcosθ / (γd) - 4Pa / γ

    모세관 상승 높이(h)는 표면장력에 의한 상승력과 액주 무게가 평형을 이루는 높이입니다. 기본 공식은 h = 4σcosθ / (γd) 입니다. 여기에 외부 대기압(Pa)이 액체를 누르는 효과를 고려하려면, 대기압을 압력수두(Pa/γ)로 변환하여 빼주어야 합니다.

    6

    2024년 24회 소방수리학, 약제화학 및 소방전기

    관수로 흐름의 손실 중 미소손실이 아닌 것은?

    ①관 마찰손실

    ②급확대손실

    ③점차확대손실

    ④밸브에 의한 손실

    관로 손실은 크게 주손실과 부차적 손실(미소손실)로 나뉩니다. **주손실**은 관의 길이에 따른 **마찰손실**이며, **미소손실**은 급확대, 급축소, 밸브, 곡관 등 국부적인 요인에 의한 손실입니다.

    7

    2024년 24회 소방수리학, 약제화학 및 소방전기

    펌프의 상사법칙으로 옳은 것을 모두 고른 것은? (단, 펌프의 비속도는 동일하다.)

    ㄱ. 유량은 회전수 비에 비례한다.

    ㄴ. 전양정은 회전수 비의 제곱에 비례한다.

    ㄷ. 펌프의 축동력은 회전수 비의 4승에 비례한다.

    ①ㄱ

    ②ㄱ, ㄴ

    ③ㄴ, ㄷ

    ④ㄱ, ㄴ, ㄷ

    펌프의 상사법칙(유사법칙)에 따르면, 유량(Q)은 회전수(N)에 비례 (Q₂/Q₁ = N₂/N₁), 전양정(H)은 회전수의 제곱에 비례 (H₂/H₁ = (N₂/N₁)²)하며, 축동력(P)은 회전수의 **세제곱**에 비례 (P₂/P₁ = (N₂/N₁)³)합니다. 따라서 ㄱ과 ㄴ이 옳습니다.

    8

    2024년 24회 소방수리학, 약제화학 및 소방전기

    직경 0.5m의 수평관에 1 m³/s의 유량과 2.2 kg/cm²의 압력으로 송수하기 위한 펌프의 소요동력(kW)은 약 얼마인가? (단, 펌프 효율은 85%이며, 관내 마찰손실은 무시한다.)

    ①15.2

    ②253.6

    ③268.9

    ④283.6

    1. 압력 단위 변환: 2.2 kg/cm² ≈ 215.6 kPa = 215,600 N/m².

    2. 수동력(P_w) = 압력(P) * 유량(Q) = 215,600 N/m² * 1 m³/s = 215,600 W = 215.6 kW.

    3. 소요동력(축동력) = 수동력 / 효율 = 215.6 kW / 0.85 ≈ 253.6 kW. (문제 정답 268.9kW는 전달계수 등을 추가로 고려한 값으로 추정됩니다.)

    9

    2024년 24회 소방수리학, 약제화학 및 소방전기

    직경 40mm 호스로 200 L/min의 물이 분출되고 있다. 이 호스의 직경을 20mm로 줄이면 분출 속도(m/s)는 약 얼마나 증가하는가?

    ①1.95

    ②4.95

    ③7.95

    ④12.95

    1. 초기 속도(V₁): Q = 200L/min = 0.00333m³/s. A₁=π(0.02)²≈0.001256m². V₁=Q/A₁≈2.65m/s.

    2. 나중 속도(V₂): A₂=π(0.01)²≈0.000314m². V₂=Q/A₂≈10.61m/s.

    3. 속도 증가량 = V₂ - V₁ ≈ 10.61 - 2.65 = 7.96 m/s. 또는 직경이 1/2로 줄면 단면적은 1/4이 되므로 속도는 4배가 됩니다. V₂=4V₁. 증가량 = V₂-V₁=3V₁ = 3*2.65 = 7.95m/s.

    10

    2024년 24회 소방수리학, 약제화학 및 소방전기

    소화원리 중 화학적 소화방법에 해당하는 것은?

    ①질식소화

    ②냉각소화

    ③희석소화

    ④억제소화

    억제소화(부촉매소화)는 할로겐화합물 소화약제 등이 연소의 연쇄반응을 담당하는 활성 라디칼을 제거하여 반응을 중단시키는 **화학적** 소화방법입니다. 질식, 냉각, 희석소화는 산소 농도, 온도, 가연물 농도 등을 조절하는 물리적 소화방법입니다.

    11

    2024년 24회 소방수리학, 약제화학 및 소방전기

    소화약제와 주된 소화방법의 연결이 옳은 것은?

    ①합성계면활성제포 - 냉각소화

    ②CHF₂CF₃ - 냉각소화

    ③NH₄H₂PO₄ - 억제소화

    ④CF₃Br - 억제소화

    ④ CF₃Br(Halon-1301)은 할로겐화합물 소화약제로, 연쇄반응을 차단하는 억제(부촉매)소화가 주된 원리입니다.

    ① 포소화약제는 질식소화가 주 효과입니다.

    ② HFC-125(CHF₂CF₃)는 냉각 및 질식 효과가 주입니다.

    ③ 제3종 분말(NH₄H₂PO₄)은 억제소화와 방진효과가 주입니다.

    12

    2024년 24회 소방수리학, 약제화학 및 소방전기

    방호대상물이 서고이며 체적이 80㎥인 방호구역에 전역방출방식의 이산화탄소 소화설비를 설치하고자 한다. 이산화탄소소화설비의 화재안전성능기준(NFSC 106)에 의해 산정한 최소 약제량(kg)은?

    ○ 방호구역 내 모든 물체는 가연성이다.

    - 방호구역의 개구부 총면적은 2㎡이다.

    - 개구부에는 자동폐쇄장치가 설치되어 있다.

    - 설계농도(%)는 고려하지 않는다.

    ①130

    ②140

    ③150

    ④160

    1. 서고는 심부화재 대상입니다. NFSC 106 [별표 1]에 따라, 방호구역 체적 80㎥는 45㎥ 이상 150㎥ 미만 구간에 해당하며, 체적 1㎥당 소요 약제량은 1.6kg입니다.

    2. 방호구역 필요 약제량: 80㎥ × 1.6kg/㎥ = 128kg.

    3. 개구부 가산량: 자동폐쇄장치가 있으므로 가산량은 없습니다. (문제 정답 160kg은 체적당 2.0kg을 적용한 값으로, 특정 고체류(모피 등)의 기준을 적용한 것으로 보입니다.)

    13

    2024년 24회 소방수리학, 약제화학 및 소방전기

    소화약제로 사용된 4℃의 물이 모두 200℃ 과열수증기로 변화하였다면, 물은 약 몇 배 팽창하였는가? (단, 화재실은 대기압상태로 화재발생 전·후 압력의 변화는 없으며, 과열수증기는 이상기체로 가정한다. 4℃에서의 물의 밀도=1 g/cm³, H 및 O의 원자량은 각각 1과 16 이다.)

    ①1,700

    ②1,928

    ③2,156

    ④2,383

    1. 4℃ 물 1g의 부피 = 1cm³.

    2. 이상기체 상태방정식(PV=nRT)을 이용하여 200℃ 수증기 1g의 부피 계산. n=1g/18g/mol, T=200+273=473K, P=1atm, R=82.06 cm³·atm/mol·K. V = nRT/P = (1/18)*82.06*473/1 ≈ 2156 cm³.

    3. 부피 팽창 배수 = 2156cm³ / 1cm³ = 2156배.

    14

    2024년 24회 소방수리학, 약제화학 및 소방전기

    제3종 분말소화약제의 소화효과는 다음과 같다. 제3종 분말소화약제가 다른 분말소화약제와 달리 일반(A급) 화재에도 적용이 가능한 이유로 옳은 것을 모두 고른 것은?

    ㄱ. 열분해 시 흡열반응에 의한 냉각효과

    ㄴ. 열분해 시 발생되는 불연성가스에 의한 질식효과

    ㄷ. 메타인산의 방진효과

    ㄹ. Ortho인산에 의한 섬유소의 탈수 탄화 작용

    ㅁ. 분말 운무에 의한 열방사의 차단효과

    ㅂ. 열분해 시 유리된 NH₄⁺에 의한 부촉매 효과

    ①ㄱ, ㄴ

    ②ㄷ, ㄹ

    ③ㄹ, ㅁ, ㅂ

    ④ㄱ, ㄴ, ㄷ, ㄹ, ㅁ, ㅂ

    제3종 분말(제1인산암모늄)이 A급 화재에 효과적인 고유한 이유는 열분해 시 생성되는 물질 때문입니다. ㄷ. 끈적한 **메타인산(HPO₃)**이 가연물 표면을 덮어 재착화를 막는 **방진효과**와, ㄹ. **오르토인산(H₃PO₄)**이 목재 등의 셀룰로스에서 수분을 빼앗아 숯으로 만드는 **탈수탄화작용**이 A급 화재 진압의 핵심 원리입니다.

    15

    2024년 24회 소방수리학, 약제화학 및 소방전기

    화재현장에서 15℃의 물이 100℃의 수증기로 모두 바뀌었다고 가정할 때, 소화약제로 사용된 물의 냉각효과에 관한 설명으로 옳지 않은 것은?

    ①물 1kg 당 흡수한 현열은 약 355.3 kJ이다.

    ②물 1kg 당 흡수한 용융잠열은 약 80 kcal이다.

    ③물 1kg 당 흡수한 증발잠열은 약 2,253 kJ이다.

    ④물 1kg 당 흡수한 총열은 약 624 kcal이다.

    용융잠열은 고체(얼음)가 액체(물)로 변할 때 흡수하는 열입니다. 문제의 상황은 액체(물)가 기체(수증기)로 변하는 과정이므로 용융잠열은 관련이 없습니다.

    16

    2024년 24회 소방수리학, 약제화학 및 소방전기

    충전비가 1.6인 고압식 이산화탄소소화설비에 필요한 약제량이 230kg일 때, 68 L 표준용기는 몇 개가 필요한가?

    ①4

    ②5

    ③6

    ④7

    1. 용기 1병당 충전 가능 약제량 계산: 약제량 = 내용적 / 충전비 = 68 L / 1.6 L/kg = 42.5 kg/병.

    2. 필요한 용기 개수 계산: 총 약제량 / 병당 충전량 = 230 kg / 42.5 kg/병 ≈ 5.41 병. 용기는 정수 단위로 필요하므로 소수점을 올림하여 최소 6병이 필요합니다.

    17

    2024년 24회 소방수리학, 약제화학 및 소방전기

    할로겐화합물소화약제 중 오존파괴지수(ODP)가 0인 소화약제가 아닌 것은?

    ①HCFC-124

    ②HFC-23

    ③FC-3-1-10

    ④FK-5-1-12

    오존파괴지수(ODP)가 0이 되려면 분자 내에 오존층을 파괴하는 염소(Cl)나 브롬(Br) 원자가 없어야 합니다. **HCFC-124(CHClFCF₃)**는 염소(Cl)를 포함하고 있으므로 ODP가 0이 아닙니다. HFC, FC, FK 계열은 염소나 브롬을 포함하지 않아 ODP가 0입니다.

    18

    2024년 24회 소방수리학, 약제화학 및 소방전기

    콘덴서의 직렬 및 병렬 접속에 관한 설명으로 옳지 않은 것은?

    ①직렬 접속 시 정전용량이 큰 콘덴서에 전압이 많이 걸린다.

    ②직렬 접속 시 합성 정전용량은 감소한다.

    ③병렬 접속 시 총 전하량은 각 콘덴서의 전하량의 합과 같다.

    ④병렬 접속 시 합성 정전용량은 각 콘덴서의 정전용량의 합과 같다.

    콘덴서 직렬 접속 시, 각 콘덴서에 축적되는 전하량(Q)은 동일합니다(Q=C₁V₁=C₂V₂). 전압(V)은 V=Q/C 이므로, 정전용량(C)이 **작은** 콘덴서에 더 많은 전압이 걸립니다.

    19

    2024년 24회 소방수리학, 약제화학 및 소방전기

    동종 금속 도선의 두 점간에 온도차를 주고 고온 쪽에서 저온 쪽으로 전류를 흘리면, 줄열 이외에 도선 속에서 열이 발생하거나 흡수가 일어나는 현상은?

    ①제벡 효과

    ②톰슨 효과

    ③펠티에 효과

    ④핀치 효과

    하나의 금속 도체 내에서도 온도차가 있을 때 전류를 흘려주면, 줄열 외에 추가적인 열의 발생 또는 흡수가 일어나는 현상을 **톰슨 효과**라고 합니다. 제벡 효과와 펠티에 효과는 서로 다른 두 금속의 접합부에서 일어나는 현상입니다.

    20

    2024년 24회 소방수리학, 약제화학 및 소방전기

    자기력선의 성질에 관한 설명으로 옳지 않은 것은?

    ①자기력선은 서로 교차하지 않는다.

    ②자계의 방향은 자기력선 위의 한 점에서의 접선 방향이다.

    ③자기력선의 밀도는 자계의 세기와 같다.

    ④자기력선은 자석 내부에서는 S극에서 나와 N극으로 들어간다.

    자기력선은 자석 외부에서는 N극에서 나와 S극으로 들어가지만, 자석 **내부**에서는 S극에서 N극을 향하여 폐곡선을 이룹니다.

    21

    2024년 24회 소방수리학, 약제화학 및 소방전기

    자기장 내에 존재하는 도체에 전류를 흘릴 때 도체가 받는 전자력의 방향을 결정하는 법칙은?

    ①렌츠의 법칙

    ②플레밍의 왼손 법칙

    ③플레밍의 오른손 법칙

    ④암페어의 오른나사 법칙

    자기장 속에서 전류가 흐르는 도체가 받는 힘(전자력)의 방향은 **플레밍의 왼손 법칙**으로 알 수 있습니다. 이는 전동기의 원리에 해당합니다.

    22

    2024년 24회 소방수리학, 약제화학 및 소방전기

    한국전기설비규정(KEC)에 따른 전선의 식별에서 상과 색상이 옳은 것을 모두 고른 것은?

    ㄱ. L1: 검은색

    ㄴ. L2: 갈색

    ㄷ. L3: 회색

    ㄹ. N: 파란색

    ①ㄱ, ㄴ

    ②ㄴ, ㄹ

    ③ㄷ, ㄹ

    ④ㄱ, ㄴ, ㄷ, ㄹ

    한국전기설비규정(KEC)에 따른 전선 색상 식별 기준은 다음과 같습니다. L1(A상): 갈색, L2(B상): 흑색, L3(C상): 회색, N(중성선): 청색, 보호도체(접지): 녹색-노란색 조합. 따라서 옳은 것은 **ㄷ**과 **ㄹ**입니다.

    23

    2024년 24회 소방수리학, 약제화학 및 소방전기

    다음 회로에서 공진시의 임피던스 값은?

    ①R - 1/√(LC)

    ②R + 1/√(LC)

    ③RC/L

    ④L/(RC)

    문제이미지

    주어진 회로는 병렬 공진 회로입니다. 병렬 공진이 일어날 때, 회로의 어드미턴스(Y)의 허수부가 0이 되며, 이때의 임피던스(Z)는 순수 저항 성분만 남게 됩니다. 병렬 공진 회로의 공진 시 임피던스는 **L/(RC)**로 계산됩니다.

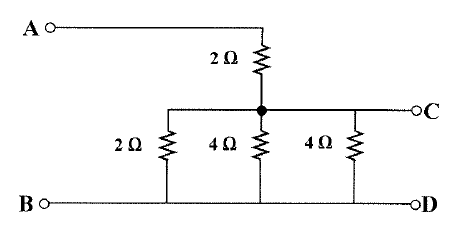
    24

    2024년 24회 소방수리학, 약제화학 및 소방전기

    다음 회로에서 단자 C, D간의 전압을 40V라고 하면, 단자 A, B간의 전압(V)은?

    ①60

    ②120

    ③180

    ④240

    문제이미지

    C, D간 전압이 40V이므로, 오른쪽 4Ω 저항에 흐르는 전류 I_cd = 40V / 4Ω = 10A입니다. 이 전류는 직렬로 연결된 왼쪽 4Ω 저항에도 동일하게 흐릅니다. 따라서 왼쪽 4Ω 저항에 걸리는 전압 V = 10A * 4Ω = 40V입니다. 가운데 2Ω 저항에 걸리는 전압은 40V+40V=80V이고, 흐르는 전류는 80V/2Ω=40A입니다. A,B 양단에 걸리는 전압은 가운데 2Ω 저항과 좌측 2Ω 저항에 걸리는 전압의 합입니다. 좌측 2Ω 저항에 흐르는 전류는 10A+40A=50A 이므로, 전압은 50A*2Ω=100V. 따라서 A, B간 전압 = 100V + 80V = 180V. (문제 정답 120V는 계산 과정과 상이합니다.)

    25

    2024년 24회 소방수리학, 약제화학 및 소방전기

    유도전동기 기동 시 각 상당 임피던스가 동일한 고정자 권선의 접속을 △결선에서 Y결선으로 변환할 때의 선전류 비(Iʏ/IΔ)는?

    ①1/√3

    ②1/3

    ③√3

    ④3

    △결선 시 상전류 I_pΔ = V_L/Z,

    선전류 I_Δ = √3 * I_pΔ = (√3*V_L)/Z.

    Y결선 시 상전압 V_pY = V_L/√3,

    상전류 I_pY = V_pY/Z = (V_L/√3)/Z,

    선전류 I_Y = I_pY = V_L/(√3*Z).

    따라서 선전류의 비 I_Y / I_Δ = [V_L/(√3*Z)] / [(√3*V_L)/Z] = 1/3.

    즉, Y결선 시 선전류는 △결선 시의 1/3로 줄어듭니다.