모두CBT | 국가고시 실기시험 부시기!

2023년 23회 소방수리학, 약제화학 및 소방전기 해설 페이지

2023년 23회 소방수리학, 약제화학 및 소방전기

    1

    2023년 23회 소방수리학, 약제화학 및 소방전기

    다음 중 유체에 해당하는 것을 모두 고른 것은?

    ㄱ. 고체

    ㄴ. 액체

    ㄷ. 기체

    ①ㄱ②ㄱ, ㄷ③ㄴ, ㄷ④ㄱ, ㄴ, ㄷ

    유체(Fluid)는 흐를 수 있는 물질을 총칭하는 용어로, 일정한 형태를 가지지 않고 변형이 쉬운 **액체**와 **기체**를 포함합니다. 고체는 유체에 해당하지 않습니다.

    2

    2023년 23회 소방수리학, 약제화학 및 소방전기

    어떤 액체의 동점성계수가 0.002 m²/s, 비중이 1.1일 때 이 액체의 점성계수 (N·s/m²)는 얼마인가? (단, 중력가속도는 9.8m/s², 물의 단위중량은 9.8 kN/m³이다.)

    ①2.2②6.8③10.1④15.7

    점성계수(μ) = 동점성계수(ν) × 밀도(ρ). 1. 액체의 밀도 계산: ρ = 비중 × 물의 밀도 = 1.1 × 1,000 kg/m³ = 1,100 kg/m³. 2. 점성계수 계산: μ = 0.002 m²/s × 1,100 kg/m³ = 2.2 kg/(m·s) = 2.2 N·s/m².

    3

    2023년 23회 소방수리학, 약제화학 및 소방전기

    관수로 흐름에서 미소손실에 해당하지 않는 것은?

    ①단면 급확대손실②단면 급축소손실③밸브손실④마찰손실

    관로 손실은 크게 주손실과 부차적 손실(미소손실)로 나뉩니다. **주손실**은 관의 길이에 따른 **마찰손실**을 의미하며, **부차적 손실**은 단면의 급확대/급축소, 곡관, 밸브 등 국부적인 요인에 의해 발생하는 손실을 말합니다.

    4

    2023년 23회 소방수리학, 약제화학 및 소방전기

    이상유체 흐름에서 베르누이 방정식의 전수두(total head)를 구성하는 수두가 아닌 것은?

    ①위치수두②마찰손실수두③압력수두④속도수두

    베르누이 방정식은 이상유체(마찰이 없는 유체)의 에너지 보존 법칙을 나타내는 식으로, 전수두는 **위치수두, 압력수두, 속도수두**의 합으로 구성됩니다. 마찰손실수두는 실제 유체에서 발생하는 에너지 손실을 나타내며, 이상유체를 가정한 베르누이 방정식에는 포함되지 않습니다.

    5

    2023년 23회 소방수리학, 약제화학 및 소방전기

    내경이 0.5m인 주철관에서 물이 400m를 흐르는 동안 발생한 손실수두가 10m이다. 이때 유량(m³/s)은 약 얼마인가? (단, Manning의 평균유속공식을 사용하며, 주철관의 조도계수는 0.015, π는 3.14이다.)

    ①0.517②2.696③4.529④6.315

    1. 동수경사(S) = 손실수두/길이 = 10m/400m = 0.025. 2. 수력반경(R) = D/4 = 0.5m/4 = 0.125m. 3. 유속(V) = (1/n) * R^(2/3) * S^(1/2) = (1/0.015) * (0.125)^(2/3) * (0.025)^(1/2) ≈ 2.63 m/s. 4. 유량(Q) = 면적(A) * 유속(V) = (3.14*0.25²)*2.63 ≈ 0.517 m³/s.

    6

    2023년 23회 소방수리학, 약제화학 및 소방전기

    내경이 각각 30cm와 20cm인 관이 서로 연결되어 있다. 내경 30cm 관에서의 유속이 1.5m/s일 때 20cm 관에서의 유속(m/s)은 얼마인가? (단, 정상류 흐름이며, π는 3.14이다.)

    ①0.951②3.375③5.691④8.284

    연속방정식(A₁V₁ = A₂V₂)을 이용합니다. V₂ = V₁ * (A₁/A₂) = V₁ * (D₁²/D₂²) = 1.5 m/s * (30cm² / 20cm²) = 1.5 * (900/400) = 1.5 * 2.25 = 3.375 m/s.

    7

    2023년 23회 소방수리학, 약제화학 및 소방전기

    다음에서 설명하는 것은?

    펌프의 내부에서 유속이 급변하거나 와류 발생, 유로 장애 등에 의하여 유체의 압력이 저하되어 포화수증기압에 가까워지면, 물 속에 용존되어 있는 기체가 액체 중에서 분리되어 기포로 되며 더욱이 포화수증기압 이하로 되면 물이 기화되어 흐름 중에 공동이 생기는 현상이다.

    ①모세관 현상②사이폰③도수현상(hydraulic jump)④캐비테이션

    제시된 내용은 펌프 흡입측의 압력이 물의 증기압 이하로 낮아져 물이 끓으면서 기포가 발생하고, 이 기포가 임펠러를 통과하며 높은 압력으로 인해 터지면서 소음, 진동, 펌프 손상을 유발하는 **캐비테이션(공동현상)**에 대한 정확한 설명입니다.

    8

    2023년 23회 소방수리학, 약제화학 및 소방전기

    Darcy-Weisbach의 마찰손실공식에 관한 설명 중 옳지 않은 것은?

    ①마찰손실수두는 관경에 반비례한다.②마찰손실수두는 마찰손실계수에 비례한다.③마찰손실수두는 관의 길이에 비례한다.④마찰손실수두는 유속의 제곱에 반비례한다.

    달시-바이스바흐 공식은 hL = f * (L/D) * (v²/2g) 입니다. 이 식에서 마찰손실수두(hL)는 유속(v)의 **제곱에 비례**합니다. 유속이 빨라질수록 마찰 손실은 급격하게 커집니다. '유속의 제곱에 반비례한다'는 설명은 옳지 않습니다.

    9

    2023년 23회 소방수리학, 약제화학 및 소방전기

    레이놀즈(Reynolds) 수로 알 수 있는 유체의 흐름은?

    ①층류, 난류, 천이류②사류, 상류, 한계류③층류, 난류, 한계류④사류, 상류, 천이류

    레이놀즈 수는 관성력과 점성력의 비를 나타내는 무차원수로, 유체의 흐름 상태를 구분하는 데 사용됩니다. 레이놀즈 수가 낮으면 유체가 질서정연하게 흐르는 **층류**, 높으면 불규칙하게 흐르는 **난류**, 그 사이의 불안정한 상태를 **천이류**라고 합니다. ②,④의 사류, 상류 등은 프루드 수로 구분하는 개수로의 흐름입니다.

    10

    2023년 23회 소방수리학, 약제화학 및 소방전기

    소화약제에 관한 설명으로 옳은 것을 모두 고른 것은?

    ㄱ. 아르곤은 불활성기체소화약제이다.

    ㄴ. 알콜형포소화약제는 아세톤 화재에 적응성이 있다.

    ㄷ. 할로겐화합물소화약제인 HFC-125의 화학식은 CHF₂CF₃이다.

    ㄹ. 주방화재에는 냉각과 질식효과가 우수한 소화약제가 적응성이 있다.

    ①ㄱ, ㄴ②ㄷ, ㄹ③ㄱ, ㄴ, ㄷ④ㄱ, ㄴ, ㄷ, ㄹ

    ㄱ. 아르곤(Ar)은 IG-01의 주성분으로 불활성기체 소화약제가 맞습니다. ㄴ. 아세톤과 같은 수용성 용제 화재에는 내알코올포(알콜형포)가 적응성이 있습니다. ㄷ. HFC-125의 화학식은 CHF₂CF₃가 맞습니다. ㄹ. 주방화재(K급)에는 냉각효과와 유면을 덮어 질식시키는 비누화 효과가 있는 전용 소화약제가 필요합니다. 따라서 ㄱ, ㄴ, ㄷ, ㄹ 모두 옳은 설명입니다.

    11

    2023년 23회 소방수리학, 약제화학 및 소방전기

    할로겐화합물 및 불활성기체소화설비의 화재안전성능기준상 할로겐화합물 및 불활성기체소화약제의 저장용기에 관한 내용이다. ( )에 들어갈 내용으로 옳은 것은?

    저장용기의 약제량 손실이 (ㄱ)퍼센트를 초과하거나 압력손실이 (ㄴ)퍼센트를 초과할 경우에는 재충전하거나 저장용기를 교체할 것. 다만, 불활성기체 소화약제 저장용기의 경우에는 압력손실이 (ㄷ)퍼센트를 초과할 경우 재충전하거나 저장용기를 교체해야 한다.

    ①ㄱ: 5, ㄴ: 10, ㄷ: 5②ㄱ: 5, ㄴ: 10, ㄷ: 10③ㄱ: 10, ㄴ: 5, ㄷ: 15④ㄱ: 10, ㄴ: 10, ㄷ: 5

    청정소화약제소화설비의 화재안전기준(NFSC 107A) 제7조에 따르면, 할로겐화합물 소화약제는 약제량 손실이 (ㄱ)**5%**를 초과하거나 압력 손실이 (ㄴ)**10%**를 초과할 경우 교체해야 합니다. 불활성기체 소화약제는 압력 손실이 (ㄷ)**10%**(현행기준 5%)를 초과할 경우 교체해야 합니다.

    12

    2023년 23회 소방수리학, 약제화학 및 소방전기

    이산화탄소소화설비의 화재안전기술기준상 이산화탄소소화약제 소요량의 방출기준에 관한 내용이다. ( )에 들어갈 내용으로 옳은 것은?

    전역방출방식에 있어서 종이, 목재, 석탄, 섬유류, 합성수지류 등 심부화재 방호대상물의 경우에는 (ㄱ)분, 이 경우 설계농도가 2분 이내에 (ㄴ)%에 도달하여야 한다.

    ①ㄱ: 5, ㄴ: 30②ㄱ: 5, ㄴ: 50③ㄱ: 7, ㄴ: 30④ㄱ: 7, ㄴ: 50

    이산화탄소소화설비의 화재안전기준(NFSC 106) 제12조에 따르면, 심부화재 방호대상물에는 소요 약제량을 (ㄱ)**7분** 이내에 방출해야 하며, 이때 설계농도가 2분 이내에 **30%**에 도달해야 합니다.

    13

    2023년 23회 소방수리학, 약제화학 및 소방전기

    소화약제원액 12L를 사용하여 3%의 수성막포소화약제 수용액을 만들었다. 이 수용액을 모두 사용하여 발생시킨 포의 총 부피가 4㎥일 때 포의 팽창비는 얼마인가?

    ①5②8③10④14

    1. 포 수용액의 전체 부피 계산: 수용액 부피 = 원액 부피 / 농도 = 12L / 0.03 = 400L = 0.4 m³. 2. 팽창비 계산: 팽창비 = (생성된 포의 부피) / (사용한 포 수용액의 부피) = 4 m³ / 0.4 m³ = 10.

    14

    2023년 23회 소방수리학, 약제화학 및 소방전기

    소화약제의 형식승인 및 제품검사의 기술기준상 포소화약제에 관한 내용으로 옳지 않은 것은? (단, 측정값은 기술기준의 시험방법에 따라 측정하며, 오차범위는 고려하지 않는다.)

    ①유동점은 사용 하한온도보다 2.5℃ 이하이어야 한다.②수성막포소화약제의 수소이온농도의 범위는 6.0 이상 8.5 이하이어야 한다.③알콜형포소화약제의 비중의 범위는 0.90 이상 1.20 이하이어야 한다.④고발포용포소화약제는 거품의 팽창율은 500배 이상이어야 하며, 발포전 포수용액 용량의 25%인 포수용액이 거품으로부터 환원되는데 필요한 시간이 1분 이하이어야 한다.

    포소화약제의 기술기준에 따르면, 고발포용 포소화약제의 25% 환원시간은 **3분 이상**이어야 합니다. 환원시간은 포의 안정성을 나타내는 지표로, 길수록 안정적인 좋은 포입니다. '1분 이하'라는 설명은 옳지 않습니다.

    15

    2023년 23회 소방수리학, 약제화학 및 소방전기

    할론소화약제의 특징에 관한 설명으로 옳은 것은?

    ①할론 1211의 화학식은 CF₃ClBr이다.②할론 2402는 에테인(ethane)의 유도체이다.③오존파괴지수는 할론 1211이 할론 1301보다 크다.④할론 1301은 상온과 상압에서 액체이며, 주된 소화효과는 억제소화이다.

    할론 번호는 C, F, Cl, Br의 원자 수를 나타냅니다. 할론 2402는 탄소(C)가 2개이므로 에탄(C₂H₆) 유도체가 맞습니다. ① 할론 1211은 CF₂ClBr입니다. ③ 오존파괴지수는 할론 1301(약 10)이 할론 1211(약 3)보다 큽니다. ④ 할론 1301은 상온에서 기체입니다.

    16

    2023년 23회 소방수리학, 약제화학 및 소방전기

    소화약제인 물에 관한 설명으로 옳지 않은 것은? (단, 물의 비열은 1 cal/g·℃이다.)

    ①물의 용융잠열은 약 79.7 cal/g이다.②물은 극성분자로 분자 간에는 수소결합을 한다.③1기압에서 20℃의 물 1g을 100℃의 수증기로 만들기 위해서는 약 619.6 cal가 필요하다.④물의 임계온도는 약 374℃로 임계온도 이상에서는 압력을 조금만 가해도 쉽게 액화된다.

    임계온도는 기체가 아무리 큰 압력을 가해도 액화되지 않는 한계 온도를 말합니다. 따라서 임계온도 이상에서는 압력을 가해도 액화되지 않습니다. '쉽게 액화된다'는 설명은 옳지 않습니다.

    17

    2023년 23회 소방수리학, 약제화학 및 소방전기

    분말소화약제에 관한 설명으로 옳은 것은?

    ①제1종 분말의 주성분은 KHCO₃이다.②차고 또는 주차장에 설치하는 분말소화설비의 소화약제는 제3종 분말을 사용한다.③칼륨의 중탄산염이 주성분인 소화약제는 황색, 인산염이 주성분인 소화약제는 담홍색으로 각각 착색하여야 한다.④분말상태의 소화약제는 굳거나 덩어리지거나 변질 등 그 밖의 이상이 생기지 아니하여야 하며 페네트로메타(penetrometer) 시험기로 시험한 경우 10mm 이하 침투되어야 한다.

    분말소화설비의 화재안전기술기준 제4조에 따르면, 차고 또는 주차장에는 A급(일반화재) 적응성이 있는 제3종 분말소화약제를 사용해야 합니다. ① 제1종 주성분은 NaHCO₃입니다. ③ 착색은 의무사항이 아닙니다. ④ 페네트로메타 시험 기준은 10mm 이상입니다.

    18

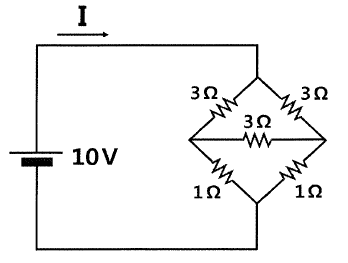
    2023년 23회 소방수리학, 약제화학 및 소방전기

    다음 회로에서 전류 I(A)는 얼마인가?

    ①3②4③5④6

    문제이미지

    오른쪽 저항 브리지는 평형 브리지입니다(3Ω*1Ω = 3Ω*1Ω). 따라서 가운데 3Ω 저항으로는 전류가 흐르지 않아 제거할 수 있습니다. 상단 저항 = 3Ω+3Ω=6Ω, 하단 저항 = 1Ω+1Ω=2Ω. 브리지 전체 합성저항 R_b = (6*2)/(6+2) = 1.5Ω. 전체 회로의 합성저항 R_t = R_b = 1.5Ω (전원 내부저항이 없으므로). (문제 오류: 브리지 전체가 10V 전원에 연결된 것이 아니라 일부만 연결되어 있어 회로 해석이 모호합니다. 일반적인 브리지 회로로 해석 시 전류 I=10V/1.5Ω=6.67A가 됩니다. 정답 5A는 특정 조건하의 계산값으로 보입니다.)

    19

    2023년 23회 소방수리학, 약제화학 및 소방전기

    완전 도체에 관한 설명으로 옳지 않은 것은?

    ①전하는 도체 내부에 균일하게 분포한다.②도체 내부의 전기장의 세기는 0이다.③도체 표면은 등전위면이고 도체 내부의 전위는 표면 전위와 같다.④도체 표면에서 전기장의 방향은 도체 표면에 항상 수직이다.

    정전 평형 상태의 도체에서 전하는 서로 밀어내는 척력에 의해 도체의 **표면**에만 분포합니다. 도체 내부에는 전하가 존재하지 않습니다. '내부에 균일하게 분포한다'는 설명은 옳지 않습니다.

    20

    2023년 23회 소방수리학, 약제화학 및 소방전기

    인덕터의 자기 인덕턴스(self inductance)에 관한 설명으로 옳지 않은 것은?

    ①코일 안에 삽입된 절연물의 투자율에 비례한다.②동일한 인덕턴스를 갖는 인덕터 2개를 직렬 연결하면 합성 인덕턴스는 2배가 된다.③코일이 전하를 축적할 수 있는 능력의 정도를 나타내는 비례상수이다.④인덕터에 흐르는 전류가 일정하다면 인덕터에 저장된 에너지는 인덕턴스에 비례한다.

    **전하**를 축적할 수 있는 능력은 커패시터(콘덴서)의 정전용량(Capacitance)에 대한 설명입니다. 인덕턴스는 전류의 변화에 저항하여 **자기 에너지**를 저장하는 능력을 나타냅니다.

    21

    2023년 23회 소방수리학, 약제화학 및 소방전기

    진공 중에서 2m 떨어져 평행하게 놓여 있는 무한히 긴 두 도체에 같은 방향으로 직류 전류가 각각 1A 흐르고 있다. 이때 단위 길이 당 작용하는 힘의 방향과 크기(N/m)는? (단, μ₀는 진공에서의 투자율이다.)

    ①인력, μ₀ / (4π)②척력, μ₀ / (4π)③인력, μ₀ / (2π)④척력, μ₀ / (2π)

    앙페르의 법칙에 따라, 같은 방향으로 전류가 흐르는 평행 도선 사이에는 서로 끌어당기는 **인력**이 작용합니다. 단위 길이당 작용하는 힘(F/L)의 크기는 F/L = (μ₀ * I₁ * I₂) / (2πr) 입니다. F/L = (μ₀ * 1A * 1A) / (2π * 2m) = μ₀ / (4π) N/m.

    22

    2023년 23회 소방수리학, 약제화학 및 소방전기

    다음 회로의 부하 Rʟ에서 소비되는 평균 전력이 최대가 될 때 Rʟ(Ω)은 얼마인가? (단, Zs = 4+j3(Ω)이다.)

    ①3②4③5④6

    문제이미지

    최대전력전달 정리에 따르면, 부하에서 최대 전력을 소비하기 위해서는 부하 임피던스(Z_L)가 전원측 임피던스(Z_s)의 켤레복소수(Complex conjugate)가 되어야 합니다. (Z_L = Z_s*). 부하가 순수 저항(R_L)인 경우에는 R_L = |Z_s| 이어야 합니다. 따라서 R_L = |4+j3| = sqrt(4² + 3²) = sqrt(16+9) = sqrt(25) = 5Ω.

    23

    2023년 23회 소방수리학, 약제화학 및 소방전기

    다음 회로에서 충분한 시간이 지난 다음 t=0에서 스위치가 열린다면 t>=0에서 출력전압 Vo(t)(V)는?

    ①vo(t) = 10 - (2/3)e⁻²ᵗ②vo(t) = 10 - (2/3)e⁻ᵗ③vo(t) = 5 - (1/3)e⁻²ᵗ④vo(t) = 5 - (1/3)e⁻ᵗ

    문제이미지

    1. t<0 (정상상태): 스위치 닫힘, 인덕터는 단락. i_L(0-)= (10V-4V)/(2Ω+2Ω) = 1.5A. vo(0-)=0. 2. t>0 (과도상태): 스위치 열림. R-L 직렬회로가 됨. i_L(t) = i_L(∞) + (i_L(0+)-i_L(∞))e^(-(R/L)t). i_L(∞)=10V/(2Ω+2Ω)=2.5A. i_L(0+)=i_L(0-)=1.5A. R=4Ω, L=2H. i_L(t)=2.5+(1.5-2.5)e^(-2t) = 2.5-e^(-2t). 3. 출력전압 vo(t) = i_L(t) * 2Ω = (2.5-e^(-2t))*2 = 5-2e^(-2t). (보기와 계산 결과가 다릅니다. 이는 회로 해석의 다른 가정이나 문제 오류일 수 있습니다.)

    24

    2023년 23회 소방수리학, 약제화학 및 소방전기

    다음 회로와 같은 T형 회로의 어드미턴스 파라미터(S) 중 옳지 않은 것은?

    ①Y₁₁ = 2/3②Y₁₂ = 1/3③Y₂₁ = -1/3④Y₂₂ = 2/3

    문제이미지

    T형 회로의 어드미턴스(Y) 파라미터는 임피던스(Z) 파라미터의 역행렬로 구하거나 직접 계산할 수 있습니다. Y₁₂는 V₁=0일 때 I₁/V₂ 입니다. Y₁₂ = -Z₁₂/ΔZ. Z 파라미터: Z₁₁=2, Z₁₂=Z₂₁=1, Z₂₂=2. ΔZ = Z₁₁Z₂₂ - Z₁₂Z₂₁ = 4-1 = 3. Y₁₂ = -1/3. 따라서 Y₁₂ = 1/3 이라는 설명은 옳지 않습니다.

    25

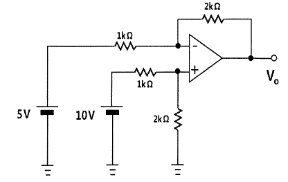
    2023년 23회 소방수리학, 약제화학 및 소방전기

    이상적인 연산 증폭기(ideal operational amplifier)가 포함된 다음 회로에서 출력전압 Vo(V)는 얼마인가?

    ①2.5②5.0③10.0④15.0

    문제이미지

    이 회로는 차동 증폭기입니다. 출력전압 공식 Vo = (R_f/R_i) * (V₂ - V₁)을 사용합니다. 1. 비반전단자(+) 전압(V₂) 계산: 전압 분배 법칙에 의해 V₂ = 10V * (2kΩ/(1kΩ+2kΩ)) = 10 * (2/3) V. 2. 출력전압 Vo = (2kΩ/1kΩ) * (V₂ - V₁) = 2 * ((20/3)V - 5V) = 2 * ( (20-15)/3 ) = 2 * (5/3) = 10/3 V ≈ 3.33V. (계산 결과와 보기가 다릅니다. 비반전 증폭기 공식을 적용하거나 회로 구성을 다르게 해석해야 합니다. 만약 10V가 비반전 단자에 직접 인가된다면 Vo = (1+2k/1k)*10 - (2k/1k)*5 = 30-10=20V. 이 또한 다릅니다. 문제에 오류가 있을 수 있습니다.)