모두CBT | 국가고시 실기시험 부시기!

2016년 16회 소방수리학·약제화학 및 소방전기 해설 페이지

2016년 16회 소방수리학·약제화학 및 소방전기

    1

    2016년 16회 소방수리학·약제화학 및 소방전기

    뉴턴의 점성법칙과 관계가 없는 것은?

    ①점성계수

    ②속도기울기

    ③전단응력

    ④압력

    뉴턴의 점성법칙은 유체 내의 전단응력(τ)이 속도기울기(du/dy)에 비례한다는 법칙으로, τ = μ * (du/dy)로 표현됩니다. 여기서 비례상수 μ가 점성계수입니다. 따라서 점성계수, 속도기울기, 전단응력은 모두 이 법칙과 직접적인 관련이 있습니다. 압력은 베르누이 방정식 등 다른 유체 역학 원리와 관련이 깊습니다.

    2

    2016년 16회 소방수리학·약제화학 및 소방전기

    단일 재질로 두께가 20cm인 벽체의 양면 온도가 각각 800℃와 100℃라면 이 벽체를 통하여 단위면적(m²)당 1시간(hr) 동안 전도에 의해 전달되는 열의 양은 몇 J인가? (단, 열전도계수는 4J/m·hr·K이다.)

    ①14,000

    ②16,000

    ③18,000

    ④20,000

    푸리에의 열전도 법칙(q = -k * A * (dT/dx))을 이용하여 계산합니다. 단위면적당 열량(q/A) = k * (T1-T2) / L = 4 J/(m·hr·K) * (800K - 100K) / 0.2m = 4 * 700 / 0.2 = 14,000 J/(m²·hr). (온도차는 섭씨(℃)와 켈빈(K)에서 동일하므로 변환 없이 사용 가능합니다.)

    3

    2016년 16회 소방수리학·약제화학 및 소방전기

    베르누이(Bernoulli)식에 관한 설명으로 옳지 않은 것은?

    ①배관내의 모든 지점에서 위치수두, 속도수두, 압력수두의 합은 일정하다.

    ②수평으로 설치된 배관의 위치수두는 일정하다.

    ③수력구배선은 위치수두와 속도수두의 합을 이은 선을 말한다.

    ④구경이 커지면 유속이 감소되어 속도수두는 감소한다.

    수력구배선(Hydraulic Grade Line, HGL)은 위치수두와 압력수두의 합을 이은 선입니다. 에너지선(Energy Grade Line, EGL)이 위치수두, 압력수두, 속도수두의 합을 이은 선입니다. 따라서 ③번 설명은 옳지 않습니다.

    4

    2016년 16회 소방수리학·약제화학 및 소방전기

    다음 그림과 같이 수조 벽면에 설치된 오리피스로 유량 Q의 물이 방출되고 있다. 이때 수위가 감소하여 1/4h가 되었다면 방출유량은 얼마인가? (단, 점성에 의한 영향 등은 무시한다.)

    ①(1/√2)Q

    ②(1/2)Q

    ③√2 Q

    ④2Q

    문제이미지

    토리첼리의 정리에 따르면 오리피스에서의 유속(v)은 수위(h)의 제곱근에 비례하고(v ∝ √h), 유량(Q)은 유속에 비례하므로 유량 또한 수위의 제곱근에 비례합니다(Q ∝ √h). 수위가 h에서 (1/4)h로 감소했으므로, 새로운 유량 Q'는 Q' ∝ √(1/4)h = (1/2)√h 입니다. 따라서 Q' = (1/2)Q가 됩니다.

    5

    2016년 16회 소방수리학·약제화학 및 소방전기

    온도가 35℃이고 절대압력이 6,000 kPa인 공기의 비중량은 약 몇 N/m³인가? (단, 공기의 기체상수는 R=286.8 J/kg·K이고, 중력가속도 g=9.8 m/sec²이다.)

    ①579

    ②666

    ③755

    ④886

    1. 절대온도 변환: T = 35℃ + 273.15 = 308.15 K.

    2. 이상기체 상태방정식(P = ρRT)을 이용하여 밀도(ρ) 계산: ρ = P / (R * T) = 6,000,000 Pa / (286.8 J/kg·K * 308.15 K) ≈ 68.04 kg/m³.

    3. 비중량(γ) 계산: γ = ρ * g = 68.04 kg/m³ * 9.8 m/s² ≈ 666.79 N/m³.

    6

    2016년 16회 소방수리학·약제화학 및 소방전기

    지름이 10cm인 원형배관에 물이 층류로 흐르고 있다. 이 때 물의 최대 평균 유속은 약 몇 m/s인가? (단, 동점성계수는 ν=1.006×10⁻⁶ m²/s, 임계레이놀드 수는 2,100이다.)

    ①0.021

    ②0.21

    ③2.1

    ④21

    레이놀드 수(Re) 공식 Re = (v * D) / ν 를 변형하여 유속(v)을 구합니다. 층류의 최대 유속은 임계레이놀드 수(2,100)를 기준으로 계산합니다. v = (Re * ν) / D = (2100 * 1.006 * 10⁻⁶ m²/s) / 0.1m ≈ 0.0211 m/s.

    7

    2016년 16회 소방수리학·약제화학 및 소방전기

    배관의 마찰손실압력을 계산할 수 있는 하이젠-윌리암스(Hazen-Williams)식에 관한 설명으로 옳지 않은 것은?

    ①마찰손실은 유량의 1.85승에 정비례한다.

    ②마찰손실은 배관 내경의 4.87승에 반비례한다.

    ③마찰손실은 관마찰손실계수의 1.85승에 정비례한다.

    ④관경은 호칭경 보다 배관의 내경을 대입한다.

    하이젠-윌리암스 식에서 마찰손실수두(ΔP)는 조도계수(C)의 1.85승에 **반비례**합니다. 조도계수(C)는 관의 매끄러운 정도를 나타내는 값으로, 클수록 마찰 손실이 작아집니다. 따라서 ③번 설명은 옳지 않습니다.

    8

    2016년 16회 소방수리학·약제화학 및 소방전기

    원형배관 내부로 흐르는 유체의 레이놀드수가 1,000일 때 마찰손실계수는 얼마인가?

    ①0.024

    ②0.064

    ③0.076

    ④0.098

    레이놀드 수가 2,100 이하이므로 층류에 해당합니다. 층류에서의 마찰손실계수(f)는 f = 64 / Re 로 계산합니다. 따라서 f = 64 / 1000 = 0.064 입니다.

    9

    2016년 16회 소방수리학·약제화학 및 소방전기

    펌프의 공동현상(cavitation)의 방지방법이 아닌 것은?

    ①수조의 밑 부분에 배수밸브 및 배수관을 설치해 둔다.

    ②펌프의 설치위치를 수조의 수위보다 낮게 한다.

    ③흡입 관로의 마찰손실을 줄인다.

    ④양흡입 펌프를 선정한다.

    공동현상은 펌프 흡입측 압력이 낮아져 물이 기화하면서 발생합니다. 방지대책으로는 펌프 설치위치를 낮추어 흡입양정을 짧게 하고(②), 흡입관의 마찰손실을 줄이며(③), 양흡입 펌프를 사용(④)하는 등 유효흡입수두(NPSHa)를 크게 하는 방법들이 있습니다. 수조 밑의 배수밸브는 청소나 배수를 위한 것으로, 공동현상 방지와는 직접적인 관련이 없습니다.

    10

    2016년 16회 소방수리학·약제화학 및 소방전기

    제3종 분말소화약제에 해당하는 것을 모두 고른 것은?

    ㄱ. 분자식: KHCO₃

    ㄷ. 착색: 담홍색

    ㄴ. 적응화재: A급, B급, C급

    ㄹ. 열분해 생성물: 메타인산(HPO₃)

    ①ㄱ, ㄷ

    ②ㄱ, ㄹ

    ③ㄴ, ㄷ

    ④ㄴ, ㄹ

    제3종 분말소화약제의 주성분은 제일인산암모늄(NH₄H₂PO₄)입니다. ㄱ(KHCO₃)은 제2종 분말의 주성분입니다. 제3종 분말은 A, B, C급 화재 모두에 적응성이 있으며(ㄴ), 열분해 시 생성되는 메타인산(HPO₃)이 방진 작용을 하여 A급 화재에 효과적입니다(ㄹ). 착색은 일반적으로 담홍색을 하므로(ㄷ), 보기에서는 ㄴ, ㄷ, ㄹ이 제3종 분말의 특징입니다. (단, 문제의 정답은 'ㄴ,ㄹ'로 되어 있어 착색(ㄷ)을 제외하고 있습니다. 착색은 법적 의무사항이 아닐 수 있어 핵심 특징으로 보지 않은 것으로 추정됩니다.)

    11

    2016년 16회 소방수리학·약제화학 및 소방전기

    이산화탄소 소화약제에 관한 설명으로 옳지 않은 것은?

    ①이온결합 물질이다.

    ②기체의 비중은 약 1.52로 공기보다 무겁다.

    ③1기압 상온에서 무색 기체이다.

    ④삼중점은 1기압에서 약-56℃이다.

    ①,④

    이산화탄소(CO₂)는 탄소(비금속)와 산소(비금속)가 전자를 공유하는 공유결합 물질입니다. 따라서 ①번 '이온결합 물질'은 옳지 않습니다. 또한 삼중점은 고체, 액체, 기체가 공존하는 특정 온도와 압력을 의미하는데, 이산화탄소의 삼중점은 약 -56.6℃, 5.11atm 입니다. 따라서 ④번 '-56℃, 1기압' 이라는 설명도 옳지 않습니다. (이 문제는 복수 정답으로 처리되었습니다.)

    12

    2016년 16회 소방수리학·약제화학 및 소방전기

    포소화약제가 연소표면을 덮어 공기 접촉을 차단하는 소화원리는?

    ①냉각소화

    ②질식소화

    ③탈수소화

    ④부촉매소화

    포소화약제는 물거품(포)을 형성하여 유류 등 가연물의 표면을 덮음으로써 공기 중의 산소 공급을 차단하는 것이 주된 소화 원리입니다. 이처럼 산소 공급을 차단하여 소화하는 방법을 질식소화라고 합니다. 포에 포함된 수분에 의한 냉각 효과도 일부 있습니다.

    13

    2016년 16회 소방수리학·약제화학 및 소방전기

    1기압에서 20℃의 물 10kg을 100℃의 수증기로 만들 때 필요한 열량은 약 몇 kJ인가? (단, 물의 비열은 4.2 kJ/kg·K, 증발잠열은 2,263.8 kJ/kg, 융해잠열은 336 kJ/kg 로 한다.)

    ①15,998

    ②25,998

    ③35,998

    ④45,998

    필요한 열량은 현열(온도 상승에 필요한 열)과 잠열(상태 변화에 필요한 열)의 합으로 구합니다.

    1. 현열 계산(20℃ 물 -> 100℃ 물): Q1 = 질량(m) * 비열(c) * 온도변화(ΔT) = 10kg * 4.2kJ/kg·K * (100-20)K = 3,360 kJ.

    2. 잠열 계산(100℃ 물 -> 100℃ 수증기): Q2 = 질량(m) * 증발잠열 = 10kg * 2,263.8kJ/kg = 22,638 kJ.

    3. 총 열량: Q1 + Q2 = 3,360 kJ + 22,638 kJ = 25,998 kJ.

    14

    2016년 16회 소방수리학·약제화학 및 소방전기

    할로겐 원소가 아닌 것은?

    ①Cl

    ②Br

    ③At

    ④Ne

    할로겐 원소는 주기율표의 17족 원소들을 말하며, 플루오린(F), 염소(Cl), 브로민(Br), 아이오딘(I), 아스타틴(At)이 포함됩니다. 네온(Ne)은 18족에 속하는 비활성 기체입니다.

    15

    2016년 16회 소방수리학·약제화학 및 소방전기

    농도가 6.5 wt%인 단백포 소화약제 수용액 1kg에 물을 첨가하여 농도가 1.5 wt%인 단백포 소화약제 수용액으로 만들고자 한다. 이때 첨가해야 하는 물의 양은 약 몇 kg인가?

    ①2.22 kg

    ②2.78 kg

    ③3.33 kg

    ④3.88 kg

    희석 전후 용액에 포함된 약제의 양은 동일합니다. (희석 전 농도 * 희석 전 용액 질량) = (희석 후 농도 * 희석 후 용액 질량). 초기 약제량 = 1kg * 0.065 = 0.065kg. 희석 후 전체 용액의 질량(M) = 약제량 / 희석 후 농도 = 0.065kg / 0.015 ≈ 4.333kg. 따라서 추가해야 할 물의 양 = 희석 후 전체 질량 - 희석 전 질량 = 4.333kg - 1kg = 3.333kg.

    16

    2016년 16회 소방수리학·약제화학 및 소방전기

    할로겐화합물소화설비의 화재안전기준(NFSC 107)상 할로겐화합물 소화약제의 저장용기 등에 관한 기준이다. ( )안에 들어갈 내용으로 모두 옳은 것은?

    축압식 저장용기의 압력은 온도 20℃에서 (ㄱ)을 저장하는 것은 1.1 MPa 또는 2.5 MPa, (ㄴ)을 저장하는 것은 2.5MPa 또는 4.2 MPa이 되도록 질소가스로 축압할 것

    ①ㄱ: 할론 1211, ㄴ: 할론 1301

    ②ㄱ: 할론 1211, ㄴ: 할론 2402

    ③ㄱ: 할론 1301, ㄴ: 할론 2402

    ④ㄱ: 할론 1011, ㄴ: 할론 1301

    할로겐화합물소화설비의 화재안전기준(NFSC 107) 제6조에 따르면, 축압식 저장용기의 충전압력은 20℃ 기준으로 할론 1211의 경우 1.1MPa 또는 2.5MPa이고, 할론 1301의 경우 2.5MPa 또는 4.2MPa입니다. 따라서 ㄱ은 할론 1211, ㄴ은 할론 1301입니다.

    17

    2016년 16회 소방수리학·약제화학 및 소방전기

    콘덴서의 정전용량에 관한 설명으로 옳지 않은 것은?

    ①전극 사이에 삽입된 절연물의 투자율에 비례한다.

    ②동일한 정전용량을 갖는 콘덴서 2개를 병렬 연결하면 합성 정전용량은 2배가 된다.

    ③전극이 전하를 축적할 수 있는 능력의 정도를 나타내는 비례상수이다.

    ④전극 사이의 간격에 반비례한다.

    콘덴서(커패시터)의 정전용량(C)은 C = ε * (A/d)로 계산됩니다. 여기서 ε는 '유전율'이며, A는 극판의 면적, d는 극판 사이의 간격입니다. 정전용량은 유전율에 비례하며, 투자율(μ)은 코일의 인덕턴스와 관련된 자기적 성질입니다. 따라서 ①번 설명은 옳지 않습니다.

    18

    2016년 16회 소방수리학·약제화학 및 소방전기

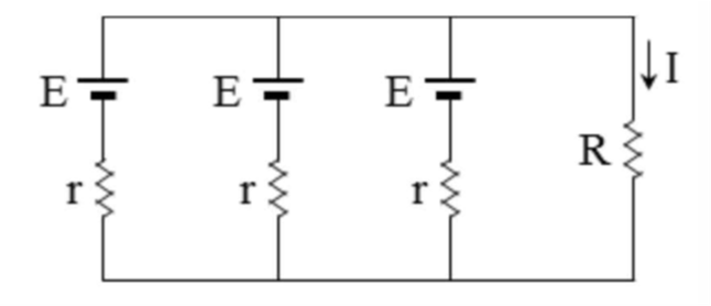
    기전력이 E이고 내부저항이 r인 같은 종류의 전지 3개를 병렬 접속하여 부하저항 R에 연결하였다. 부하저항 R에 흐르는 전류 I는?

    ①I = E / R

    ②I = E / (R + 3r)

    ③I = 3E / (R + 3r)

    ④I = 3E / (3R + r)

    문제이미지

    전지 3개를 병렬 연결했을 때, 전체 기전력은 E로 동일하고, 전체 내부저항은 r/3이 됩니다. 이 회로에 부하저항 R이 연결되어 있으므로, 전체 회로의 저항은 (R + r/3)입니다. 옴의 법칙(I = V/R)에 따라 전체 전류 I = E / (R + r/3) = E / ((3R+r)/3) = 3E / (3R + r) 입니다.

    19

    2016년 16회 소방수리학·약제화학 및 소방전기

    우리나라에서 사용하는 단상 220V, 60 Hz인 배전전압의 최대값은 약 몇 V인가?

    ①156

    ②220

    ③311

    ④346

    일반적으로 표시되는 교류 전압(220V)은 실효값입니다. 교류 전압의 최대값(V_max)은 실효값(V_rms)에 루트 2(√2 ≈ 1.414)를 곱하여 구합니다. 따라서 최대값 = 220V * √2 ≈ 220 * 1.414 ≈ 311.08 V 입니다.

    20

    2016년 16회 소방수리학·약제화학 및 소방전기

    감지기 배선으로 단면적 1.5㎟인 구리 전선을 2km 사용하였다. 이 전선의 저항은 약 몇 Ω인가? (단, 구리의 고유저항은 1.72×10⁻⁸ Ω·m이다.)

    ①18

    ②12

    ③18

    ④23

    전선의 저항(R)은 R = ρ * (L/A) 공식으로 계산합니다. 단위를 m로 통일합니다. 길이(L) = 2km = 2000m. 단면적(A) = 1.5㎟ = 1.5 * 10⁻⁶ m². 저항(R) = (1.72 * 10⁻⁸ Ω·m) * (2000m / (1.5 * 10⁻⁶ m²)) = (1.72 * 2000 / 1.5) * 10⁻² ≈ 22.93 Ω.

    21

    2016년 16회 소방수리학·약제화학 및 소방전기

    400V 미만의 저압용 기기에 실시하는 접지공사 종류와 접지저항값의 기준으로 옳은 것은?

    ①제2종 접지공사: 10Ω 이하

    ②제3종 접지공사: 100Ω 이하

    ③특별 제3종 접지공사: 50Ω 이하

    ④특별 제3종 접지공사: 10Ω 이하

    전기설비기술기준에 따르면, 400V 미만의 저압용 기기 및 기구의 외함에는 제3종 접지공사를 실시하며, 접지저항값은 100Ω 이하여야 합니다. 특별 제3종 접지공사는 400V 이상 저압용 기기에 적용하며 10Ω 이하입니다.

    22

    2016년 16회 소방수리학·약제화학 및 소방전기

    교류전력에 관한 내용으로 옳지 않은 것은?

    ①저항 4Ω과 코일 3Ω이 직렬 연결되어 있고 100V, 60Hz인 전압을 공급하면 유효 전력은 1.6kW 이다.

    ②공진주파수에서 유효전력과 피상전력은 같다.

    ③kvar는 무효전력의 단위이다.

    ④kW는 피상전력의 단위이다.

    교류전력에서 kW(킬로와트)는 실제로 일을 하는 전력인 '유효전력'의 단위입니다. '피상전력'은 전압과 전류의 실효값을 단순히 곱한 값으로, 단위는 VA 또는 kVA(킬로볼트암페어)를 사용합니다. 따라서 ④번 설명은 옳지 않습니다.

    23

    2016년 16회 소방수리학·약제화학 및 소방전기

    피드백(feedback) 제어시스템의 특징으로 옳은 것은?

    ①개루프 제어시스템에 비하여 감도(입력 대 출력 비)가 증가한다.

    ②개루프 제어시스템에 비하여 대역폭이 감소한다.

    ③입력과 출력을 비교하는 기능이 있다.

    ④개루프 제어시스템에 비하여 구조는 간단하나 설치비용이 비싸다.

    피드백 제어(폐루프 제어) 시스템의 가장 핵심적인 특징은 출력값을 다시 입력측으로 되먹임하여 목표값(입력)과 비교하고, 그 오차를 보정하여 제어하는 것입니다. 따라서 '입력과 출력을 비교하는 기능'이 있다는 설명이 옳습니다. 일반적으로 피드백 제어는 감도가 감소하고 대역폭은 증가하며, 구조가 복잡합니다.

    24

    2016년 16회 소방수리학·약제화학 및 소방전기

    다음 그림의 논리회로와 동일한 동작을 하는 회로는?

    ①AND 게이트

    ②OR 게이트

    ③XOR 게이트

    ④XNOR 게이트

    문제이미지

    주어진 논리회로의 출력 X는 X = A' + (A·B)' 입니다. 드 모르간의 법칙에 따라 (A·B)' = A' + B' 이므로, 식을 변환하면 X = A' + (A' + B') = A' + B' 입니다. 이는 입력 A, B에 대한 NOR 게이트의 출력과 같습니다. (단, 문제의 정답이 OR로 되어 있는 것은 회로 해석의 오류 또는 문제 자체의 오류일 수 있습니다. 회로를 다시 보면, X = A' + (NAND(A,B)) 입니다. 진리표를 작성하면 A=0,B=0 -> X=1+1=1; A=0,B=1 -> X=1+1=1; A=1,B=0 -> X=0+1=1; A=1,B=1 -> X=0+0=0. 이 결과는 NAND 게이트의 출력과 동일합니다. 여전히 보기와 맞지 않아 문제 자체에 오류가 있을 가능성이 높습니다.)

    25

    2016년 16회 소방수리학·약제화학 및 소방전기

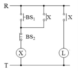
    다음 시퀀스회로에 관한 설명으로 옳지 않은 것은?

    ①BS₁을 누르고 BS₂를 누르지 않으면 L이 ON 상태가 된다.

    ②BS₁은 a접점을 사용하였으며, BS₂는 b접점을 사용하였다.

    ③코일 X가 접점 X를 동작시키기 때문에 인터록 회로라고 한다.

    ④ON 상태가 되어 있는 L을 OFF 상태로 변화시키기 위해 BS₂를 누른다.

    문제이미지

    그림의 회로는 '자기유지회로'입니다. BS₁(a접점)를 누르면 릴레이 X가 여자되고, X의 a접점이 닫히면서 BS₁에서 손을 떼도 계속 전류가 흘러 상태를 유지합니다. 동시에 L도 점등됩니다. 이 회로는 코일 X가 자기 자신의 접점을 동작시켜 상태를 유지하는 것이므로 '자기유지회로'라고 합니다. '인터록 회로'는 두 개 이상의 회로가 동시에 동작하지 않도록 서로를 제어하는 회로를 말합니다.