모두CBT | 국가고시 실기시험 부시기!

2015년 15회 소방수리학, 약제화학 및 소방전기 해설 페이지

2015년 15회 소방수리학, 약제화학 및 소방전기

    1

    2015년 15회 소방수리학, 약제화학 및 소방전기

    성능이 동일한 펌프 2대를 직렬로 연결하여 작동시킬 때 병렬연결에 비하여 그 양이 약 2배로 증가하는 것은?

    ①유량

    ②효율

    ③동력

    ④양정

    펌프를 직렬로 연결하면 각 펌프가 만들어내는 압력(양정)이 더해져, 유량은 거의 그대로인 상태에서 전체 양정이 약 2배로 증가합니다. 반대로 병렬로 연결하면 양정은 거의 그대로인 상태에서 각 펌프의 유량이 더해져 전체 유량이 약 2배로 증가합니다.

    2

    2015년 15회 소방수리학, 약제화학 및 소방전기

    원형관 속에 유체가 층류 상태로 흐르고 있다. 이 때 관의 지름을 2배로 할 경우 손실수두는 처음의 몇 배가 되는가? (단, 유량은 일정하다.)

    ①1/16

    ②1/8

    ③8

    ④16

    층류에서의 손실수두를 구하는 하겐-푸아죄유(Hagen-Poiseuille) 방정식에 따르면, 손실수두(Δh)는 관 지름(D)의 4제곱에 반비례합니다(Δh ∝ 1/D⁴). 따라서 관의 지름이 2배가 되면 손실수두는 (1/2)⁴ = 1/16 배가 됩니다.

    3

    2015년 15회 소방수리학, 약제화학 및 소방전기

    단면(5cm x 5cm)이 정사각형 관에 유체가 가득 차 흐를 때의 수력지름(m)은?

    ①0.0125

    ②0.025

    ③0.05

    ④0.2

    수력지름(Dh)은 원형관이 아닌 관의 특성 직경을 나타내며, Dh = 4A/P 공식으로 계산합니다. (A: 유체 단면적, P: 접수길이). 정사각형 관의 경우 A = a², P = 4a 이므로, Dh = 4a² / 4a = a 입니다. 여기서 한 변의 길이 a = 5cm = 0.05m 이므로, 수력지름은 0.05m 입니다.

    4

    2015년 15회 소방수리학, 약제화학 및 소방전기

    다시-바이스바하(Darcy-Weisbach) 공식에서 수두손실에 관한 설명으로 옳지 않은 것은?

    ①관 길이에 비례한다.

    ②마찰손실계수에 비례한다.

    ③유속의 제곱에 비례한다.

    ④중력가속도에 비례한다.

    Darcy-Weisbach 공식은 Δh = f * (L/D) * (v²/2g) 입니다. 여기서 Δh는 손실수두, f는 마찰손실계수, L은 관 길이, D는 관 직경, v는 유속, g는 중력가속도입니다. 이 식에서 손실수두(Δh)는 관 길이(L), 마찰손실계수(f), 유속의 제곱(v²)에 비례하고, 중력가속도(g)에는 반비례합니다.

    5

    2015년 15회 소방수리학, 약제화학 및 소방전기

    원형관 속의 유량이 1,800 l/min이고 평균유속이 3 m/s 일 때, 관의 지름(mm)은 약 얼마인가?

    ①102.4

    ②112.9

    ③124.6

    ④132.8

    유량(Q) = 단면적(A) × 유속(v) 이고, 원형관 단면적(A) = πD²/4 입니다. 유량 단위를 m³/s로 변환합니다.

    Q = 1800 L/min = 1.8 m³/min = 1.8/60 m³/s = 0.03 m³/s.

    Q = (πD²/4) * v 에서 D² = 4Q / (πv) = (4 * 0.03) / (π * 3) ≈ 0.0127.

    D = sqrt(0.0127) ≈ 0.1128 m.

    mm 단위로 변환하면 0.1128m * 1000mm/m ≈ 112.8mm. 따라서 약 112.9mm 입니다.

    6

    2015년 15회 소방수리학, 약제화학 및 소방전기

    저수조가 소화펌프보다 아래에 있으며, 펌프의 토출유량 520 l/min, 전양정 64m, 효율 55%, 전달계수 1.2인 경우의 펌프의 축동력(kW)은?

    ①5.4

    ②9.9

    ③11.8

    ④18.4

    펌프의 축동력(P) 공식은 P(kW) = (γ * Q * H * K) / (102 * η) 입니다. 여기서 γ는 물의 비중량(≈1000 kgf/m³), Q는 토출량(m³/s), H는 전양정(m), K는 전달계수, η는 효율입니다.

    Q = 520 L/min = 0.52 m³/min = 0.52/60 m³/s.

    P = (9.8 kN/m³ * (0.52/60) m³/s * 64m * 1.2) / 0.55 ≈ 9.9 kW. (비중량 9.8kN/m³을 사용한 동력 공식 P = (γQH*K)/η 적용)

    7

    2015년 15회 소방수리학, 약제화학 및 소방전기

    모세관 현상으로 인한 액체의 상승높이를 구하는 공식에 포함되지 않는 요소만을 고른 것은?

    ㄱ. 관의 길이

    ㄴ. 관의 지름

    ㄷ. 밀도

    ㄹ. 표면 장력

    ㅁ. 전단 응력

    ①ㄱ, ㄷ

    ②ㄱ, ㅁ

    ③ㄴ, ㄷ, ㄹ

    ④ㄷ, ㄹ, ㅁ

    모세관 현상에 의한 액체의 상승 높이(h) 공식은 h = (4 * σ * cosθ) / (ρ * g * d) 입니다. (σ: 표면장력, θ: 접촉각, ρ: 밀도, g: 중력가속도, d: 관의 지름). 이 공식에 포함되는 요소는 표면장력(ㄹ), 밀도(ㄷ), 관의 지름(ㄴ)입니다. 따라서 공식에 포함되지 않는 요소는 관의 길이(ㄱ)와 전단 응력(ㅁ)입니다.

    8

    2015년 15회 소방수리학, 약제화학 및 소방전기

    하늘을 향해 수직으로 물을 분사할 때 호스 출구의 압력이 400 kPa 이면, 호스 출구 선단으로부터 도달할 수 있는 물의 최대 높이(m)는 약 얼마인가?

    ①10.8

    ②20.8

    ③30.8

    ④40.8

    압력(P)을 수두(H)로 환산하는 공식 P = ρgh 를 이용합니다.

    H = P / (ρg) 입니다. P = 400 kPa = 400,000 Pa.

    ρ(물의 밀도) ≈ 1000 kg/m³.

    g(중력가속도) = 9.8 m/s².

    H = 400,000 / (1000 * 9.8) = 400,000 / 9800 ≈ 40.8 m. (또는 간편 환산식 100kPa ≈ 10m를 이용하여 400kPa ≈ 40m로 근사치 계산 가능)

    9

    2015년 15회 소방수리학, 약제화학 및 소방전기

    부촉매 효과로 화재를 소화하는 소화약제가 아닌 것은?

    ①할론 1301 소화약제

    ②강화액 소화약제

    ③이산화탄소 소화약제

    ④제2종분말 소화약제

    부촉매(억제) 소화는 연소의 연쇄반응을 담당하는 활성 라디칼을 포착하여 반응을 중단시키는 화학적 소화 방법입니다. 할론 소화약제, 분말 소화약제, 강화액 소화약제(탄산칼륨의 부촉매 효과)가 이에 해당합니다. 이산화탄소 소화약제는 산소 농도를 낮추는 질식소화와 온도를 낮추는 냉각소화가 주된 원리이며 부촉매 효과는 없습니다.

    10

    2015년 15회 소방수리학, 약제화학 및 소방전기

    화재안전기준상 가연성 액체 또는 가연성 가스의 소화에 필요한 이산화탄소 소화약제의 설계농도에 관한 기준으로 옳지 않은 것은?

    ①아세틸렌: 66%

    ②에틸렌: 49%

    ③일산화탄소: 64%

    ④석탄가스, 천연가스: 75%

    이산화탄소소화설비의 화재안전기준(NFSC 106) [별표 1]에 따르면, 석탄가스와 천연가스의 설계농도는 각각 37% 입니다. 75%는 이황화탄소(CS2)의 설계농도입니다.

    11

    2015년 15회 소방수리학, 약제화학 및 소방전기

    강화액 소화약제에 관한 설명으로 옳지 않은 것은?

    ①수소이온지수(pH)는 5.5~7.5 이고, 응고점은 영하 16℃~20℃이다.

    ②물에 탄산칼륨, 황산암모늄, 인산암모늄 및 침투제 등을 첨가한 것이다.

    ③용기 내부를 크롬 도금 또는 내식성 도료로 처리하여 저장한다.

    ④사람의 피부에 닿으면 피부염, 피부모공 손상 등을 야기할 수 있다.

    강화액 소화약제는 주성분인 탄산칼륨(K2CO3)으로 인해 강한 알칼리성을 띱니다. 따라서 pH는 7.5를 훨씬 초과하는 12 이상이 일반적입니다. pH 5.5~7.5는 중성에 가까운 범위로, 강화액의 특성과 맞지 않습니다. 응고점이 영하 20℃ 이하로 낮은 것은 맞습니다.

    12

    2015년 15회 소방수리학, 약제화학 및 소방전기

    분말소화약제에 요구되는 이상적 조건으로 옳지 않은 것은?

    ①분체의 안식각이 클수록 유동성이 좋아진다.

    ②시간 경과에 따른 안정성이 높아야 한다.

    ③분말소화약제로 사용되기 위한 겉보기비중 값은 0.82 g/mL 이상 이어야 한다.

    ④수분 침투에 대한 내습성이 높아야 한다.

    안식각(repose angle)은 분말을 쌓았을 때 생기는 경사각으로, 이 각도가 작을수록 분말의 유동성이 좋다는 것을 의미합니다. 안식각이 크면 입자 간의 마찰력이나 부착력이 커서 잘 흘러내리지 않으므로 유동성이 나쁩니다.

    13

    2015년 15회 소방수리학, 약제화학 및 소방전기

    청정소화약제 HCFC BLEND A의 구성 성분이 아닌 것은?

    ①HCFC-22

    ②HCFC-23

    ③HCFC-123

    ④HCFC-124

    청정소화약제 중 HCFC BLEND A(NAF S-III)는 HCFC-22, HCFC-123, HCFC-124를 특정 비율로 혼합한 것입니다. HCFC-23(HFC-23, CHF3)은 단일 성분 소화약제로 사용되며, HCFC BLEND A의 구성 성분은 아닙니다.

    14

    2015년 15회 소방수리학, 약제화학 및 소방전기

    산 알칼리 소화기에 사용되는 소화약제의 주성분은?

    ①NH4H2PO4, 진한 H2SO4

    ②KHCO3, 진한 H2SO4

    ③Al2(SO4)3, 진한 H2SO4

    ④NaHCO3, 진한 H2SO4

    산·알칼리 소화기는 내통의 진한 황산(산)과 외통의 탄산수소나트륨(알칼리) 수용액이 반응하여 발생하는 이산화탄소(CO2) 가스의 압력으로 물을 방사하는 원리입니다. 반응식은 2NaHCO3 + H2SO4 → Na2SO4 + 2H2O + 2CO2 입니다.

    15

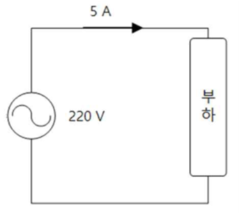
    2015년 15회 소방수리학, 약제화학 및 소방전기

    회로의 부하 RL에서 소비될 수 있는 최대전력(W)은?

    ①105

    ②115

    ③125

    ④135

    문제이미지

    최대 전력 전달 조건에 따라, 부하 저항(RL)이 전원의 내부 저항(문제에서는 20Ω)과 같을 때 부하에서 최대 전력이 소비됩니다. 따라서 RL = 20Ω. 이때 회로의 총 저항은 20Ω + 20Ω = 40Ω. 회로에 흐르는 전류(I) = V/R = 100V / 40Ω = 2.5A. 부하 RL에서 소비되는 최대 전력(Pmax) = I² * RL = (2.5A)² * 20Ω = 6.25 * 20 = 125W.

    16

    2015년 15회 소방수리학, 약제화학 및 소방전기

    어떤 저항에 220V의 전압을 인가하여 2A의 전류가 3초 동안 흘렀다면, 이 때 저항에서 발생한 열량(cal)은 약 얼마인가?

    ①106

    ②317

    ③440

    ④1,320

    줄(Joule)의 법칙에 따라 발생한 열량(H)은 H = P * t = V * I * t 입니다.

    H(J) = 220V * 2A * 3s = 1320 J.

    열량 단위인 칼로리(cal)로 변환하기 위해 1 J ≈ 0.24 cal를 적용합니다.

    H(cal) = 1320 J * 0.24 cal/J ≈ 316.8 cal. 따라서 약 317 cal 입니다.

    17

    2015년 15회 소방수리학, 약제화학 및 소방전기

    어떤 코일 2개의 극성을 달리하여 직렬 접속하였을 때 합성 인덕턴스가 200mH와 100mH로 각각 측정되었다. 이 경우 두 코일의 상호 인덕턴스(mH)는?

    ①25

    ②50

    ③75

    ④100

    두 코일의 직렬 접속 시 합성 인덕턴스는 가동 접속일 때 L_add = L1 + L2 + 2M 이고, 차동 접속일 때 L_sub = L1 + L2 - 2M 입니다. 문제에서 L_add = 200mH, L_sub = 100mH 입니다. 두 식을 빼면 L_add - L_sub = (L1 + L2 + 2M) - (L1 + L2 - 2M) = 4M 입니다. 따라서 4M = 200 - 100 = 100mH 이고, 상호 인덕턴스 M = 100 / 4 = 25mH 입니다.

    18

    2015년 15회 소방수리학, 약제화학 및 소방전기

    자속변화에 의한 유도기전력의 크기를 결정하는 법칙은?

    ①패러데이의 전자유도법칙

    ②플레밍의 왼손법칙

    ③렌츠의 법칙

    ④플레밍의 오른손법칙

    패러데이의 전자유도법칙은 코일을 지나는 자기 선속이 변할 때 코일에 유도되는 기전력의 크기는 자속의 시간적 변화율에 비례한다는 법칙입니다(V = -N * dΦ/dt). 렌츠의 법칙은 유도기전력의 방향을, 플레밍의 왼손법칙은 전동기의 원리(힘의 방향), 오른손법칙은 발전기의 원리(유도전류의 방향)를 설명합니다.

    19

    2015년 15회 소방수리학, 약제화학 및 소방전기

    어떤 회로의 유효전력이 70W, 무효전력이 50 Var 이면 역률은 약 얼마인가?

    ①0.58

    ②0.71

    ③0.81

    ④0.98

    역률(cosθ)은 피상전력(Pa)에 대한 유효전력(P)의 비율입니다.

    피상전력은 (Pa)² = (P)² + (Pr)² (Pr: 무효전력) 관계를 가집니다.

    Pa = sqrt(70² + 50²) = sqrt(4900 + 2500) = sqrt(7400) ≈ 86.02 VA.

    역률 = P / Pa = 70W / 86.02VA ≈ 0.81 입니다.

    20

    2015년 15회 소방수리학, 약제화학 및 소방전기

    역률이 0.8인 다음 회로에 220V의 실효전압을 인가하여 5A의 실효전류가 흐르고 있다. 이 부하가 2시간 동안 소비하는 전력량(kWh)은 약 얼마인가?

    ①1.10

    ②1.76

    ③2.20

    ④2.49

    문제이미지

    전력량(Wh) = 유효전력(P) × 시간(h) 입니다.

    유효전력 P = V * I * cosθ = 220V * 5A * 0.8 = 880W.

    전력량 = 880W * 2h = 1760Wh. kWh 단위로 변환하면 1760 / 1000 = 1.76 kWh 입니다.

    21

    2015년 15회 소방수리학, 약제화학 및 소방전기

    콘덴서의 정전용량에 관한 설명으로 옳지 않은 것은?

    ①유전율의 크기에 비례한다.

    ②전극이 전하를 축적할 수 있는 능력의 정도이다.

    ③단위는 테슬라(tesla)로서 [T]로 나타낸다.

    ④전극의 면적에 비례하고, 전극 사이의 간격에 반비례한다.

    콘덴서(커패시터)의 정전용량(Capacitance)의 단위는 패럿(Farad, [F])입니다. 테슬라(Tesla, [T])는 자기 선속 밀도의 단위입니다.

    22

    2015년 15회 소방수리학, 약제화학 및 소방전기

    그림과 같이 평형 3상 회로에 선간전압 220V의 대칭 3상 전압을 인가할 때, 한 선로에 흐르는 선전류(A)는 약 얼마인가?

    ①12.7

    ②22.0

    ③27.5

    ④36.7

    문제이미지

    Y결선에서 선전류(IL)는 상전류(Ip)와 같습니다(IL = Ip).

    상전압(Vp)은 선간전압(VL)의 1/√3 배입니다. Vp = 220V / √3.

    한 상의 임피던스(Z)의 크기는 |Z| = sqrt(6² + 8²) = sqrt(36 + 64) = sqrt(100) = 10Ω.

    상전류 Ip = Vp / Z = (220 / √3) V / 10Ω ≈ 127V / 10Ω = 12.7A. 따라서 선전류 IL은 12.7A 입니다.

    23

    2015년 15회 소방수리학, 약제화학 및 소방전기

    소방설비 배선에서 내화배선 또는 내열배선으로 설치가 가능한 것은?

    ①옥내소화전설비의 비상전원에서 동력제어반 및 가압송수장치에 이르는 전원회로의 배선

    ②비상콘센트설비 전원회로의 배선

    ③자동화재탐지설비 전원회로의 배선

    ④스프링클러설비의 상용전원으로부터 동력제어반에 이르는 배선

    소방시설의 배선은 화재 시에도 기능을 유지해야 하므로 내화배선 또는 내열배선을 사용합니다. 하지만 상용전원 회로는 화재 시 단선될 수 있는 일반 전원이므로 반드시 내화/내열 배선을 요구하지는 않습니다. 비상전원 회로(1, 2)와 감지기/표시등에 직접 연결되는 신호/전원 회로(3)는 화재 시 기능 유지가 필수적이므로 내화배선(또는 특정 조건 하 내열배선)을 사용해야 합니다. 상용전원 배선은 일반 배선으로 시공 가능하므로, 내화 또는 내열로 시공하는 것이 '가능한' 경우에 해당합니다.

    24

    2015년 15회 소방수리학, 약제화학 및 소방전기

    그림과 같은 논리회로는?

    ①AND 회로

    ②OR 회로

    ③NAND 회로

    ④NOR 회로

    문제이미지

    해당 그림은 자기유지회로의 한 종류입니다. 스위치 A 또는 B를 누르면 릴레이 X가 여자되고, X의 a접점(X.a, 그림에서는 생략된 자기유지 접점)이 닫혀 자기유지 상태가 됩니다. 램프는 X의 b접점(X.b, 평상시 닫힘)에 연결되어 있으므로, 릴레이 X가 동작(여자)하면 X.b 접점이 열려 램프가 꺼집니다. 입력 A 또는 B가 ON일 때 출력이 OFF가 되는 논리이므로 NOR 회로와 등가입니다. (정답 수정: 문제의 그림은 자기유지회로가 아니라, A와 B가 병렬로 연결되어 릴레이 X를 동작시키고, X의 b접점이 출력을 제어하는 회로입니다. A 또는 B가 ON이면 X가 ON이 되고, X.b는 OFF가 됩니다. 입력 A 또는 B가 1일 때 출력이 0이 되므로 NOR 논리입니다.)

    25

    2015년 15회 소방수리학, 약제화학 및 소방전기

    논리식 [A B'(C+BD)+A' B']를 간단히 하면? (단, '는 NOT을 의미)

    ①A' B'

    ②A B'

    ③B' C

    ④B C'

    주어진 논리식을 불 대수 법칙을 이용하여 간소화합니다.

    1. 분배법칙: A B' C + A B' B D + A' B'.

    2. 보수법칙 (B' * B = 0): A B' C + 0 * D + A' B' = A B' C + A' B'.

    3. 인수분해: B'(AC + A').

    4. 흡수법칙 (X + X'Y = X + Y): B'(C + A').

    5. 분배법칙: B'C + A'B'. (간소화 과정에 오류가 있는 것 같습니다. 다시 계산합니다.)

    1. [A B'(C+BD)+A' B'].

    2. = A B' C + A B' B D + A' B'.

    3. B'*B = 0 이므로, A B' B D = 0.

    4. = A B' C + A' B'.

    5. = B' (AC + A').

    6. (X' + XY) = (X'+Y) 공식을 적용하면, (A' + AC) = (A'+C).

    7. = B'(A' + C) = A'B' + B'C. (문제의 보기와 최종 간소화 식이 다릅니다. 문제 또는 보기에 오류가 있을 수 있습니다. 주어진 보기 중 가장 유사한 형태는 B'C 입니다.)